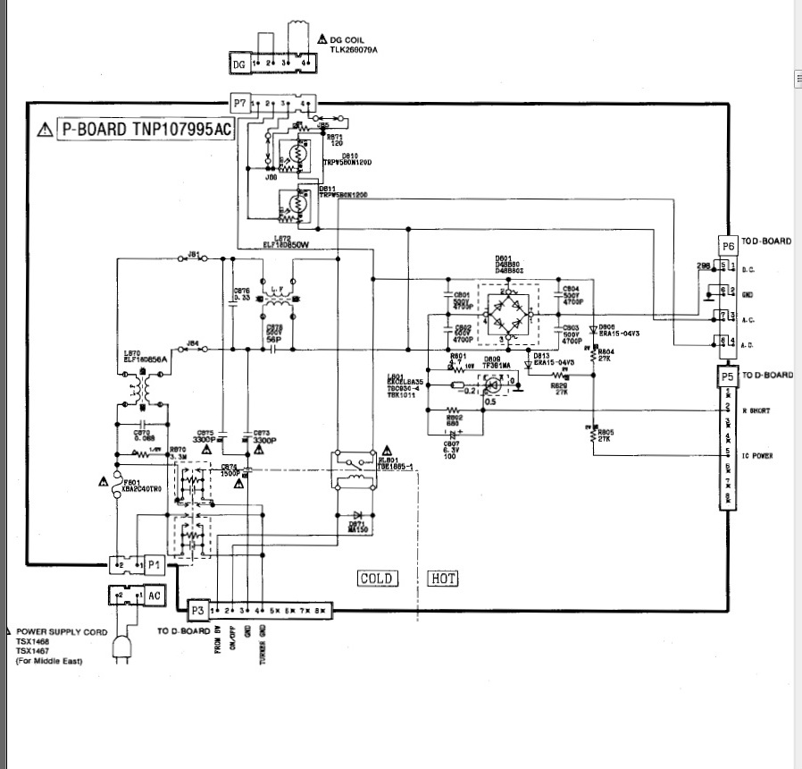
Фонокорректор есть по схеме Бокарева, есть от Радиотехники 001. читал много про двухполярное питание, ломанул телевизор чтобы достать детали, но подумал что может уже есть готовое решение телек был panasonik TC-25GF10R. На выходе P6 в точках 1 и 4 +- 73v
что надо включить\замкнуть чтобы узнать напряжение на выходе P7 ? это выход на трансформатор кадровой развертки как я понимаю, поправьте т.к. я могу ошибаться, включается от кнопки Power на выходе P5 или этот выход вообще в качестве питания не подходит ?
on\off на выходе P3 что здесь включает выключает ?
если это можно использовать в качестве питания то как понизить напряжение до например +-15v, с помощью резисторов ?





Социальные закладки