Показано с 1 по 6 из 6

Тема: NAIM NAC4.25 clone

  1. #1
    Новичок
    Автор темы
    Аватар для prusony
    Регистрация
    24.05.2015
    Сообщений
    25

    По умолчанию NAIM NAC4.25 clone

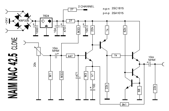
    Купил китайский преамп клон NAIM NAC 42.5 , восстановил схему.
    Выкладываю, может будет полезна кому-то.
    Такой схемы не видел, интересно было бы почитать критику...
    Миниатюры Миниатюры Нажмите на изображение для увеличения. 

Название:	NAIM-NAC425_SCHEMA.JPG 
Просмотров:	1878 
Размер:	47.8 Кб 
ID:	239528  
    Последний раз редактировалось prusony; 15.06.2015 в 00:31.

  2. #2
    Новичок
    Автор темы
    Аватар для prusony
    Регистрация
    24.05.2015
    Сообщений
    25

    По умолчанию Re: NAIM NAC4.25 clone

    Не стал новую тему создавать.
    В своей ссылку дам.
    http://www.acoustica.org.uk/t/naim/p...rd_overlay.pdf
    По моему красиво... (Пример разводки земли майнборды УМ.)
    Оно ничего особенного, все знают, тут конкретно просто.

  3. #3
    Частый гость Аватар для caligula73
    Регистрация
    07.02.2012
    Сообщений
    483

    По умолчанию Re: NAIM NAC4.25 clone

    Цитата Сообщение от prusony Посмотреть сообщение
    интересно было бы почитать критику...
    два разделительных конденсатора - для меня это достаточно

  4. #4
    Новичок
    Автор темы
    Аватар для prusony
    Регистрация
    24.05.2015
    Сообщений
    25

    По умолчанию Re: NAIM NAC4.25 clone

    А они танталы....
    Всёравно плохо ?

  5. #5
    Давно не заходил
    Регистрация
    10.02.2008
    Сообщений
    488

    По умолчанию Re: NAIM NAC4.25 clone

    Цитата Сообщение от prusony Посмотреть сообщение
    тут конкретно просто.
    Номиналы резисторов вызывают сомнение. Например, 300к в эмиттере транзистора.

  6. #6
    Новичок
    Автор темы
    Аватар для prusony
    Регистрация
    24.05.2015
    Сообщений
    25

    По умолчанию Re: NAIM NAC4.25 clone

    Цитата Сообщение от КСИВ Посмотреть сообщение
    Номиналы резисторов вызывают сомнение. Например, 300к в эмиттере транзистора.
    Проверил еще раз - в эмиттере 330 кОм, там 300 написал.

Социальные закладки

Социальные закладки

Ваши права

  • Вы не можете создавать новые темы
  • Вы не можете отвечать в темах
  • Вы не можете прикреплять вложения
  • Вы не можете редактировать свои сообщения
  •