Здравствуйте,
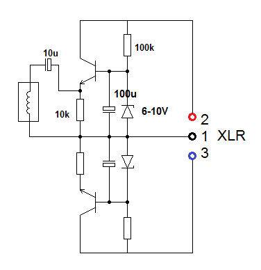
Попытаюсь изложить идею, которая давно витает в облаках, но не нашел никакой реализации. Даны гитара и звуковая карточка с поддержкой фантомного питания для микрофона. Т.е. на выходе звуковой карточки: земля, левый канал, правый канал и напряжение между левым и правым каналом должно быть 48 вольт. Вместо микрофона будет подключена гитара и хочется внутри гитары собрать предусилитель, питающийся от звуковой карточки (фантомного питания). Карточка не профессиональная, поэтому 48 вольт там конечно нет, мощность минимальная, но на предусилитель должно хватить. Подскажите можно ли это осуществить ? каким образом можно совместить выход усилителя и его питание ? может есть что-то готовое или похожее ?
Спасибо





Социальные закладки