Страница 1 из 2 12 Последняя
Показано с 1 по 20 из 22

Тема: Двуполярное питание, два трансформатора.

  1. #1
    Частый гость
    Автор темы
    Аватар для ZVUKOVIK
    Регистрация
    09.01.2005
    Адрес
    Сочи
    Возраст
    40
    Сообщений
    248

    По умолчанию Двуполярное питание, два трансформатора.

    Приветствую
    В общем может быть баян, но найти соответствующую тему не смог
    Столкнулся с такой проблемой: имеется двухканальный усилитель на базе Холтон от WP. Так вот за отсутствием трансформатора с двумя обмотками, использовал два одинаковых трансформатора с одной вторичкой, соединив их последовательно синфазно. Первички соответственно параллельно. Так вот при подаче музыкального сигнала, с преобладанием низких частот происходит выгорание сетевого предохранителя на 5 ампер и притухает свет) Напряжение на вторичках 52в. Усилитель нагружен на 2 головки 150гдш от Ноэмы. В каналах усилителя по питанию стоят предохранители по 5а. Грешу на трансформаторы, насыщение? Неужели так пагубно сказывается? Или метод такого подключения лучше не использовать?
    Последний раз редактировалось ZVUKOVIK; 30.05.2011 в 10:55.
    Кто учится, с каждым днём увеличивает свои знания.Тот, кто знает, не говорит.Тот, кто говорит, не знает.-(C)Дао

  2. #2
    Старый знакомый Аватар для Electro_maniac
    Регистрация
    25.11.2005
    Адрес
    Новосибирск
    Возраст
    42
    Сообщений
    513

    По умолчанию Re: Двуполярное питание, два трансформатора.

    В насыщение влетают из за подмагничивания.
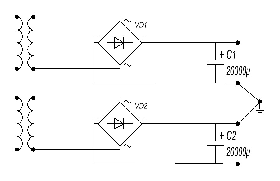
    Выход - разъединить вторички и поставить два выпрямительных моста, на каждую вторичку свой.
    люди любят интересоваться тем, что их не касается, учить тому, чего не умеют, и рассуждать о том, в чём не разбираются.

  3. #3
    Частый гость Аватар для SeVaGor
    Регистрация
    10.01.2010
    Адрес
    г. Пенза
    Сообщений
    135

    По умолчанию Re: Двуполярное питание, два трансформатора.

    Привет! А почему не сделать так: на каждую вторичку трансформатора свой мост и конденсаторы, затем они соединяются последовательно. Такие варианты питания часто встречаются при организации питания.

  4. #4
    Частый гость
    Автор темы
    Аватар для ZVUKOVIK
    Регистрация
    09.01.2005
    Адрес
    Сочи
    Возраст
    40
    Сообщений
    248

    По умолчанию Re: Двуполярное питание, два трансформатора.

    У меня так и сделано (соединены уже после выпрямителей, напутал в первом посте). Одна вторичка, к ней диодный мост на ультрафастах и 20000мкф ёмкость, соответственно на второй аналогично. Чуть позже сделаю фото применённых трансформаторов, сами трансы видать намотаны впритык, так как греются на холостом ходу (не сразу, но ощущается, ток xx замерю)
    Сегодня постараюсь заменить их другими, по аналогичной схеме и проверить.
    Миниатюры Миниатюры Нажмите на изображение для увеличения. 

Название:	1.JPG 
Просмотров:	1719 
Размер:	46.9 Кб 
ID:	124619  
    Последний раз редактировалось ZVUKOVIK; 30.05.2011 в 11:19.
    Кто учится, с каждым днём увеличивает свои знания.Тот, кто знает, не говорит.Тот, кто говорит, не знает.-(C)Дао

  5. #5
    Завсегдатай Аватар для mAxSpace
    Регистрация
    19.05.2008
    Адрес
    Москва
    Сообщений
    19,024

    По умолчанию Re: Двуполярное питание, два трансформатора.

    Мистика какая-то, не должно быть такого.

  6. #6
    Частый гость
    Автор темы
    Аватар для ZVUKOVIK
    Регистрация
    09.01.2005
    Адрес
    Сочи
    Возраст
    40
    Сообщений
    248

    По умолчанию Re: Двуполярное питание, два трансформатора.

    Да вот сам удивляюсь, трансы с виду солидные Пока только фото, измерения сегодня в силу ряда причин сделать не удалось, посмотрю так же и форму тока в первичных обмотках. Внешние габаритные размеры магнитопровода 74*100*120 (мм). Смущает что у них он проварен, может вообще не пригодны
    Миниатюры Миниатюры Нажмите на изображение для увеличения. 

Название:	IMG_3081.jpg 
Просмотров:	1519 
Размер:	232.7 Кб 
ID:	124672   Нажмите на изображение для увеличения. 

Название:	IMG_3083.jpg 
Просмотров:	872 
Размер:	310.0 Кб 
ID:	124673   Нажмите на изображение для увеличения. 

Название:	IMG_3082.jpg 
Просмотров:	1156 
Размер:	255.7 Кб 
ID:	124674  
    Кто учится, с каждым днём увеличивает свои знания.Тот, кто знает, не говорит.Тот, кто говорит, не знает.-(C)Дао

  7. #7
    Давно не заходил
    Регистрация
    03.05.2010
    Сообщений
    3,486

    По умолчанию Re: Двуполярное питание, два трансформатора.

    Э... уважаемый..
    Известно, что "если нельзя но очень хочется, то можно", но есть-же определенные пределы...

    Трансформатор обыкновенно рассчитывается на некую рабочую частоту, чаще всего - 50 Гц. Если все обмотки на одном керне, на этой частоте трансформатор, главным образом, и работает, но если обмотки на разных трансах, то в цепи каждого транса потребляемый ток, грубо говоря, модулируется разностной частотой сигнала и 50 Гц.

    То есть если Вы подаете частоту 55 герц, то транс отдает некий ток, модулированый частотой в 5 Гц. Причем амплитудное значение этого "5-герцового" тока легко может быть в сравнимо с током потребляемым от обмотки. То есть от обмотки отбирается в среднем 1 ампер переменного тока, при том, что 5 раз в секунду помимо этого переменного в обмотке течет такой-же "постоянный".

    Это конечно-же формально не настоящая постоянка, но трансы успевают 5 раз за секунду влететь в насыщение (как в плюс так и в минус)..


    Комментировать дальше это бессмысленно...
    Последний раз редактировалось ViktKors; 01.06.2011 в 00:11.

  8. #8
    Завсегдатай Аватар для mAxSpace
    Регистрация
    19.05.2008
    Адрес
    Москва
    Сообщений
    19,024

    По умолчанию Re: Двуполярное питание, два трансформатора.

    ViktKors, откуда взялись 55 герц ?

  9. #9
    Давно не заходил
    Регистрация
    03.05.2010
    Сообщений
    3,486

    По умолчанию Re: Двуполярное питание, два трансформатора.

    Цитата Сообщение от mAxSpace Посмотреть сообщение
    ViktKors, откуда взялись 55 герц ?
    Как пример "музыкального сигнала, с преобладанием низких частот".
    И 40, и 60, и 70 Герц будут работать аналогично, причем количественно довольно похоже. То есть 70 Герц, конечно-же не так страшны как 55, но они не станут "безопасными" от того, что довольно далеко отстоят от 50-ти Герц.

  10. #10
    Частый гость
    Автор темы
    Аватар для ZVUKOVIK
    Регистрация
    09.01.2005
    Адрес
    Сочи
    Возраст
    40
    Сообщений
    248

    По умолчанию Re: Двуполярное питание, два трансформатора.

    Что то в это мне слабо верится, сегодня постараюсь посмотреть форму и величину тока в первичке. Раньше как то использовал подобную схему включения, но такого эффекта не наблюдал, мощность правда была меньше.
    Последний раз редактировалось ZVUKOVIK; 31.05.2011 в 09:22.
    Кто учится, с каждым днём увеличивает свои знания.Тот, кто знает, не говорит.Тот, кто говорит, не знает.-(C)Дао

  11. #11
    Старый знакомый Аватар для Electro_maniac
    Регистрация
    25.11.2005
    Адрес
    Новосибирск
    Возраст
    42
    Сообщений
    513

    По умолчанию Re: Двуполярное питание, два трансформатора.

    Действительно мистика какая то, трансы с виду нормальные
    Попробуйте нагрузить их по очереди резистором (от усилителя их надо отключить, естественно) ом 6-8, и посмотреть просадку напряжения под нагрузкой.
    люди любят интересоваться тем, что их не касается, учить тому, чего не умеют, и рассуждать о том, в чём не разбираются.

  12. #12
    Частый гость
    Автор темы
    Аватар для ZVUKOVIK
    Регистрация
    09.01.2005
    Адрес
    Сочи
    Возраст
    40
    Сообщений
    248

    По умолчанию Re: Двуполярное питание, два трансформатора.

    Сделал замеры
    Ток холостого хода первого и второго трансформаторов 337мА и 310мА (ужас какой)
    Напряжения вторичек без нагрузки 50,4 в, под нагрузкой (использовал нихромовую спираль сопротивлением 6,2 Ом) 47,1в.
    По нагрузкой потребляемый ток от сети 220в вырастал чуть более 2А. Посмотрел осцем на форму тока в первичной обмотке без и под нагрузкой:
    Нажмите на изображение для увеличения. 

Название:	IMG_3093.jpg 
Просмотров:	761 
Размер:	243.1 Кб 
ID:	124767Нажмите на изображение для увеличения. 

Название:	IMG_3094.jpg 
Просмотров:	676 
Размер:	236.3 Кб 
ID:	124766

    Нашёл пару тороидальных трансформаторов, замерил и с ними:
    Ток холостого хода 60мА
    Напряжения вторичек без нагрузки 52 в, под нагрузкой 48в. Потребляемый от сети ток под нагрузкой не отличался особо от первого варианта.
    Снял и осциллограммы:
    Нажмите на изображение для увеличения. 

Название:	IMG_3097.jpg 
Просмотров:	720 
Размер:	241.2 Кб 
ID:	124768Нажмите на изображение для увеличения. 

Название:	IMG_3099.jpg 
Просмотров:	690 
Размер:	207.3 Кб 
ID:	124770Нажмите на изображение для увеличения. 

Название:	IMG_3100.jpg 
Просмотров:	848 
Размер:	337.2 Кб 
ID:	124769
    Попробую их в питание усилителя
    Кто учится, с каждым днём увеличивает свои знания.Тот, кто знает, не говорит.Тот, кто говорит, не знает.-(C)Дао

  13. #13
    Старый стал, ленивый Аватар для Starichok
    Регистрация
    02.05.2010
    Адрес
    Псков
    Возраст
    74
    Сообщений
    3,293

    По умолчанию Re: Двуполярное питание, два трансформатора.

    337мА и 310мА - это пипец...
    ну, на торе тоже есть пики входа в насыщение. и почему-то не симметричные...
    под нагрузкой за счет падения напряжения на сопротивлении первичной обмотки снижается амплитуда индукции, и форма нормализуется до синусоидальной.
    Фарш невозможно провернуть назад,
    И мяса из котлет не восстановишь...

  14. #14
    Завсегдатай Аватар для mAxSpace
    Регистрация
    19.05.2008
    Адрес
    Москва
    Сообщений
    19,024

    По умолчанию Re: Двуполярное питание, два трансформатора.

    Цитата Сообщение от ZVUKOVIK Посмотреть сообщение
    337мА и 310мА (ужас какой
    Кстати, каким способом измеряли, прибор True RMS измеряет или только синусоиду ?

  15. #15
    Старый стал, ленивый Аватар для Starichok
    Регистрация
    02.05.2010
    Адрес
    Псков
    Возраст
    74
    Сообщений
    3,293

    По умолчанию Re: Двуполярное питание, два трансформатора.

    при таких величинах это уже не принципиально. все равно много, очень.
    Фарш невозможно провернуть назад,
    И мяса из котлет не восстановишь...

  16. #16
    Давно не заходил
    Регистрация
    03.05.2010
    Сообщений
    3,486

    По умолчанию Re: Двуполярное питание, два трансформатора.

    Цитата Сообщение от ZVUKOVIK Посмотреть сообщение
    Сделал замеры
    ...под нагрузкой (использовал нихромовую спираль сопротивлением 6,2 Ом..
    А причем тут усилитель??
    Вы же не подключали включали эту спираль 40-60 раз к трансформатору?

    То, что Вы видмите на осциллографе - это "не то насыщение". То насыщение из-за которого мигает освещение в комнате - является следствием биений между частотой сигнала и сетевой.

    Понятно, что если на УНЧ подан сигнал частотй в килогерц, то разницы между питанием одним трансом и двумя - не будет, но в заголовке темы и первом посте вроде как все определено достаточно однозначно: "просадка" питания при питании УНЧ от двух трасов, когда усилитель воспроизводит фонограмму с "низами"


    Да и "увидеть" осциллограммы насыщения сигналом "биений" зачастую довольно проблематично, Если биения имеют частоту, скажем, те-же 5 Гц, то увидеть картинку на обычном осциллографе будет сложно - период сигнала в секунду это просто слишком долго.

    -------------------------------------------------------------------
    Тема вызвала интерес, поэтому я прикинул вот картинки для тока:
    Нажмите на изображение для увеличения. 

Название:	2_Obmotki_.JPG 
Просмотров:	592 
Размер:	79.9 Кб 
ID:	124793
    Вверху красным - ток потребления от одной из вторичек трансформатора. Если эта обмотка единственная вторичная - это и есть общий ток потребления.
    Синим показан ход усреденного максимального тока потребления.
    Нетрудно заметить, что в определенные периоды от трансформатора потребляется по сути постоянный ток. В зависимости от емкостей питания, нагрузки, частоты и т.д. картина может меняться и в обчном случае не так трагична как на графике, но тенденция (как-бы работа транса на постоянном токе) - остается.

    Если вторичек две, то во второй вторичке "синяя" кривая противофазна и общий ток потребляемый от трансформатора имеет вид как на картинке внизу - видно что он симметричен относительно нуля, и насыщение сердечника просто отсутствует как вид - люстра не "мигает"

    Кстати, именно из-за того, что магнитные поля от токов в обоих вторичках вторичках могут неидеально компенсировать друг друга, и как следствие, вызывать "поднасыщение" сердечника, так настойчиво рекомендуют стараться делать обе вторички идентичными.
    Последний раз редактировалось ViktKors; 01.06.2011 в 00:18.

  17. #17
    Частый гость
    Автор темы
    Аватар для ZVUKOVIK
    Регистрация
    09.01.2005
    Адрес
    Сочи
    Возраст
    40
    Сообщений
    248

    По умолчанию Re: Двуполярное питание, два трансформатора.

    Цитата Сообщение от mAxSpace Посмотреть сообщение
    Кстати, каким способом измеряли, прибор True RMS измеряет или только синусоиду ?
    Измерял Ц-4324 (старенький, но не подводил пока), для контроля измерял падение на резисторе в цепи первичной обмотки.

    ViktKors, измерения проводил при отключённых платах усилителя, но интереса ради сделаю замеры на синусе 55 гц (уже поздно, проверить на полной мощности на колонках не смогу), проконтролировав осцем первички обоих трансформаторов одновременно (на старых и новых трансах).
    Кто учится, с каждым днём увеличивает свои знания.Тот, кто знает, не говорит.Тот, кто говорит, не знает.-(C)Дао

  18. #18
    Давно не заходил
    Регистрация
    03.05.2010
    Сообщений
    3,486

    По умолчанию Re: Двуполярное питание, два трансформатора.

    Цитата Сообщение от ZVUKOVIK Посмотреть сообщение
    ..измерения проводил при отключённых платах усилителя, но интереса ради сделаю замеры на синусе 55 гц (уже поздно, проверить на полной мощности на колонках не смогу...
    пожалейте колонки!! , тем более у Вас есть замечательная "нихромовая спираль сопротивлением 6,2 Ом" !!!

  19. #19
    Частый гость Аватар для navuhudonosor
    Регистрация
    01.01.2010
    Адрес
    Новосибирск
    Возраст
    43
    Сообщений
    141

    По умолчанию Re: Двуполярное питание, два трансформатора.


    Offтопик:
    Цитата Сообщение от Starichok Посмотреть сообщение
    на торе тоже есть пики входа в насыщение. и почему-то не симметричные...
    А кто-нибудь может объяснить это явление? Я тоже столкнулся с этим.
    Мне тут в Технопарке СО РАН, изготовили тор, примерно 1кВА габаритной, мультиметр показывает эффективное значение тока хх порядка 10 ма.
    Осциллограф, на токовом датчике в первичке, показывает трудно различимую синусоиду (почти прямая линия) амплитудой около 5 ма, и пики (очень узкие) 60 ма на одной полуволне (на другой половине их нет вообще). Форма напряжения в сети - трапеция, на вторичке - та же трапеция. Это виновата сеть или транс?

  20. #20
    Давно не заходил
    Регистрация
    10.08.2008
    Адрес
    Харьков
    Возраст
    63
    Сообщений
    2,165

    По умолчанию Re: Двуполярное питание, два трансформатора.

    Цитата Сообщение от navuhudonosor Посмотреть сообщение
    Форма напряжения в сети - трапеция, на вторичке - та же трапеция. Это виновата сеть или транс?
    Транс не виноват- пикообразную несимметричную форму тока хх тоже наблюдаю практически на всех трансах, если в розетке срезанная синусоида. Если поставить фильтр от постоянки- очень красиво видно, как постепенно перемагничивается сердечник - вот эти пики "плавают" в течение двух-трех секунд с одной полуволны на другую, потом становятся болеее менее симметричными.

Страница 1 из 2 12 Последняя

Социальные закладки

Социальные закладки

Ваши права

  • Вы не можете создавать новые темы
  • Вы не можете отвечать в темах
  • Вы не можете прикреплять вложения
  • Вы не можете редактировать свои сообщения
  •