Кто делал потенц на этой микрухе - отзовитесь.
Хочу попробывать, для моих целей будет самое то (УМЗЧ - ТДА7294)
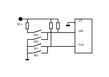
Как сделать так, чтоб не было как в даташите кнопки и переключателя вверх/вниз, а были две кнопки одна "+", дргая "-".
Есть ли какието подводные камни?
Даташит: http://www.analog.com/UploadedFiles/...42AD5222_0.pdf




Социальные закладки