Показано с 1 по 18 из 18

Тема: Усилитель УНЧ-3

  1. #1
    Новичок
    Автор темы

    Регистрация
    27.01.2005
    Сообщений
    5

    По умолчанию Усилитель УНЧ-3

    Ламповый.
    Год рождения 1973
    На табличке:
    "усилитель низкой частоты
    тип УНЧ-3"

    Буду рад любой информации

  2. #2
    Новичок
    Автор темы

    Регистрация
    27.01.2005
    Сообщений
    5

    По умолчанию Re: Усилитель УНЧ-3

    Ну хорошо...
    Может кто-нибудь подскажет характеристики и назначение входов выходов?
    Входы: (по порядку снижения чувствительности)
    "М" - ?
    "АД" - ?
    "Л"- ?

    Выходы:
    "ГР" - наверное "Громкоговоритель"?
    "Л" - ?

  3. #3
    - Аватар для Olegyurich
    Регистрация
    17.01.2005
    Адрес
    Санкт-Петербург
    Возраст
    47
    Сообщений
    5,263

    По умолчанию Re: Усилитель УНЧ-3

    Л-линейный, скорее всего.

  4. #4
    Новичок
    Автор темы

    Регистрация
    27.01.2005
    Сообщений
    5

    По умолчанию Re: Усилитель УНЧ-3

    Хм.. вот только в 73 году, они по-моему линейными не назывались....
    а вот входы-выходы для трансляционной линии (радио-розетка ) встречались частенько...
    Тем более что выходы - только разные обмотки выходного транса...
    А значит 3 ватта на линейный выход? Странно...
    Вобщем, я в сомнениях....
    Может кто подскажет сайт любителей старой аппаратуры... вдруг они знают?
    Последний раз редактировалось kkstr; 25.05.2005 в 22:45.

  5. #5
    Новичок
    Регистрация
    13.02.2005
    Сообщений
    47

    По умолчанию Re: Усилитель УНЧ-3

    Случаем не этот ?????
    Дак вот:
    Входы:
    "М" - Микрофон
    "АД" – Адаптер
    "Л"- Линия

    Выходы:
    "ГР" - наверное Громкоговоритель
    "Л" – Линия (моно подключить до 15 абонентских громкоговорителей (ну тех что у всех раньше на кухне весели и ГОВОРИЛИ ))
    Где-то у меня валялась инструкция от него со схемой но сейчас я ей не найду у мя БОЛЬШОЙ беспорядок в хате – как только её увижу так сразу отсканю и выложу сюды !!!!
    Характеристики у него примерно такие (пишу по памяти что помню):

    Диапазон воспроизводимых частот: 300-8000 (да-да – вот такое дерьмо )
    Выходная мощность 10 Вт (хотя как 6П14П может выдать эти 10Вт непонятно)

    Сразу говорю – звучит он УЖАСНО и использовать тебе его в качестве высококачественного УМ не получится
    Миниатюры Миниатюры Нажмите на изображение для увеличения. 

Название:	1.jpg 
Просмотров:	1949 
Размер:	40.4 Кб 
ID:	2393   Нажмите на изображение для увеличения. 

Название:	2.jpg 
Просмотров:	1632 
Размер:	19.1 Кб 
ID:	2394   Нажмите на изображение для увеличения. 

Название:	3.jpg 
Просмотров:	1564 
Размер:	28.5 Кб 
ID:	2395   Нажмите на изображение для увеличения. 

Название:	4.jpg 
Просмотров:	2726 
Размер:	25.8 Кб 
ID:	2396  

    Нажмите на изображение для увеличения. 

Название:	5.jpg 
Просмотров:	2908 
Размер:	55.5 Кб 
ID:	2397  

  6. #6
    Новичок
    Автор темы

    Регистрация
    27.01.2005
    Сообщений
    5

    Улыбнуло! Re: Усилитель УНЧ-3

    Большое спасибо.
    Он самый.

    На звуковоспроизведение он не претендует, но как занятная штучка пригодится..
    Да! а что это за "АДаптер" такой?
    типа как сейчас линейный вход?

  7. #7
    Новичок
    Регистрация
    13.02.2005
    Сообщений
    47

    По умолчанию Re: Усилитель УНЧ-3

    kkstr, ДА - Адаптер это типа линейного входа
    Ты его разбери и посмотри - там простейший делитель на резисторах собран

    И признайся мне честно - где ты его взял ??? (небось в кабинете физики стырил)

    [ADDED=Andrnow]1117496062[/ADDED]
    Да - и смотри без нагрузки его НЕ включай - а то транс пробьётся и всё.......................
    Последний раз редактировалось Andrnow; 31.05.2005 в 03:34.

  8. #8
    Новичок
    Автор темы

    Регистрация
    27.01.2005
    Сообщений
    5

    По умолчанию Re: Усилитель УНЧ-3

    Ну не в кабинете физики.... но похоже...
    В гараже центра детско-юношеского туризма
    Ржавый с одного боку, но... работает!

    А про делитель - так я ж не дурак сразу включать.. такие ржавые железки... разобрал сначала

    Мне просто интересно, почему название такое - "АДаптер"

  9. #9
    Клубок противоречий Аватар для vizzy
    Регистрация
    18.06.2004
    Адрес
    Иваново
    Возраст
    38
    Сообщений
    1,658

    По умолчанию Re: Усилитель УНЧ-3

    Цитата Сообщение от kkstr
    Мне просто интересно, почему название такое - "АДаптер"
    Так назывались звукосниматели для патефонов.

  10. #10

    По умолчанию Re: Усилитель УНЧ-3

    А если есть два таких, то можно питать от одного бп? Просто есть таких два, и я хочу из них с небольшой переделкой сделать стерео. Кстати, мне их в кабинете физики отдали

  11. #11
    Забанен (навсегда) Аватар для Phlanger
    Регистрация
    14.04.2007
    Сообщений
    1,753

    По умолчанию Re: Усилитель УНЧ-3

    да можно
    если БП потянет

  12. #12

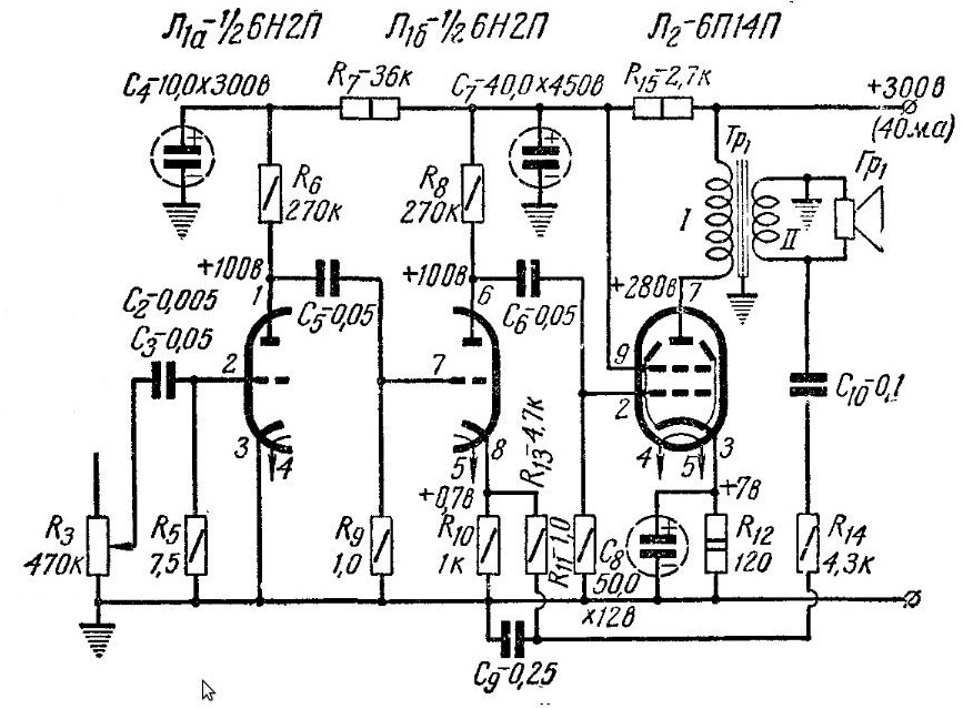
    По умолчанию Re: Усилитель УНЧ-3

    Вот схема
    Миниатюры Миниатюры Нажмите на изображение для увеличения. 

Название:	1.jpg 
Просмотров:	8416 
Размер:	114.9 Кб 
ID:	126205  

  13. #13
    Забанен (навсегда) Аватар для Phlanger
    Регистрация
    14.04.2007
    Сообщений
    1,753

    По умолчанию Re: Усилитель УНЧ-3

    первый каскад сразу хочется выкинуть - усиление бешеное, он для микрофона что ли?
    C9 выкинуть, C10 закоротить
    будет заводиться - увеличить R13 или R10 раза в три или в пять

  14. #14
    Завсегдатай Аватар для Alexander
    Регистрация
    30.08.2008
    Адрес
    РФ Саратов
    Сообщений
    4,377

    По умолчанию Re: Усилитель УНЧ-3

    Цитата Сообщение от Andrnow Посмотреть сообщение
    Выходная мощность 10 Вт (хотя как 6П14П может выдать эти 10Вт непонятно)
    Да ещё в классе А при потребляемой 12 ватт...
    Переделку представляю так,всё до конденсатора С6 выкинуть,и конечно убрать уже не нужную ООС С10,Р14.

  15. #15
    Новичок
    Регистрация
    16.01.2008
    Сообщений
    31

    По умолчанию Re: Усилитель УНЧ-3

    Схема и описание этого чудика

  16. #16

    По умолчанию Re: Усилитель УНЧ-3

    Цитата Сообщение от Phlanger Посмотреть сообщение
    C9 выкинуть, C10 закоротить
    А что это даст?

  17. #17
    Новичок
    Регистрация
    03.01.2014
    Сообщений
    1

    По умолчанию Re: Усилитель УНЧ-3

    Цитата Сообщение от Пентод Посмотреть сообщение
    А что это даст?

    Новогодние алкогольные злоупотребления иногда приводят к приятным старым ностальгическим воспоминаниям (и поиску в инете) о ламповых "раритетах" . . . Как Плюшкин, собирая с детства ВСЯКА, рискуя навлечь, гнев жены (что и произошло) выкопал-таки один из первых своих усилителей, в который включал одну из первых самопальных электрогитар !
    УНЧ Одесского завода Физэлектроприбор "Красный Октябрь" , что по второму Водопроводному переулку.
    Собран на "до пальчиковой" серии ламп (октальные 6н8с, 6п6с, 6ц5с). По деталям не познее 1959 года.Нажмите на изображение для увеличения. 

Название:	DSCN0534.JPG 
Просмотров:	1899 
Размер:	1.28 Мб 
ID:	199654

  18. #18
    Завсегдатай Аватар для boatsman
    Регистрация
    10.03.2004
    Адрес
    Москва
    Возраст
    62
    Сообщений
    2,702

    По умолчанию Re: Усилитель УНЧ-3


    Offтопик:
    Цитата Сообщение от SASHAA Посмотреть сообщение
    Схема и описание этого чудика
    Кто-то злостно использовал последнюю страницу обложки для лога в тесте
    Yours Aye, Ilya

Социальные закладки

Социальные закладки

Ваши права

  • Вы не можете создавать новые темы
  • Вы не можете отвечать в темах
  • Вы не можете прикреплять вложения
  • Вы не можете редактировать свои сообщения
  •