Показано с 1 по 7 из 7

Тема: Один вопрос

  1. #1
    Новичок
    Автор темы

    Регистрация
    29.09.2008
    Сообщений
    15

    По умолчанию Один вопрос

    Привет всем. Вложил схемку. Зачем автор использует 74НС04? А нельзя сразу с компаратора на вход ямахи?
    Вложения Вложения
    • Тип файла: pdf dac0.pdf (15.0 Кб, Просмотров: 314)

  2. #2
    Инженер Аватар для Lynx
    Регистрация
    28.09.2004
    Адрес
    Санкт-Петербург
    Возраст
    55
    Сообщений
    4,599

    По умолчанию Re: Один вопрос

    Во-первых, 9637 - не компаратор, а дифференциальный приемник стандарта RS422. Во-вторых, с его выхода можно подать сигнал на вход приемника. Но при этом не забудьте, что входы оставшихся пяти свободных элементов 74HC 04 необходимо либо заземлить, либо подвесить на лог.1.

  3. #3
    Завсегдатай Аватар для Mammonth
    Регистрация
    02.09.2006
    Адрес
    Магнитогорск
    Возраст
    59
    Сообщений
    1,052

    По умолчанию Re: Один вопрос

    Цитата Сообщение от zadov Посмотреть сообщение
    Привет всем. Вложил схемку. Зачем автор использует 74НС04? А нельзя сразу с компаратора на вход ямахи?
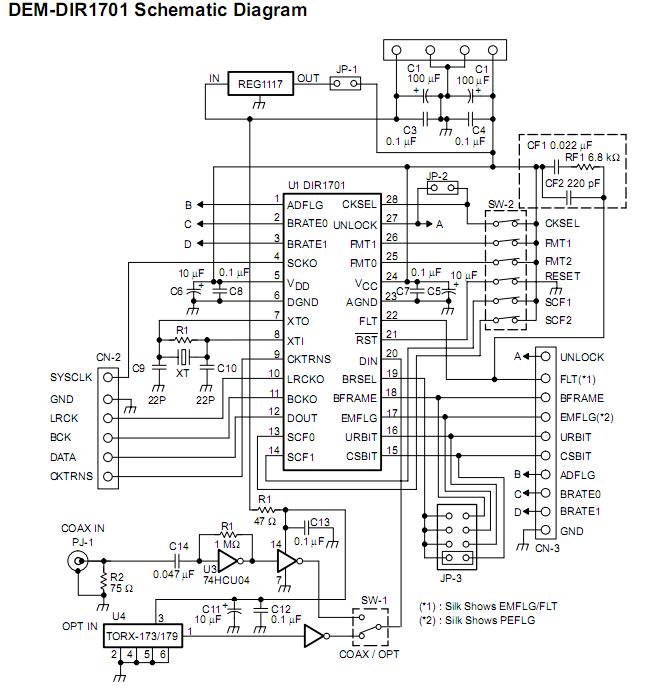
    Только добавить к вышесказанному Дмитрием:необходимости в IC2C ,тот,что на светодиод,нет-его с меньшими размерами заменит практически любой маломощный транзистор (типа BCxxx),в итоге исключаем их схемы целый корпус логики
    А логику применяют ,к примеру,что б SPDIF вход нормализовать с приёмниками DIR (17xxx/9xxx)- у них вход TTL формата(см.схему)
    Удачи!
    Миниатюры Миниатюры Нажмите на изображение для увеличения. 

Название:	Dir1701.jpg 
Просмотров:	447 
Размер:	74.4 Кб 
ID:	37909  

  4. #4
    Инженер Аватар для Lynx
    Регистрация
    28.09.2004
    Адрес
    Санкт-Петербург
    Возраст
    55
    Сообщений
    4,599

    По умолчанию Re: Один вопрос

    И еще добавлю Современные светодиоды - слаботочные, поэтому можно вовсе исключить и ЛЭ и транзистор, просто подключив светогдиод анодом к +5В, а катодом через резистор в 1.5кОм к выводу 21 приемника.

  5. #5
    Завсегдатай Аватар для Grigori G.
    Регистрация
    13.05.2006
    Адрес
    Estonia
    Возраст
    46
    Сообщений
    1,644

    По умолчанию Re: Один вопрос

    Цитата Сообщение от Lynx Посмотреть сообщение
    Современные светодиоды - слаботочные, поэтому можно вовсе исключить и ЛЭ и транзистор, просто подключив светогдиод анодом к +5В, а катодом через резистор в 1.5кОм к выводу 21 приемника.
    Дмитрий, а не подскажете, какую нагрузочную способность имеют выходы ERR, BRATE, EMPH и т.д. у тех же DIR170x/9001? Не нашел этой инфы в даташите (может плохо искал?)... Тоже думал, что иногда удобнее просто светодиод на выход повесить и не париться с транзистором или логикой...

  6. #6
    Инженер Аватар для Lynx
    Регистрация
    28.09.2004
    Адрес
    Санкт-Петербург
    Возраст
    55
    Сообщений
    4,599

    По умолчанию Re: Один вопрос

    Насколько я понимаю из материалов даташита, выводы ADFLG, BRATE0, BRATE1, CKTRNS, EMFLG, BFRAME, UNLOCK нормируются на работу при вытекающем токе (лог.1) до 1мА и и втекающем (лог.0) - 2мА, а выводы SCKO, LRCKO, BCKO, DOUT, CSBIT, URBIT при 2мА и 4мА соответственно.

  7. #7
    Новичок
    Автор темы

    Регистрация
    29.09.2008
    Сообщений
    15

    По умолчанию Re: Один вопрос

    Ещё пара вопросов. У ВВ РСМ69А преобазование ток/напряжение сделано так, что с первого ОУ, который это делает, будет идти постоянка. Надо ставить проходной кондер где-то в цепи, там и в даташите есть пример, и в X-DAC, к примеру, тоже стоит. Можно убрать постоянку, добавляя напряжение с питания на ногу Iout, там в даташите это есть в параграфе shift of i/v out voltage, есть расчет и пример схемы. Но у меня после включения медленно утекает Vcom вниз, т.е. сначала близко к даташиту, 3.4 вольта, а потом плавно так начинает уменьшаться до значения около 3 в, причем там ещё и плавает потихоньку.
    Не могу выставить строгий ноль на выходе из-за плавающего напряжения Vcom, питание стабилизировано, это само собой. Думал, утекают банки, там на каждой ноге по 10мф тантала, как в даташите, но разброса по каналам нет, т.е. в обоих каналах Vcom уводит одинаково. Емкостей везде вроде-бы достаточно. Почему Vcom плавает и ниже наименьшего значения по даташиту?
    Собрал ЦАП по схеме, которая в первом посте, только с РСМ69А. Других микросхем просто нет под рукой. YM3623 выдает ошибку, горит светодиод, звук идет, но с искажениями в виде сильного скрежета, похоже по звуку на нелинейные. На каком расстоянии можно размещать цифровой транс к остальныим элементам? Он стоит близко к ямахе и не экранирован. Причина, наверное, не в этом, где, непонятно.
    В аналоговой части и в питании все в порядке. Фона нет. Лажает где-то на стадии приема сигнала.

Социальные закладки

Социальные закладки

Ваши права

  • Вы не можете создавать новые темы
  • Вы не можете отвечать в темах
  • Вы не можете прикреплять вложения
  • Вы не можете редактировать свои сообщения
  •