Страница 1 из 10 123 ... Последняя
Показано с 1 по 20 из 195

Тема: Софт-старт для автомобильных фар

  1. #1
    Давно не заходил
    Автор темы

    Регистрация
    02.11.2006
    Адрес
    Эстония, EU
    Возраст
    34
    Сообщений
    660

    По умолчанию Софт-старт для автомобильных фар

    Всех форумчанинов с Новым годом!
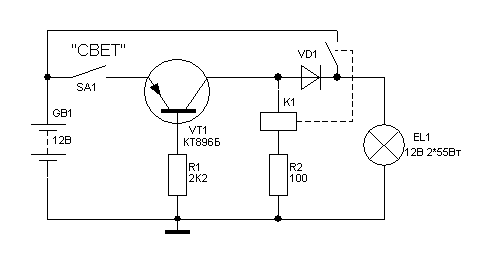
    А теперь к теме.. Кто работал с полевыми транзисторами? можно ли на нем сделать источник тока (около 5А), подобно обычному биполярнику, что-то типо коэффициента передачи тока? Имеется уже подобное устройство для автомобильных фар, ограничивающее начальный ток (включения ламп) на определенном уровне. Устройство работает таким образом: стоит КТ896Б, эмиттер которого стоит на плюсе (сигнал с выключателя), база через ограничивающий резистор на минусе (ограничение тока) и коллектор - выход, на который повешены фары и реле, замыкающая плюс фар на АКБ. Некий софт-старт. время розжига в мороз -20 около 1сек при постоянном токе менее 5А. Нужно соорудить подобное управление на полевике типа 540, чтоб было без реле (ввиду низкого сопротивления открытого канала). Но как ограничить ток, протекающий через транзистор на определенном уровне (4-5А), не используя ШИМ? Помогите, плиз!

  2. #2
    Забанен (навсегда)
    Регистрация
    27.02.2005
    Адрес
    село Самбек
    Сообщений
    2,080

    По умолчанию Re: Источник тока на полевике.

    Ёмкость С в затвор-исток, а отпирающее напряжение через резистор R, и чтобы постоянная времени RC была достаточно большой, и будэ вам щасте.
    И если вы даже примерно не знаете, как работает полевой транзистор, то мож стоило спрашивать в разделе для начинающих?

  3. #3
    Давно не заходил
    Автор темы

    Регистрация
    02.11.2006
    Адрес
    Эстония, EU
    Возраст
    34
    Сообщений
    660

    По умолчанию Re: Источник тока на полевике.

    Цитата Сообщение от лысый Посмотреть сообщение
    И если вы даже примерно не знаете, как работает полевой транзистор, то мож стоило спрашивать в разделе для начинающих?
    каюсь, промахнулся

    Цитата Сообщение от лысый Посмотреть сообщение
    Ёмкость С в затвор-исток, а отпирающее напряжение через резистор R, и чтобы постоянная времени RC была достаточно большой, и будэ вам щасте.
    будет ли эта схема в реале ограничивать ток? если да, то наштрихуйте примерно, в полевиках я несилен нужно, чтобы по прошествии ~секунды (когда лампочка уже прогреется и разгорится) транзистор бы полностью открылся, дабы сэкономить место в корпусе, не используя доп. реле на выходе.

  4. #4
    Забанен (навсегда)
    Регистрация
    27.02.2005
    Адрес
    село Самбек
    Сообщений
    2,080

    По умолчанию Re: Источник тока на полевике.

    Будет ограничивать. А ради успешного наштрихуя покажыте плиз предполагаемую схему включения искомого узла (сам узел с мосфетом можно просто квадратиком): как и куда это будет включаться, то бишь питание, где лампа, откуда берётся и что из себя представляет сигнал управления. А то непонятно даже, p- или n-канальный мосфет нужен.

  5. #5
    Давно не заходил
    Автор темы

    Регистрация
    02.11.2006
    Адрес
    Эстония, EU
    Возраст
    34
    Сообщений
    660

    По умолчанию Re: Источник тока на полевике.

    вот собссно и схема. может что по мелочам и упустил, но смысл думаю ясен Выходит, должон стоять n-канальный? Но. Через выключатель ток не должен идти постоянно ввиду больших потерий на проводах. Это обязательное условие.. максимум только на время поджига ламп. на управление блокомможет идти как плюс, так и минус.
    Миниатюры Миниатюры Нажмите на изображение для увеличения. 

Название:	001.GIF 
Просмотров:	887 
Размер:	3.4 Кб 
ID:	25221   Нажмите на изображение для увеличения. 

Название:	002.GIF 
Просмотров:	911 
Размер:	2.7 Кб 
ID:	25222  

  6. #6
    Забанен (навсегда)
    Регистрация
    27.02.2005
    Адрес
    село Самбек
    Сообщений
    2,080

    По умолчанию Re: Источник тока на полевике.

    И хде ж схема?

    Добавлено через 1 час 22 минуты
    О, появилась схемка. Однако схемка с хитрецой (которая с КТ896) - пока лампа холодная, ток ограничен и напряжения на лампе не хватает для включения реле; а как спираль прогреется - подхватывает реле. Но задержка тут пожалуй не секунды, а в аккурат пока прогреется спираль, а это думаю побыстрее. Хотя..
    А как с мосфетом ща подумаю.
    Но если включать лампу по плюсовому проводу, то на n-канальном не получится.
    Последний раз редактировалось лысый; 01.01.2008 в 22:13. Причина: Добавлено сообщение

  7. #7
    Давно не заходил
    Автор темы

    Регистрация
    02.11.2006
    Адрес
    Эстония, EU
    Возраст
    34
    Сообщений
    660

    По умолчанию Re: Источник тока на полевике.

    А схемка однако ужо испытана при окружающей температуре от -20 до +20гр. При комнатной темп. время прогрева спирали порядка 0.5сек, в то время как при -20 она раскаляется примерно за секунду. Ток в обоих случаях одинаков. щас запитываю от компового БП, ранее не способного "разжечь" и одну 55Вт лампу Был бы очень признателен, увидя схему подобной конструкции только уже на полевике.. софт-старт собираюсь делать на 4 пары ламп (фар), потому по старой схеме это 4 реле + 1 в любом случае, коммутирующая всю нагрузку.

  8. #8
    Завсегдатай Аватар для ИГВИН
    Регистрация
    06.05.2005
    Адрес
    Ростов-на-Дону
    Возраст
    67
    Сообщений
    13,075

    По умолчанию Re: Источник тока на полевике.

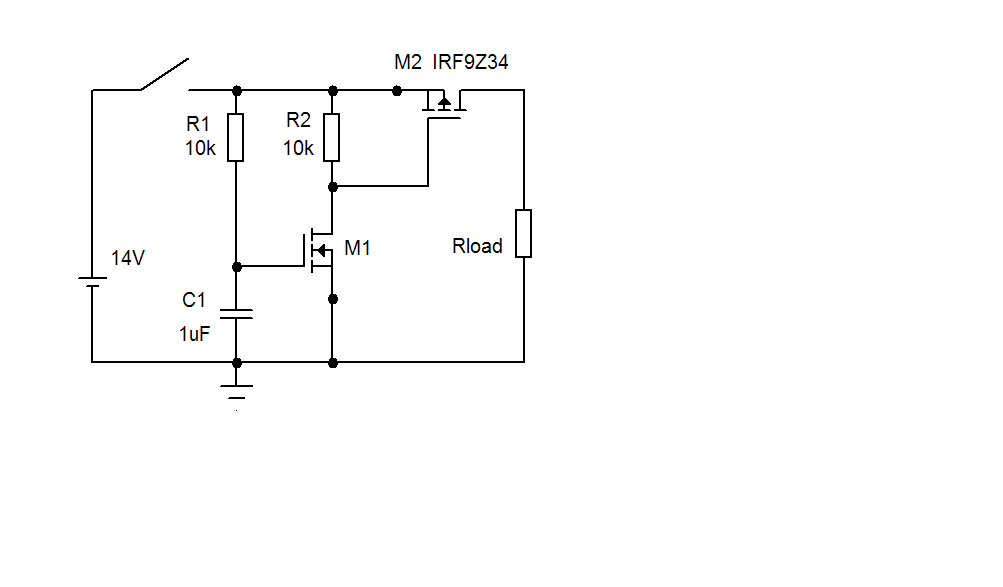
    Вот одно из решений.
    М1 любой n-канальный.
    Миниатюры Миниатюры Нажмите на изображение для увеличения. 

Название:	Задержка.PNG 
Просмотров:	1203 
Размер:	20.4 Кб 
ID:	25225  
    Игорь. Meridian 507.24 => DAC6 v2+свой выхлоп => Noosfera Master => Celestion A2 + Hand-made cable

  9. #9
    Забанен (навсегда)
    Регистрация
    27.02.2005
    Адрес
    село Самбек
    Сообщений
    2,080

    По умолчанию Re: Источник тока на полевике.

    Не, Игорь, некузяво. У тебя получилось чё-то сильно близко к компаратору, у нонешних мосфетов и так крутизна огого, а тут ещё два каскада.
    Ёмкость должна быть в затворе М2, ну или сток-затвор М1 или чё-то вроде. Ну и вместо М1 вполне можно и мелкий n-p-n биполяр, например BC546. Ещё нужно учесть, что думаю нежелательно, чтоб была задержка и по выключению тоже. И трейдстартер просил, чтоб через выключатель не шёл всё время ток.

  10. #10
    Завсегдатай Аватар для ИГВИН
    Регистрация
    06.05.2005
    Адрес
    Ростов-на-Дону
    Возраст
    67
    Сообщений
    13,075

    По умолчанию Re: Источник тока на полевике.

    Цитата Сообщение от лысый Посмотреть сообщение
    У тебя получилось чё-то сильно близко к компаратору, у нонешних мосфетов и так крутизна огого, а тут ещё два каскада.
    RC-цепочкой поиграть, и получится вполне мягкое включение.
    Цитата Сообщение от лысый Посмотреть сообщение
    Ёмкость должна быть в затворе М2, ну или сток-затвор М1 или чё-то вроде.
    Бери мою идею, сделай дальше.
    Цитата Сообщение от лысый Посмотреть сообщение
    Ну и вместо М1 вполне можно и мелкий n-p-n биполяр, например BC546.
    Вот у него крутизна будет выше. Опять же, зачем нам его насыщение?
    Цитата Сообщение от лысый Посмотреть сообщение
    Ещё нужно учесть, что думаю нежелательно, чтоб была задержка и по выключению тоже.
    А как будет задержка по выключению, интересно, если там питание снимается?
    Цитата Сообщение от лысый Посмотреть сообщение
    И трейдстартер просил, чтоб через выключатель не шёл всё время ток.
    Вот это серьезное возражение.
    Тогда все надо менять.
    Только в схеме на биполяре (см. выше), во первых, падение на насыщенном транзисторе, во вторых, ток идет через контакты реле.
    Реле стоит дороже, чем выключатель , да и контакты у него менее мощные.
    Пусть топикстартер подумает, что ему лучше беречь.
    А лучше - соберет предложенную схему и посмотрит что да как.
    Игорь. Meridian 507.24 => DAC6 v2+свой выхлоп => Noosfera Master => Celestion A2 + Hand-made cable

  11. #11
    Давно не заходил
    Автор темы

    Регистрация
    02.11.2006
    Адрес
    Эстония, EU
    Возраст
    34
    Сообщений
    660

    По умолчанию Re: Источник тока на полевике.

    Это, выходит, софт-старт некоего другого типа.. ток по этой схеме получается постепенно возрастает? в принципе, тоже неплохая задумка. Вполне сойдет. Но есть пара но.. как уже упомянулось, я хотел бы шоб ток нагрузки не протекал все время через выключатель. Второе "но" касательно самой схемы.. Игорь, обязательно ли ставить еще и каскад на усиление? Думаю, мосфет и так справится.. не всеже время быть конденсатору разряженым С другой стороны, у этой схемы есть и явное преимущество - плавное ВЫключение света. Тоесть едешь ты ночью, встречка свободная, включил прожектора - плавно загорелись, появилась машина - выключил - плавно потухли. В обоих случаях глазам уже легче, дабы нету резких скачков включено/выключено. схема по сути очень даже ценная вообщем, нужно сделать управление через выключатель, а нагрузку питать строго от аккума через толстую шину (440Вт как никак всетаки.. все исполнительные ключи будут в одном блоке). Так же нужен транзистор с наименьшими потерями, тобишь с сопротивлением открытого перехода никак не хуже 50мОм. У автомоб. релюх на 30А сопротивление на контактах порядка 30мОм, желательно чтоб полевик проводил ток нагрузки не хуже реле, а даже лучше.. Ведь есть же мосфеты ниже 0.01Ома.. приведу несколько примеров: IRF540N/IR (0,044Ω); IRF540/STM (0,05Ω); IRF1010N/IR (0,011Ω); IRF1104/IR (0,009Ω); IRF3315/IR (0,007Ω); IRF3704/IR (0,006Ω); IRF3706/IR (0,006Ω); IRF3707/IR (0,009Ω); IRF3708/IR (0,008Ω); IRFZ24N/IR (0,07Ω); IRFZ34N/IR (0,04Ω); IRFZ44N/IR (0,018Ω); IRFZ44V/IR (0,016Ω); IRFZ44R/IR (0,028Ω); IRFZ46N/IR (0,016Ω); IRFZ48R/IR (0,018Ω); IRFZ48V/IR (0,012Ω); STP40NF10/STM (0,03Ω); IRL1104/IR (0,008Ω); IRL2203N/IR (0,006Ω); IRL3103/IR (0,012Ω); IRL3402/IR (0,01Ω); IRLZ44Z/IR (0,011Ω); STP40NF03L/STM (0,018Ω); STP70NF03L/STM (0,008Ω).
    Все они N-канальные, рассчитаные на токи выше 10А, но с разной полярностью смещения(VGS(off) V: 2...4 и VGS(off) V: -2...-4). Что это значит? или это не имеет значения как такового? можно просто поменять местами R и C? Далее, отсеиваю по цене (<150руб); по рассеиваемой мощности >120W (правильно делаю???); по сопротивлению перехода, лучшему, чем у контактов реле (<0.03Ω), ну и что из этого вышло:
    IRF1010N/IR - 0.011Ω 180W 130rub
    IRF1104/IR - 0.009Ω 170W 140rub
    IRF3315/IR - 0.007Ω 136W 135rub
    IRFZ44R/IR - 0.028Ω 150W 70rub
    IRFZ48R/IR - 0.018Ω 190W 90rub
    IRFZ48V/IR - 0.012Ω 150W 65rub
    STP40NF10/STM - 0.030Ω 140W 120rub
    IRL1104/IR - 0.008Ω 167W 150rub
    IRL2203N/IR - 0.007Ω 180W 135rub
    IRFZ48V/IR - самый выгодный вариант, по-моему. И цена сравнительно небольшая (для Эстонии - 30крон), и вроде как по всем параметрам подходит.. или нет? исправьте ежели шо.. прикреплю приблизительную схемку включения.. Как?
    зы. хороший экземпляр STE180NE10/STM

    Извиняюсь за масштабы старался выразить все что думаю по этому поводу, короче не получилось..
    Миниатюры Миниатюры Нажмите на изображение для увеличения. 

Название:	003.GIF 
Просмотров:	674 
Размер:	2.9 Кб 
ID:	25229  

  12. #12
    Забанен (навсегда)
    Регистрация
    27.02.2005
    Адрес
    село Самбек
    Сообщений
    2,080

    По умолчанию Re: Источник тока на полевике.

    Цитата Сообщение от SacreD Посмотреть сообщение
    Все они N-канальные, рассчитаные на токи выше 10А, но с разной полярностью смещения(VGS(off) V: 2...4 и VGS(off) V: -2...-4). Что это значит?
    Значит не все n-канальные, у которых минус - эти р-канальные. И, кстати, писал уже вам, что при управлении лампой по плюсовому проводу ПОДОЙДЁТ ТОЛЬКО ПЕ-КАНАЛ. А вы n-канальные нарыли корзинку, непонятно на кой хрен.

    Вопрос по мотивам вашей последней схемки: возможно ли (по конструкции SA1) и устроит ли, если лампа будет включена при разомкнутом SA1, ну соответственно выключена при замкнутом?

  13. #13
    Не хочу! Аватар для Alex
    Регистрация
    20.03.2003
    Адрес
    Worldwide
    Возраст
    63
    Сообщений
    39,203

    По умолчанию Re: Источник тока на полевике.

    Мммм дааа. Тяжелый случай...
    "Замполит, чайку?"(с)"Охота за Красным Октябрем".
    "Да мне-то что, меняйтесь!"(с)анек.
    <-- http://altor1.narod.ru --> Вопросы - в личку, е-мейл, скайп.

  14. #14
    Давно не заходил
    Автор темы

    Регистрация
    02.11.2006
    Адрес
    Эстония, EU
    Возраст
    34
    Сообщений
    660

    По умолчанию Re: Источник тока на полевике.

    Цитата Сообщение от лысый Посмотреть сообщение
    Вопрос по мотивам вашей последней схемки: возможно ли (по конструкции SA1) и устроит ли, если лампа будет включена при разомкнутом SA1, ну соответственно выключена при замкнутом?
    Это касательно транзистора? поменять выводы местами? Буду искать подходящие р-канальные из предложенных.. видать, на сайте прогон. буду смотреть по отрицательному напряжению смещения. А как влияет на работу отрицаиельное/положительное напряжение Vds? (VDS V: 60 и VDS V: -60)

  15. #15
    Не хочу! Аватар для Alex
    Регистрация
    20.03.2003
    Адрес
    Worldwide
    Возраст
    63
    Сообщений
    39,203

    По умолчанию Re: Источник тока на полевике.

    Положительное - это N-канал, отрицательное - это Р-канал.
    "Замполит, чайку?"(с)"Охота за Красным Октябрем".
    "Да мне-то что, меняйтесь!"(с)анек.
    <-- http://altor1.narod.ru --> Вопросы - в личку, е-мейл, скайп.

  16. #16
    Давно не заходил
    Автор темы

    Регистрация
    02.11.2006
    Адрес
    Эстония, EU
    Возраст
    34
    Сообщений
    660

    По умолчанию Re: Источник тока на полевике.

    Забыл упомянуть. Есть возможность подавать напряжение управления (с выключателя) как положительное, так и отрицательное, но минус фар при этом обязательно должен быть все время на массе. Тоесть в любом случае коммутироваться должен плюс нагрузки. В этом случае можно заюзать n-канальный полевик? просто выбор среди р-канальных ничтожно мал (ввиду малых сопротивлений перехода). Единственное, что хоть как-то подходит из р-канальных - это IRF4905/IR, и то он стоит едва ни под 200рублей за штуку в то время как в 2 раза лучший n-канальный можно преобрести рублей на 70..
    И еще. если ток в этой схеме возрастает пропорционально напряжению на выходе (на нагрузке), можно ли использовать полевики с мощностью рассеяния менее 150Вт? Ток нагрузки в рабочем режиме составляет порядка 9А. при 14В это 126Вт(две фары). Посути транзистор будет рассеивать мощность явно меньшую этой в момент поджига? можно ли использовать 100Вт? 80, что самое выгодное?
    зы. надо чертить график рассеиваемой мощности и искать ее пик..
    Последний раз редактировалось SacreD; 02.01.2008 в 15:04.

  17. #17
    Завсегдатай Аватар для ИГВИН
    Регистрация
    06.05.2005
    Адрес
    Ростов-на-Дону
    Возраст
    67
    Сообщений
    13,075

    По умолчанию Re: Источник тока на полевике.

    Цитата Сообщение от SacreD Посмотреть сообщение
    Есть возможность подавать напряжение управления (с выключателя) как положительное, так и отрицательное, но минус фар при этом обязательно должен быть все время на массе.
    Откуда в машине отрицательное?
    Может я чего не знаю?

    В предложенной мною схеме время включения порядка 3...5 mS.
    Этого хватит?
    Если нет, нужно поставить на место M2 транзистор с меньшей крутизной, например IRF9640. Еще замедлит включение замена М1 на биполяр, как предлагал лысый.


    Offтопик:
    Сдается мне, что Alex прав - слишком много надо объяснять.
    Игорь. Meridian 507.24 => DAC6 v2+свой выхлоп => Noosfera Master => Celestion A2 + Hand-made cable

  18. #18
    Давно не заходил
    Автор темы

    Регистрация
    02.11.2006
    Адрес
    Эстония, EU
    Возраст
    34
    Сообщений
    660

    По умолчанию Re: Источник тока на полевике.

    Цитата Сообщение от ИГВИН Посмотреть сообщение
    Откуда в машине отрицательное?
    Может я чего не знаю?
    ИГВИН, я имел ввиду что на управление может идти также минус, тот что с "массы", через тот же выключатель. А использование р-канального полевика крайне желательно. не охота на каждый транзистор по 160руб выкидывать, когда уже за 70 "крутые" n-полярные продаются.
    что касается времени включения.. Разве нельзя "увеличить" время RC цепочки путем увеличения емкости конденсатора? разве это не поможет?

  19. #19
    Забанен (навсегда)
    Регистрация
    27.02.2005
    Адрес
    село Самбек
    Сообщений
    2,080

    По умолчанию Re: Источник тока на полевике.

    Во вложении, там два варианта: когда SA на массу и на плюс.
    Ключ, как уже писал, р-канальный, при управлении по плюсу n-канал вот так запросто не катит.
    И надо учесть, что при медленном включении уже есть шанс перегреть кристалл, хорошо бы что-нить прицепить, причём тут важнее теплоёмкость, а не площадь.
    Миниатюры Миниатюры Нажмите на изображение для увеличения. 

Название:	Софт-лампа.GIF 
Просмотров:	1163 
Размер:	6.9 Кб 
ID:	25258  

  20. #20
    Завсегдатай Аватар для ИГВИН
    Регистрация
    06.05.2005
    Адрес
    Ростов-на-Дону
    Возраст
    67
    Сообщений
    13,075

    По умолчанию Re: Источник тока на полевике.

    Вот схема, включение начинается сразу после замыкания ключа, скорость регулируется от 0,3 сек. до 0,8 сек.
    Миниатюры Миниатюры Нажмите на изображение для увеличения. 

Название:	Задержка 2.PNG 
Просмотров:	812 
Размер:	14.0 Кб 
ID:	25273  
    Игорь. Meridian 507.24 => DAC6 v2+свой выхлоп => Noosfera Master => Celestion A2 + Hand-made cable

Страница 1 из 10 123 ... Последняя

Социальные закладки

Социальные закладки

Ваши права

  • Вы не можете создавать новые темы
  • Вы не можете отвечать в темах
  • Вы не можете прикреплять вложения
  • Вы не можете редактировать свои сообщения
  •