Страница 8 из 28 Первая ... 67891018 ... Последняя
Показано с 141 по 160 из 556

Тема: П.Зуев с многопетлевой ООС 84 по новому

  1. #1 Показать/скрыть первое сообщение.
    Завсегдатай
    Автор темы
    Аватар для nvv957
    Регистрация
    17.03.2008
    Адрес
    Воронеж
    Возраст
    67
    Сообщений
    1,519

    По умолчанию П.Зуев с многопетлевой ООС 84 по новому

    Привет всем.
    Собрал этот Усь в 85-м, с предом к нему повозился, собирал несколько ниодин не звучал в 87 соеденил его с предом из ВРЛ №98 Е. Девятова и получился Полный УСь, ииии - досих пор работает. За эти 23 года рядом стояли разные изделия и Ямаха и Кенвуд, Сони, НАД и наши заводские Одисеи Бриги, сейчас СТОИТ Кембридж Аудио- Азур 540 но звучат они хуже. Менялась и акустика и уши "экспертов" результат один П.Зуев УМЗЧ с ООС 84 звучит очень!!! Характеристики своего варианта на помню P -~70w/4ом а остальное как получилось.
    Увидев изделие на бойтесь всё таки 87 год, правда менял 819/18 на 8101/01 и литики на фирмУ все кроме питания, там кажется К50-18 22000х50v до сих пор фильтруют. Не взирая на этот ужас звук очень достойный и это не только мое мнение но и многих меломанов славного города Магадана. Но в связи с тем что сейчас стоит акустика на 200W собрася строить новый- более мощьный и глаза разбежались схем много и ВВ и Л.Зуев и Агеев. Может и не стоит городить, тупо собрать на импорте, умощнить выход, поднять питание до 45, строится он хорошо, пдбор практически ненужен или всетаки - новый. Прогонял в Микрокапе разное, в том числе и его - УМЗЧ с ООС 84 и вот что получилось, смесь П.Зуева ООС+ВК по схеме ОК (MC-9.0.5). Характеристики в МС хороши , как будет звук -послушаем.
    Просьба к Спецам посмотреть в МС, может посоветуете что. Большое спасибо. Нажмите на изображение для увеличения. 

Название:	3var.jpg 
Просмотров:	28846 
Размер:	76.5 Кб 
ID:	117062
    Миниатюры Миниатюры Нажмите на изображение для увеличения. 

Название:	IMG_0831.jpg 
Просмотров:	10677 
Размер:	498.0 Кб 
ID:	87508   Нажмите на изображение для увеличения. 

Название:	IMG_0834.jpg 
Просмотров:	8841 
Размер:	429.7 Кб 
ID:	87510   Нажмите на изображение для увеличения. 

Название:	IMG_0832.jpg 
Просмотров:	16346 
Размер:	599.0 Кб 
ID:	87511  
    Вложения Вложения
    • Тип файла: cir 3var.cir (65.8 Кб, Просмотров: 2387)
    Последний раз редактировалось nvv957; 25.06.2016 в 01:17.

  2. #141
    Регистрация не подтверждена Аватар для d.v.s.
    Регистрация
    24.01.2010
    Адрес
    уфа
    Возраст
    59
    Сообщений
    52

    По умолчанию Re: П.Зуев с многопетлевой ООС 84 по новому

    Давно-тут являюсь сторонним наблюдателем .ибо как то жизнь летит .время-тоже...скажу так -по молодости-чего тока не собирал и Шушурина ,Клецов, и Агеева и Солнцева .даже просто -тупо с"Беспапроволочного мира-журнал такой" схемки срисовывал и переделывал на наше составляющее...но-как то после появления этого -угомонился ! Сделал их за свою жизнь.штук с двадцать,точно .сначала просто-по ориг. схеме,потом малость вносил,.несущественно свои коррективы(радиаторы на 630,вместо 361-3107,вместо дубовых СП-многооборотник с малым сопротивлением с постоянными рез, по бокам.чтоб точнее-"0" ловить,защиту тож -со сбросом сделал,,ну там еще-общий провод малосигнальный-разнес с сильноточным(10ом-как авария м\д ними),ну пробовал вместо 818,
    819-8101\8102,разницы особо-не прочувствовал,делал даже 4канальн вариант в 90годах,режимы: переводил почти всегда в "В",питание-36в только стабилизированное(с Солнцева.кстати) ибо ,если без-сразу повышался ур. шума-без приборов.просто в упор ухо к 10гд-35 на s90,...короче как то он мне больше всех импонировал и видно так и будет...сейчас .в силу ностальгии -хочу пересобрать -по новой.ибо старые варианты-давно уж позасыхали своими электролитами в бл. питания...есть мысль еще правда выкинуть -защиту ибо иной раз она -лишняя

  3. #142
    Новичок Аватар для ВАЛЕРИЙ т.
    Регистрация
    11.03.2006
    Адрес
    г. Челябинск
    Сообщений
    22

    По умолчанию Re: П.Зуев с многопетлевой ООС 84 по новому

    А у П.Зуева был еще один вариант усилителя на выходе по паре в плече 18-19 надо поискать где-то схема есть

  4. #143
    Новичок Аватар для PCUser
    Регистрация
    03.06.2008
    Сообщений
    47

    По умолчанию Re: П.Зуев с многопетлевой ООС 84 по новому

    Цитата Сообщение от d.v.s. Посмотреть сообщение
    ...есть мысль еще правда выкинуть -защиту ибо иной раз она -лишняя
    А что, защита потребляет много ресурсов?

  5. #144
    Регистрация не подтверждена Аватар для d.v.s.
    Регистрация
    24.01.2010
    Адрес
    уфа
    Возраст
    59
    Сообщений
    52

    По умолчанию Re: П.Зуев с многопетлевой ООС 84 по новому

    нет,но очень чувствительная,причем не от возбуждения(спец.проверял помню подавая всякую дрянь потом на вход и смотрел вид сигнала на выходе).что -было бы плохо изначально,а просто от переходных помех,иной раз . Специально -выкидывал ее иной раз-ничего не пробивалось от "сквозных токов " и преды-не горели(5А).но защита иной раз -мешала: Представьте себе "дискотеку 80 х" в реале,у меня было пару Зуевых с нагрузками на 4 s-90,вдруг посреди Модерн-токинга или Си-Си -Кетч.задевал сам или напарник ногами какой нибудь кабель от кучи источников(мафонов .естественно...и сами знаете-какие тогда были разъемы).так вот иной раз получали...-тишину и горящие светодиоды на панели ! Что-явно было не совсем хорошо,причем сброса ,тогда у меня-не было,надо было-"Вкл-Выкл" сделать.Потом.естественно с Сухова переехала схемка сброса,но все равно иной раз-по питанию пробивала помеха,причем,.отключая защиту-никаких последствий в эксплуатации за длит. период-не заметил.!...Кстати-после впендюрил по питанию стандартную схемку погашения помех,проблем стало меньше.кстати

  6. #145
    Новичок Аватар для PCUser
    Регистрация
    03.06.2008
    Сообщений
    47

    По умолчанию Re: П.Зуев с многопетлевой ООС 84 по новому

    Для дискотек, конечно, защиту лучше делать не триггерную а ограничивающую токи выходников. Но для дома...
    Можно и триггерную защиту немного загрубить, выставив токи срабатывания чуть большими и чуть интегрировать сигнал с транзистора-датчика тока.

  7. #146
    Регистрация не подтверждена Аватар для d.v.s.
    Регистрация
    24.01.2010
    Адрес
    уфа
    Возраст
    59
    Сообщений
    52

    По умолчанию Re: П.Зуев с многопетлевой ООС 84 по новому

    Цитата Сообщение от PCUser Посмотреть сообщение
    для дома.
    Вообще-не помню.чтоб срабатывала !Почему и говорю-толи оставить.толи-выкинуть.ибо разные применения могут найтись(банкетик.свадьба .юбилейчик ...и так далее)...кстати-абсолютно не собираюсь при реинкарнации чего либо менять: те же 544уд2.503\502.2т818\819 и так далее-меня устраивают-полностью.и кстати-ни один еще из данных элементов еще не подвел

  8. #147
    Новичок Аватар для PCUser
    Регистрация
    03.06.2008
    Сообщений
    47

    По умолчанию Re: П.Зуев с многопетлевой ООС 84 по новому

    Добавить один конденсатор и один резстор в схему защиту и боле ничего не нужно!
    Последний раз редактировалось PCUser; 19.01.2013 в 09:33.

  9. #148
    Новичок Аватар для zahar9
    Регистрация
    04.05.2010
    Адрес
    Иркутская обл.
    Сообщений
    55

    По умолчанию Re: П.Зуев с многопетлевой ООС 84 по новому

    Какой конденсатор и куда поставить?Интересно.

  10. #149
    Новичок Аватар для PCUser
    Регистрация
    03.06.2008
    Сообщений
    47

    По умолчанию Re: П.Зуев с многопетлевой ООС 84 по новому

    1. Разрезать дорожку от коллектора VT9 до базы VT6 и впаять в разрыв резистор 1кОм.
    2. Параллельно резистору R21 установить емкость 0.1мкФ.

  11. #150
    Регистрация не подтверждена Аватар для d.v.s.
    Регистрация
    24.01.2010
    Адрес
    уфа
    Возраст
    59
    Сообщений
    52

    По умолчанию Re: П.Зуев с многопетлевой ООС 84 по новому

    С сухова-переехало.тока там кондера-не было.хотя-логично : задержка .так сказать на время заряда

  12. #151
    Новичок
    Регистрация
    08.03.2011
    Адрес
    Украина
    Сообщений
    10

    По умолчанию Re: П.Зуев с многопетлевой ООС 84 по новому

    Уже когда-то обращался за помощью в настройке защиты. Прошу помощи опять Пол года назад собрал эквивалент нагрузки 4 Ом. Подал 1000 Гц с генератора (потом пробовал и с компа) - защита срабатывает при мощности порядка 80-90 Вт. А при подаче реального сигнала - один канал 25 Вт а другой 6-8 Вт. Я и забросил на время этот усилитель, пока вчера не поговорил еще с одним мастером который тоже лет 15 назад собирал этот усь, изложил ему свою проблему и вот что он мне сказал Говорит что точно такое-же было и у него - по методике из журнала - защита настроена все в порядке а на деле от небольшых щелчков, "громкого"(резкого) сигнала защита срабатывала Он решения тогда так и не нашел Ну а дальше стал советовать усилитель Солнцева (Квод 405) потому что Зуевский он пустил "под нож" а роботой Квода остался вполне доволен. Здесь на форуме уже много вспоминают именно защиту А кому-то знакома моя ситуация Прошу Ваш совет.

  13. #152
    Старый знакомый
    Регистрация
    14.09.2012
    Сообщений
    591

    По умолчанию Re: П.Зуев с многопетлевой ООС 84 по новому

    Цитата Сообщение от PCUser Посмотреть сообщение
    1. Разрезать дорожку от коллектора VT9 до базы VT6 и впаять в разрыв резистор 1кОм.
    2. Параллельно резистору R21 установить емкость 0.1мкФ.
    Не помогло?

  14. #153
    Завсегдатай
    Автор темы
    Аватар для nvv957
    Регистрация
    17.03.2008
    Адрес
    Воронеж
    Возраст
    67
    Сообщений
    1,519

    По умолчанию Re: П.Зуев с многопетлевой ООС 84 по новому

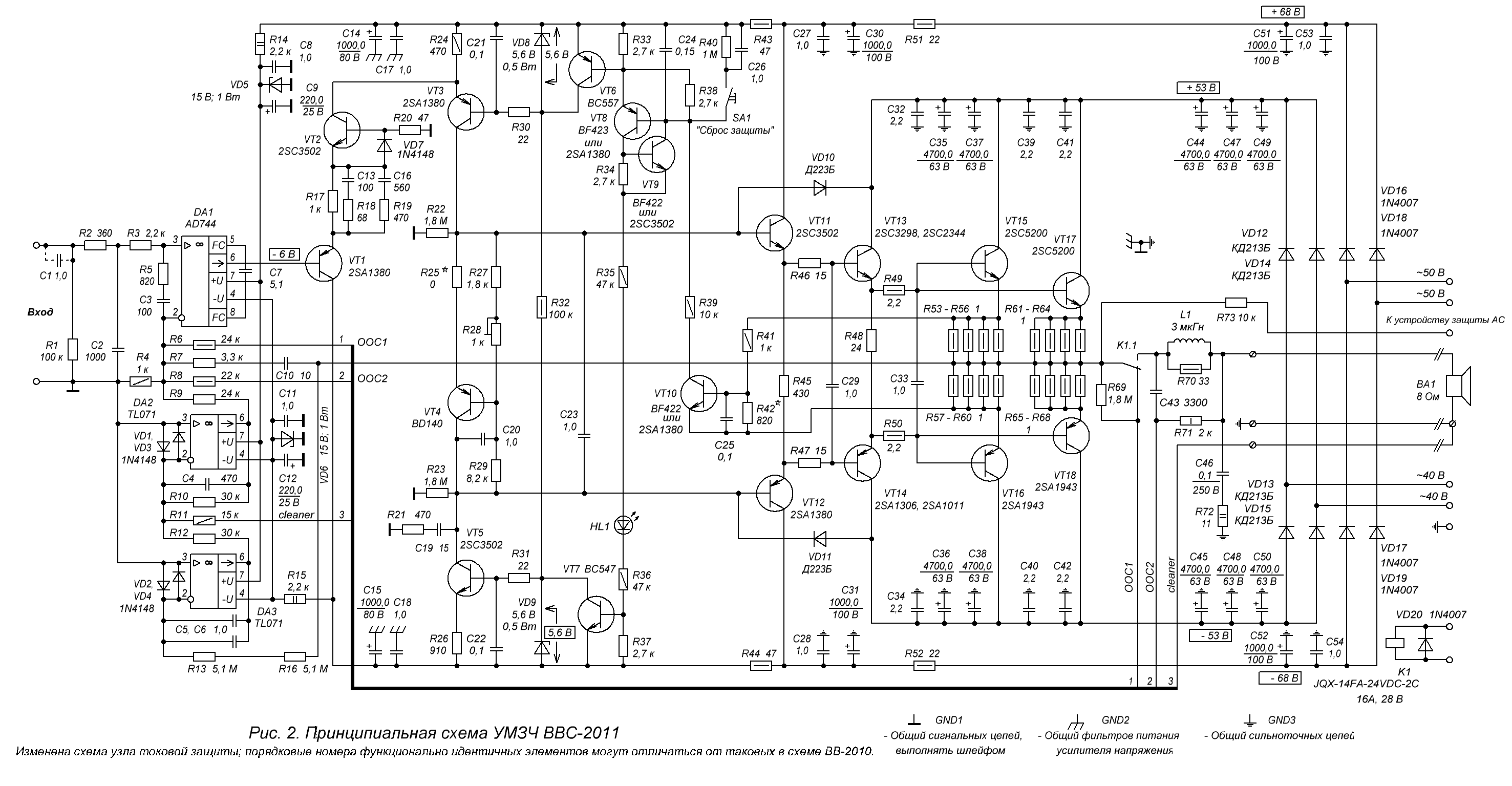
    Vetal_ek, Давненько не заглядывал сюда. Сейчас у меня трудится Усь ВВС 2011, в нём схема защиты слегка отличается от П. Зуева, работает правильно после настройки. Советую сделать в виде навесного модуля и подключить к нужным точкам, вырезав родную защиту.

  15. #154
    Старый знакомый
    Регистрация
    14.09.2012
    Сообщений
    591

    По умолчанию Re: П.Зуев с многопетлевой ООС 84 по новому

    Цитата Сообщение от nvv957 Посмотреть сообщение
    Усь ВВС 2011
    Публикацию где можно подсмотреть? В защите от П. Зуева 1984 г. есть другая проблема. При срабатывание вых. каскад отключается, обратная связь естественно тоже. При этом с операционника идёт ни чем не ограниченный сигнал. Если в таком режиме оставить надолго, первый транзистор выгорает с дымом.

  16. #155
    Завсегдатай
    Автор темы
    Аватар для nvv957
    Регистрация
    17.03.2008
    Адрес
    Воронеж
    Возраст
    67
    Сообщений
    1,519

    По умолчанию Re: П.Зуев с многопетлевой ООС 84 по новому

    http://www.stalker-lab.ru/forum/showthread.php?t=195
    И ещё, за чем оставлять надолго?
    В моем усе П. Зева защита родная , настроена по статье в Радио, тоже срабатывала от "ветра", после подбора R- 23 и 26(подстроечник) вроде терпимо. срабатывает при большем токе. Недавно гонял его на акустике 3,5 ома, держит не плохо.
    Последний раз редактировалось nvv957; 29.08.2013 в 18:10.

  17. #156
    Старый знакомый
    Регистрация
    14.09.2012
    Сообщений
    591

    По умолчанию Re: П.Зуев с многопетлевой ООС 84 по новому

    без регистрации не показывает (два раза пытался). Поисковик выдаёт версию 2012 г. В этот момент шла запись на магнитофон. А корректор уже был встроен в конструкцию. Прерывать не хотелось.
    Последний раз редактировалось Noev; 29.08.2013 в 18:30.

  18. #157
    Завсегдатай
    Автор темы
    Аватар для nvv957
    Регистрация
    17.03.2008
    Адрес
    Воронеж
    Возраст
    67
    Сообщений
    1,519

    По умолчанию Re: П.Зуев с многопетлевой ООС 84 по новому

    Цитата Сообщение от Noev Посмотреть сообщение
    версию 2012 г.
    Нажмите на изображение для увеличения. 

Название:	Схема УМЗЧ ВВС-2011.GIF 
Просмотров:	2969 
Размер:	171.6 Кб 
ID:	190539

  19. #158
    Старый знакомый
    Регистрация
    14.09.2012
    Сообщений
    591

    По умолчанию Re: П.Зуев с многопетлевой ООС 84 по новому

    В общем тоже самое. И проблема VT1 так и остаётся, если не "заглушить" каким ни будь способом операционник на время срабатывании защиты. Странно то, что на такую проблему ни кто не жаловался.

  20. #159
    Новичок
    Регистрация
    16.02.2007
    Адрес
    Ялта, Севастополь
    Возраст
    37
    Сообщений
    71

    По умолчанию Re: П.Зуев с многопетлевой ООС 84 по новому

    6 лет назад, когда учился на РТ, собирал данный усилитель по статье из радио. Приехав недавно в обшагу, погостить, нашол свой усилитель собранный на 1м курсе ...









    Правый канал до сих пор работает, а в левом всегда были загадачные перекосы и тд. часто летели выходники. Из доработок есть сброс защиты, но сама защита очень чувствительна реагирует на всякие "шорохи" но при кз срабатывает. Также с ПУ идёт фон 50гц (скорее всего земля не правельно разведена), ПУ собран на операционниках с умощнением выхода на транзисторах. В левом канале выгорел выход и предохранители. Питание +- 37.8в трансформатор внешний, на ПУ свой трансформатор и стабилизаторы. Что посоветуете восстановить левый канал или выкинуть зуева и вставить 7294?

  21. #160
    Частый гость
    Регистрация
    27.10.2006
    Адрес
    Крым г.Ялта
    Возраст
    62
    Сообщений
    181

    По умолчанию Re: П.Зуев с многопетлевой ООС 84 по новому

    Если восстанавливать, то тут надо полностью разобрать и собирать заново и по "уму", заранее продумав, что и где будет,чтобы не было косяков с фоном и вылетами транзисторов от подвозбудов и с ревизией деталюшек. А главной проблемой будет маловатый корпус, что бы всё грамотно разместить. ТДА проще будет грамотно разместить, но и играть она будет похуже. От исполнения будет больше зависеть.

Страница 8 из 28 Первая ... 67891018 ... Последняя

Социальные закладки

Социальные закладки

Ваши права

  • Вы не можете создавать новые темы
  • Вы не можете отвечать в темах
  • Вы не можете прикреплять вложения
  • Вы не можете редактировать свои сообщения
  •