Страница 7 из 17 Первая ... 56789 ... Последняя
Показано с 121 по 140 из 339

Тема: Naim NAP140 (Клон)

  1. #1 Показать/скрыть первое сообщение.
    Частый гость
    Автор темы
    Аватар для ArtTim
    Регистрация
    13.05.2013
    Адрес
    Барнаул
    Сообщений
    187

    По умолчанию Naim NAP140 (Клон)

    Здравствуйте, решил собрать усилитель (мощник) на базе Naim NAP140. Заказал у китайцев вот этот кит 2 шт. http://www.ebay.com/itm/200801088645...84.m1439.l2649 и + две платы питания на нормальных конденсаторах вместе с защитой динамиков http://www.aliexpress.com/item/Assem...853323129.html Планирую сделать двойное моно на двух торах. Нужно ли мне еще покупать одну плату http://www.ebay.com/itm/181004143356
    плавного пуска с защитой от перегрева? Защита динамиков требует отдельное питание 15v? Если да, то где его взять (питание)? Мотать третью вторичку на 15v?
    Планирую ставить 2 тора по 200 ватт с двумя вторичками, ведь платы питания двуполярные? Учитывая то, что усилок требует 40v то вторички на торе нужны 40/1,41=28v-0-28v на холостом ходу?

  2. #121
    Новичок
    Регистрация
    03.03.2013
    Сообщений
    38

    По умолчанию Re: Naim NAP140 (Клон)

    Термопрокладки обязательно нужно ставить, но их пастой обычно не мажут. Если намазали, то оставьте как есть не мучайтесь. Лучше использывать вместо них слюду и термопасту. Если "разгонять" усилитель не собираетесь и эти прокладки подойдут.
    Последний раз редактировалось Ciger; 12.12.2013 в 09:54.

  3. #122
    Частый гость
    Автор темы
    Аватар для ArtTim
    Регистрация
    13.05.2013
    Адрес
    Барнаул
    Сообщений
    187

    По умолчанию Re: Naim NAP140 (Клон)

    Как я собирал клона:

    Все детали я покупал на ебей и алиэкспресс, брал конструкторы, которые потом собирал экономия небольшая, но гемора масса, кажется все просто и это действительно просто, но нудно и долго.

    Трансформаторы я купил талема у поляков в "ТЕМ" там самая низкая цена, которую я нашел:
    Нажмите на изображение для увеличения. 

Название:	4.jpg 
Просмотров:	756 
Размер:	228.6 Кб 
ID:	198025
    Без нагрузки они у меня выдают 34V (в сети 235V) после выпрямления 45V на ХХ.

    Для защиты динамиков купил 2 платы, которые питаются отдельно. Для их питания я взял тор который у меня был и смотал с него вторички намотав новые, эмаль провод у меня был на 1А.
    Нажмите на изображение для увеличения. 

Название:	1.jpg 
Просмотров:	729 
Размер:	188.9 Кб 
ID:	198027

    Для соединения компонентов я купил советский эмаль провод с диаметром 1.6мм и термотрубки, хотелось сделать моножилу, но покупать провод с непонятным составом меди не хотел.
    Нажмите на изображение для увеличения. 

Название:	2.jpg 
Просмотров:	672 
Размер:	232.5 Кб 
ID:	198028

    Сигнальный кабель использовал микрофонный, у меня были остатки от межблочника, который я делал.
    Нажмите на изображение для увеличения. 

Название:	3.jpg 
Просмотров:	709 
Размер:	162.5 Кб 
ID:	198029

    Также я не стал использовать конденсаторы, которые шли в комплекте с клоном и сразу установил Elna Silmic II. На фото разница в размерах очевидна, а в звуке я не сравнивал.
    Нажмите на изображение для увеличения. 

Название:	5.jpg 
Просмотров:	898 
Размер:	196.1 Кб 
ID:	198030

    В итоге получилось примерно так:
    Нажмите на изображение для увеличения. 

Название:	6.jpg 
Просмотров:	1499 
Размер:	844.4 Кб 
ID:	198031
    2 трансформатора приехали с чашками крепления разного размера, оказалось что крепление транса у нас в дефиците и купить одинаковые не удалось. Платы ставил на ножки, который используют для монтажа материнских плат для компьютера.

    Монтаж проводов делал специально высоко от плат и подальше от сети питания надеясь на уменьшения наводок + подумываю заменить конденсаторы в БП на Elna For Audio или Nichicon KG, а они больше тех которые я купил в наборе.
    Нажмите на изображение для увеличения. 

Название:	7.jpg 
Просмотров:	953 
Размер:	597.0 Кб 
ID:	198033

    Нажмите на изображение для увеличения. 

Название:	8.jpg 
Просмотров:	837 
Размер:	236.7 Кб 
ID:	198034

    Резистор 8.2 Ом и конденсатор цепи Цобеля я убрал из схемы так как это уже есть на плате защиты колонок и соединение PGND потеряло актуальность. После пайки смывал припой абсентом ))) Спирта у меня нет, а абсент 70 градусов, а так что творческий усилитель вышел )))
    Нажмите на изображение для увеличения. 

Название:	9.jpg 
Просмотров:	960 
Размер:	265.0 Кб 
ID:	198046

    Транзисторы прижал к радиатору алюминиевыми брусочками, которые вырезал из площадки ножки стола. Внимание! Ставить транзисторы можно только через прокладки, которые должны быть в комплекте. Иначе короткое замыкание.
    Нажмите на изображение для увеличения. 

Название:	15.jpg 
Просмотров:	875 
Размер:	143.9 Кб 
ID:	198076

    Софт старт:
    Нажмите на изображение для увеличения. 

Название:	14.jpg 
Просмотров:	863 
Размер:	233.6 Кб 
ID:	198037

    Корпус я заказал у китайца, мне прислал с другими размерами (больше) в итоге он не влезал по глубине в тумбу. Китаец был не против его поменять, но мне нужно было оплатить отправку назад и снова доставку ко мне, а это в 3 раза больше цены корпуса. Пришлось его пилить, радиаторы решил сделать с выступами для сохранения большей площади. Корпус по качеству хреновый, дырки не совпадают, пришлось много всего пересверливать.
    Нажмите на изображение для увеличения. 

Название:	10.jpg 
Просмотров:	991 
Размер:	182.2 Кб 
ID:	198042

    Нажмите на изображение для увеличения. 

Название:	11.jpg 
Просмотров:	820 
Размер:	153.9 Кб 
ID:	198043

    Нажмите на изображение для увеличения. 

Название:	12.jpg 
Просмотров:	841 
Размер:	131.6 Кб 
ID:	198044

    Кто реально сталкивался с этими неполярными конденсаторами и сравнивал их с Elna For Audio или Nichicon KG. К тому же они работают на пределе напряжения 45V. Стоит ли их менять?
    Нажмите на изображение для увеличения. 

Название:	13.jpg 
Просмотров:	1004 
Размер:	226.7 Кб 
ID:	198045

    - - - Добавлено - - -

    Монтаж у меня вроде бы неправильный, дело в том, что корпус у меня не заземлен (один фиг розетки без земли) и платы совершенно не связаны с корпусом никак вообще. Все как бы в воздухе. Наводок нет вообще, тишина в колонках полная, думал делать металлическую перегородку между трансформаторами и платами но нужды в этом в моем случае нет.

    Мой тракт. ЦАП Audiolab m-dac, колонки Dali Ikon 1 MK2. Про звук:
    Мне звук в принципе понравился, четкий, но не грубый как мне показалось ранее, когда пробывал пускать один канал на штатных конденсаторах и слабеньком намотанном торе. Возможно Elna Silmic II смягчили звук. Чувствуется, что мощный усилитель, как никак 45V на усилок подается на ХХ. А вообще рекомендуют до 40V подавать на усилитель это на ХХ? Бас сильный, но немного хлесткости не хватает, верх не песочный, но довольно яркий. В общем он переиграл Cambrige Audio 350A и надеюсь после прогрева конденсаторов станет еще лучше. По сути это вообще не naim nap 140, у naima как не странно вообще вся линейка тех времен с одинаковой схемой и вся разница только в питании.

    Naim nap 140 45w на канал и питание 34V
    Naim nap 180 60w на канал и питание 38V
    Naim nap 250 70w на канал и стабилизированное питание 40V
    Мой вариант Naim примерно 84-93w на канал с питанием 45V. Так что его и clone naim 140 назвать нельзя, это просто клон naim.
    Последний раз редактировалось ArtTim; 16.12.2013 в 08:26.

  4. #123
    Частый гость
    Автор темы
    Аватар для ArtTim
    Регистрация
    13.05.2013
    Адрес
    Барнаул
    Сообщений
    187

    По умолчанию Re: Naim NAP140 (Клон)

    В какой момент выставлять ток покоя?

    С током покоя я так ничего и не понял, как правильно его выставлять? Выставил что-то, а потом начал смотреть еще раз, после 2-х часов музыки на средней громкости, вытащил его из тумбы и раскрутил крышку (прошло 2 минуты) Снял замеры 8.0mV усилок простоял включенным с мультиметром 20 минут, напряжение не изменилось. Выключил на час. Включаю усилитель без входа и нагрузки на выходе, предварительно подцепить мультиметр на резистор R29 первые пару секунд напряжение 3,9mV но через 5 секунд уже 4,4mV, а через 3 минуты 6,3mV за следующие 2 минуты напряжение поднимается до 6,4mV, а еще через 5 минут дошло до 6.5mV и больше не поднималось. То есть рост напряжения полностью отстановился через 10 минут в покое. Поставил 7,7mV (35mA) после 40 минут стояния включенным и закрыл.

    В какой момент выставлять ток покоя?

  5. #124
    Частый гость Аватар для vadykaF
    Регистрация
    12.05.2010
    Адрес
    Новосибирск
    Сообщений
    470

    По умолчанию Re: Naim NAP140 (Клон)

    После прогрева усилителя.

    ---------- Сообщение добавлено 14:35 ---------- Предыдущее сообщение было 14:32 ----------

    Проложенные провода с выхода усилителя совместно с проводами питания не очень хорошо!

  6. #125
    Частый гость
    Автор темы
    Аватар для ArtTim
    Регистрация
    13.05.2013
    Адрес
    Барнаул
    Сообщений
    187

    По умолчанию Re: Naim NAP140 (Клон)

    Цитата Сообщение от vadykaF Посмотреть сообщение
    После прогрева усилителя.

    ---------- Сообщение добавлено 14:35 ---------- Предыдущее сообщение было 14:32 ----------

    Проложенные провода с выхода усилителя совместно с проводами питания не очень хорошо!
    Прогрева без нагрузки? То есть я правильно выставил после 40 минут без нагрузки?
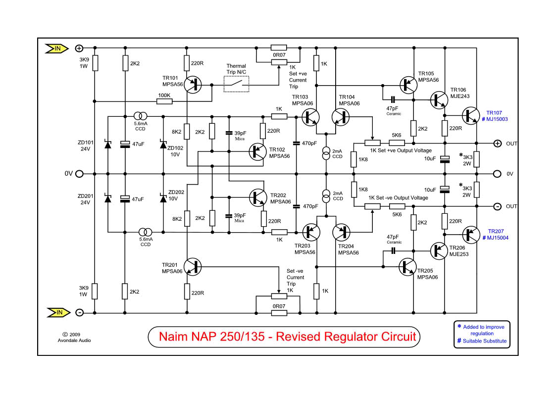
    Провода входные вроде бы и понятно что лучше подальше, но они имеют очень хороший экран в отличии от топового оригинала naim nap 250 в котором все в куче Нажмите на изображение для увеличения. 

Название:	NaimNAP250.jpg 
Просмотров:	1152 
Размер:	178.6 Кб 
ID:	198283.
    Вот и решил, что у меня вероятность наводок все равно ниже, а тянуть его на 220V тоже не очень.

  7. #126
    Частый гость Аватар для vadykaF
    Регистрация
    12.05.2010
    Адрес
    Новосибирск
    Сообщений
    470

    По умолчанию Re: Naim NAP140 (Клон)

    Читайте внимательнее -"ВЫХОДНЫЕ" провода. А то что у производителя сделано также, так это не показатель. Лучше бы конечно разнести все это дело.

  8. #127
    Завсегдатай Аватар для Vovk
    Регистрация
    24.12.2004
    Адрес
    Зеленьій клин
    Возраст
    46
    Сообщений
    2,855

    По умолчанию Re: Naim NAP140 (Клон)

    Цитата Сообщение от ArtTim Посмотреть сообщение
    Прогрева без нагрузки? То есть я правильно выставил после 40 минут без нагрузки?
    С нагрузкой прогрев быстее, что логично.

  9. #128
    Частый гость
    Автор темы
    Аватар для ArtTim
    Регистрация
    13.05.2013
    Адрес
    Барнаул
    Сообщений
    187

    По умолчанию Re: Naim NAP140 (Клон)

    Цитата Сообщение от Vovk Посмотреть сообщение
    С нагрузкой прогрев быстее, что логично.
    На практике с нагрузкой перегрев ))) А нагрев в покое за 10 минут происходит.

    ---------- Сообщение добавлено 18:04 ---------- Предыдущее сообщение было 18:03 ----------

    Цитата Сообщение от vadykaF Посмотреть сообщение
    Читайте внимательнее -"ВЫХОДНЫЕ" провода. А то что у производителя сделано также, так это не показатель. Лучше бы конечно разнести все это дело.
    Заказал 2SC2922, когда их менять буду, то выходные провода отведу в сторону.

    ---------- Сообщение добавлено 18:34 ---------- Предыдущее сообщение было 18:04 ----------

    Гоняю я усилитель уже 3-й день и на ночь его не выключал из сети с целью ускорения прогрева нуждающихся компонентов.
    В общем звук мне очень стал нравиться, он несколько изменился, стал мягче, детальнее и главное за весь день голова от него не болит даже при прослушивании Oasis. Сегодня подключил на 10 минут Cambrige audio 350a который мне в начале показался не сильно отстаивающем по звуку от САМОДЕЛА, тут стало понятно, что мой клон явно круче и намного, но правда на мой вкус. Например мне nad 326 тоже понравился больше Cambrige audio 350a, хотя его многие глуховатым его называют.
    Есть и недостатки, немного размытый бас, как бы все точно, но скорости ему не хватает и из-за этого не хватает на мой взгляд драйва которым славится NAIM.

    Вышел мне этот усилитель уже дорого для самодела в 13 500, на эти деньги мог купить nad 326 и не морочить себе голову, но я решил идти до конца и выдавить еще качества из него.
    1) Замена выходных транзисторов на 2SC2922
    2) Замена конденсаторов в БП. В нем стоят китайские неполярные NOVER которые вроде бы для аудио, но фиг знает. Возможно из-за них бас размыт.
    3) Сделать стабилизацию на оставшихся транзисторах 2SC3858, но есть проблема, это КПД стабилизатора, сколько вольт я потеряю на стабилизации? Нажмите на изображение для увеличения. 

Название:	vo7t68.jpg 
Просмотров:	1274 
Размер:	92.5 Кб 
ID:	198296 Возможно придется менять трансформаторы на большие по напряжению вторичек.

  10. #129
    Частый гость
    Автор темы
    Аватар для ArtTim
    Регистрация
    13.05.2013
    Адрес
    Барнаул
    Сообщений
    187

    По умолчанию Re: Naim NAP140 (Клон)

    Нашел что нужно по установке тока покоя:
    To set up:
    with Milliammeter in positive lead, set bias current for 34-38mA over twenty minutes. Do NOT exceed this.

    В общем выставлять нужно через 20 минут и ставить нужно 34-38mA. Превышать нельзя.

    Одно я не пойму, вот это тогда зачем?
    Нажмите на изображение для увеличения. 

Название:	44.jpg 
Просмотров:	798 
Размер:	128.6 Кб 
ID:	198320

    Если выставить здесь 450mV то на резисторе R29 менее 7mA.
    Последний раз редактировалось ArtTim; 16.12.2013 в 21:12.

  11. #130
    Новичок
    Регистрация
    03.03.2013
    Сообщений
    38

    По умолчанию Re: Naim NAP140 (Клон)

    В стабилизаторе обычно ставят такие же транзисторы, что и вк усилителя.
    http://www.neilmcbride.co.uk/jknamps.html
    Ток выставляйте какой больше нравится-), гланое что бы вк не грелись и дрейфа не было. Лучше делать это на эмит резисторе.

  12. #131
    Частый гость
    Автор темы
    Аватар для ArtTim
    Регистрация
    13.05.2013
    Адрес
    Барнаул
    Сообщений
    187

    По умолчанию Re: Naim NAP140 (Клон)

    В общем все поэтапно, не уверен я что до стабилизатора вообще доберусь, менять трансформаторы не особо хочется.

    Сейчас заказаны транзисторы 2SC2922, продавец клялся что они оригинальные. Также хочу заменить H669A и H649A на MJE243 и MJE253 как в оригинале. С этим вопросов у меня нет.

    А вот проблема выбора вот в чем:

    1) Elna Lao 10000uF 63V For Audio 8 штук по 4 на канал. http://www.ebay.com/itm/140612937999


    2) Elna Lao 10000uF 80V For Audio 8 штук по 4 на канал. http://www.ebay.com/itm/140610706949


    3) Nichicon KG Gold Tune TYPE I 10000uf 63v 8 штук по 4 на канал. http://www.ebay.com/itm/140977313430


    4) Nichicon KG Gold Tune TYPE II 6800Uf 50V 8 штук по 4 на канал. Нет запаса по напряжению, но TYPE II старше. http://www.ebay.com/itm/140617187902


    5) Nichicon KG Super Through TYPE III 4700uf 50V 8 штук по 4 на канал. Нет запаса по напряжению и емкость на канал получается всего 18800uf. Зато это топовые конденсаторы от Nichicon и они самые крупные при самой маленькой емкости. http://www.ebay.com/itm/140617192991 смущает емкость 37 600uf на весь усилитель, хватит ли?

    6) Mundorf Kondensator Elko 8200uF 63V 8 штук по 4 на канал.
    Довольно дорого, но на западных форумах очень лестно о них отзывались. http://www.ebay.de/itm/Mundorf-Konde...item5400c0f420




    И что теперь делать при таком выборе, просто так не хочется деньги вкидывать, нужны лучшие из этих.

    Последний раз редактировалось ArtTim; 17.12.2013 в 11:47.

  13. #132
    Новичок
    Регистрация
    03.03.2013
    Сообщений
    38

    По умолчанию Re: Naim NAP140 (Клон)

    Лучще всего rifa peh169
    http://m.ebay.de/itm/310357226836?nav=SEARCH&sbk=1
    Басы будут как надо!
    2sc2922y обязательно Y должны быть от производителя Allegro на ebay идут по 22 доллор за шт. Они производятся в англии и прям с завода разлетаются как пирожки-)
    Последний раз редактировалось Ciger; 17.12.2013 в 14:15.

  14. #133
    Частый гость Аватар для nsk71
    Регистрация
    02.03.2013
    Адрес
    Новосибирск
    Сообщений
    203

    По умолчанию Re: Naim NAP140 (Клон)

    Если есть возможность я думаю сташие ничиконы .

  15. #134
    Частый гость
    Автор темы
    Аватар для ArtTim
    Регистрация
    13.05.2013
    Адрес
    Барнаул
    Сообщений
    187

    По умолчанию Re: Naim NAP140 (Клон)

    Цитата Сообщение от nsk71 Посмотреть сообщение
    Если есть возможность я думаю сташие ничиконы .
    Возможность есть, емкости не мало будет?

    ---------- Сообщение добавлено 17:47 ---------- Предыдущее сообщение было 17:43 ----------

    Цитата Сообщение от Ciger Посмотреть сообщение
    Лучще всего rifa peh169
    http://m.ebay.de/itm/310357226836?nav=SEARCH&sbk=1
    Басы будут как надо!
    2sc2922y обязательно Y должны быть от производителя Allegro на ebay идут по 22 доллор за шт. Они производятся в англии и прям с завода разлетаются как пирожки-)
    Вроде Y должны приехать. Хотя на оригиналах помимо Y встречал и G
    Про RIFA читал где-то у буржуев негатив

  16. #135
    Новичок
    Регистрация
    03.03.2013
    Сообщений
    38

    По умолчанию Re: Naim NAP140 (Клон)

    2sc2922y allegro цена 700р штука. Остальное, что дешевле говно! Себестоимость высокая т.к. завод в англии. Не каких g близко быть не может.
    http://m.ebay.com/itm/360619654109?nav=SEARCH&sbk=1
    Я нашел только эти остальное китайские поделки-(
    Еще на farnel были но партия разлетелась за неделю. Долго я слишком думал купить или нет. Делайте выводы!
    Последний раз редактировалось Ciger; 17.12.2013 в 15:33.

  17. #136
    Частый гость Аватар для nsk71
    Регистрация
    02.03.2013
    Адрес
    Новосибирск
    Сообщений
    203

    По умолчанию Re: Naim NAP140 (Клон)

    Хватит.

  18. #137
    Частый гость
    Автор темы
    Аватар для ArtTim
    Регистрация
    13.05.2013
    Адрес
    Барнаул
    Сообщений
    187

    По умолчанию Re: Naim NAP140 (Клон)

    Цитата Сообщение от Ciger Посмотреть сообщение
    2sc2922y allegro цена 700р штука. Остальное, что дешевле говно! Себестоимость высокая т.к. завод в англии.
    http://m.ebay.com/itm/360619654109?nav=SEARCH&sbk=1
    Я сильно дешевле купил, а себестоимость я думаю у них на уровне 1 фунта. Продавец имеет солидный рейтинг http://www.ebay.com/itm/330556017909...84.m1439.l2648
    Оригинал имеет массу 18.71гр., а подделки имеют вес 15.36гр. Приедут, забегу в ювелиру и взвешу их.

  19. #138
    Новичок
    Регистрация
    03.03.2013
    Сообщений
    38

    По умолчанию Re: Naim NAP140 (Клон)

    Желаю удачи в любо случае результат интересен

  20. #139
    Частый гость
    Автор темы
    Аватар для ArtTim
    Регистрация
    13.05.2013
    Адрес
    Барнаул
    Сообщений
    187

    По умолчанию Re: Naim NAP140 (Клон)

    Конденсаторы Mundorf Kondensator Elko 8200uF 63V 8 штук все таки слишком дороги и выходят в 6200 руб.
    Конденсаторы
    Nichicon KG Super Through TYPE III 4700uf 50V 8 штук доступнее, 3600 руб. Что же с курсом творится блин.

    Пока склоняюсь к
    Nichicon KG Super Through TYPE III 4700uf 50V, но может я не прав. И вообще на практике кто нибудь ощущал очевидную разницу в звуке после смены конденсаторов в БП?


  21. #140

    По умолчанию Re: Naim NAP140 (Клон)

    Что то мне подсказывает, что вся ваша пляска около якобы оригинальных транзисторов и конденсаторов больше похоже на пляску с бубном. Вроде форум не по эзотерике. А то с вашими мыслями можно докатиться и до того, что в квартире проводку и розетки придётся менять. Да ещё усилитель ставить строго в соответствии с магнитным полем земли.
    Вообщем я к чему, если вы взяли смелость решать что чувствуете разницу между оригиналом и нет, между санфарад и ничикони, между санкеном и МЖЕ,...., то не поленитесь хотя бы осциллограммы показывающие эту разницу прикрепить. Все форумы позагадили своими гаданиями на кофейной гуще. Купите приборы измерительные, если собрались заниматься усилителями.

Страница 7 из 17 Первая ... 56789 ... Последняя

Социальные закладки

Социальные закладки

Ваши права

  • Вы не можете создавать новые темы
  • Вы не можете отвечать в темах
  • Вы не можете прикреплять вложения
  • Вы не можете редактировать свои сообщения
  •