Страница 69 из 69 Первая ... 59676869
Показано с 1,361 по 1,377 из 1377

Тема: Hypex UcD

  1. #1361
    Завсегдатай Аватар для sousmanster
    Регистрация
    13.03.2008
    Адрес
    Ивано-Франковск
    Возраст
    43
    Сообщений
    2,970

    По умолчанию Re: Hypex UcD

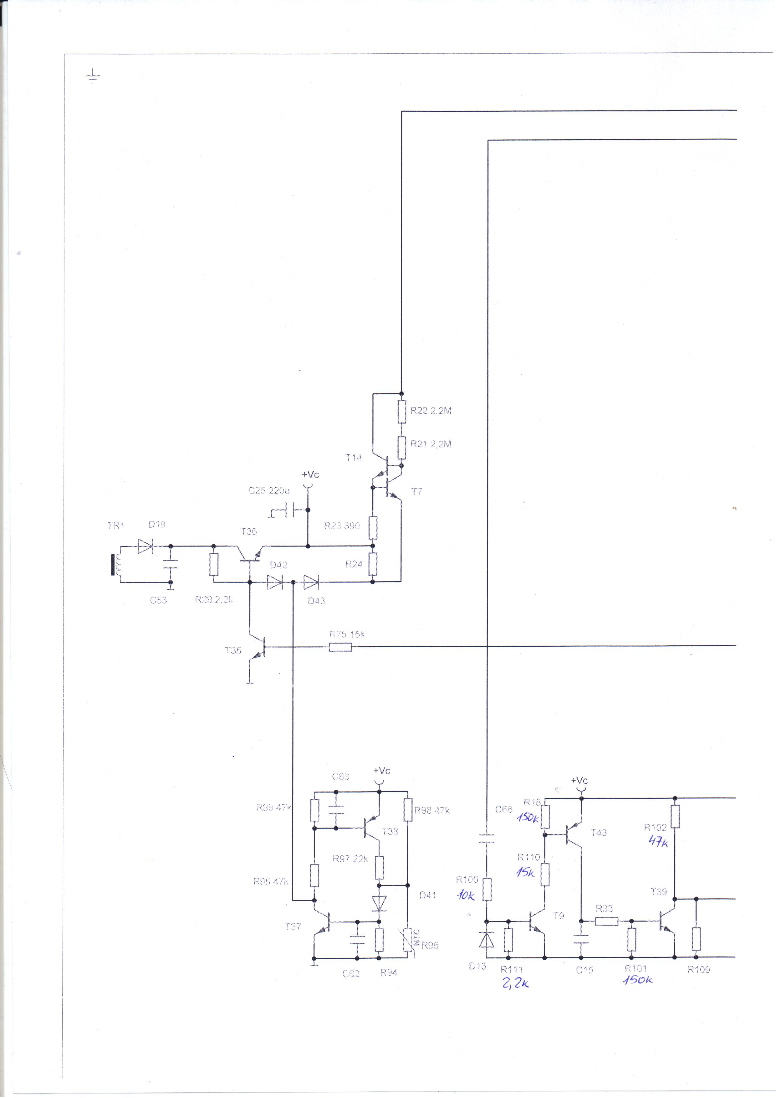
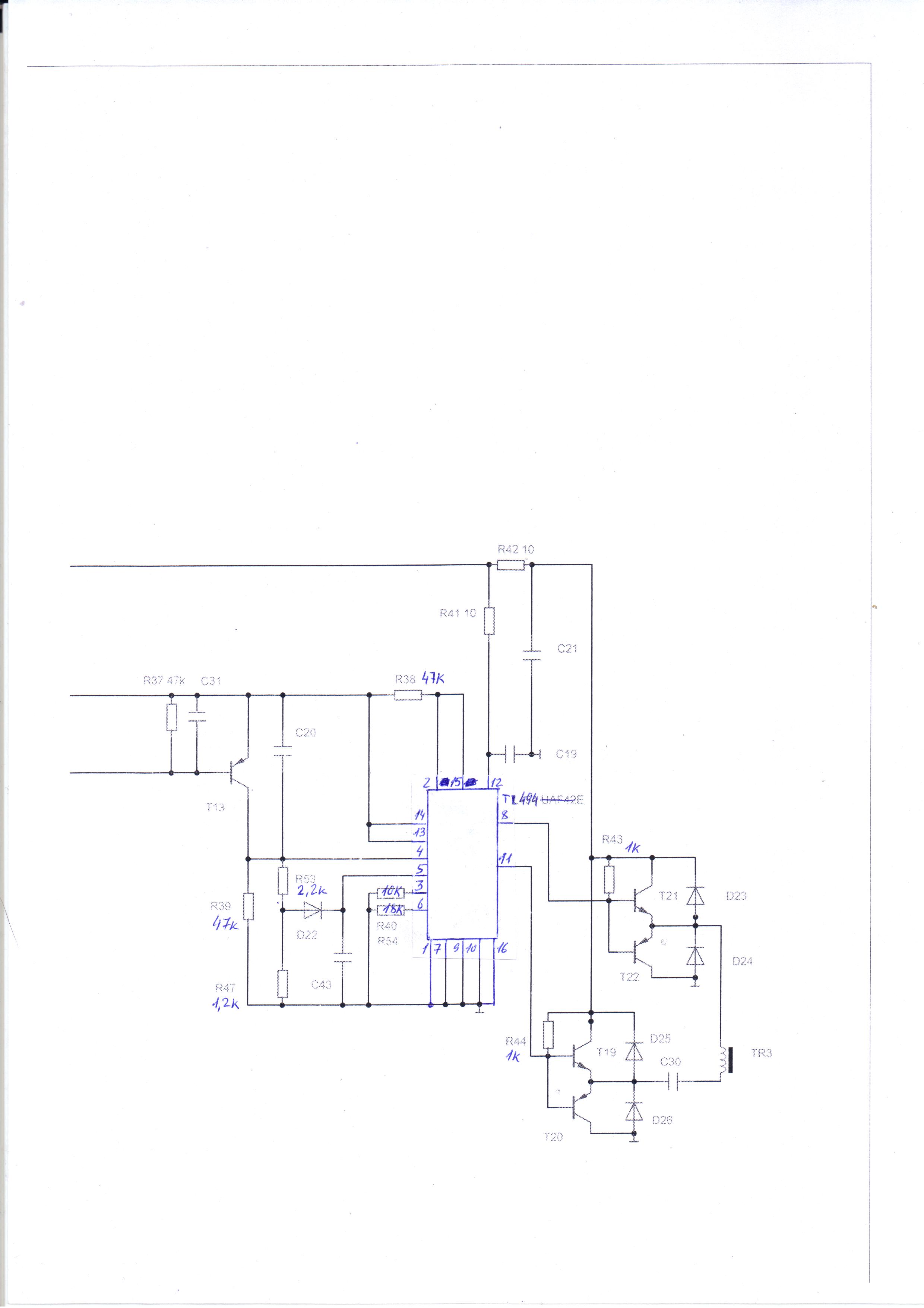
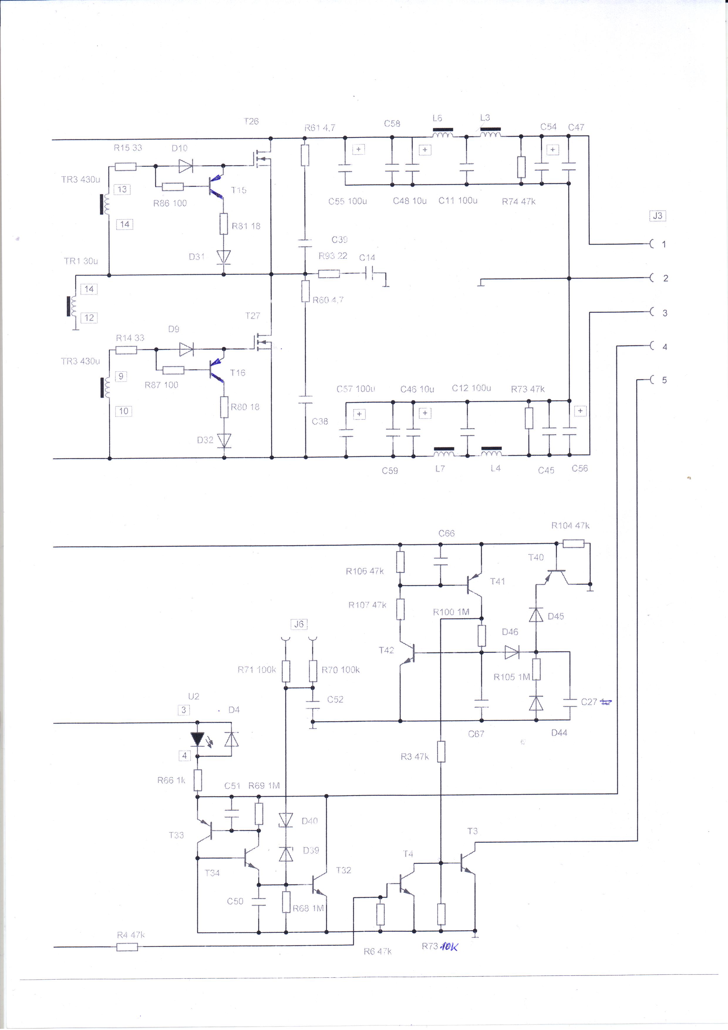
    судя по зарисовкам, схема БП особо не отличается от БП НАД. Схема простая, для ремонта будет достаточно.
    С NC500 будет чуть сложнее, так как мелочевки много в схеме драйверов, да и компаратор, если там пробило пару транзисторов- придется попотеть.

  2. #1362
    PavelB
    Гость

    По умолчанию Re: Hypex UcD

    Цитата Сообщение от The.A. Посмотреть сообщение
    Благодарен за схемы.
    Выполнил ремонт двух модулей питания hypex smps600n400.
    Блок питания не стартовал, на ШИМ-контроллер питание не подавалось. Силовая часть и нагрузочная целые.

    Вышли из строя транзисторы Т14 (в Чип и Дип 50р). Заменил, заработало сразу.

    ---------- Сообщение добавлено 17:12 ---------- Предыдущее сообщение было 17:08 ----------

    Ремонтировал пару блоков Hypex UcD.
    В обоих случаях силовые транзисторы в КЗ и испарилась часть дорожки.
    Заменил, восстановил, завелись без вопросов.

  3. #1363
    Завсегдатай Аватар для 4321
    Регистрация
    14.03.2012
    Сообщений
    1,316

    По умолчанию Re: Hypex UcD

    Удалось послушать НАД М22,блоки усилителей и питания не пострадали,спалили только вход.
    Там своя плата ,симметричная линия до входа модулей.
    Аналоговый вход модулей тоже симметричный.
    То есть "цифровыми" эти модули назвать нельзя,нет цифрового входа (может я и не прав)
    Но вот Лунгдорф делает полностью цифровые усилители.

    Ну что сказать,как тут уже недавно говорили "можно слушать без омерзения"
    Да,если несчем сравнивать,ну типа такой же китай как везде (Аудиолаб,Кембридж,ну вся "английская" мутотень из китая)
    То вполне слушать можно,даже в чём то интересно,середина вполне приятная и ощущение как будто ,очень ровно играет...
    Что хорошо,играет сразу нормально без прогрева и звук не меняется.
    Хорошо и тихо и громко,с хорошей неожиданной динамикой.
    Цифровые записи нормально (44.1)
    А вот винил (80г) и всё как то не очень хорошо,сразу заметно провал в верхней середине...
    Супераудио,тоже я думаю будет заметно плохо (я слушал Обратную Сторону)звон часов плохо,бедно...
    Вообще мне показалось,что он реально ограничивает 10-12 кгц.
    "серебряную" пыль тарелок вы не услышите.....
    Но в целом,если не придираться (а ведь за цену почти 300т,можно взять совсем другую лигу)
    То имеет право на жизнь.

  4. #1364
    Завсегдатай Аватар для ИГВИН
    Регистрация
    06.05.2005
    Адрес
    Ростов-на-Дону
    Возраст
    67
    Сообщений
    13,071

    По умолчанию Re: Hypex UcD

    4321, спасибо.
    Игорь. Meridian 507.24 => DAC6 v2+свой выхлоп => Noosfera Master => Celestion A2 + Hand-made cable

  5. #1365
    Забанен (навсегда)
    Регистрация
    27.02.2005
    Адрес
    село Самбек
    Сообщений
    2,080

    По умолчанию Re: Hypex UcD

    Цитата Сообщение от 4321 Посмотреть сообщение
    Цифровые записи нормально (44.1)
    А вот винил (80г) и всё как то не очень хорошо,сразу заметно провал в верхней середине...
    Может там внутре сидит хомункулус и на виниле включает провал, а на цифре выключает? Ну мало ли почему, может просто ему винил не нравится.

  6. #1366
    Новичок Аватар для kyr575
    Регистрация
    13.03.2011
    Адрес
    Москва
    Сообщений
    2

    По умолчанию Re: Hypex UcD

    Супераудио,тоже я думаю будет заметно плохо (я слушал Обратную Сторону)звон часов плохо,бедно...
    Вообще мне показалось,что он реально ограничивает 10-12 кгц
    nad m22 не слушал , но ум на nc400 играет замечательно....все имеющие довольны. Но сравнивая с nc500 , 400-е проигрывают.

  7. #1367
    Завсегдатай Аватар для DrModd
    Регистрация
    17.07.2019
    Сообщений
    1,149

    По умолчанию Re: Hypex UcD

    Уже есть NAD M33 на модулях Purifi. ~500к.руб.

  8. #1368
    unexperienced
    Гость

    По умолчанию Re: Hypex UcD

    Подскажите, если в четырехканальной системе (раздельное усиление - биампинг, с цифрокроссом) использовать на НЧ секции усилительные модули UcD400HG, сильно они хуже по звуку будут чем NC400 ? Есть кто сравнивал в лоб их так сказать? В пользовании есть NAD M22, хочу его на ВЧ секции направить, а НЧ усиливать модулями UcD400. И еще вопрос, на офсайте в одном месте написано что у него на 68 вольтах защита сработает , в другом месте что на 75 вольт. Мне нужно запитать их от +\- 70 Вольт, будут работать?

  9. #1369
    Завсегдатай Аватар для DrModd
    Регистрация
    17.07.2019
    Сообщений
    1,149

    По умолчанию Re: Hypex UcD

    Судя по даташиту максимально 75В
    Нажмите на изображение для увеличения. 

Название:	Захват.JPG 
Просмотров:	149 
Размер:	64.8 Кб 
ID:	398575

  10. #1370
    unexperienced
    Гость

    По умолчанию Re: Hypex UcD

    Да, именно об этом, но смутило

    Нажмите на изображение для увеличения. 

Название:	Снимок экрана (15).png 
Просмотров:	146 
Размер:	66.0 Кб 
ID:	398578

    overvoltage protection - 68V

    В общем написал в Hypex тех. под. вопрос.

    Ответили:

    Получается на 100% не уверены?
    Миниатюры Миниатюры Нажмите на изображение для увеличения. 

Название:	Снимок экрана (17).png 
Просмотров:	135 
Размер:	65.5 Кб 
ID:	398599  

  11. #1371
    Завсегдатай Аватар для DrModd
    Регистрация
    17.07.2019
    Сообщений
    1,149

    По умолчанию Re: Hypex UcD

    Не пользовался, ничего не могу сказать по этому поводу)))
    Но говорят, что 70 пойдет.

  12. #1372
    unexperienced
    Гость

    По умолчанию Re: Hypex UcD

    Греться не начнет?

  13. #1373
    Завсегдатай Аватар для DrModd
    Регистрация
    17.07.2019
    Сообщений
    1,149

    По умолчанию Re: Hypex UcD

    Цитата Сообщение от unexperienced Посмотреть сообщение
    Греться не начнет?
    В любом случае будет греться

  14. #1374
    unexperienced
    Гость

    По умолчанию Re: Hypex UcD

    Их на общее основание, например корпус усилителя,
    можно закрепить, или диэлектрик надо и отдельный
    теплоотвод каждому модулю?

  15. #1375
    Завсегдатай Аватар для DrModd
    Регистрация
    17.07.2019
    Сообщений
    1,149

    По умолчанию Re: Hypex UcD

    Вы эту тему вообще читали?
    Тут Роман писал, что лучше изолировать.

  16. #1376
    unexperienced
    Гость

    По умолчанию Re: Hypex UcD

    Да, теперь прочитал полностью, до этого бегло.
    Всё есть. И пришел к выводу что....
    В общем в баню эти UcD, лучше второй NAD M22
    куплю, и второй версии V2.

  17. #1377
    Новичок
    Регистрация
    04.06.2021
    Сообщений
    16

    По умолчанию Re: Hypex UcD

    Есть ucd400mp который с бп на борту. Для его включения надо на 13 пин j2 подать от 3,3В до 12В.
    Подскажите, какой ток потребляет 13 пин?
    Хочу подавать на него напряжение через транзистор. Хочу грамотно подобрать транзистор и посчитать ток базы.

    ---------- Сообщение добавлено 10:42 ---------- Предыдущее сообщение было 00:04 ----------

    Сам спросил, сам отвечу - замер показал ток 0,12-0,14мА если замыкать 12пин на 13 (зависит от мультиметра). Формула рассчета I=(V-0,7)/22000

Страница 69 из 69 Первая ... 59676869

Социальные закладки

Социальные закладки

Ваши права

  • Вы не можете создавать новые темы
  • Вы не можете отвечать в темах
  • Вы не можете прикреплять вложения
  • Вы не можете редактировать свои сообщения
  •