Всем привет.
(Да простит меня Serg138 за шутку в названии темы)
Поехали...
В первую очередь хотел передать огромную благодарность Алексею dortonyan ! за бесценные советы по УВХ, ПЛИС, за дефицитные детальки. Без него этот ЦАП бы не состоялся.
Проект в целом долго строился по причине некоторого дефицита деталек в магазах и свободного времени.
Что хотелось в целом попробовать: в первую очередь деглитчер, далее ЦФ с толковым подавлением на Найквисте (спасибо Алексею за проект ЦФ!), дифференциальную землю с УВХ в выхлопе. В роли транспорта - мини болгарин на XMOS.
Из интересного - добавлен узел на 595, который калибрует еще дополнительно 5-8биты.
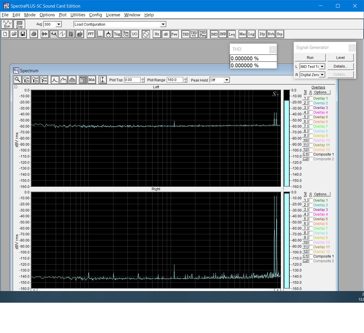
ЦФ поддерживает 32х, но PCM58 увы такое не тянет. Поэтому все измерения даны в 16х режиме.
В роли ИУ - LM6171, УВХ - OPA828, ФНЧ - OPA1611.
Схема выхлопа и спектры основные ниже - соотвественно с деглитчером и без.
В архиве расширенные измерения. В роли АЦП - АК5388.
![]()



Ответить с цитированием


Социальные закладки