Страница 6 из 8 Первая ... 45678 Последняя
Показано с 101 по 120 из 153

Тема: 0 дБ ООС

  1. #1 Показать/скрыть первое сообщение.
    Величайший инквизитор
    Автор темы
    Аватар для WP
    Регистрация
    26.05.2004
    Адрес
    г. Бердск
    Возраст
    63
    Сообщений
    2,527

    По умолчанию 0 дБ ООС

    Проект усилителя без общей ООС.
    Макет играет достаточно интересно.
    Вложения Вложения
    Последний раз редактировалось Konkere; 17.10.2007 в 17:05. Причина: добавлен файл в формате PDF

  2. #101
    Завсегдатай Аватар для dekko
    Регистрация
    05.04.2006
    Сообщений
    6,002

    По умолчанию Re: 0 дБ ООС

    Цитата Сообщение от kobarr Посмотреть сообщение
    ВП чуть не отпинал всех дед-морозовскими валенками
    а счаззз почти лето валенки и дед мороз не в сезоне!

    Добавлено через 27 минут
    и валенков на всех может не хватить!
    Последний раз редактировалось dekko; 30.05.2008 в 08:24. Причина: Добавлено сообщение

  3. #102
    Завсегдатай Аватар для fakel
    Регистрация
    30.11.2007
    Адрес
    Оренбург
    Возраст
    42
    Сообщений
    11,267

    По умолчанию Re: 0 дБ ООС

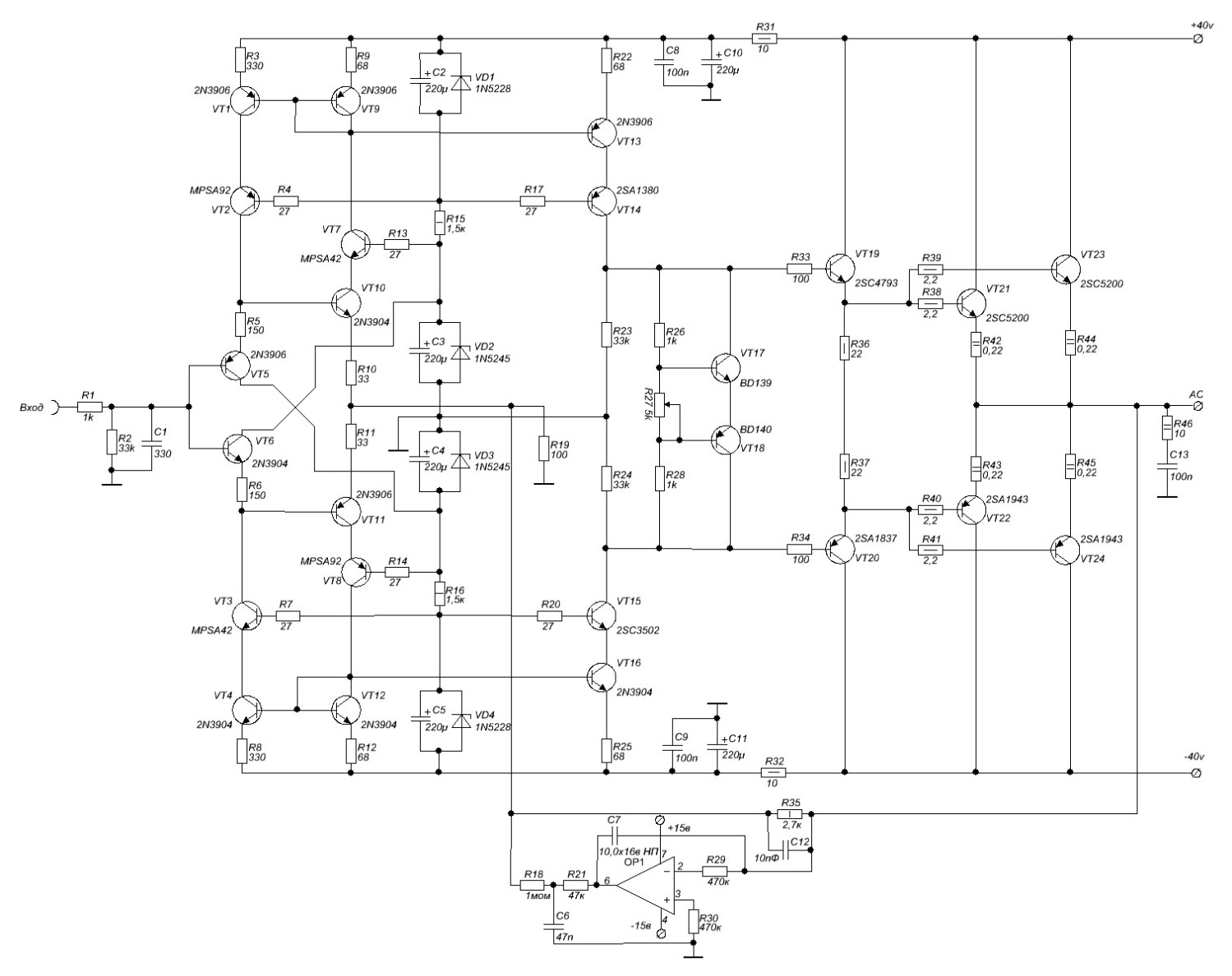
    WP, а Вы не пробовали вводить в усил ОООС? Как результаты?
    Не могли бы Вы привести спектр гармоник в обеих вариантах?
    Для чего диоды 113,114?
    Нужен ли кондер между базами выходников и пред?
    Куда подключается земля питания преда? к GR?
    Как у него с нулем на выходе?

  4. #103
    Частый гость
    Регистрация
    22.11.2006
    Адрес
    Днепропетровск
    Возраст
    43
    Сообщений
    216

    По умолчанию Re: 0 дБ ООС

    Цитата Сообщение от fakel Посмотреть сообщение
    Для чего диоды 113,114?
    Диоды не дают питанию УН пропасть раньше (при выключении) чем питание ВК (защита от неуправляемых переходных процессов).
    Очень необычная схема усилителя. Нет ли ошибки включения VT112-113-116-117? При таком включении база VT114-115 очень высокоомная точка ни к чему не привязанная по постоянке. Столь сверхвысокочастотные транзисторы в ТЗ могут наделать проблем. Для чего последовательно включены 2 диода VD109-110/111-112 (ИМХО должен быть один диод)?
    Также считаю нецелесообразной реализацию ПОС при помощи ТЗ, т.к. эспоненциальная передаточная характеристика только на руку (частично компенсирует снижение К передачи тока базы выходников на больших токах), при переходе преддрайвера в режим АВ ТЗ также выключится (лишние включения/выключения), дополнительные потери 0,7-1В силового питания, и отслеживать ток ИМХО правильнее в выходных транзисторах.

    Offтопик:
    Не удержался вот... если сделать ПОС вот так (она же заодно ИТ)? При этом соотношение резисторов в эмиттерах ИТ и коллекторах ВК должно быть примерно равно К передачи тока базы транзисторов ВК (тогда теоретически получим постоянный ток через преддрайвер, что увеличит не только линейность, но и входное сопротивление). При переходе ВК в режим АВ ИТ не выключается, падение питания ВК незначительно.
    Миниатюры Миниатюры Нажмите на изображение для увеличения. 

Название:	VK2.GIF 
Просмотров:	332 
Размер:	5.0 Кб 
ID:	32168  
    Последний раз редактировалось Антиламповик; 09.06.2008 в 20:45.

  5. #104
    Завсегдатай Аватар для fakel
    Регистрация
    30.11.2007
    Адрес
    Оренбург
    Возраст
    42
    Сообщений
    11,267

    По умолчанию Re: 0 дБ ООС

    Может, последовательно с аоллекторными резисторами включить по диоду? ТЗ

  6. #105
    Частый гость
    Регистрация
    22.11.2006
    Адрес
    Днепропетровск
    Возраст
    43
    Сообщений
    216

    По умолчанию Re: 0 дБ ООС

    Цитата Сообщение от fakel Посмотреть сообщение
    Может, последовательно с аоллекторными резисторами включить по диоду? ТЗ

    Offтопик:
    Просто не вижу преимуществ, ТЗ включают для компенсации роста крутизны транзистора при росте тока, в данном случае такая линеаризация не как раз не нужна, т.к. спад К передачи тока базы ВК значительно больше роста крутизны транзистора ИТ.

  7. #106
    Завсегдатай Аватар для fakel
    Регистрация
    30.11.2007
    Адрес
    Оренбург
    Возраст
    42
    Сообщений
    11,267

    По умолчанию Re: 0 дБ ООС

    Цитата Сообщение от Антиламповик Посмотреть сообщение
    Для чего последовательно включены 2 диода VD109-110/111-112 (ИМХО должен быть один диод)?
    Скорее всего для уменьшения нелинейной емкости (С106 достаточно мал)
    Цитата Сообщение от Антиламповик Посмотреть сообщение
    Не удержался вот... если сделать ПОС вот так (она же заодно ИТ)? При этом соотношение резисторов в эмиттерах ИТ и коллекторах ВК должно быть примерно равно К передачи тока базы транзисторов ВК (тогда теоретически получим постоянный ток через преддрайвер, что увеличит не только линейность, но и входное сопротивление). При переходе ВК в режим АВ ИТ не выключается, падение питания ВК незначительно.
    Экспоненциальность влечет за собой длинный хвост, диоды последовательно с коллекторными резисторами, имхо, будут уместнее. А чтобы ИТ не выключался, вдуть в диоды доп ток при помощи резистора между коллекторами выходников

  8. #107
    SMD-n
    Гость

    По умолчанию Re: 0 дБ ООС

    Цитата Сообщение от kaskod Посмотреть сообщение
    Резисторы меньше 15 ом у меня в базы не получается.
    Опробовано на практике - 22 Ом спасают положение, но Кг растет...
    Короче, Цобель по выходу нам поможет.
    Индуктивности не пробовал.
    Тестировал на 2SA5200/2SC1943.

  9. #108
    Регистрация не подтверждена
    Регистрация
    23.06.2008
    Адрес
    Москва
    Сообщений
    1,791

    По умолчанию Re: 0 дБ ООС

    Предлагаю рассмотреть схему упрощенного ВП, но с ТОС.
    Миниатюры Миниатюры Нажмите на изображение для увеличения. 

Название:	Упрощенный усилитель Перепелкина.JPG 
Просмотров:	510 
Размер:	172.3 Кб 
ID:	33707  

  10. #109
    Забанен (навсегда) Аватар для SashaNetrusov
    Регистрация
    25.01.2006
    Адрес
    Екатеринбург
    Возраст
    63
    Сообщений
    3,063

    По умолчанию Re: 0 дБ ООС

    WP,
    А средняя точка у R138,R139 так и ни куда не подключена?

  11. #110
    Завсегдатай
    Регистрация
    14.12.2007
    Адрес
    из преисподнии
    Возраст
    55
    Сообщений
    5,728

    По умолчанию Re: 0 дБ ООС

    Цитата Сообщение от SashaNetrusov Посмотреть сообщение
    WP,
    А средняя точка у R138,R139 так и ни куда не подключена?
    Она к выходу должна быть подключена, просто непрорисована...

  12. #111
    Старый знакомый Аватар для Анатоль
    Регистрация
    02.04.2006
    Адрес
    Санкт-Петербург
    Сообщений
    836

    По умолчанию Re: 0 дБ ООС

    А R29 правильно в интеграторе подключен?

  13. #112
    Завсегдатай
    Регистрация
    14.12.2007
    Адрес
    из преисподнии
    Возраст
    55
    Сообщений
    5,728

    По умолчанию Re: 0 дБ ООС

    Цитата Сообщение от fakel Посмотреть сообщение
    ...Нужен ли кондер между базами выходников и пред?...
    как по мне так они там на фиг не нужны..

    Цитата Сообщение от fakel Посмотреть сообщение
    ...Куда подключается земля питания преда? к GR?...
    скорее всего через резюк в 2...10 Ом на "землю"....

    Цитата Сообщение от fakel Посмотреть сообщение
    ...Как у него с нулем на выходе?
    Должно быть нормально, т.к. точка соединения R106/R107 соединена с землей через резюк R126 (220 Ом). Кстати если вводить ООС то это как раз в точку соединения этих трех резисторов...

  14. #113
    Забанен (навсегда) Аватар для SashaNetrusov
    Регистрация
    25.01.2006
    Адрес
    Екатеринбург
    Возраст
    63
    Сообщений
    3,063

    По умолчанию Re: 0 дБ ООС

    Цитата Сообщение от Hennady Посмотреть сообщение
    Она к выходу должна быть подключена, просто непрорисована...
    Кажется мне что там ПОС значительно больше 1 получается. Это так задумано?
    Пардон просчитался, меньше 1...

    Добавлено через 6 минут
    Примерно 1/3.
    Последний раз редактировалось SashaNetrusov; 15.07.2008 в 16:29. Причина: Добавлено сообщение

  15. #114
    Завсегдатай
    Регистрация
    14.12.2007
    Адрес
    из преисподнии
    Возраст
    55
    Сообщений
    5,728

    По умолчанию Re: 0 дБ ООС

    Цитата Сообщение от Анатоль Посмотреть сообщение
    А R29 правильно в интеграторе подключен?
    У кого? у Shurikа? Я у него увидел включение VT17/VT18 - дальше смотреть не стал - неинтересно...

    у WP реализация на голову выше ...

  16. #115
    Забанен (навсегда) Аватар для SashaNetrusov
    Регистрация
    25.01.2006
    Адрес
    Екатеринбург
    Возраст
    63
    Сообщений
    3,063

    По умолчанию Re: 0 дБ ООС

    Цитата Сообщение от SashaNetrusov Посмотреть сообщение
    Примерно 1/3.
    Для полной компенсации нелинейности выходников надо ближе к 1 подтягивать.....

  17. #116
    Завсегдатай
    Регистрация
    14.12.2007
    Адрес
    из преисподнии
    Возраст
    55
    Сообщений
    5,728

    По умолчанию Re: 0 дБ ООС

    Цитата Сообщение от SashaNetrusov Посмотреть сообщение
    Кажется мне что там ПОС ... Это так задумано?...
    Наверно, таки да...

    Добавлено через 1 минуту
    Цитата Сообщение от SashaNetrusov Посмотреть сообщение
    Для полной компенсации нелинейности выходников надо ближе к 1 подтягивать.....
    Это при отсутствии ООС, или при ее наличии?

    В общем, здесь ты, похоже, прав...
    Последний раз редактировалось Hennady; 15.07.2008 в 16:42. Причина: Добавлено сообщение

  18. #117
    Регистрация не подтверждена
    Регистрация
    23.06.2008
    Адрес
    Москва
    Сообщений
    1,791

    По умолчанию Re: 0 дБ ООС

    Цитата Сообщение от Анатоль Посмотреть сообщение
    А R29 правильно в интеграторе подключен?
    R29 подключен правильно, а вот С7 должен быть подключен ко 2-му выводу микросхемы. Прошу прощения за ошибку.

    Добавлено через 2 минуты
    Цитата Сообщение от Hennady Посмотреть сообщение
    У кого? у Shurikа? Я у него увидел включение VT17/VT18 - дальше смотреть не стал - неинтересно...
    Скажите об этом Д. Андронникову
    Последний раз редактировалось Shurik; 15.07.2008 в 22:22. Причина: Добавлено сообщение

  19. #118
    Регистрация не подтверждена Аватар для Alex Nikitin
    Регистрация
    03.01.2005
    Адрес
    London UK
    Сообщений
    4,388

    По умолчанию Re: 0 дБ ООС

    Цитата Сообщение от Shurik Посмотреть сообщение
    R29 подключен правильно, а вот С7 должен быть подключен ко 2-му выводу микросхемы. Прошу прощения за ошибку.
    Там не только эта ошибка . ОР1 в таком включении создаёт положительную обратную связь по постоянному току... .

    Алексей

  20. #119
    Регистрация не подтверждена
    Регистрация
    23.06.2008
    Адрес
    Москва
    Сообщений
    1,791

    По умолчанию Re: 0 дБ ООС

    Цитата Сообщение от Alex Nikitin Посмотреть сообщение
    ОР1 в таком включении создаёт положительную обратную связь по постоянному току... .
    Меняем инвертирующий и неинвертирующий входы микросхемы, этого достаточно? Алексей, какие еще грабли в схеме? Давайте доведем до окончательного монтажа на п/плату, если Вы согласны.
    С уважением, Шурик.

  21. #120
    Завсегдатай
    Регистрация
    14.12.2007
    Адрес
    из преисподнии
    Возраст
    55
    Сообщений
    5,728

    По умолчанию Re: 0 дБ ООС

    Цитата Сообщение от Shurik Посмотреть сообщение
    ....Скажите об этом Д. Андронникову
    "и на старуху бывает проруха"

    Дифференциальное сопротивление цепи смещения обратно пропорционально значению коэффициента передачи по току транзистора включенного по схеме с общим эмиттером.
    Если схема усилителя требует пониженного дифференциального сопротивления источника смещения, можно использовать модификацию схемы умножения напряжения база-эмиттер на составном транзисторе по схеме Шиклаи...
    То, что предлагает Андронников - это недоделанная схема , хотя при этом она и включена по схеме, аналогичной схеме умножения напряжения база-эмиттер, но такое включение необходимо в случае, если необходимо изменять напряжение смещения при изменении входного сигнала, для этого с выхода усилителя подается сигнал соответствующим образом, такой Non switching получается ...
    В приведенной(недоделанной ) схеме, как ты говоришь схеме Андронникова, напряжение смещения "вырождается" фактически в обычный потенциометр ....

Страница 6 из 8 Первая ... 45678 Последняя

Социальные закладки

Социальные закладки

Ваши права

  • Вы не можете создавать новые темы
  • Вы не можете отвечать в темах
  • Вы не можете прикреплять вложения
  • Вы не можете редактировать свои сообщения
  •