Страница 52 из 63 Первая ... 42505152535462 ... Последняя
Показано с 1,021 по 1,040 из 1254

Тема: Предусилитель для динамических капсюлей с чувствительностью менее 1мВ

  1. #1 Показать/скрыть первое сообщение.
    Завсегдатай
    Автор темы
    Аватар для Schertler
    Регистрация
    06.04.2012
    Адрес
    Тбилиси, Грузия
    Сообщений
    1,029

    По умолчанию Предусилитель для динамических капсюлей с чувствительностью менее 1мВ

    Здравствуйте!

    В предыдущей теме я обратился к Вам за информацией про динамические капсюли от наушников, которые отлично могут служить во внутренней пикап-системе для акустической гитары.... нужно лишь усилить чувствительность, которая где-то в районе до 1 мВ !!

    Пожалуйста, подскажите и/или прокоментируйте варианты схем, которые я сам тоже буду предлагать.
    На этот момент, для подобной ситуации с мини-габаритным, низко-вольтажным предусилителем для динамических головок чаще всего раасматривается предусилитель с общим эмиттером, который по всем параметрам идеально подходит для этой задачи.

    Вот базовые варианты схем:

    Нажмите на изображение для увеличения. 

Название:	One Transistor 3V preamp _ 2.jpg 
Просмотров:	5015 
Размер:	41.9 Кб 
ID:	321821 Нажмите на изображение для увеличения. 

Название:	Very_Low_Noise_Dynamic_Mic_Preamp.JPG 
Просмотров:	5147 
Размер:	13.3 Кб 
ID:	321822

    Полезен будет каждый конкретный случай с подобной задачей.......

    Всем спасибо за участие и поддержку!

  2. #1021
    Завсегдатай
    Регистрация
    21.01.2004
    Адрес
    Москва
    Возраст
    67
    Сообщений
    3,607

    По умолчанию Re: Предусилитель для динамических капсюлей с чувствительностью менее 1мВ

    В том капсюле, который разбирал я, транзистор нормальный по размерам, чуть меньше обычного BC557.
    У больших капсюлей проблемы с ВЧ. А для телефонов выпускали капсюли с толстой мембраной и большим зазором. Ничего хорошего.
    В Панасониках 1996+ годов выпуска стояли обычные 10мм электретные капсюли.

  3. #1022
    Завсегдатай
    Автор темы
    Аватар для Schertler
    Регистрация
    06.04.2012
    Адрес
    Тбилиси, Грузия
    Сообщений
    1,029

    По умолчанию Re: Предусилитель для динамических капсюлей с чувствительностью менее 1мВ

    К513

    Раньше не видел этот дата-лист...... на выходе стоит резистор 1 мОм.

  4. #1023
    Завсегдатай
    Регистрация
    21.01.2004
    Адрес
    Москва
    Возраст
    67
    Сообщений
    3,607

    По умолчанию Re: Предусилитель для динамических капсюлей с чувствительностью менее 1мВ

    Ничего там на выходе не стоит.
    Это схема подключения для измерения параметров. Резистор 1 МОм внешний.

  5. #1024
    Завсегдатай
    Автор темы
    Аватар для Schertler
    Регистрация
    06.04.2012
    Адрес
    Тбилиси, Грузия
    Сообщений
    1,029

    По умолчанию Re: Предусилитель для динамических капсюлей с чувствительностью менее 1мВ

    Думаю обрадую вас, заменил К513 на 2SK1109 и что получилось ?? да, прямая замена возможна, НО, К513 побил 2SK1109 и по шумам и по чувствительности... сравнить было не сложно так как у меня есть второй МКЭ-5 - подключал то один то второй с 2SK1109................

    Буду сейчас обратно устанавливать его обратно в микрофон!

    Вот такой результат......

  6. #1025
    Завсегдатай
    Регистрация
    21.01.2004
    Адрес
    Москва
    Возраст
    67
    Сообщений
    3,607

    По умолчанию Re: Предусилитель для динамических капсюлей с чувствительностью менее 1мВ

    Это очень странно.
    У меня с точностью до наоборот.
    Нарисуй схему, как менял.

  7. #1026
    Завсегдатай
    Автор темы
    Аватар для Schertler
    Регистрация
    06.04.2012
    Адрес
    Тбилиси, Грузия
    Сообщений
    1,029

    По умолчанию Re: Предусилитель для динамических капсюлей с чувствительностью менее 1мВ

    У вас транзистор 2SK596, а у меня 2SK1109.......... может в этом разница?!

    Никакой схемы, точно как К513 в МКЭ-5 - на Исток Минус 3В, на Затвор сигнал от капсюля, и Сток на Общий с корпусом от капсуля.....

  8. #1027
    Завсегдатай
    Регистрация
    21.01.2004
    Адрес
    Москва
    Возраст
    67
    Сообщений
    3,607

    По умолчанию Re: Предусилитель для динамических капсюлей с чувствительностью менее 1мВ

    А где нагоузочный резистор???
    И 2sk596 и 2sk1109 из одной бочки. Корпуса только разные.

  9. #1028
    Завсегдатай
    Автор темы
    Аватар для Schertler
    Регистрация
    06.04.2012
    Адрес
    Тбилиси, Грузия
    Сообщений
    1,029

    По умолчанию Re: Предусилитель для динамических капсюлей с чувствительностью менее 1мВ

    Приношу свои извинения, оказывается батарейка CR2, которую я ещё не покупал новую, была причиной кажущегося низкого сигнала...... сигнал не понижался, а шум в принципе такой же...... финальный вердикт после проверки с новой батарейкой......
    Хочу спросить про разницу сопротивлении с К513 и 2SK1109, с родным К513 тестер показывает разные сопротивления взависимости от полюсов щупа тестера - 3,8 кОм и 10,2 кОм, а с 2SK1109 - 1,1 кОм без изменении........... : как это можно объяснить с точки зрения влияния на выходной сигнал ??

    Нажмите на изображение для увеличения. 

Название:	МКЭ-5 _ Transformerless.png 
Просмотров:	1090 
Размер:	10.2 Кб 
ID:	343703


    А может переделать под обычный минусовой общий ? Ну и "впаять" фантом в сам пред ??
    Какую схему вы рекомендуйте для такого подключения МКЭ-5 с ПТ 2SK1109 ??

    ---------- Сообщение добавлено 04.04.2019 в 01:59 ---------- Предыдущее сообщение было 03.04.2019 в 23:26 ----------

    Этот вариант будет с такими номиналами работать??

    Нажмите на изображение для увеличения. 

Название:	MKE-5 modification.PNG 
Просмотров:	150 
Размер:	22.2 Кб 
ID:	343721

    Особого усиления не требуется, если исключить С1 будет микрофон иметь такое же усиление какое он имеет сейчас по стандартному плюсовому общему типа К513 ??? ну
    Вообще-то этот вариант был вами предложен с К513, может с 2SK1109 даже и резистор 7,5 кОм не нужен ???

  10. #1029
    Завсегдатай
    Регистрация
    21.01.2004
    Адрес
    Москва
    Возраст
    67
    Сообщений
    3,607

    По умолчанию Re: Предусилитель для динамических капсюлей с чувствительностью менее 1мВ

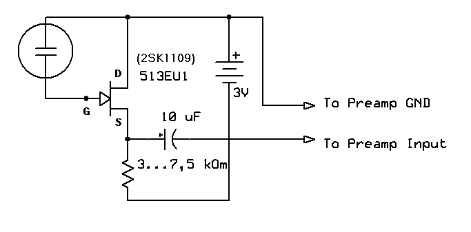
    Это сопротивление не говорит ни о чем. Показывает сопротивление канала ПТ при нулевом напряжении на затворе и неизвестно каким напряжением сток/ исток. Несимметричность сопротивления 513 говорит о том, что напряжения омметра недостаточно для вывода 513 в нормальный режим.
    Схема включения стандартная для любого капсюля. Корпус электрета на исток и на минус (общий). Сток - выход, прямо на вход усилителя с организованным виртуальным питанием.
    Резистор 7к5 и параллельный ему конденсатор не нужны. В моей схеме они стоят только потому, что в МКЭ3 резистор уже стоит внутри экрана, чтобы включить МКЭ3 по схеме с общим истоком нужно или раскурочить капсюль, или обойти резистор конденсатором. Я выбрал второе.
    Последний раз редактировалось Гоша; 04.04.2019 в 00:37.

  11. #1030
    Завсегдатай
    Автор темы
    Аватар для Schertler
    Регистрация
    06.04.2012
    Адрес
    Тбилиси, Грузия
    Сообщений
    1,029

    По умолчанию Re: Предусилитель для динамических капсюлей с чувствительностью менее 1мВ

    Цитата Сообщение от Гоша Посмотреть сообщение
    Это сопротивление не говорит ни о чем. Показывает сопротивление канала ПТ при нулевом напряжении на затворе и неизвестно каким напряжением сток/ исток. Несимметричность сопротивления 513 говорит о том, что напряжения омметра недостаточно для вывода 513 в нормальный режим.
    Схема включения стандартная для любого капсюля. Корпус электрета на исток и на минус (общий). Сток - выход, прямо на вход усилителя с организованным виртуальным питанием.

    А что же делать с резистором между 7,5 кОм Исток-Общий (минус) ??
    По методу Линквитц ещё сказано, что нагрузочный резистор на Сток не нужен ......
    Завтра попробую "пересториться" на минусовой Общий, если получится также, дальше уже сделаю точно фантом ........ батарейка CR2 одна из дорогих, конечно же есть смысл делать фантом.....
    Посоветуйте, пожалуйста про эти резисторы-конденсаторы, впаивать их тоже или не обязательно ??

    Кстати, при распайке те два микро-конденсатора на Сток-Исток 2SK1109 отлетели, может есть смысл новый выковырить если они полезно фильтруют выходной сигнал ???

    ---------- Сообщение добавлено 02:43 ---------- Предыдущее сообщение было 02:35 ----------

    Цитата Сообщение от Гоша Посмотреть сообщение
    Резистор 7к5 и параллельный ему конденсатор не нужны. В моей схеме они стоят только потому, что в МКЭ3 резистор уже стоит внутри экрана, чтобы включить МКЭ3 по схеме с общим истоком нужно или раскурочить капсюль, или обойти резистор конденсатором. Я выбрал второе.

    Понятно и приятно! Нужно просто перевернуть 2SK1109 маркировкой вверх и так соединить его Сток-Исток, остальное не трогаем, то есть нагрузочный резистор остаётся......

    Допустим, делать фантом +9 Вольт и увеличть нагрузочный резистор до 10 кОм, есть в этом какой-либо смысл с точки зрения больше напряжение - меньше искажение !??


    Нажмите на изображение для увеличения. 

Название:	MKE-5 modification.PNG 
Просмотров:	151 
Размер:	22.0 Кб 
ID:	343731


    Общий вопрос про такое перестроение МКЭ-5 с плюсового на минусовой общий ....... : чем отрицательным может это изменить параметры МКЭ-5 ?? честно говоря, улучшения мне не нужно, главное потерь чтоб не было.......

    ---------- Сообщение добавлено 07:43 ---------- Предыдущее сообщение было 02:43 ----------

    Актуальный вопрос про фантомные 3-5 Вольт........
    Мы вывели отдельную линию-фильтр для фантома микрофона (резистор-конденсатор с начального питания 15 В), разве это так необходимо ?
    Я хочу исключить индикатор и тумблер и прямо подсоединить фантом на вход первого канала от МКЭ-5......
    Что не так будет работать, если фантомное питание (резистор 22 кОм и нагрузочный резистор) мы непосредственно возьмём с питания первого каскада (красная чёрточка на схеме) ? в таком случае отпадает и фильтр для фантома.......

    Нажмите на изображение для увеличения. 

Название:	Preamp_modification.JPG 
Просмотров:	155 
Размер:	69.5 Кб 
ID:	343741

    При замкнутом входе у нас получается КЗ, кажется! Может нужно для этого просто снять шунт на этом канале ? или нужно диоды поставить ?
    Фантомное питание везде рассматривается только для XLR входов ......
    Последний раз редактировалось Schertler; 04.04.2019 в 06:07.

  12. #1031
    Завсегдатай
    Регистрация
    21.01.2004
    Адрес
    Москва
    Возраст
    67
    Сообщений
    3,607

    По умолчанию Re: Предусилитель для динамических капсюлей с чувствительностью менее 1мВ

    Цитата Сообщение от Schertler Посмотреть сообщение
    Допустим, делать фантом +9 Вольт и увеличть нагрузочный резистор до 10 кОм, есть в этом какой-либо смысл с точки зрения больше напряжение - меньше искажение !??
    Не совсем. Имеется оптимум, судя по даташиту он на 5 В.

    Цитата Сообщение от Schertler Посмотреть сообщение
    чем отрицательным может это изменить параметры МКЭ-5 ??
    Ничем.

    Цитата Сообщение от Schertler Посмотреть сообщение
    фантомное питание (резистор 22 кОм и нагрузочный резистор) мы непосредственно возьмём с питания первого каскада (красная чёрточка на схеме) ? в таком случае отпадает и фильтр для фантома......
    Можно и так, но фильтр R39 C38 не отпадет, это не хвост, он обязателен.
    Только соединение правых по схеме выводов резисторов R39 и R38 надо убрать.

    Цитата Сообщение от Schertler Посмотреть сообщение
    При замкнутом входе у нас получается КЗ, кажется!
    Ну, есть простой способ борьбы с "кажется"
    Если закоротить вход, то по закоротке потечет ток аж 625 мкА. А если не закорачивать - 500 мкА. Все нормально, так и должно быть.

    Цитата Сообщение от Schertler Посмотреть сообщение
    Фантомное питание везде рассматривается только для XLR входов
    XLR это просто марка разъема. Никакого отношения к фантомному питанию не имеет. А рассматривают везде потому, что это промышленный стандарт.
    Вот разрабатывал бы ты серийное изделие для профессионального применения, то в техническом задании было бы написано - входные и выходные разъемы типа XLR, никаких джеков.
    Для собственного использования можешь поставить любой разъем, первый попавшийся под руку. Хоть сетевую розетку. И запустить туда фантомы и прочие привидения.
    Цитата Сообщение от Schertler Посмотреть сообщение
    Нужно просто перевернуть 2SK1109 маркировкой вверх и так соединить его Сток-Исток, остальное не трогаем, то есть нагрузочный резистор остаётся.
    Я таки не понял, кто на ком стоял. Что переворачиваем, слева-направо или сверху-вниз???
    Есть схема электрическая принципиальная, все соединения должны быть в строгом соответствии с ней.
    Если схемы нет - сначала рисуем схему, анализируем ее работу, потом паяем.

  13. #1032
    Завсегдатай
    Автор темы
    Аватар для Schertler
    Регистрация
    06.04.2012
    Адрес
    Тбилиси, Грузия
    Сообщений
    1,029

    По умолчанию Re: Предусилитель для динамических капсюлей с чувствительностью менее 1мВ

    Ох спасибо, успокоили про КЗ на входе, а то я решил что тупик.........

    Пока всё понятно, остался вопрос про двойку конлденсаторов SMD что стояли между Сток-Исток 2SK1109 и которые отлетели во время распайки, может есть смысл новый выковырить если они полезно фильтруют выходной сигнал ???

  14. #1033
    Завсегдатай
    Регистрация
    21.01.2004
    Адрес
    Москва
    Возраст
    67
    Сообщений
    3,607

    По умолчанию Re: Предусилитель для динамических капсюлей с чувствительностью менее 1мВ

    Ничего особо полезного они там не делают.
    Если так уж хочешь соблюсти даташитную схему включения, поставь вместо них один конденсатор на 39...51 пФ.
    Я никогда не ставлю эти конденсаторы. Баловство это.

  15. #1034
    Завсегдатай
    Автор темы
    Аватар для Schertler
    Регистрация
    06.04.2012
    Адрес
    Тбилиси, Грузия
    Сообщений
    1,029

    По умолчанию Re: Предусилитель для динамических капсюлей с чувствительностью менее 1мВ

    Стараясь понять параметр "переносимости" звукового давления SPL электретного микрофона, то после вскрытия нескольких капсюлей и обнаружения там тонкой пластины диафрагмы, я решил, что уровень этого параметра SPL модет зависеть от толщины и/или плотности материала диафрагмы..... это так ??

  16. #1035
    Завсегдатай
    Регистрация
    21.01.2004
    Адрес
    Москва
    Возраст
    67
    Сообщений
    3,607

    По умолчанию Re: Предусилитель для динамических капсюлей с чувствительностью менее 1мВ

    И не только.
    Зависит от степени натяжения диафрагмы - она там натянута достаточно сильно, чтобы увести частоту механического резонанса выше 20 кГц, чем сильнее натянута диафрагма - тем больше SPL (но меньше чувствительность).
    От толщины изолирующей шайбы - чем толще шайба, тем больше SPL (но меньше чувствительность).
    От режима работы ПТ тоже зависит, но слабее.
    И вообще, конденсаторный микрофон - штука нежная, хрюкать в него без ветрозащиты или поп-фильтра не рекомендуется.

  17. #1036
    Завсегдатай
    Автор темы
    Аватар для Schertler
    Регистрация
    06.04.2012
    Адрес
    Тбилиси, Грузия
    Сообщений
    1,029

    По умолчанию Re: Предусилитель для динамических капсюлей с чувствительностью менее 1мВ

    Всё это очень интересно и полезно.....
    Если и хрюкать или свистеть или ещё что-то, то это на расстоянии лучше делать.....
    Я попробовал на том копеечном капсюле что мне понравился, добавить тонкий фильтр из полиуретана и помогло полностью с грохотами от вибрации капсюля, то есть из этого капсюля точно может получиться очень хороший микрофон......
    Сейчас сделаю из положительного МКЭ-5 отрицательный и поделюсь результатом. Хорошо что можно сэкономить и на батарейке и на общем весе инструмента исключив CR2 со своим резервуаром - никаких внутренних проводов в гитаре! .......

  18. #1037
    Завсегдатай
    Регистрация
    21.01.2004
    Адрес
    Москва
    Возраст
    67
    Сообщений
    3,607

    По умолчанию Re: Предусилитель для динамических капсюлей с чувствительностью менее 1мВ

    Цитата Сообщение от Schertler Посмотреть сообщение
    добавить тонкий фильтр из полиуретана и помогло полностью с грохотами от вибрации капсюля
    Так это и есть простейшая ветрозащита и поп-фильтр в одном флаконе.

  19. #1038
    Завсегдатай
    Автор темы
    Аватар для Schertler
    Регистрация
    06.04.2012
    Адрес
    Тбилиси, Грузия
    Сообщений
    1,029

    По умолчанию Re: Предусилитель для динамических капсюлей с чувствительностью менее 1мВ

    МКЭ-5 с минусовым общим готов, всё работает по стандартной схеме, нагрузочный резистор 2,2 кОм, питание 3 В.
    Однако, копеечный тот самый капсюль который был донором 2SK1109 для МКЭ-5 шумит где-то вдвое меньше, Октава по шумам проигрывает копеечному, но качество звучания у Октава вдвое+ лучше, хотя и копеечный не плох......... правда, я оба микрофона тестировал прямо в комбик на вход 10 мОм от TL072, в моём преде должен меньше шуметь......
    Октава звучит 1) красиво, т.е. естественно, 2) не бубнит, 3) не искажает, 4) менее подвержен завязке
    Можно что-то сделать с шумом МКЭ-5, или это уже не лечится ??

    Итак, я переверну и второй микрофон МКЭ-5 и потом встрою фантом, на том и завершу эту систему и установлю всё в инструмент, наконец!

  20. #1039
    Завсегдатай
    Регистрация
    21.01.2004
    Адрес
    Москва
    Возраст
    67
    Сообщений
    3,607

    По умолчанию Re: Предусилитель для динамических капсюлей с чувствительностью менее 1мВ

    Какой транзистор стоит сейчас в Октаве?

  21. #1040
    Завсегдатай
    Автор темы
    Аватар для Schertler
    Регистрация
    06.04.2012
    Адрес
    Тбилиси, Грузия
    Сообщений
    1,029

    По умолчанию Re: Предусилитель для динамических капсюлей с чувствительностью менее 1мВ

    Цитата Сообщение от Гоша Посмотреть сообщение
    Какой транзистор стоит сейчас в Октаве?
    Стоял К513УЕ1А, теперь оба МКЭ-5 у меня с минусовым общим на ПТ 2SK1109.......... при разборке второго микрофона К513 рассыпался как порошок, а корпус весь был ржавый - точно хранился в сырости!
    Не знаю как могла влиять ржавчина на второй микрофон, но теперь и он кажется "выпрямился" на СЧ, раньше очень противно звучал, а сейчас нет!
    Шумы терпимы потому как я проверяю их на максимуме ВЧ .......
    Хочу спросить про нынешнее сопротивление МКЭ-5, оба микрофона теперь симметрично показывают сопротивление, ОДНАКО, первый показывает 1,1 кОм, а второй 0,7 кОм ...... это нужно понимать как выходное сопротивление у МКЭ-5, или это только по постоянному току считается ?

    И, раз я вынужден полностью разбирать завершённый пред, должен вот что уточнить.... при замкнутых каналах, первый (электретный) канал на максимуме Уровня и ВЧ "сипит" чуточку а второй (динамический) канал приблизительно вдвое больше......... Вопрос: должно ли это быть по причине старого керамического конденсатора который я вам ранье уже показывал? ИЛИ, это просто разница шумности транзисторов КТ3102 и КТ3107, которые тоже не все одинаковые и идеальные ?? В остальном первые каскады абсолютно идентичны по компонентам........ может ли этот конденсатор быть причиной разницы в шуме ? я всё равно его заменю, просто интересно знать больше про такие конденсаторы......

    Нажмите на изображение для увеличения. 

Название:	Input II noise.jpg 
Просмотров:	116 
Размер:	71.6 Кб 
ID:	343810

Страница 52 из 63 Первая ... 42505152535462 ... Последняя

Социальные закладки

Социальные закладки

Ваши права

  • Вы не можете создавать новые темы
  • Вы не можете отвечать в темах
  • Вы не можете прикреплять вложения
  • Вы не можете редактировать свои сообщения
  •