Страница 41 из 98 Первая ... 31394041424351 ... Последняя
Показано с 801 по 820 из 1945

Тема: 500-700W Сетевой импульсник

  1. #1 Показать/скрыть первое сообщение.
    Частый гость
    Автор темы

    Регистрация
    01.03.2006
    Адрес
    Литва, Вильнюс
    Возраст
    41
    Сообщений
    175

    По умолчанию 500-700W Сетевой импульсник

    Давно почитываю сей форум, и вот надумал слепить собственный импульсник для усилов. Это полумостовая стабилизированная схема на LM5030 и IR2110, есть ограничения по току, мягкий запуск. Надо еще допроектировать обратную связь и посчитать трансформатор.
    Жду общих коментариев по топологии.
    Миниатюры Миниатюры Нажмите на изображение для увеличения. 

Название:	offline_psu_big2.GIF 
Просмотров:	31550 
Размер:	33.0 Кб 
ID:	15589  

  2. #801
    Новичок
    Регистрация
    13.01.2009
    Адрес
    г.Омск
    Сообщений
    25

    По умолчанию Re: 500-700W Сетевой импульсник

    Цитата Сообщение от SAB 2 Посмотреть сообщение
    а когда нагрузку подключал, диоды отцеплял?
    нет.

  3. #802
    Старый знакомый Аватар для eclipsevl
    Регистрация
    31.01.2009
    Адрес
    Гаага
    Возраст
    31
    Сообщений
    514

    По умолчанию Re: 500-700W Сетевой импульсник

    Сделал плату, напаял выпрямитель, софтстарт и обвязку ШИМ контроллера, вместо транзисторов - резистор на 100к для разряда кондеров. Покачто проверил Софтстарт, т.к. микрухи еще не приехали с Москвы. Напряжение для запуска микрух - 9.5В. По приезду микрух соберу шим и драйвер, а далее вопрос - трансформатор сразу не ставят, сначала тестируют на резисторе. Вопрос по этому "заменителю" обмотки трансформатора - какой ставить, номинал ?
    Миниатюры Миниатюры Нажмите на изображение для увеличения. 

Название:	P2240423.JPG 
Просмотров:	557 
Размер:	173.2 Кб 
ID:	46580   Нажмите на изображение для увеличения. 

Название:	P2240424.JPG 
Просмотров:	510 
Размер:	161.2 Кб 
ID:	46581  

  4. #803
    Частый гость Аватар для jn79
    Регистрация
    24.04.2006
    Адрес
    Омская обл.
    Сообщений
    209

    По умолчанию Re: 500-700W Сетевой импульсник

    http://interlavka.narod.ru/nabor/im/prset06.JPG кто нибудь повторял ?
    трансформатор какой и сколько витков ?

  5. #804
    Завсегдатай
    Регистрация
    20.02.2007
    Адрес
    Россия, Пермь
    Возраст
    41
    Сообщений
    1,274

    По умолчанию Re: 500-700W Сетевой импульсник

    Доброго времени суток всем. Подскажите какие конденсаторы можно использовать для полумоста за место второй пары ключей? По расчётам емкость должна быть в пределах 2,2-3,3мкф. Напряжение не ниже 200в. Есть такие кандидаты: китайский нонаме MPE 250v 2.2u, К73-17-250-2,2мкф, эпкосовский MKT 250v 1.5u (два в параллель). А у Марти Брауна вообще эти кондеры полряными обозначены, но электрлиты такого номинала совсем маленькие и дохленькие по RC. Что ставить-то?

  6. #805
    Старый знакомый Аватар для strannicmd
    Регистрация
    28.04.2006
    Адрес
    Modena (I)
    Возраст
    62
    Сообщений
    903

    По умолчанию Re: 500-700W Сетевой импульсник

    Цитата Сообщение от _jn79 Посмотреть сообщение
    кто нибудь повторял ?
    http://forum.radiospec.ru/index.php?showtopic=5879

  7. #806
    Регистрация не подтверждена Аватар для witali
    Регистрация
    21.02.2005
    Адрес
    Владимир
    Возраст
    49
    Сообщений
    880

    По умолчанию Re: 500-700W Сетевой импульсник

    Цитата Сообщение от Niroborn Посмотреть сообщение
    Доброго времени суток всем. Подскажите какие конденсаторы можно использовать для полумоста за место второй пары ключей? По расчётам емкость должна быть в пределах 2,2-3,3мкф. Напряжение не ниже 200в. Есть такие кандидаты: китайский нонаме MPE 250v 2.2u, К73-17-250-2,2мкф, эпкосовский MKT 250v 1.5u (два в параллель). А у Марти Брауна вообще эти кондеры полряными обозначены, но электрлиты такого номинала совсем маленькие и дохленькие по RC. Что ставить-то?
    Ставил MKT 3,3 мк, нормально, но не советую ставить расчитанные на 200-250 в, прикинь какое напряжение на них будет?

  8. #807
    Завсегдатай Аватар для SAB 2
    Регистрация
    15.12.2008
    Адрес
    Арзамас
    Возраст
    42
    Сообщений
    1,412

    По умолчанию Re: 500-700W Сетевой импульсник

    Niroborn, для полумоста используют как раз делитель из электролитов 200В от 220 до 680 мкф. Этим убивают 2х зайцев-фильтрация питания и собственно делитель.
    DYK DAC v1.1; УМЗЧ "STALKER", "ПараФинн"; акустика - проф НЧ "MARK" DO82C18; СЧ 6ГДШ-5-8; ВЧ "НОЭМА" 25NH-03-8.

  9. #808
    Завсегдатай
    Регистрация
    20.02.2007
    Адрес
    Россия, Пермь
    Возраст
    41
    Сообщений
    1,274

    По умолчанию Re: 500-700W Сетевой импульсник

    Цитата Сообщение от witali Посмотреть сообщение
    Ставил MKT 3,3 мк, нормально, но не советую ставить расчитанные на 200-250 в, прикинь какое напряжение на них будет?
    Судя по расчётам напряжение на них не должно превышать 125-175в*Кпульсаций. Судя по симулятору с выбранными компонентами и соответствующими паразитными элементами пульсации будут не более 10%. Соответственно не более 200в. Конденсаторы MKT от эпкоса с номиналом 250в держат переменное напряжение не более 160в. Значит 250 вольт не подходит. Тогда кандидаты такие: CL21 400v 1u (2-3 в параллель) или К73-17-400в-1мкф. Пойдёт?

    П.С. Вот собрался полумост делать. Веселье обеспечено

    Добавлено через 12 минут
    Цитата Сообщение от SAB 2 Посмотреть сообщение
    Niroborn, для полумоста используют как раз делитель из электролитов 200В от 220 до 680 мкф. Этим убивают 2х зайцев-фильтрация питания и собственно делитель.
    Решил так не делать. У меня конденсаторы фильтрующие на 400в, поэтому мне их жалко последовательно ставить.
    Последний раз редактировалось Niroborn; 25.02.2009 в 12:12. Причина: Добавлено сообщение

  10. #809
    Завсегдатай Аватар для SAB 2
    Регистрация
    15.12.2008
    Адрес
    Арзамас
    Возраст
    42
    Сообщений
    1,412

    По умолчанию Re: 500-700W Сетевой импульсник

    Цитата Сообщение от Niroborn Посмотреть сообщение
    Вот собрался полумост делать. Веселье обеспечено
    А чем собранный мост не нравится? Повторил, и все дела
    Вопрос ко всем ИИП-строителям:Есть какая-нибудь методика или практика расчёта драйверного транса в полумост?
    DYK DAC v1.1; УМЗЧ "STALKER", "ПараФинн"; акустика - проф НЧ "MARK" DO82C18; СЧ 6ГДШ-5-8; ВЧ "НОЭМА" 25NH-03-8.

  11. #810
    Регистрация не подтверждена Аватар для witali
    Регистрация
    21.02.2005
    Адрес
    Владимир
    Возраст
    49
    Сообщений
    880

    По умолчанию Re: 500-700W Сетевой импульсник

    Цитата Сообщение от Niroborn Посмотреть сообщение
    Тогда кандидаты такие: CL21 400v 1u (2-3 в параллель) или К73-17-400в-1мкф. Пойдёт?
    Вполне
    Цитата Сообщение от Niroborn Посмотреть сообщение
    П.С. Вот собрался полумост делать. Веселье обеспечено
    Да после моста это будет попроще
    Цитата Сообщение от Niroborn Посмотреть сообщение
    Решил так не делать. У меня конденсаторы фильтрующие на 400в, поэтому мне их жалко последовательно ставить.


    Добавлено через 1 минуту
    Цитата Сообщение от SAB 2 Посмотреть сообщение
    Вопрос ко всем ИИП-строителям:Есть какая-нибудь методика или практика расчёта драйверного транса в полумост?
    да примерно то же самое что и расчет транса для мостового ИИП
    Последний раз редактировалось witali; 25.02.2009 в 16:05. Причина: Добавлено сообщение

  12. #811
    Завсегдатай Аватар для SAB 2
    Регистрация
    15.12.2008
    Адрес
    Арзамас
    Возраст
    42
    Сообщений
    1,412

    По умолчанию Re: 500-700W Сетевой импульсник

    Цитата Сообщение от witali Посмотреть сообщение
    да примерно то же самое что и расчет транса для мостового ИИП
    Прога отказывается считать такую малую мощность. А если ЗГ выполнен на 494, тогда с отводом от середины?
    DYK DAC v1.1; УМЗЧ "STALKER", "ПараФинн"; акустика - проф НЧ "MARK" DO82C18; СЧ 6ГДШ-5-8; ВЧ "НОЭМА" 25NH-03-8.

  13. #812
    Регистрация не подтверждена Аватар для witali
    Регистрация
    21.02.2005
    Адрес
    Владимир
    Возраст
    49
    Сообщений
    880

    По умолчанию Re: 500-700W Сетевой импульсник

    Цитата Сообщение от SAB 2 Посмотреть сообщение
    Прога отказывается считать такую малую мощность. А если ЗГ выполнен на 494, тогда с отводом от середины?
    у меня считала, на 494 тоже можно сделать мостовое включение

  14. #813
    Завсегдатай Аватар для SAB 2
    Регистрация
    15.12.2008
    Адрес
    Арзамас
    Возраст
    42
    Сообщений
    1,412

    По умолчанию Re: 500-700W Сетевой импульсник

    Цитата Сообщение от witali Посмотреть сообщение
    у меня считала, на 494 тоже можно сделать мостовое включение
    А какая прога? У меня трансформер 3. На 494 хочу полумость сделать ватт на 600. Думаю драйверный транс напрямую от микрухи запитать, по первичке конечно. Полевики 740.
    DYK DAC v1.1; УМЗЧ "STALKER", "ПараФинн"; акустика - проф НЧ "MARK" DO82C18; СЧ 6ГДШ-5-8; ВЧ "НОЭМА" 25NH-03-8.

  15. #814
    Регистрация не подтверждена Аватар для witali
    Регистрация
    21.02.2005
    Адрес
    Владимир
    Возраст
    49
    Сообщений
    880

    По умолчанию Re: 500-700W Сетевой импульсник

    Цитата Сообщение от SAB 2 Посмотреть сообщение
    Думаю драйверный транс напрямую от микрухи запитать, по первичке конечно. Полевики 740.
    лучше транзисторы умощняющие добавить

  16. #815
    Завсегдатай Аватар для SAB 2
    Регистрация
    15.12.2008
    Адрес
    Арзамас
    Возраст
    42
    Сообщений
    1,412

    По умолчанию Re: 500-700W Сетевой импульсник

    Цитата Сообщение от witali Посмотреть сообщение
    лучше транзисторы умощняющие добавить
    Для заряда-разряда, или только разряда? Когда разбирался с схемотехникой комповых БП, обнаружил, что у транзисторов промежуточного каскада ток коллектора ограничен на 20мА, а транзюки ИМС держат до 200мА. Но по напряжению проигрывают из-за индуктивных выбросов на разделительном трансе. Может из-за этого редко подключают напрямую к микрухе? Так можно питание меньше взять, а драйверный транс повысит импульсы, всёже попроще получиться, как вы думаете?
    DYK DAC v1.1; УМЗЧ "STALKER", "ПараФинн"; акустика - проф НЧ "MARK" DO82C18; СЧ 6ГДШ-5-8; ВЧ "НОЭМА" 25NH-03-8.

  17. #816
    Регистрация не подтверждена Аватар для witali
    Регистрация
    21.02.2005
    Адрес
    Владимир
    Возраст
    49
    Сообщений
    880

    По умолчанию Re: 500-700W Сетевой импульсник

    Цитата Сообщение от SAB 2 Посмотреть сообщение
    а транзюки ИМС держат до 200мА.
    Ну зачем насиловать микру? подключить на выход ту же пару 807-817 + BAV99 и будет счастье

  18. #817
    Завсегдатай Аватар для SAB 2
    Регистрация
    15.12.2008
    Адрес
    Арзамас
    Возраст
    42
    Сообщений
    1,412

    По умолчанию Re: 500-700W Сетевой импульсник

    Подскажите, какой драйвер применить после транса? Примерно, как в UcD? Только без резика К-Б транзистора? Как Niroborn использовал, не могу(полевиков слабеньких нет у нас).
    DYK DAC v1.1; УМЗЧ "STALKER", "ПараФинн"; акустика - проф НЧ "MARK" DO82C18; СЧ 6ГДШ-5-8; ВЧ "НОЭМА" 25NH-03-8.

  19. #818
    Регистрация не подтверждена Аватар для witali
    Регистрация
    21.02.2005
    Адрес
    Владимир
    Возраст
    49
    Сообщений
    880

    По умолчанию Re: 500-700W Сетевой импульсник

    Цитата Сообщение от SAB 2 Посмотреть сообщение
    Подскажите, какой драйвер применить после транса? Примерно, как в UcD? Только без резика К-Б транзистора? Как Niroborn использовал, не могу(полевиков слабеньких нет у нас).
    я выкладывал схему Кольта

  20. #819
    Завсегдатай Аватар для SAB 2
    Регистрация
    15.12.2008
    Адрес
    Арзамас
    Возраст
    42
    Сообщений
    1,412

    По умолчанию Re: 500-700W Сетевой импульсник

    Цитата Сообщение от witali Посмотреть сообщение
    я выкладывал схему Кольта
    Я её видел, только меня в заблуждение ввели 2 параллельных резика на 4,7 Ом к затвору. Смысл ставить его, если затвор заряжается и разряжается через него. Вот если его перенести к обмотке, то эффект будет, но это уже как в UcD почти. Запутался
    DYK DAC v1.1; УМЗЧ "STALKER", "ПараФинн"; акустика - проф НЧ "MARK" DO82C18; СЧ 6ГДШ-5-8; ВЧ "НОЭМА" 25NH-03-8.

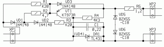
  21. #820
    Завсегдатай Аватар для Станислафф
    Регистрация
    18.10.2007
    Адрес
    Тольятти
    Возраст
    47
    Сообщений
    1,661

    По умолчанию Re: 500-700W Сетевой импульсник

    Драйвер Мультика

    Модифицированный трансформаторный драйвер силовых ключей с отрицательным смещением на затворе управляемого транзистора.
    Создан на базе различных драйверов по результатам обсуждения в теме "Драйвера". Устранён недостаток предыдущего драйвера, заключающийся в превышении допустимой величины обратного напряжения на переходе база-эмиттер биполярного транзистора при включении. Уменьшено количество деталей, при улучшении характеристик выключения транзисторов. Резистор 1 Ом вынесен к затвору после стабилитронов, что при выгорании силовых ключей приводит к сгоранию только этого резистора и сохранению остальной части схемы.

    Вместо DA1 (TL431) может быть установлен стабилитрон (VD4).

    P.S. В отличие от предыдущего драйвера, этот не чувствителен к ёмкости диодов VD1 и VD3.
    Вместо 1N4148, были опробованы диоды SF14 и 1N5819 (VD1, VD3).
    Картинка стала чуть-чуть лучше.
    Оригинал статьи ЗДЕСЬ

    Схема:
    Миниатюры Миниатюры Нажмите на изображение для увеличения. 

Название:	DRESMSCH.gif 
Просмотров:	681 
Размер:	17.9 Кб 
ID:	46700  

Страница 41 из 98 Первая ... 31394041424351 ... Последняя

Социальные закладки

Социальные закладки

Ваши права

  • Вы не можете создавать новые темы
  • Вы не можете отвечать в темах
  • Вы не можете прикреплять вложения
  • Вы не можете редактировать свои сообщения
  •