Страница 41 из 60 Первая ... 31394041424351 ... Последняя
Показано с 801 по 820 из 1186

Тема: Auto. STR.400

  1. #1 Показать/скрыть первое сообщение.
    Старый знакомый
    Автор темы
    Аватар для strannicmd
    Регистрация
    28.04.2006
    Адрес
    Modena (I)
    Возраст
    62
    Сообщений
    903

    По умолчанию

    Вот, нарисовал "римейк" по трудам Норфа. Перешёл на новую элементную базу, также установил самозапуск после перегрузки..
    Может что где упустил, посмотрите.. Какие будут мнения..?
    Миниатюры Миниатюры Нажмите на изображение для увеличения. 

Название:	STR.Auto.400.GIF 
Просмотров:	19181 
Размер:	36.8 Кб 
ID:	18594  
    Последний раз редактировалось Konkere; 05.10.2007 в 02:51.

  2. #801
    Старый знакомый Аватар для Alex_Zhuravlyov
    Регистрация
    26.04.2006
    Адрес
    Украина
    Возраст
    46
    Сообщений
    771

    По умолчанию Re: Auto. STR.400

    Цитата Сообщение от tima_99 Посмотреть сообщение
    А если я так сделаю, норм. будет?

    (защита подкл. через диод)
    если мне не изменяет память, то напряжение на 10 ноге 3525 не должно превышать 5 вольт
    ONtOSbox

  3. #802
    Старый знакомый
    Автор темы
    Аватар для strannicmd
    Регистрация
    28.04.2006
    Адрес
    Modena (I)
    Возраст
    62
    Сообщений
    903

    По умолчанию Re: Auto. STR.400

    Цитата Сообщение от Alex_Zhuravlyov Посмотреть сообщение
    если мне не изменяет память, то напряжение на 10 ноге 3525 не должно превышать 5 вольт
    Насколько я помню, в базу транзистора по шутдауну, стоят два диода на корпус, а значит нужно ограничить лишь ток, хотя помнится таки гдето написано что там должны быть не более 5В...

  4. #803
    Старый знакомый Аватар для Alex_Zhuravlyov
    Регистрация
    26.04.2006
    Адрес
    Украина
    Возраст
    46
    Сообщений
    771

    По умолчанию Re: Auto. STR.400

    ну если считать 10й пин логическим, то тогда вот
    ONtOSbox

  5. #804
    Старый стал, ленивый Аватар для Starichok
    Регистрация
    02.05.2010
    Адрес
    Псков
    Возраст
    74
    Сообщений
    3,293

    По умолчанию Re: Auto. STR.400

    Цитата Сообщение от Alex_Zhuravlyov Посмотреть сообщение
    если мне не изменяет память, то напряжение на 10 ноге 3525 не должно превышать 5 вольт
    изменяет твоя память.
    из даташита:
    Analog Inputs . . . . . . . . . . . . . . . . . . . . . . . . . . . . -0.3V to +VIN

    ---------- Добавлено в 13:55 ---------- Предыдущее сообщение в 13:51 ----------

    на 10 ноге висит резистор 5 кОм, за ним диодная привязка. выше падения на диодной привязки в схему ничего не пролезет.

    ---------- Добавлено в 14:00 ---------- Предыдущее сообщение в 13:55 ----------

    Цитата Сообщение от strannicmd Посмотреть сообщение
    Дело не в транзисторе и его токах, хотя это тоже важно, а в скорости выключения, что-б разрядить ёмкость, нужно некоторое время, а если она будет через резистор подключена, то схема сработает быстрее, так как ёмкость не будет "удерживать" пин от "сброса"..., всё "упадёт" на этом резисторе..
    ага, теперь понял твою идею. коллектор прямо на вход софтстарта, а конденсатор останется за резистором. только резистор надо, допустим не более 1 кОм (50мкА * 1 кОм = 50 мВ), чтобы он не мешал софтстарту. но тогда и не надо создавать большой ток коллектора.

  6. #805
    Старый знакомый
    Автор темы
    Аватар для strannicmd
    Регистрация
    28.04.2006
    Адрес
    Modena (I)
    Возраст
    62
    Сообщений
    903

    По умолчанию Re: Auto. STR.400

    Цитата Сообщение от Starichok Посмотреть сообщение
    ага, теперь понял твою идею. коллектор прямо на вход софтстарта, а конденсатор останется за резистором. только резистор надо, допустим не более 1 кОм (50мкА * 1 кОм = 50 мВ), чтобы он не мешал софтстарту. но тогда и не надо создавать большой ток коллектора.
    ага, это...

  7. #806
    Новичок
    Регистрация
    08.02.2010
    Адрес
    Беларусь=>Минск=>Молодечно
    Возраст
    34
    Сообщений
    32

    По умолчанию Re: Auto. STR.400

    Т.е. идет 8я нога, с нее на защелку и на рез. 1кОм, а с резика на кондер софт старта > земля и тогда ПН будет обрубаться мгновенно, так?

  8. #807
    Старый стал, ленивый Аватар для Starichok
    Регистрация
    02.05.2010
    Адрес
    Псков
    Возраст
    74
    Сообщений
    3,293

    По умолчанию Re: Auto. STR.400

    да, практически мгновенно.
    это странник хочет через резистор кондер включить.
    я бы не стал ставить резистор, а разряжал бы кондер транзистором, при токе коллектора 100-200 мА разряд пройдет за 1-2 мкс, а за это время преобразователю не успеет ничего сделаться.
    и не стал бы ставить защелку на защиту, тогда софт старт после исчезновения перегрузки начнет нормально работать.

  9. #808
    Новичок
    Регистрация
    08.02.2010
    Адрес
    Беларусь=>Минск=>Молодечно
    Возраст
    34
    Сообщений
    32

    По умолчанию Re: Auto. STR.400

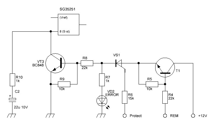
    Вот, посмотрите, скажите что не правильно (датчик тот же)
    Миниатюры Миниатюры Нажмите на изображение для увеличения. 

Название:	схема защиты.JPG 
Просмотров:	622 
Размер:	30.7 Кб 
ID:	96254  

  10. #809
    Старый стал, ленивый Аватар для Starichok
    Регистрация
    02.05.2010
    Адрес
    Псков
    Возраст
    74
    Сообщений
    3,293

    По умолчанию Re: Auto. STR.400

    Цитата Сообщение от tima_99 Посмотреть сообщение
    Вот, посмотрите, скажите что не правильно
    а откуда там у тебя ремоут взялся? последовательно с закрытым тиристором он все равно работать не будет. у тебя же ремоут сначала был правильно нарисован на 10 ногу (шутдаун).
    нагрузка у тиристора должна быть в аноде, а не в катоде. в таком включении тиристор не откроется, да еще к тому же через 15 кОм.

  11. #810
    Новичок
    Регистрация
    08.02.2010
    Адрес
    Беларусь=>Минск=>Молодечно
    Возраст
    34
    Сообщений
    32

    По умолчанию Re: Auto. STR.400

    Рем здесь для сброса защелки, а так он на 10й ноге.

    Цитата Сообщение от Starichok Посмотреть сообщение
    в таком включении тиристор не откроется
    в смысле его нужно перевернуть?

  12. #811
    Старый стал, ленивый Аватар для Starichok
    Регистрация
    02.05.2010
    Адрес
    Псков
    Возраст
    74
    Сообщений
    3,293

    По умолчанию Re: Auto. STR.400

    Цитата Сообщение от tima_99 Посмотреть сообщение
    в смысле его нужно перевернуть?
    нет, переворачивать его нельзя.
    а чего ты уцепился за защелку? я же написал, что я бы не стал делать защелку. подавай напряжение срабатывания защиты просто на транзистор. защита сработала - транзистор открылся и отключил преобразователь.

  13. #812
    Новичок
    Регистрация
    08.02.2010
    Адрес
    Беларусь=>Минск=>Молодечно
    Возраст
    34
    Сообщений
    32

    По умолчанию Re: Auto. STR.400

    защита сработала - транзистор открылся и отключил преобразователь.
    защита будет подавать импульс, пока будет неполадка, а в данном случае это превышене тока в ВК УМ, т.е. импуль то откроет транзистор и 8я нога будет закорочена на землю, ПН отключится, но и ток в ВК перестанет течь и защита не будет выдавать ошибку, закроет транзистор и ПН снова включится и так пока не сгорит что нибудь, или я не прав?

  14. #813
    Новичок
    Регистрация
    02.11.2008
    Адрес
    Кривой Рог
    Сообщений
    9

    По умолчанию Re: Auto. STR.400

    Здравствуйте. У меня при введении стабилизации получается значительный и неравномерный перегрев транзисторов.
    Какую часть посоветуете затормозить конденсатором, до оптопары или после?

  15. #814
    Старый стал, ленивый Аватар для Starichok
    Регистрация
    02.05.2010
    Адрес
    Псков
    Возраст
    74
    Сообщений
    3,293

    По умолчанию Re: Auto. STR.400

    Цитата Сообщение от tima_99 Посмотреть сообщение
    защита будет подавать импульс, пока будет неполадка, а в данном случае это превышене тока в ВК УМ, т.е. импуль то откроет транзистор и 8я нога будет закорочена на землю, ПН отключится, но и ток в ВК перестанет течь и защита не будет выдавать ошибку, закроет транзистор и ПН снова включится и так пока не сгорит что нибудь, или я не прав?
    да, начнет останавливаться и запускаться. но запуск начнется с мягкого старта, поскольку конденсатор будет разряжен. и если праильно настроишь ток защиты, то ничего не сгорит. а наслух ты должен сразу услышать, что начала работать защита.
    а защелку надо делать иначе, на триггере. с тиристором замучаешься налаживать. к тому же срабатывание тиристора будет зависеть от температуры. то есть никакой стабильности работы защиты не получишь.

  16. #815
    Новичок
    Регистрация
    08.02.2010
    Адрес
    Беларусь=>Минск=>Молодечно
    Возраст
    34
    Сообщений
    32

    По умолчанию Re: Auto. STR.400

    Цитата Сообщение от Starichok Посмотреть сообщение
    да, начнет останавливаться и запускаться. но запуск начнется с мягкого старта, поскольку конденсатор будет разряжен. и если праильно настроишь ток защиты, то ничего не сгорит. а наслух ты должен сразу услышать, что начала работать защита.
    Мне нужно что бы отключало, и работала индикация, т.к. возможно буду делать на продажу.

    Цитата Сообщение от Starichok Посмотреть сообщение
    а защелку надо делать иначе, на триггере. с тиристором замучаешься налаживать. к тому же срабатывание тиристора будет зависеть от температуры. то есть никакой стабильности работы защиты не получишь.
    я планирую сделать транзисторный аналог тиристора, просто обозначил так на скорую руку, да и там же будет не малое напряжение с датчика тока.

  17. #816
    Старый стал, ленивый Аватар для Starichok
    Регистрация
    02.05.2010
    Адрес
    Псков
    Возраст
    74
    Сообщений
    3,293

    По умолчанию Re: Auto. STR.400

    Цитата Сообщение от tima_99 Посмотреть сообщение
    я планирую сделать транзисторный аналог тиристора, просто обозначил так на скорую руку
    транзисторный аналог тиристора тоже является разновидностью триггера. можно делать и так.

  18. #817
    Новичок
    Регистрация
    08.02.2010
    Адрес
    Беларусь=>Минск=>Молодечно
    Возраст
    34
    Сообщений
    32

    По умолчанию Re: Auto. STR.400

    Т.е. такой вариант защиты применить можно?

    А номиналы как?

  19. #818
    Старый стал, ленивый Аватар для Starichok
    Регистрация
    02.05.2010
    Адрес
    Псков
    Возраст
    74
    Сообщений
    3,293

    По умолчанию Re: Auto. STR.400

    Цитата Сообщение от tima_99 Посмотреть сообщение
    Т.е. такой вариант защиты применить можно? А номиналы как?
    можно. а номиналы надо сочинять. надо сначала схему прорисовать. а потом просчитывать номиналы.

  20. #819
    Новичок
    Регистрация
    08.02.2010
    Адрес
    Беларусь=>Минск=>Молодечно
    Возраст
    34
    Сообщений
    32

    По умолчанию Re: Auto. STR.400

    Ок, вечером прорисую до конца.

    А транзисторов на 100мА (ном.) здесь хватит? (во всей схеме)

  21. #820
    Старый стал, ленивый Аватар для Starichok
    Регистрация
    02.05.2010
    Адрес
    Псков
    Возраст
    74
    Сообщений
    3,293

    По умолчанию Re: Auto. STR.400

    хватит

Страница 41 из 60 Первая ... 31394041424351 ... Последняя

Социальные закладки

Социальные закладки

Ваши права

  • Вы не можете создавать новые темы
  • Вы не можете отвечать в темах
  • Вы не можете прикреплять вложения
  • Вы не можете редактировать свои сообщения
  •