Страница 336 из 917 Первая ... 326334335336337338346 ... Последняя
Показано с 6,701 по 6,720 из 18337

Тема: Конденсаторы

  1. #6701
    Новичок
    Регистрация
    27.08.2012
    Сообщений
    51

    По умолчанию Re: Конденсаторы

    Мне вот эти понравились http://www.audiomania.ru/kondensator...cap_kp-sn.html и Solen http://www.partsconnexion.com/capaci..._p_series.html. Eсли сравнивать intertechnik c Mudorf MKP audiophiler то мудорф кажется что здорово "песочат" после них, более жесткая подача и очень такой грубой детализацией . intertechnik очень "холодные" все без прикрас даже немого скучные и какие то размазанные кажутся Solen тоже очень холодное нейтральное звучание очень похоже на Intertehnik audin но есть легкий "песок", ставил к 73-11 после них все тоже самое играют более собранно и заметно ярче . Скажу так все конденсаторы понравились ноMKP Intertechnik Audyn CAP KP-SN самый нейтральный хоть и кажется что уступает по деталям ( навреное из за оловянной пленки ) обьем помещения где проводилась запись не съедают по этому пока выбор пал на них.

    P.S. Mudorf MKP audiophiler очень такой звук мультимедийный все весело с драйвом ))

  2. #6702
    Новичок
    Регистрация
    09.02.2014
    Сообщений
    6

    По умолчанию Re: Конденсаторы

    Цитата Сообщение от Sj43i Посмотреть сообщение
    Мне вот эти понравились http://www.audiomania.ru/kondensator...cap_kp-sn.html и Solen http://www.partsconnexion.com/capaci..._p_series.html. Eсли сравнивать intertechnik c Mudorf MKP audiophiler то мудорф кажется что здорово "песочат" после них, более жесткая подача и очень такой грубой детализацией . intertechnik очень "холодные" все без прикрас даже немого скучные и какие то размазанные кажутся Solen тоже очень холодное нейтральное звучание очень похоже на Intertehnik audin но есть легкий "песок", ставил к 73-11 после них все тоже самое играют более собранно и заметно ярче . Скажу так все конденсаторы понравились ноMKP Intertechnik Audyn CAP KP-SN самый нейтральный хоть и кажется что уступает по деталям ( навреное из за оловянной пленки ) обьем помещения где проводилась запись не съедают по этому пока выбор пал на них.

    P.S. Mudorf MKP audiophiler очень такой звук мультимедийный все весело с драйвом ))
    Благодарю за ответ, Кп-Сн как раз один из наиболее интересных варинатов, если справиться с доставкой(Ауидомания по СНг не отправляет )
    Для меня есть разница между стерильным Как у Мундорфа и стерильным как у Фт-3 звуком. Если он подача немного сдержанная, то это бы подошло, но не стерильный или металлический звук как у Evo-oil. Солен фасткап есть в доступе, но не думаю что будет лучше.

  3. #6703
    Новичок
    Регистрация
    27.08.2012
    Сообщений
    51

    По умолчанию Re: Конденсаторы

    Цитата Сообщение от mezz Посмотреть сообщение
    Благодарю за ответ, Кп-Сн как раз один из наиболее интересных варинатов, если справиться с доставкой(Ауидомания по СНг не отправляет )
    Для меня есть разница между стерильным Как у Мундорфа и стерильным как у Фт-3 звуком. Если он подача немного сдержанная, то это бы подошло, но не стерильный или металлический звук как у Evo-oil. Солен фасткап есть в доступе, но не думаю что будет лучше.
    Подача сдержанная, "железо" на ударных звучит очень хорошо затухания не превращаются в шипение вот поэтому они мне очень понравились и не съедается объем помещения даже при каше в "железе" на ударных . звук мягкий стоит попробовать
    Последний раз редактировалось Sj43i; 13.03.2014 в 13:06.

  4. #6704
    Завсегдатай Аватар для Elms
    Регистрация
    21.12.2008
    Адрес
    Москва
    Возраст
    57
    Сообщений
    3,513

    По умолчанию Re: Конденсаторы

    Sj43i, вот тема.

  5. #6705
    Новичок Аватар для datik
    Регистрация
    19.06.2012
    Адрес
    Почти Омск
    Сообщений
    46

    По умолчанию Re: Конденсаторы

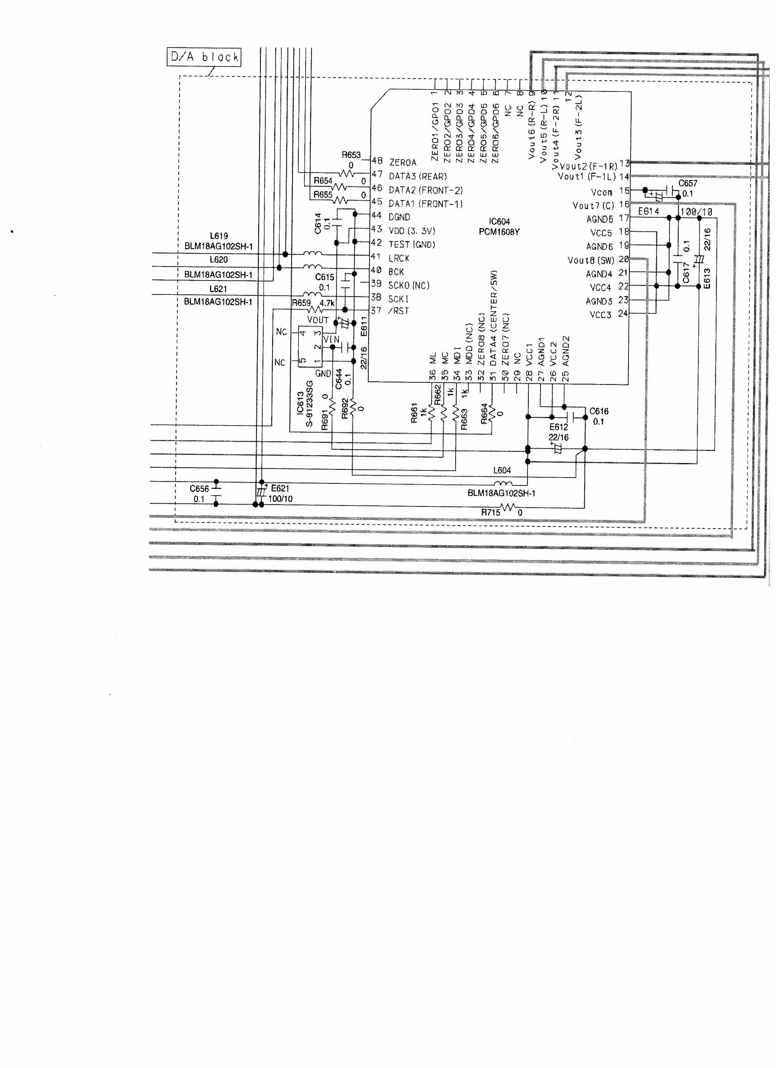
    Уважаемые,подскажите.Как себя "чувствует" nichicon kw в аналоговом питании цап,может кто применял?Хотелось бы конечно поставить силмик2,но места для 100мкф очень мало.Максимум что можно "запихать"-8мм в ширину.Или может подскажите,что можно туда(и лучше) поставить? P.S 22мкф-поставлю силмик2(того же номинала или увеличу до 47).Цап питается от стаба(7805).На выходе стаба стоит силмик2(100мкф).Растояние от стаба до цап,примерно 10см.Заранее благодарен за ответ.Нажмите на изображение для увеличения. 

Название:	Отсканировано 19.03.2014 22-09.jpg 
Просмотров:	680 
Размер:	605.0 Кб 
ID:	205388

  6. #6706
    Частый гость Аватар для коста
    Регистрация
    24.08.2008
    Сообщений
    122

    По умолчанию Re: Конденсаторы

    datik, В аналог цапа,с успехом встают Panasonic FC. Тем более,у тебя там все электролиты зашунтированы 0.1 мкф.,тоже зависит каким типом.
    Последний раз редактировалось коста; 19.03.2014 в 20:13.

  7. #6707
    Новичок Аватар для datik
    Регистрация
    19.06.2012
    Адрес
    Почти Омск
    Сообщений
    46

    По умолчанию Re: Конденсаторы

    Цитата Сообщение от коста Посмотреть сообщение
    datik, В аналог цапа,с успехом встают Panasonic FC. Тем более,у тебя там все электролиты зашунтированы 0.1 мкф.,тоже зависит каким типом.
    Шунты там скорее всего керамика 0805(мелкая и кирпичного цвета).А панасоник фс,мне,если честно в питании цап,не нравится.

  8. #6708
    Новичок Аватар для datik
    Регистрация
    19.06.2012
    Адрес
    Почти Омск
    Сообщений
    46

    По умолчанию Re: Конденсаторы

    Подскажите.Будьте добры.

  9. #6709
    Аудиоманьяк Аватар для Audiomaniac
    Регистрация
    13.08.2006
    Адрес
    Омск
    Сообщений
    6,497

    По умолчанию Re: Конденсаторы

    Цитата Сообщение от datik Посмотреть сообщение
    Подскажите.Будьте добры.
    Ставь любой кондер общего применения или фор аудио (но они обычно здоровые), лоу еср сюда не надо.
    Хорошо играет тогда, когда звуки не отвлекают от музыки.

  10. #6710
    Новичок Аватар для datik
    Регистрация
    19.06.2012
    Адрес
    Почти Омск
    Сообщений
    46

    По умолчанию Re: Конденсаторы

    Цитата Сообщение от Audiomaniac Посмотреть сообщение
    Ставь любой кондер общего применения или фор аудио (но они обычно здоровые), лоу еср сюда не надо.
    Понятно,что лоу еср не нужно.Я вот и спросил,как nichicon kw себя "чувствует" в питание цап(они как раз и не большие)?И может,кто посаветует "хорошие кондеры" не толще 7-8мм?

  11. #6711
    Аудиоманьяк Аватар для Audiomaniac
    Регистрация
    13.08.2006
    Адрес
    Омск
    Сообщений
    6,497

    По умолчанию Re: Конденсаторы

    Цитата Сообщение от datik Посмотреть сообщение
    Я вот и спросил,как nichicon kw себя "чувствует" в питание цап
    Да ему пофигу, хоть цап хоть не цап, нормально чувствует.
    Тем более, что цап в данном случае весьма убогий (автомагнитола наверно какаянить?), там вообще без разницы что ставить, хоть ягео или трек за 3 рубля. А лучше всего оставить штатный, тот который там уже стоит, закрутить крышку и не заниматься ерундой в поисках звука там, где его нету и быть не может ;)
    Хорошо играет тогда, когда звуки не отвлекают от музыки.

  12. #6712
    Новичок Аватар для datik
    Регистрация
    19.06.2012
    Адрес
    Почти Омск
    Сообщений
    46

    По умолчанию Re: Конденсаторы

    Цитата Сообщение от Audiomaniac Посмотреть сообщение
    Да ему пофигу, хоть цап хоть не цап, нормально чувствует.
    Тем более, что цап в данном случае весьма убогий (автомагнитола наверно какаянить?), там вообще без разницы что ставить, хоть ягео или трек за 3 рубля. А лучше всего оставить штатный, тот который там уже стоит, закрутить крышку и не заниматься ерундой в поисках звука там, где его нету и быть не может ;)
    Да,это отдельный автомобильный аудиопроцессор.Ну родные кондеры там стоят уж совсем не айс.Понятно,что с "домашкой" сравнивать не стоит,но "хоть что то,чем ничего".Спасибо за ответ.

  13. #6713
    Не хочу! Аватар для Alex
    Регистрация
    20.03.2003
    Адрес
    Worldwide
    Возраст
    63
    Сообщений
    39,056

    По умолчанию Re: Конденсаторы

    Цитата Сообщение от datik Посмотреть сообщение
    Ну родные кондеры там стоят уж совсем не айс.
    Нормальные кондеры там стоят - по месту и по назначению.
    "Замполит, чайку?"(с)"Охота за Красным Октябрем".
    "Да мне-то что, меняйтесь!"(с)анек.
    <-- http://altor1.narod.ru --> Вопросы - в личку, е-мейл, скайп.

  14. #6714
    Новичок Аватар для datik
    Регистрация
    19.06.2012
    Адрес
    Почти Омск
    Сообщений
    46

    По умолчанию Re: Конденсаторы

    Цитата Сообщение от Alex Посмотреть сообщение
    Нормальные кондеры там стоят - по месту и по назначению.
    Разве samyoung относится к "нормальным" кондерам?

  15. #6715
    Старый знакомый Аватар для alexesgg
    Регистрация
    23.01.2011
    Адрес
    Москва
    Возраст
    53
    Сообщений
    546

    По умолчанию Re: Конденсаторы

    Производитель устройства кто?

    Offтопик:
    Мало кто представляет себе, сколько мошенников и безумцев населяет ничейную зону между современной наукой и психиатрическими лечебницами. (С) С.Лем "Глас господа"

  16. #6716
    Не хочу! Аватар для Alex
    Регистрация
    20.03.2003
    Адрес
    Worldwide
    Возраст
    63
    Сообщений
    39,056

    По умолчанию Re: Конденсаторы

    Цитата Сообщение от datik Посмотреть сообщение
    Разве samyoung относится к "нормальным" кондерам?
    Для даного уровня аппаратуры - вполне.
    "Замполит, чайку?"(с)"Охота за Красным Октябрем".
    "Да мне-то что, меняйтесь!"(с)анек.
    <-- http://altor1.narod.ru --> Вопросы - в личку, е-мейл, скайп.

  17. #6717
    Новичок Аватар для datik
    Регистрация
    19.06.2012
    Адрес
    Почти Омск
    Сообщений
    46

    По умолчанию Re: Конденсаторы

    Цитата Сообщение от alexesgg Посмотреть сообщение
    Производитель устройства кто?
    Альпайн

  18. #6718
    Старый знакомый Аватар для alexesgg
    Регистрация
    23.01.2011
    Адрес
    Москва
    Возраст
    53
    Сообщений
    546

    По умолчанию Re: Конденсаторы

    Ну, если альпайн считает достаточными и удовлетворяющими конденсаторами те, что уже установлены, то разве есть основания им не доверять?

    Offтопик:
    Мало кто представляет себе, сколько мошенников и безумцев населяет ничейную зону между современной наукой и психиатрическими лечебницами. (С) С.Лем "Глас господа"

  19. #6719
    Новичок Аватар для datik
    Регистрация
    19.06.2012
    Адрес
    Почти Омск
    Сообщений
    46

    По умолчанию Re: Конденсаторы

    Цитата Сообщение от alexesgg Посмотреть сообщение
    Ну, если альпайн считает достаточными и удовлетворяющими конденсаторами те, что уже установлены, то разве есть основания им не доверять?
    У меня есть,поэтому и вопросы.

  20. #6720
    Завсегдатай Аватар для фЕДОР ЧАЛЫЙ
    Регистрация
    30.07.2005
    Адрес
    Беларусь
    Возраст
    60
    Сообщений
    1,199

    По умолчанию Re: Конденсаторы

    Цитата Сообщение от Alex Посмотреть сообщение
    Для даного уровня аппаратуры - вполне.
    Тем более, что СэмЕнг - это корейское подразделение Ниппон Чемикон.

Страница 336 из 917 Первая ... 326334335336337338346 ... Последняя

Метки этой темы

Социальные закладки

Социальные закладки

Ваши права

  • Вы не можете создавать новые темы
  • Вы не можете отвечать в темах
  • Вы не можете прикреплять вложения
  • Вы не можете редактировать свои сообщения
  •