Страница 32 из 52 Первая ... 22303132333442 ... Последняя
Показано с 621 по 640 из 1038

Тема: Разработка моноблока универсально применения для авто.

  1. #1 Показать/скрыть первое сообщение.
    Завсегдатай
    Автор темы
    Аватар для Nitro
    Регистрация
    02.11.2006
    Адрес
    г.Ростов-на-Дону
    Возраст
    46
    Сообщений
    2,922

    Круто! Разработка моноблока универсально применения для авто.

    [Доброго всем! Не секрет что лучший вариант усиления когда можно набрать нужное число каналов из одноканальников. То есть поставить либо в рядок нужное число усилителей, либо разместить усилители рядом с акустикой под торпедой, в результате будет минимальная длина проводки- а это минимум потерь.
    В общем мне видится что нужно всего две модификации этих моноблоков:
    1)АБ с чуток увеличенным током покоя(регулируемый) мощностью в 50Вт на 8Ом, 100 на 4-ре и 150-180 на 2Ома(тут наступит скорее всего предел БП). Схему думаю стоит делать на паре 1943/5200.
    2)UcD с вдвое большей мощностью. Он в основном будет применён для басовой части, или когда важнее уровень громкости.(мне так видится).
    Конструктив мне виндится в виде кирпичика 100х250х50 с обычным радиатором по стенке 100х250 с оребрением вдоль длинной стороны. Питание и акустические выходы с одной короткой стороны, а вход и регулятор чутья и место под плагин для фич(кросс карта например или задача тока покоя, в общем для допфункционала если кому надо).
    Начинку думаю можно сделать модульной БП один для обоих вариантов(с вариациями по комплектации конденсаторами во вторичке), а модуль усиления на отдельной плате однинокового размера для обоих вариантов.
    Питания надо чтоб было два на выходе с БП для усиления +-40В и для преда, модуля доопций +-15В.
    С уважением, Михаил.
    Партлист(дополняеться) ATTACH]116355[/ATTACH]
    Вложения Вложения
    • Тип файла: xls BOM.xls (20.5 Кб, Просмотров: 2714)
    Последний раз редактировалось Nitro; 04.03.2011 в 19:19.

  2. #621
    Завсегдатай Аватар для .Ден.
    Регистрация
    26.02.2006
    Адрес
    Обнинск
    Возраст
    54
    Сообщений
    1,536

    По умолчанию Re: Разработка моноблока универсально применения для авто.

    Цитата Сообщение от Stream Посмотреть сообщение
    Ставь 0,1мкФ

    ---------- Добавлено в 19:33 ---------- Предыдущее сообщение в 19:31 ----------

    Цитата Сообщение от Stream Посмотреть сообщение
    Ден, если не трудно, комментируй пожалуйста все мои "замечания", даже если я пишу фигню.
    Все нормально, не переживай

  3. #622
    Завсегдатай Аватар для LepekhinV
    Регистрация
    20.02.2007
    Адрес
    г.Рязань
    Возраст
    66
    Сообщений
    4,444

    По умолчанию Re: Разработка моноблока универсально применения для авто.

    Цитата Сообщение от Stream Посмотреть сообщение
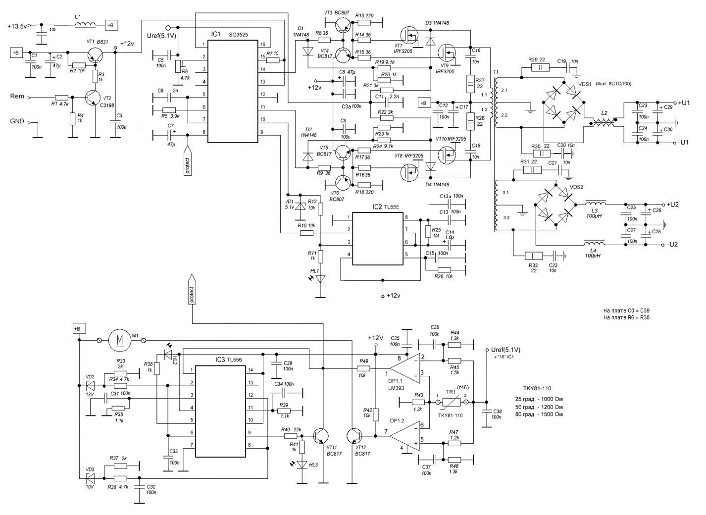
    Еще забыл спросить, что такое C0? Какойто пленочный, на Топе, чуть выше ввода под 12В. На схеме его вроде нету, да и не помню, чтобы ктото рекомендовал, честно говоря не понимаю зачем он, поясните?

    Offтопик:
    Это пленочный конденсатор. Из серии "на всякий случай" или "кашу маслом не испортишь". Емкость - максимальная, что влезет. Но без фанатизма.

  4. #623
    Завсегдатай Аватар для .Ден.
    Регистрация
    26.02.2006
    Адрес
    Обнинск
    Возраст
    54
    Сообщений
    1,536

    По умолчанию Re: Разработка моноблока универсально применения для авто.

    Итак, господа, после долгих поисков наткнулся на вариант корпуса. Файл выкладываю во вложении, думайте, только недолго. Кстати, цена вопроса совсем смешная
    Radiator.rar
    Последний раз редактировалось .Ден.; 13.01.2011 в 20:45.

  5. #624
    Частый гость Аватар для Stream
    Регистрация
    01.09.2005
    Адрес
    Россия, Сургут
    Сообщений
    260

    По умолчанию Re: Разработка моноблока универсально применения для авто.

    Цитата Сообщение от .Ден. Посмотреть сообщение
    Итак, господа, после долгих поисков наткнулся но вариант корпуса. Файл выкладываю во вложении, думайте, только недолго. Кстати, цена вопроса совсем смешная
    Radiator.rar
    Ммм, оно еще и одно в другое вставляется, да?
    Как минимум "деталь 2" то что надо.

    ###
    По поводу платы:

    "С" без обозначений оказался у нас "C39"

    Там же рядом обнаружился еще один самозванец. Зовется R6, на самом деле он R38:
    Нажмите на изображение для увеличения. 

Название:	r39.jpg 
Просмотров:	235 
Размер:	23.6 Кб 
ID:	110646

    C13 использован два раза - видимо так задумано и номинал у обоих 100n. Давайте назовем его тогда C13a.
    Нажмите на изображение для увеличения. 

Название:	c13.jpg 
Просмотров:	230 
Размер:	52.3 Кб 
ID:	110644

    По поводу C2. На схеме он 47мкФ электролит. У нас на печатке он на нижнем слое, и имеет площадки под 1812. В таком случае сюда просится та же керамика, что и в С12 - 22мкФ например, да? Хотя чуть ниже есть два незанятых отверстия, в них можно и электролит воткнуть, но надо ли?
    Нажмите на изображение для увеличения. 

Название:	c2.jpg 
Просмотров:	248 
Размер:	33.6 Кб 
ID:	110645

    Тут еще слово по поводу керамики (C12). IVX советовал 1206 22мкФ, но у нас она почемуто разведена под 2220, хотя нужный номинал есть и в 1206. Это такая фишка?

    Если все верно, то слегка подкорректированная схема принимает такой вид:
    Нажмите на изображение для увеличения. 

Название:	STR400.7.2схема_2.jpg 
Просмотров:	597 
Размер:	255.9 Кб 
ID:	110666

    P.s. по поводу диодов для УН. Тут ток наверно не велик? 1А будет с запасом, да?
    Последний раз редактировалось Stream; 14.01.2011 в 00:29.

  6. #625
    Завсегдатай Аватар для LepekhinV
    Регистрация
    20.02.2007
    Адрес
    г.Рязань
    Возраст
    66
    Сообщений
    4,444

    По умолчанию Re: Разработка моноблока универсально применения для авто.

    Цитата Сообщение от Stream Посмотреть сообщение
    о поводу C2. На схеме он 47мкФ электролит. У нас на печатке он на нижнем слое, и имеет площадки под 1812. В таком случае сюда просится та же керамика, что и в С12 - 22мкФ например, да? Хотя чуть ниже есть два незанятых отверстия, в них можно и электролит воткнуть, но надо ли?
    IVX против электролитов "как класса" в цепях слаботочки. Перечисленные посадочные места - по принципу изложенному в предыдущем моем сообщении. (каша-масло-всякий-случай).
    Цитата Сообщение от Stream Посмотреть сообщение
    C13 использован два раза - видимо так задумано и номинал у обоих 100n. Давайте назовем его тогда C13a.
    Так и задумано.
    Цитата Сообщение от Stream Посмотреть сообщение
    Тут еще слово по поводу керамики (C12). IVX советовал 1206 22мкФ, но у нас она почемуто разведена под 2220, хотя нужный номинал есть и в 1206. Это такая фишка?
    Посадочное место увеличено на случай применения конденсаторов других типоразмеров. (Я не нашёл керамику 22*25 типоразмера 1206. А вот покрупней - есть.)
    Цитата Сообщение от Stream Посмотреть сообщение
    P.s. по поводу диодов для УН. Тут ток наверно не велик? 1А будет с запасом, да?
    Если кроме УН на эту обмотку ничего не будет нагружаться, то 1А - с запасом. (Ден ещё и буфер собирается на эту обмотку повесить. Поэтому - "каждый выбирает для себя..."

  7. #626
    Завсегдатай Аватар для .Ден.
    Регистрация
    26.02.2006
    Адрес
    Обнинск
    Возраст
    54
    Сообщений
    1,536

    По умолчанию Re: Разработка моноблока универсально применения для авто.

    Цитата Сообщение от Stream Посмотреть сообщение
    Ммм, оно еще и одно в другое вставляется, да?
    Как минимум "деталь 2" то что надо.
    Да, деталь №1- это дно корпуса.

  8. #627
    Частый гость Аватар для Stream
    Регистрация
    01.09.2005
    Адрес
    Россия, Сургут
    Сообщений
    260

    По умолчанию Re: Разработка моноблока универсально применения для авто.

    .Ден.,
    Мне кажется, или для обеспечения разборности конструкции придется крепить все греющиеся элементы к одному радиатору, а дно в любом случае будет только дном, крышечкой ? (в таком случае ребра ему не нужны, хотя и не мешают )

  9. #628
    Завсегдатай Аватар для .Ден.
    Регистрация
    26.02.2006
    Адрес
    Обнинск
    Возраст
    54
    Сообщений
    1,536

    По умолчанию Re: Разработка моноблока универсально применения для авто.

    Цитата Сообщение от Stream Посмотреть сообщение
    а дно в любом случае будет только дном, крышечкой ?
    Угу
    Stream, это на данный момент единственное предложение, которое подходит почти на все 100% под автомобильный усилитель. Может, придется по дну и фрезой пройтись, но за предлагаемую цену- уже пофиг на такие мелочи. На днях кину в толкучку клич на групповуху.
    ЗЫ- попробовал на заказ сделать корпус , погонный метр схожего профиля почти в 270 долларов обойдется

  10. #629
    Завсегдатай Аватар для .Ден.
    Регистрация
    26.02.2006
    Адрес
    Обнинск
    Возраст
    54
    Сообщений
    1,536

    По умолчанию Re: Разработка моноблока универсально применения для авто.

    Итак, по вопросу корпусов- смотрим здесь- https://forum.vegalab.ru/showthread....водные-корпуса

  11. #630
    Завсегдатай Аватар для .Ден.
    Регистрация
    26.02.2006
    Адрес
    Обнинск
    Возраст
    54
    Сообщений
    1,536

    По умолчанию Re: Разработка моноблока универсально применения для авто.

    Предлагается вариант решения компоновки в этом корпусе- БП и вспомогательные части схемы(стабы, защиты)- установить на нижней крышке, сам УМЗЧ- на верхней.При должной компоновке и подборе деталей по высоте- должно все получиться. Корпус обрезать по ширине, получится достаточно компактный моноблок.

  12. #631
    Частый гость Аватар для Stream
    Регистрация
    01.09.2005
    Адрес
    Россия, Сургут
    Сообщений
    260

    По умолчанию Re: Разработка моноблока универсально применения для авто.

    Да чтото все притихли, толи по тихому мастерят, толи интерес пропал...

  13. #632
    Завсегдатай Аватар для Vjumajlo
    Регистрация
    11.04.2009
    Адрес
    ДВР
    Возраст
    64
    Сообщений
    4,276

    По умолчанию Re: Разработка моноблока универсально применения для авто.

    ...мастерят...по-тихому.
    Работа прёт - кричать бессмысленно.
    В голове есть не только рот, чтобы говорить и есть, но и мозг, чтобы хоть иногда вспоминать, что он там есть.
    Думай. Думай всегда…
    И даже, если нечем думать, напрягись - мысль обязательно появится. Иначе ты никто. (Вова)

  14. #633
    Частый гость Аватар для noll
    Регистрация
    19.10.2008
    Адрес
    г. Владимир
    Сообщений
    126

    По умолчанию Re: Разработка моноблока универсально применения для авто.

    Цитата Сообщение от Stream Посмотреть сообщение
    Да чтото все притихли, толи по тихому мастерят, толи интерес пропал...
    Корпус - предел мечтаний. По высоте интерьера, правда, впритык.
    Цитата Сообщение от .Ден. Посмотреть сообщение
    БП и вспомогательные части схемы(стабы, защиты)- установить на нижней крышке, сам УМЗЧ- на верхней
    При желании (и наличии необходимого профиля) высоту предлагаемого корпуса не трудно увеличить...


    Offтопик:
    ...ищем средства или альтернативу...

  15. #634
    Частый гость Аватар для Stream
    Регистрация
    01.09.2005
    Адрес
    Россия, Сургут
    Сообщений
    260

    По умолчанию Re: Разработка моноблока универсально применения для авто.

    У меня к жителям Москвы вопрос.
    Скажите пожалуйста, можно ли гденибудь поблизости к Балтийской и Ленинградскому шоссе купить всю необходимую для ИБП мелочь (SMD ИМС, резюки, кондеры)? А, ну и кольца для транса конечно же. А то знакомый к вам уехал на недельку...

  16. #635
    Частый гость Аватар для Stream
    Регистрация
    01.09.2005
    Адрес
    Россия, Сургут
    Сообщений
    260

    По умолчанию Re: Разработка моноблока универсально применения для авто.

    Вопрос по поводу VT1 и VT2, не могу найти их в продаже. Дайте пожалуйста точную маркировку (и желательно ссылку на даташит).
    VT1 B631 (to-220)
    VT2 C3198 (sot-23). Гуглятся 2sc3198 и KTC3198, но они TO-92.

  17. #636
    Завсегдатай Аватар для .Ден.
    Регистрация
    26.02.2006
    Адрес
    Обнинск
    Возраст
    54
    Сообщений
    1,536

    По умолчанию Re: Разработка моноблока универсально применения для авто.

    Stream, VT2 решили оставить в SOT-23 корпусе. В ветке судьба конкретно этого транзистора не обсуждалась, все как-то по-тихому решилось
    BC817

  18. #637
    Частый гость Аватар для Stream
    Регистрация
    01.09.2005
    Адрес
    Россия, Сургут
    Сообщений
    260

    По умолчанию Re: Разработка моноблока универсально применения для авто.

    C VT2 ясно, а что с VT1?

  19. #638
    Завсегдатай Аватар для .Ден.
    Регистрация
    26.02.2006
    Адрес
    Обнинск
    Возраст
    54
    Сообщений
    1,536

    По умолчанию Re: Разработка моноблока универсально применения для авто.

    Итак, господа, лед тронулся! Смотрим плату, смотрим усилитель.... Вариант применяемого усилителя обсуждать в широкой общественности не стали, после долгого перебора вариантов выбрали именно тот, под который и подготавливается плата.

  20. #639
    Завсегдатай
    Регистрация
    03.04.2008
    Адрес
    Саратов
    Возраст
    40
    Сообщений
    2,281

    По умолчанию Re: Разработка моноблока универсально применения для авто.


    Offтопик:
    .Ден., набери мне, чего скажу

  21. #640
    Частый гость Аватар для Stream
    Регистрация
    01.09.2005
    Адрес
    Россия, Сургут
    Сообщений
    260

    По умолчанию Re: Разработка моноблока универсально применения для авто.

    Это хорошо. Я так понял есть небольшие изменения в самой схеме, можно тут выложить итоговую(ну или промежуточно-итоговую) версию схемы?
    И еще я не совсем понял что вы там обсуждали с питанием входа и УН. Будет доп. обмотка? Напряжение УН и выходной части одинаково? 63В конденсаторы подойдут, да?

    Кстати силовые площадки както не соответствуют тем, что на выходе ИБП

Страница 32 из 52 Первая ... 22303132333442 ... Последняя

Метки этой темы

Социальные закладки

Социальные закладки

Ваши права

  • Вы не можете создавать новые темы
  • Вы не можете отвечать в темах
  • Вы не можете прикреплять вложения
  • Вы не можете редактировать свои сообщения
  •