Страница 30 из 33 Первая ... 202829303132 ... Последняя
Показано с 581 по 600 из 642

Тема: Усилитель мощности с высокой термостабильностью

  1. #1 Показать/скрыть первое сообщение.
    Завсегдатай
    Автор темы
    Аватар для .Васильев
    Регистрация
    04.04.2007
    Адрес
    новгородская обл Пестово на Мологе
    Сообщений
    10,818

    По умолчанию Усилитель мощности с высокой термостабильностью

    При разборе схемотехники усилителя мощности из миникомплекса ОДА-102 пришел к такому варианту ..Боюсь только опять данный проект не поймут и не ценят.


    ---------- Добавлено в 13:09 ---------- Предыдущее сообщение в 13:08 ----------

    Вот спектр предполагаемой модификации ,введен истоник тока,но смещение оставлено. Он говорит сам за себя.Офф можно повторитель типа шушуринского ввести,но стоит овчина выделки илинет.надо анализировать



    ---------- Добавлено в 12:42 ---------- Предыдущее сообщение в 11:42 ----------
    Вложения Вложения
    • Тип файла: cir ODA 13.CIR (63.8 Кб, Просмотров: 1143)
    • Тип файла: cir ODA 11.CIR (59.3 Кб, Просмотров: 873)
    Последний раз редактировалось .Васильев; 10.05.2011 в 13:28.
    С уважением Максим.

  2. #581
    Завсегдатай
    Автор темы
    Аватар для .Васильев
    Регистрация
    04.04.2007
    Адрес
    новгородская обл Пестово на Мологе
    Сообщений
    10,818

    По умолчанию Re: Усилитель мощности с высокой термостабильностью

    Вот что получается. Макет , потому кондеры К73-17 на 630вольт 0,01,0,022 и 0,047мк ,только в интеграторе стоят 0,47мк на 63вольта и электролиты джамикон.конденсаторы в базах выходников,драйверов и преддрайверов полипропилен .Вход Вима MKP10. Маленькие электролиты Теаро ,вместо электролита в местной оос постален полистирол на 2200пф.
    Последний раз редактировалось .Васильев; 06.04.2013 в 12:18.
    С уважением Максим.

  3. #582
    Частый гость
    Регистрация
    12.02.2007
    Сообщений
    474

    По умолчанию Re: Усилитель мощности с высокой термостабильностью

    Лист бумаги надеюсь не А0?

  4. #583
    Завсегдатай
    Автор темы
    Аватар для .Васильев
    Регистрация
    04.04.2007
    Адрес
    новгородская обл Пестово на Мологе
    Сообщений
    10,818

    По умолчанию Re: Усилитель мощности с высокой термостабильностью

    Цитата Сообщение от Shaq Посмотреть сообщение
    Лист бумаги надеюсь не А0?
    Альбом для рисования школьный.. плата 230/100мм
    С уважением Максим.

  5. #584
    Завсегдатай
    Автор темы
    Аватар для .Васильев
    Регистрация
    04.04.2007
    Адрес
    новгородская обл Пестово на Мологе
    Сообщений
    10,818

    По умолчанию Re: Усилитель мощности с высокой термостабильностью

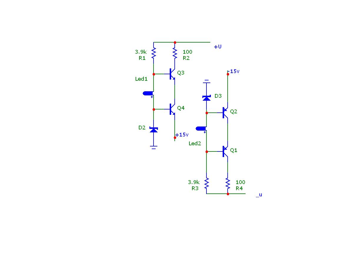
    Вот как симметрично все получилось.Симетрия полная может наводки даже взаимокомпенсироваться будут .Кстати несмотря на обилие конденсаторов пленочных их суммарная емкость не превышает 0,47мк.И напряжение рабочее у них 400-630вольт.
    С уважением Максим.

  6. #585
    Завсегдатай Аватар для audiomun
    Регистрация
    31.08.2011
    Адрес
    Санкт-Петербург
    Возраст
    70
    Сообщений
    3,901

    По умолчанию Re: Усилитель мощности с высокой термостабильностью

    Посмотри в посте #584 на схеме - номиналы конденсаторов С47,С49,С54,С57 плюсового плеча питания указаны как 10n, а аналогичные конденсаторы минусового питания - 100n.

  7. #586
    Завсегдатай
    Автор темы
    Аватар для .Васильев
    Регистрация
    04.04.2007
    Адрес
    новгородская обл Пестово на Мологе
    Сообщений
    10,818

    По умолчанию Re: Усилитель мощности с высокой термостабильностью

    Цитата Сообщение от audiomun Посмотреть сообщение
    Посмотри в посте #584 на схеме - номиналы конденсаторов С47,С49,С54,С57 плюсового плеча питания указаны как 10n, а аналогичные конденсаторы минусового питания - 100n.
    исправлю.
    С уважением Максим.

  8. #587
    Завсегдатай
    Регистрация
    16.01.2009
    Сообщений
    2,921

    По умолчанию Re: Усилитель мощности с высокой термостабильностью

    А на какой схеме питания УН остановились?

  9. #588
    Завсегдатай
    Автор темы
    Аватар для .Васильев
    Регистрация
    04.04.2007
    Адрес
    новгородская обл Пестово на Мологе
    Сообщений
    10,818

    По умолчанию Re: Усилитель мощности с высокой термостабильностью

    Да сам ун будет питаться нестабилизированным питанием через CRCRC цепочки .Питание оу через каскодные параметрические стабилизаторы.
    От него же и нормирующий усь питаться будет. РГ или лестничный или потенциометр в цепь делителя оос включу а средний выводом к нормирующему.
    Миниатюры Миниатюры Нажмите на изображение для увеличения. 

Название:	питание оу 1.JPG 
Просмотров:	979 
Размер:	35.4 Кб 
ID:	181242  
    С уважением Максим.

  10. #589
    Частый гость Аватар для tsf54
    Регистрация
    14.04.2008
    Адрес
    Челябинск
    Возраст
    71
    Сообщений
    152

    По умолчанию Re: Усилитель мощности с высокой термостабильностью

    Максим,дырки под отвертку не рассверливал?
    С уважением,Сергей.

  11. #590
    Завсегдатай
    Автор темы
    Аватар для .Васильев
    Регистрация
    04.04.2007
    Адрес
    новгородская обл Пестово на Мологе
    Сообщений
    10,818

    По умолчанию Re: Усилитель мощности с высокой термостабильностью

    Плата БП для ВК готова. Два моста мощных шосток на 3сдвоенных диодах в каждом плече. Итого 12диодов на усилитель. Хотелось бы услышать замечания
    Цитата Сообщение от tsf54 Посмотреть сообщение
    Максим,дырки под отвертку не рассверливал?
    Федорович привет. Рассверлил на 6мм, для термодатчика между вторыми и третьеми выходниками.точнее между этими парами сделал тоже 6мм.
    Вложения Вложения
    Последний раз редактировалось .Васильев; 10.04.2013 в 13:51.
    С уважением Максим.

  12. #591
    Завсегдатай
    Автор темы
    Аватар для .Васильев
    Регистрация
    04.04.2007
    Адрес
    новгородская обл Пестово на Мологе
    Сообщений
    10,818

    По умолчанию Re: Усилитель мощности с высокой термостабильностью

    Ну так что по звездной разводке полигона земляного в сочетании с двумя мостами?
    С уважением Максим.

  13. #592
    Завсегдатай
    Автор темы
    Аватар для .Васильев
    Регистрация
    04.04.2007
    Адрес
    новгородская обл Пестово на Мологе
    Сообщений
    10,818

    По умолчанию Re: Усилитель мощности с высокой термостабильностью

    Блок питания уна и стабилизатор для питания оу и нормирующего усилителя(буфера). В архиве файл спринта.
    Рецензии не получу пожалуй .понятно.
    P.S.Изменил рисунок параметрического стабилизатора и добавил второй мост для удобства сведения земель.
    Р.С. 2
    пошаманил еще.
    Вопрос один.как .в какой точке свести земли всех питаний?
    Вложения Вложения
    Последний раз редактировалось .Васильев; 11.04.2013 в 13:34.
    С уважением Максим.

  14. #593
    Регистрация не подтверждена
    Регистрация
    03.11.2010
    Адрес
    Киев
    Сообщений
    289

    По умолчанию Re: Усилитель мощности с высокой термостабильностью

    Максим, а в чем смысл использования СД в качестве стабилитронов? Всю лысину "прочухал", но какого-то внятного вывода для себя так и не сделал.

    С уважением.

  15. #594
    Завсегдатай
    Автор темы
    Аватар для .Васильев
    Регистрация
    04.04.2007
    Адрес
    новгородская обл Пестово на Мологе
    Сообщений
    10,818

    По умолчанию Re: Усилитель мощности с высокой термостабильностью

    Это просто так типа индикации сделано,можно было резистор поставить или стабилитрон на 3вольта ,но так показалось удобнее.Главное было обеспечить равное падение напряжения на транзисторах.Вроде удалось.
    Последний раз редактировалось .Васильев; 12.04.2013 в 07:57.
    С уважением Максим.

  16. #595
    Завсегдатай
    Автор темы
    Аватар для .Васильев
    Регистрация
    04.04.2007
    Адрес
    новгородская обл Пестово на Мологе
    Сообщений
    10,818

    По умолчанию Re: Усилитель мощности с высокой термостабильностью

    Потихоньку проект движется. Платы БП .фото.

    С уважением Максим.

  17. #596
    Завсегдатай Аватар для Vovk
    Регистрация
    24.12.2004
    Адрес
    Зеленьій клин
    Возраст
    46
    Сообщений
    2,855

    По умолчанию Re: Усилитель мощности с высокой термостабильностью

    Цитата Сообщение от .Васильев Посмотреть сообщение
    Платы БП .фото.
    Мне нравится разводка больших плат. Сделано под отдельные вторичные обмотки (без общей точки)? И соответственно, общие провода соединяются только в конце, после фильтрующих емкостей - минуя зарядные токи .

  18. #597
    Завсегдатай
    Автор темы
    Аватар для .Васильев
    Регистрация
    04.04.2007
    Адрес
    новгородская обл Пестово на Мологе
    Сообщений
    10,818

    По умолчанию Re: Усилитель мощности с высокой термостабильностью

    Цитата Сообщение от Vovk Посмотреть сообщение
    Платы БП .фото.
    Мне нравится разводка больших плат. Сделано под отдельные вторичные обмотки (без общей точки)? И соответственно, общие провода соединяются только в конце, после фильтрующих емкостей - минуя зарядные т
    Везде сделано одинаково. Везде по два моста

    ---------- Добавлено в 20:34 ---------- Предыдущее сообщение в 19:48 ----------

    Теперь надо кумекать,как мекку сделать ,в каком месте лучше. .Надо у Леонида Зуева глянуть в материалах.там целая энциклопедия по этому вопросу.
    С уважением Максим.

  19. #598
    Завсегдатай
    Автор темы
    Аватар для .Васильев
    Регистрация
    04.04.2007
    Адрес
    новгородская обл Пестово на Мологе
    Сообщений
    10,818

    По умолчанию Re: Усилитель мощности с высокой термостабильностью

    Потихоньку дело идет.Вот такие блоки питания будут.В питании уна 100вольтовые конденсаторы 2200/100+1000/100, в ВК 4 по 10000/50.В питании+/-15 вольт для микросхем на входе и входе стабилизаторов стоят 2200/35вольт .
    Диоды в уне КД226,всеже в импульсе у них до 50ампер ток при частоте 50кгц, в питании микросхем КД221, 0,7ампера .частота 50кгц,
    Один вопрос есть по электролитам ,при равной емкости более высоковольтные обладают лучшей отдачей? И лучшими параметрами?
    С уважением Максим.

  20. #599
    Завсегдатай Аватар для waso
    Регистрация
    28.04.2008
    Адрес
    Новокузнецк
    Возраст
    48
    Сообщений
    2,402

    По умолчанию Re: Усилитель мощности с высокой термостабильностью

    Максим, я бы смотрел на то, какие банки лучше, с позиций ESR и Ripple Current в даташитах.

  21. #600
    Завсегдатай
    Автор темы
    Аватар для .Васильев
    Регистрация
    04.04.2007
    Адрес
    новгородская обл Пестово на Мологе
    Сообщений
    10,818

    По умолчанию Re: Усилитель мощности с высокой термостабильностью

    Я несколько про иное. при всех равных параметрах что лучше более высоковольтные банки или притык?
    С уважением Максим.

Страница 30 из 33 Первая ... 202829303132 ... Последняя

Социальные закладки

Социальные закладки

Ваши права

  • Вы не можете создавать новые темы
  • Вы не можете отвечать в темах
  • Вы не можете прикреплять вложения
  • Вы не можете редактировать свои сообщения
  •