Страница 3 из 5 Первая 12345 Последняя
Показано с 41 по 60 из 88

Тема: Защита Мосфета от пробоя

  1. #1 Показать/скрыть первое сообщение.
    Частый гость
    Автор темы

    Регистрация
    04.11.2019
    Сообщений
    435

    По умолчанию Защита Мосфета от пробоя

    Всем привет! В общем долго рыл в интернете, но ничего путного так и не нашел на эту тему. Во общем суть вот в чем. СОбрал параллельный стабилизатор для лампового усилителя. Вместо газоразрядных стабилитронов решил сделать схему присмотренную на Аудиомании.

    Нажмите на изображение для увеличения. 

Название:	Стаб 1.gif 
Просмотров:	558 
Размер:	35.6 Кб 
ID:	357379

    Схема показалась мне интересной. Но в таком варианте нерабочая. нет стабилизации, при кручении подстроечника срывается либо в жесткое давление напряжения. либо вообще ничего не давит. Поэтому я доработал её до такой.

    Нажмите на изображение для увеличения. 

Название:	Стаб 2.jpg 
Просмотров:	599 
Размер:	57.1 Кб 
ID:	357380

    В этом случае работает отлично в диапазоне регулировок от 160 до 320 вольт.
    Один минус. Пробивает Мосфет В нем происходит короткое замыкание. Стали параллельно и конденсатор и диод. Ничего не помогает. Посоветуйте, как защитить Мосфет от пробоя. Или можно ли его заменить на NPN транзистор? Схема-то интересная.

  2. #41
    Забанен (навсегда)
    Регистрация
    11.09.2009
    Сообщений
    3,975

    По умолчанию Re: Защита Мосфета от пробоя

    Цитата Сообщение от Vortex Посмотреть сообщение
    Читаем даташит TL 431.Макс ток - 100 мА, стабилизируемое напряжение от 2 до 36 в. Здесь он включен в катод, значит весь просаживаемый ток будет проходить с анода на катод и через ТЛку.
    Лучше б закон Ома почитали. 50В/3кОм = 17мА.

  3. #42
    Завсегдатай Аватар для shura1959
    Регистрация
    13.02.2009
    Адрес
    г. Ижевск
    Возраст
    66
    Сообщений
    3,416

    По умолчанию Re: Защита Мосфета от пробоя

    Цитата Сообщение от Vortex Посмотреть сообщение
    весь просаживаемый ток будет проходить с анода на катод и через ТЛку.
    А вообще, какй ток в нагрузке необходим?
    «Не торопитесь соглашаться или опровергать. Не так уж важно, что утверждает или отрицает автор. Важно то, что он направляет Ваше внимание по определенному руслу». Павел Сергеевич Таранов.

  4. #43
    Частый гость
    Автор темы

    Регистрация
    04.11.2019
    Сообщений
    435

    По умолчанию Re: Защита Мосфета от пробоя

    Цитата Сообщение от shura1959 Посмотреть сообщение
    А вообще, какй ток в нагрузке необходим?
    Потребляемый ток усилителя где-то 30 мА. Еще где-то 30мА на стабе просаживается.

  5. #44
    Завсегдатай Аватар для shura1959
    Регистрация
    13.02.2009
    Адрес
    г. Ижевск
    Возраст
    66
    Сообщений
    3,416

    По умолчанию Re: Защита Мосфета от пробоя

    Цитата Сообщение от Vortex Посмотреть сообщение
    Потребляемый ток усилителя где-то 30 мА. Еще где-то 30мА на стабе просаживается.
    Для этого TL-ки - за глаза. А лампочка должна будет рассеять 30мА*320В=10Вт, и при обрыве нагрузки нужна защита, или лампу на 20Вт.
    Ну, здесь вместо лампы можно и транзистор поставить.
    «Не торопитесь соглашаться или опровергать. Не так уж важно, что утверждает или отрицает автор. Важно то, что он направляет Ваше внимание по определенному руслу». Павел Сергеевич Таранов.

  6. #45
    Не хочу! Аватар для Alex
    Регистрация
    20.03.2003
    Адрес
    Worldwide
    Возраст
    63
    Сообщений
    39,079

    По умолчанию Re: Защита Мосфета от пробоя

    Цитата Сообщение от Vortex Посмотреть сообщение
    Читаем даташит TL 431.Макс ток - 100 мА, стабилизируемое напряжение от 2 до 36 в. Здесь он включен в катод, значит весь просаживаемый ток будет проходить с анода на катод и через ТЛку.

    И что?
    "Замполит, чайку?"(с)"Охота за Красным Октябрем".
    "Да мне-то что, меняйтесь!"(с)анек.
    <-- http://altor1.narod.ru --> Вопросы - в личку, е-мейл, скайп.

  7. #46
    Частый гость
    Автор темы

    Регистрация
    04.11.2019
    Сообщений
    435

    По умолчанию Re: Защита Мосфета от пробоя

    Цитата Сообщение от shura1959 Посмотреть сообщение
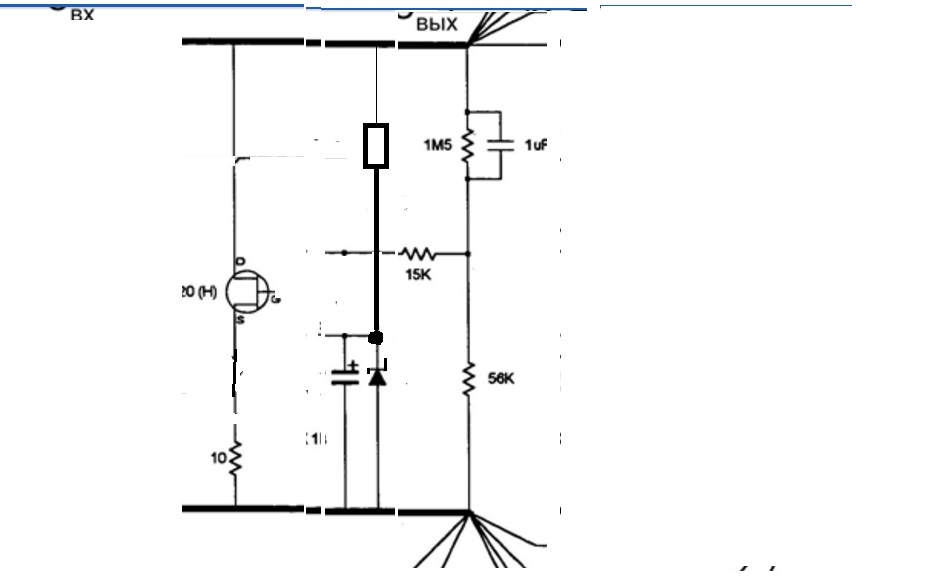
    Вообще цепь ООС в данной схеме очень длинная и полна реактивностей.
    Да ну, это просто схема длинная. Если перерисовать вот так. То будет ничуть не длиннее )))

    Нажмите на изображение для увеличения. 

Название:	Стаб 4.jpg 
Просмотров:	217 
Размер:	38.8 Кб 
ID:	357481

  8. #47
    Завсегдатай Аватар для shura1959
    Регистрация
    13.02.2009
    Адрес
    г. Ижевск
    Возраст
    66
    Сообщений
    3,416

    По умолчанию Re: Защита Мосфета от пробоя

    Цитата Сообщение от Vortex Посмотреть сообщение
    Да ну,
    А как же?
    Цитата Сообщение от Vortex Посмотреть сообщение
    уже два мосфета в корзину выкинул
    Резистор 1,5МОм, +кондёр 1мкФ, по моему неплохая реактивность , и цепь длинновата через полевик. К тому же есть шанс разрыва петли ОС при выходе полевика из линейного режима.
    Последний раз редактировалось shura1959; 06.11.2019 в 17:49.
    «Не торопитесь соглашаться или опровергать. Не так уж важно, что утверждает или отрицает автор. Важно то, что он направляет Ваше внимание по определенному руслу». Павел Сергеевич Таранов.

  9. #48
    Частый гость
    Автор темы

    Регистрация
    04.11.2019
    Сообщений
    435

    По умолчанию Re: Защита Мосфета от пробоя

    Цитата Сообщение от shura1959 Посмотреть сообщение
    А как же?Резистор 1,5МОм, +кондёр 1мкФ, по моему неплохая реактивность , и цепь длинновата через полевик. К тому же есть шанс разрыва петли ОС при выходе полевика из линейного режима.
    Я вот тоже думаю нафига там этот кондер. На Аудиомании пишут что он фильтрует шумы. Хотя я также подозреваю, что он добавляет инертности.

  10. #49
    Забанен (навсегда)
    Регистрация
    11.09.2009
    Сообщений
    3,975

    По умолчанию Re: Защита Мосфета от пробоя

    Цитата Сообщение от shura1959 Посмотреть сообщение
    А лампочка должна будет рассеять 30мА*320В=10Вт, и при обрыве нагрузки нужна защита, или лампу на 20Вт.
    То, что при падении на 3кОмном балласте в 50В больше 17мА не выйдет, Вас не смущает?


    Цитата Сообщение от shura1959 Посмотреть сообщение
    Резистор 1,5МОм, +кондёр 1мкФ
    Это ж форсирующая цепочка. Вы как-то слишком серьёзно воспринимаете ТС, не знающего даже закон Ома..

  11. #50
    Частый гость
    Автор темы

    Регистрация
    04.11.2019
    Сообщений
    435

    По умолчанию Re: Защита Мосфета от пробоя

    Цитата Сообщение от zoog Посмотреть сообщение
    Вы как-то слишком серьёзно воспринимаете ТС, не знающего даже закон Ома..
    Ну логично, если бы знал, то не спрашивал бы )))

  12. #51
    Забанен (навсегда)
    Регистрация
    11.09.2009
    Сообщений
    3,975

    По умолчанию Re: Защита Мосфета от пробоя


    Offтопик:
    Проблема в том, что Вы пытаетесь решать задачи 4го класса, не решив задачи 1го. Называйте меня фашистом, но я не представляю, как общаться на тех темы с человеком, не удосужившимся прочитать хотя бы 1е 3-4 главы букваря. Тем более, не понимающим, как вообще текут токи в схеме.

  13. #52
    Завсегдатай Аватар для shura1959
    Регистрация
    13.02.2009
    Адрес
    г. Ижевск
    Возраст
    66
    Сообщений
    3,416

    По умолчанию Re: Защита Мосфета от пробоя

    Цитата Сообщение от zoog Посмотреть сообщение
    То, что при падении на 3кОмном балласте в 50В больше 17мА не выйдет, Вас не смущает?
    Пока не смущает, поскольку ещё не видно принципиально устраивающего решения.
    Цитата Сообщение от zoog Посмотреть сообщение
    Это ж форсирующая цепочка.
    Ну, 1,5 мегомами, да длинными проводами много не "нафорсИшь"(С) .
    Offтопик:
    (примерно так высказывалась моя бабушка)
    «Не торопитесь соглашаться или опровергать. Не так уж важно, что утверждает или отрицает автор. Важно то, что он направляет Ваше внимание по определенному руслу». Павел Сергеевич Таранов.

  14. #53
    Забанен (навсегда)
    Регистрация
    11.09.2009
    Сообщений
    3,975

    По умолчанию Re: Защита Мосфета от пробоя


    Offтопик:
    Цитата Сообщение от shura1959 Посмотреть сообщение
    Ну, 1,5 мегомами, да длинными проводами много не "нафорсИшь"
    На самом деле к коррекции это не имеет отношение, просто увеличивает глубину ОС на частотах более нескольких герц. Но и не замедляет ничего.

  15. #54
    Завсегдатай Аватар для shura1959
    Регистрация
    13.02.2009
    Адрес
    г. Ижевск
    Возраст
    66
    Сообщений
    3,416

    По умолчанию Re: Защита Мосфета от пробоя

    Цитата Сообщение от zoog Посмотреть сообщение
    На самом деле
    я в курсе. На мой взгляд, такие большие номиналы не приемлемы в цепях с быстродействием под 200кГц. И если использовать исходную схему как основу, то надо всё пересчитывать, делать цепь ОС без возможных разрывов, и т.д.
    «Не торопитесь соглашаться или опровергать. Не так уж важно, что утверждает или отрицает автор. Важно то, что он направляет Ваше внимание по определенному руслу». Павел Сергеевич Таранов.

  16. #55
    Забанен (навсегда)
    Регистрация
    11.09.2009
    Сообщений
    3,975

    По умолчанию Re: Защита Мосфета от пробоя

    На 200к там 15кОм + вх. ёмкость (это не совсм хорошо, ну да ладно). Сама схем работает на частотах в сотни Гц, на кГц нужно лишь не генерило чтоб.

  17. #56
    Завсегдатай Аватар для shura1959
    Регистрация
    13.02.2009
    Адрес
    г. Ижевск
    Возраст
    66
    Сообщений
    3,416

    По умолчанию Re: Защита Мосфета от пробоя

    Цитата Сообщение от zoog Посмотреть сообщение
    Сама схем работает на частотах в сотни Гц
    А не маловато для параллельного стаба?
    «Не торопитесь соглашаться или опровергать. Не так уж важно, что утверждает или отрицает автор. Важно то, что он направляет Ваше внимание по определенному руслу». Павел Сергеевич Таранов.

  18. #57
    Забанен (навсегда)
    Регистрация
    11.09.2009
    Сообщений
    3,975

    По умолчанию Re: Защита Мосфета от пробоя

    Цитата Сообщение от shura1959 Посмотреть сообщение
    А не маловато для параллельного стаба?
    А сколько там с ывпрямителя приходит? 10я гармоника 100Гц - это 1 кГц, подавления хватит 40дБ на ней - это 0дБ на 100кГц. Зачем усложнять и наводить СВЧ?

  19. #58
    Частый гость
    Автор темы

    Регистрация
    04.11.2019
    Сообщений
    435

    По умолчанию Re: Защита Мосфета от пробоя

    Цитата Сообщение от shura1959 Посмотреть сообщение
    Ну, 1,5 мегомами
    А как ещё вы будете из 300 вольт делать 6 для плюсового входа ОУ? 1,5 МОм и 20 кОм - это делитель напряжения.

  20. #59
    Завсегдатай Аватар для shura1959
    Регистрация
    13.02.2009
    Адрес
    г. Ижевск
    Возраст
    66
    Сообщений
    3,416

    По умолчанию Re: Защита Мосфета от пробоя

    Цитата Сообщение от zoog Посмотреть сообщение
    это 1 кГц
    А как же реакция на нагрузку?

    Цитата Сообщение от Vortex Посмотреть сообщение
    А как ещё вы будете из 300 вольт делать 6 для плюсового входа ОУ? 1,5 МОм и 20 кОм - это делитель напряжения.
    Примерно так и будем, только надо ещё одну цепь ОС городить, что нежелательно. Я бы предложил Вам пересмотреть данное решение.
    «Не торопитесь соглашаться или опровергать. Не так уж важно, что утверждает или отрицает автор. Важно то, что он направляет Ваше внимание по определенному руслу». Павел Сергеевич Таранов.

  21. #60
    Частый гость
    Автор темы

    Регистрация
    04.11.2019
    Сообщений
    435

    По умолчанию Re: Защита Мосфета от пробоя

    Цитата Сообщение от shura1959 Посмотреть сообщение
    Я бы предложил Вам пересмотреть данное решение.
    Пересмотреть на какое?

Страница 3 из 5 Первая 12345 Последняя

Социальные закладки

Социальные закладки

Ваши права

  • Вы не можете создавать новые темы
  • Вы не можете отвечать в темах
  • Вы не можете прикреплять вложения
  • Вы не можете редактировать свои сообщения
  •