Страница 3 из 1209 Первая 1234513 ... Последняя
Показано с 41 по 60 из 24161

Тема: Электроника ТА1-003, Электроника-004, Олимп-003, Олимп-004, Олимп-005

  1. #1 Показать/скрыть первое сообщение.
    Завсегдатай
    Автор темы
    Аватар для Jenyok
    Регистрация
    05.11.2007
    Адрес
    Moscow
    Сообщений
    2,966

    По умолчанию Электроника ТА1-003, Электроника-004, Олимп-003, Олимп-004, Олимп-005

    .
    12.01.2020 года.
    .
    .
    Апгрейд, модернизация, ремонт катушечных магнитофонов (смотри заголовок темы), а также, магнитофонов Олимп-006, Олимп-700, Олимп-701, Олимп-702, Олимп А-400.
    .
    Обсуждается конструкция магнитофонов и узлов, схемотехника магнитофонов и отдельных блоков.
    .
    Любые схемы, новые схемы модернизации магнитофонов приветствуются.
    Любые печатные платы, новые печатные платы модернизации магнитофонов приветствуются.
    .
    Любые чертежи узлов, чертежи модернизаций узлов магнитофонов приветствуются.
    Любые чертежи новых деталей для магнитофонов приветствуются.
    .
    Любая документация по магнитофонам приветствуется.
    Любые описания по магнитофонам приветствуются.
    .
    Применение любой, даже экзотической элементной базы приветствуется, в том числе высокоскоростных ОУ, качественных конденсаторов и т.д.
    .
    Любая другая полезная техническая и иная информация по магнитофонам приветствуется.
    .
    Любые ссылки на аналогичные темы в других форумах приветствуются.
    .
    Посты, с архивами файлов PCB , SCH , гербер файлов, смотри сообщения на форуме.
    Некоторые схемы и платы выложены на форуме в нескольких вариантах, обратите на это внимание.
    .
    Проекты, реализованные в этой ветке.
    Ссылка.
    .
    https://cloud.mail.ru/public/vnhr/BfCatSVWf
    .
    Часть дерева директорий по ссылке
    (по тематике - магнитофоны с проектами схем и печатных плат (гербер файлы) для самостоятельного изготовления).
    .
    - Tape_Recorders
    |
    +- Electronika-004 - магнитофон Электроника-004 (некоторые специфичные проекты)
    |
    +- Olimp-003 - магнитофоны Электроника ТА1-003 , Электроника-004 , Олимп-003 (основные проекты)
    |
    +- Olimp-004 - магнитофон Олимп-004
    |
    +- Olimp-005C - магнитофон Олимп-005С
    |
    +- Olimp-005C-1 - магнитофон Олимп-005С-1
    |
    +- Idel-001 - магнитофон Идель-001
    |
    +- Nota-203 - магнитофон Нота-203
    |
    +- PCAD2006_Libraries - библиотеки компонентов САПР PCAD 2006 , используемых для магнитофонных проектах.
    |
    +- Multisym - схемы симуляции различных магнитофонных проектов и не только
    .
    и другие директории по ссылке, которые Вы смотрите и обследуете самостоятельно...
    Последний раз редактировалось Konkere; 26.07.2022 в 03:52.

  2. #41
    Завсегдатай
    Автор темы
    Аватар для Jenyok
    Регистрация
    05.11.2007
    Адрес
    Moscow
    Сообщений
    2,966

    По умолчанию Re: Электроника ТА1-003, Электроника-004, Олимп-003, Олимп-004, Олимп-005

    https://forum.vegalab.ru/showthread....=1#post1530823
    .
    Вот первый рисунок сверху.
    Или Вам нужен сайт откуда взята эта схема ?

  3. #42

    По умолчанию Re: Электроника ТА1-003, Электроника-004, Олимп-003, Олимп-004, Олимп-005

    Интересует сайт,статья,журнал-где об этом УВ есть информация(настройка,монтаж,работа) и есть ли у кого отзывы по его звучанию.
    С глубоким уважением,Виктор.

  4. #43
    Новичок
    Регистрация
    17.01.2009
    Адрес
    Новосиб
    Возраст
    47
    Сообщений
    97

    По умолчанию Re: Электроника ТА1-003, Электроника-004, Олимп-003, Олимп-004, Олимп-005


    Offтопик:
    О как. Оказывается не только Фрязино и Киров Revox A700 "слизали". Схему этого аппарата не нагуглил, но думаю - не удивят (голландцы).

    Хм, нагуглил. Судить Вам.

    Последний раз редактировалось badenn; 02.12.2012 в 18:18.

  5. #44
    Завсегдатай
    Автор темы
    Аватар для Jenyok
    Регистрация
    05.11.2007
    Адрес
    Moscow
    Сообщений
    2,966

    По умолчанию Re: Электроника ТА1-003, Электроника-004, Олимп-003, Олимп-004, Олимп-005

    Выложите плиз фотки датчика движения и направления магнитофона Олимп-004, та плата, которая крепится к правому датчику натяжения со стороны основной электроники магнитофона (с задней стороны).
    Интересует сама механика датчика, т.е. под каким углом расположены фотодиоды датчика ?
    .
    Заранее всем спасибо, кто откликнется...

  6. #45
    Регистрация не подтверждена
    Регистрация
    16.01.2013
    Сообщений
    185

    По умолчанию Re: Электроника ТА1-003, Электроника-004, Олимп-003, Олимп-004, Олимп-005

    При оцифровке с Олимп-004, мы наблюдаем резкую полосу на верхней частоте настройки головки в резонас. На Ревоксе такого не наблюдается Кто пробовал настроить аппарат не изменяя схему У.В ?

  7. #46
    Завсегдатай Аватар для Борисыч44
    Регистрация
    03.08.2005
    Адрес
    Киров
    Возраст
    66
    Сообщений
    6,250

    По умолчанию Re: Электроника ТА1-003, Электроника-004, Олимп-003, Олимп-004, Олимп-005

    "Оцифровка" музыки? похоже на сильный подъем шума - может головка запилена??

    Offтопик:
    что за ЗК до 96кГц?

  8. #47
    Регистрация не подтверждена
    Регистрация
    16.01.2013
    Сообщений
    185

    По умолчанию Re: Электроника ТА1-003, Электроника-004, Олимп-003, Олимп-004, Олимп-005

    Борисыч44,
    Мне кажеться НЕт
    Это я брал скан с Олимпа 004 у себя пробовал с Олимпа 003 поэтому отпала охота востанавливать.
    Оцифровка картой http://www.ixbt.com/proaudio/esi-juli@.shtml
    Верхняя граничная частота ( это полоса ), это настройка головки на верхнюю граничную в резонанс екостью
    Попробуйте и посмотрите Формат 24Х96 и выше

  9. #48
    Завсегдатай Аватар для Борисыч44
    Регистрация
    03.08.2005
    Адрес
    Киров
    Возраст
    66
    Сообщений
    6,250

    По умолчанию Re: Электроника ТА1-003, Электроника-004, Олимп-003, Олимп-004, Олимп-005

    На резонансе есно шум растет, в 003 на выходе УВ стоял еще RC фильтр на 15кГц, вместе с новой ферритовой головой шум почти ровный был

  10. #49
    Регистрация не подтверждена
    Регистрация
    16.01.2013
    Сообщений
    185

    По умолчанию Re: Электроника ТА1-003, Электроника-004, Олимп-003, Олимп-004, Олимп-005

    Борисыч44 Я показал как есть и полностью не разбирал

  11. #50
    Завсегдатай
    Автор темы
    Аватар для Jenyok
    Регистрация
    05.11.2007
    Адрес
    Moscow
    Сообщений
    2,966

    По умолчанию Re: Электроника ТА1-003, Электроника-004, Олимп-003, Олимп-004, Олимп-005

    Исправленная версия чертежа держателя катушек (аля Akai).
    Чертежи проверены в железе.
    В Photoshop, например, инвертируйте изображение (цвета) чертежа, рисунок будет на черном фоне.
    Чертежи есть в AutoCad 2007 .
    3D модель рисовать нет времени.
    .
    Миниатюры Миниатюры Нажмите на изображение для увеличения. 

Название:	detal3_4.jpg 
Просмотров:	1975 
Размер:	179.7 Кб 
ID:	174285  
    Последний раз редактировалось Jenyok; 17.01.2013 в 09:30.

  12. #51
    Частый гость Аватар для DjAndy
    Регистрация
    20.02.2007
    Адрес
    xUSSR
    Возраст
    60
    Сообщений
    384

    По умолчанию Re: Электроника ТА1-003, Электроника-004, Олимп-003, Олимп-004, Олимп-005

    Жёлтые линии плохо видно.
    В чём это рисовалось?
    Можно перерисовать в 3D модель.
    ICQ: 35832116
    E-Mail: da_c [AT] mail.ru
    Тел. +380-67-7660055, +380-93-9203719, +380-99-5215586
    Андрей

  13. #52
    Завсегдатай
    Автор темы
    Аватар для Jenyok
    Регистрация
    05.11.2007
    Адрес
    Moscow
    Сообщений
    2,966

    По умолчанию Re: Электроника ТА1-003, Электроника-004, Олимп-003, Олимп-004, Олимп-005

    Нажмите на изображение для увеличения. 

Название:	detal18.jpg 
Просмотров:	1793 
Размер:	192.8 Кб 
ID:	174453
    .
    Нажмите на изображение для увеличения. 

Название:	detal18_2add.jpg 
Просмотров:	1537 
Размер:	208.2 Кб 
ID:	174425
    .
    Чертежи крышки блока головок магнитофонов Олимп 003, Электроника 003, Электроника 004 .
    Всего 6-ть видов крышки на чертежах (2-а листа по 3-и вида на каждом листе).
    Чертежи есть в Autocad 2007 .
    .
    Последний раз редактировалось Jenyok; 17.01.2013 в 22:48.

  14. #53
    Завсегдатай
    Автор темы
    Аватар для Jenyok
    Регистрация
    05.11.2007
    Адрес
    Moscow
    Сообщений
    2,966

    По умолчанию Re: Электроника ТА1-003, Электроника-004, Олимп-003, Олимп-004, Олимп-005

    Все, размещенные в этой теме чертежи, есть в AutoCAD 2007 и AutoCAD R14 .
    Кому интересно, пишите в личку.
    Вышлю по запросу.
    .

  15. #54
    Завсегдатай
    Автор темы
    Аватар для Jenyok
    Регистрация
    05.11.2007
    Адрес
    Moscow
    Сообщений
    2,966

    По умолчанию Re: Электроника ТА1-003, Электроника-004, Олимп-003, Олимп-004, Олимп-005

    Вот упоминание о двигателе ДМТ-4
    .
    Двигатели / Асинхронный с короткозамкнутым ротором ДМТ-4
    Наименование Асинхронный с короткозамкнутым ротором
    Марка ДМТ-4
    Область применения Исключен из номенклатуры 2000 г.
    Род тока 3-ф, 50 Гц
    Напряжение, В 130
    Мощность, кВт Не указана
    Момент, Н•м -
    Частота вращения, об/мин 1050
    Диаметр вала, мм 9
    Нормативно-технический документ Не указан
    .
    Для магнитофонов Олимп-70х серии.
    .
    Можно легко прикинуть максимальную скорость ленты при вале d=9 мм и частоте вращения двигателя n=1050 об./мин.
    V=( pi * d * n ) / 60, мм /сек.
    V=( 3.14 * 9 * 1050 ) / 60 = 494,8 мм/сек или = 49,48 см/сек (что больше и достаточно для скорости 38,1 см/сек).
    .

  16. #55
    Завсегдатай
    Автор темы
    Аватар для Jenyok
    Регистрация
    05.11.2007
    Адрес
    Moscow
    Сообщений
    2,966

    По умолчанию Re: Электроника ТА1-003, Электроника-004, Олимп-003, Олимп-004, Олимп-005

    MotorControl4.pdf
    .
    MotorControl7.pdf
    .
    Схема контроллера ведущего двигателя ДМ-5,
    схема индикатора и кнопок управления контроллером двигателя, см. вложения.
    Схема контроллера на ARM STM32F415 .
    .
    Хотелось бы конструктивной критики конкретно по схемам.
    .

  17. #56
    Завсегдатай
    Автор темы
    Аватар для Jenyok
    Регистрация
    05.11.2007
    Адрес
    Moscow
    Сообщений
    2,966

    По умолчанию Re: Электроника ТА1-003, Электроника-004, Олимп-003, Олимп-004, Олимп-005

    Кто нибудь может сказать или измерить, при наличии оборудования, следующее...
    Ведущий двигатель ДМ-5 (ДМ-1), Электроника ТА1-003, Олимп-003, Олимп-004, Олимп-005, Олимп-006.
    Шероховатость вала двигателя (Ra, Rz) ?
    Твердость вала двигателя (HRC, HRA, HB) ?
    .
    Очень интересно...

  18. #57
    Завсегдатай
    Автор темы
    Аватар для Jenyok
    Регистрация
    05.11.2007
    Адрес
    Moscow
    Сообщений
    2,966

    По умолчанию Re: Электроника ТА1-003, Электроника-004, Олимп-003, Олимп-004, Олимп-005

    Нажмите на изображение для увеличения. 

Название:	IMG_ 003.jpg 
Просмотров:	1105 
Размер:	1.84 Мб 
ID:	183592
    Нажмите на изображение для увеличения. 

Название:	IMG_ 001 copy.jpg 
Просмотров:	1014 
Размер:	933.3 Кб 
ID:	183597
    Нажмите на изображение для увеличения. 

Название:	IMG_ 002.jpg 
Просмотров:	1071 
Размер:	1.83 Мб 
ID:	183593
    Нажмите на изображение для увеличения. 

Название:	IMG_ 004.jpg 
Просмотров:	1039 
Размер:	1.75 Мб 
ID:	183594
    Нажмите на изображение для увеличения. 

Название:	IMG_ 005.jpg 
Просмотров:	1038 
Размер:	1.84 Мб 
ID:	183595
    Нажмите на изображение для увеличения. 

Название:	IMG_ 006.jpg 
Просмотров:	1055 
Размер:	1.79 Мб 
ID:	183596
    .
    Втулка насадка на вал ведущего двигателя ДМ-5 (ДМ-1), купленная в ТТЦ Шанс, г. Киров.
    Размеры втулки.
    .
    Длина = 16,8 - 0,01 мм
    Внешний диаметр = 12 -0,01 мм
    Внутренний диаметр = 5,95 + 0,03 мм
    Несоосность внешнего и внутреннего диаметра = 0,005 мм
    Внешний, внутренний диаметры, одна торцевая часть отшлифованы, см. фото.
    .
    Марку стали, твердость, шероховатость пока установить не удалось.
    Втулка явно закалённая.
    .
    Предполагаемая сталь марки 40x, 20XH3A, 30ХГСА .
    Закалена до HRC = 56 ... 65 .
    Предполагаемая шероховатость Ra = 0.32 ... 0.16 мкм (0.20 мкм).
    .
    Последний раз редактировалось Jenyok; 12.05.2013 в 09:56.

  19. #58
    Завсегдатай Аватар для Openreel
    Регистрация
    02.09.2006
    Адрес
    Санкт-Петербург
    Возраст
    51
    Сообщений
    3,520

    По умолчанию Re: Электроника ТА1-003, Электроника-004, Олимп-003, Олимп-004, Олимп-005

    Цитата Сообщение от Jenyok Посмотреть сообщение
    Схема контроллера на ARM STM32F415 .
    .
    Хотелось бы конструктивной критики конкретно по схемам
    Это только на ведущий вал?
    Попытка сделать самодельный частотник?

    На работе с частотниками наигравшись по самое нехочу, срут они помехами ТАК, что в мафон такое пузырить я бы категорический не стал, даже на 5 метров.
    И это не самопал свистит, а всякие Омроны и прочие...

    На схеме никаких фильтров для ШИМа не видать, это будет даже не дикий ужос, это будет просто полный песец.
    Хочется выпендрежа - сделать частотный привод - тогда отдельный ящег с тремя аналоговыми усилителями, это в случае с Олимпами без вариантов.
    Там с движков наводки прут, не делать же еще и механику с нуля...
    WBR, Michael.
    Цель расчетов - понимание, а не числа (с) Хемминг.

  20. #59
    Завсегдатай
    Автор темы
    Аватар для Jenyok
    Регистрация
    05.11.2007
    Адрес
    Moscow
    Сообщений
    2,966

    По умолчанию Re: Электроника ТА1-003, Электроника-004, Олимп-003, Олимп-004, Олимп-005

    Частоты для двигателя.xls
    .
    Расчеты для двигателя ДМ-5 (ДМ-1).
    .
    Вывод, схема стабилизации скорости вращения ведущего двигателя для магнитофона Олимп-004 более точная, чем для Олимп-005 .
    .
    Последний раз редактировалось Jenyok; 12.05.2013 в 21:37.

  21. #60
    Завсегдатай
    Автор темы
    Аватар для Jenyok
    Регистрация
    05.11.2007
    Адрес
    Moscow
    Сообщений
    2,966

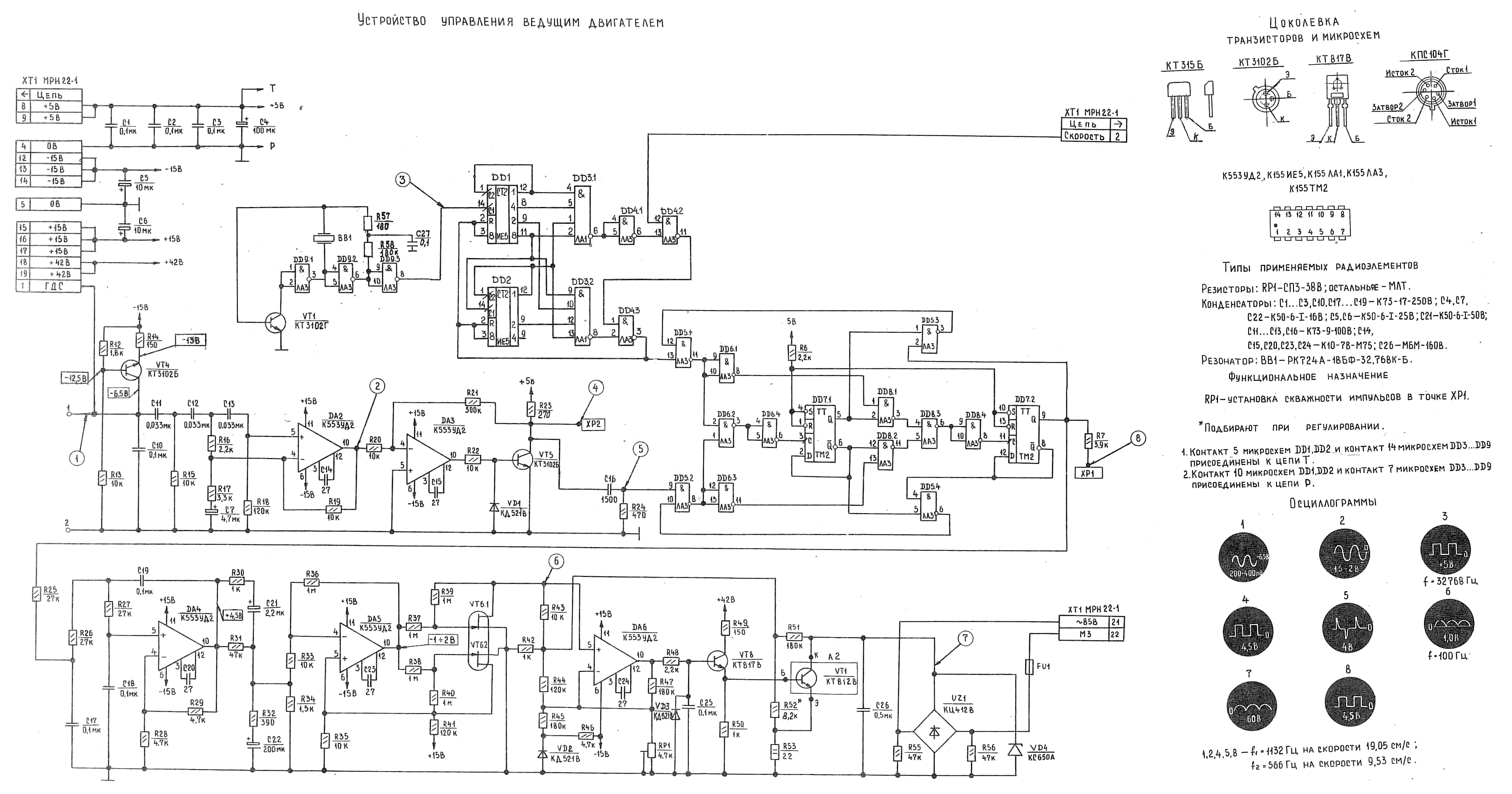
    По умолчанию Re: Электроника ТА1-003, Электроника-004, Олимп-003, Олимп-004, Олимп-005

    Схемы стабилизатора скоростей Олимп-004 и Олимп-005С .
    .
    Миниатюры Миниатюры Нажмите на изображение для увеличения. 

Название:	16_capstan.png 
Просмотров:	1953 
Размер:	579.2 Кб 
ID:	183958   Нажмите на изображение для увеличения. 

Название:	11_0001 copy.jpg 
Просмотров:	1813 
Размер:	1.32 Мб 
ID:	183959  

Страница 3 из 1209 Первая 1234513 ... Последняя

Социальные закладки

Социальные закладки

Ваши права

  • Вы не можете создавать новые темы
  • Вы не можете отвечать в темах
  • Вы не можете прикреплять вложения
  • Вы не можете редактировать свои сообщения
  •