От сюда/сюда:
https://forum.vegalab.ru/showthread....0%D1%82/page29
Дабы незасорять тему о превосходном девайсе, предлогаю этакую "мало изученную" проблему обсудить в отдельной, новой теме.
Начну новую, как продолжение как бы оффтопа на USB транспорт, теме.
начало оффтоп-ов c #562
Рег. громкости, Фантомы, к ним слишком мало внимания!
Регулятор громкости, по сути есть везде и это такая ежедневная, кажеться понятная вещь, что,:
ставим (кто какой сможет, по цене/качеству) и дальше незадумываемся, что в нём теряем до... хх % звука.
И это мало кому потом интерестно. Из оперы "-Поставил и забыл".
"Забыл" это, довольно неправильно.
Регулятор громкости, особенно высокоомный (выше
1 Килоома) всегда евляеться такой "пробкой" на пути сигнала, что дальше искать и решать проблемы "незвучания" системы просто бесполезно!
Ну перекидывают иногда "ALPS голубой, на ALPS синий" или DACT на другой шаговик, на SMD или какие нить другие из той же оперы. Но этакие замены, такая же ерунда, как и перетык шнурков или конденсаторов на входах/выходах девайсов, которых (конденсаторов) вообще на пути сигнала вообще быть недолжно ни где!
IMXO
Меньше:
1. Oтсутствие регулятора или любого делителя.
Делаем усилитель для прслушивание, скажем классики. С фиксированным усилением, для конкретной комнаты и конкретной акустики
https://www.vegalab.ru/images/smilies/icon_smile.gif(из мира фантастики)
2. Oтсутствие регулятора или любого делителя, но
+ 1 резик "на землю" перед входом, чтобы без нагрузки ВХОДА УНЧ, возбуд (иногда) неубил усь.
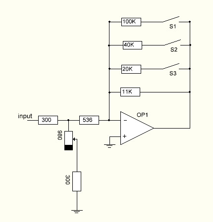
3. Некий компромис на 3...5 "положений громкости" при компоновке делитель/изменение коефициента усиления, при том, что неделать или совсем без звука, или полную мощность, дабы было меньше деталей, реле, расстоханий.
Моя главная надежда, при приобретении USB транспорта и была избавиться от регулятора. Увы, мечта так и осталась мечтой.
Ни на коком либо другом железе вообще, уменьшение громкости в фообаре, недавала хоть каких то ухудшений.
Снял патенц... даже -0.5 ДБ, слышно. Самое малое влияние (конечно это мизер, по сравнению с другими регуляторами) даёт простой делитель, фиксированный, включён как делитель, просто на входе уся, без проводков или доп. дорожек платы.
Делитель на таких резисторах: собрать смог (больше, достойного качества под рукой небыло... пока) :
Вложение 152999Не самые "позади стоящие", если не самые крутые.
Недумаю, что какая нибудь матрица их превзошла бы. Но звук даже такой делитель тоже портит. Меньше всего выше упомянутого, но портит!
С
любым другим регулятором будет хуже, т.к. в любом случае будет платка, проводки и (или) дорожки , несколько делителей. Каждый делитель по другому нагружает или выхлоп, или вход уся. Разница в звуке, между разными положениями регулятора громкости, будет всегда (при изменении коеффициента деления (громкости) будет не то, что лучше или хуже, но сильно
ПО ДРУГОМУ (кто хочет это услышать, услышит). А вот на сколько "разная разница", вопрос другой.
Это поймут токо те, кто реально послушает с и без "потенциометра". А таких, кто этакое прослушивал сколько? 10 наберёться в форуме?
Вряд ли...
Зато спорить будут... ... кому не лень..
Но!
Иных выходов из ситуации, увы нету.
Возможно (???) такой вариант:
http://www.ebay.com/itm/2-X-HIGH-QUA...item588d56a8ac
На последок замечу и даже выделяя жирным шрифтом:
Всё это годиться при ПРАВИЛЬНОМ сопротивлении входа последующего блока системы (в данном случае УНЧ). Т.е. меньше 1 Килоома!!! ну и без переходных конденсаторов, естественно.
Иначе всё сказанное выше теряет смысл. "Пропадание" регулятора громкости (или его замена на Никитин-овский)
даёт такую мизерную разницу, что на такие "разницы"/изменения в звуке, я даже внимания необращаю.
Те, у которых (это преимущественное большинство) входы 10 ком и даже выше, играйтесь со шнурками "от $1000" как кто то сказал) больше пользы будет.
Или фильтрами питания, которые дают разницу в звуке, при недоделанных (или полудоделанных) системах

Социальные закладки