Страница 3 из 52 Первая 1234513 ... Последняя
Показано с 41 по 60 из 1038

Тема: Разработка моноблока универсально применения для авто.

  1. #1 Показать/скрыть первое сообщение.
    Завсегдатай
    Автор темы
    Аватар для Nitro
    Регистрация
    02.11.2006
    Адрес
    г.Ростов-на-Дону
    Возраст
    46
    Сообщений
    2,922

    Круто! Разработка моноблока универсально применения для авто.

    [Доброго всем! Не секрет что лучший вариант усиления когда можно набрать нужное число каналов из одноканальников. То есть поставить либо в рядок нужное число усилителей, либо разместить усилители рядом с акустикой под торпедой, в результате будет минимальная длина проводки- а это минимум потерь.
    В общем мне видится что нужно всего две модификации этих моноблоков:
    1)АБ с чуток увеличенным током покоя(регулируемый) мощностью в 50Вт на 8Ом, 100 на 4-ре и 150-180 на 2Ома(тут наступит скорее всего предел БП). Схему думаю стоит делать на паре 1943/5200.
    2)UcD с вдвое большей мощностью. Он в основном будет применён для басовой части, или когда важнее уровень громкости.(мне так видится).
    Конструктив мне виндится в виде кирпичика 100х250х50 с обычным радиатором по стенке 100х250 с оребрением вдоль длинной стороны. Питание и акустические выходы с одной короткой стороны, а вход и регулятор чутья и место под плагин для фич(кросс карта например или задача тока покоя, в общем для допфункционала если кому надо).
    Начинку думаю можно сделать модульной БП один для обоих вариантов(с вариациями по комплектации конденсаторами во вторичке), а модуль усиления на отдельной плате однинокового размера для обоих вариантов.
    Питания надо чтоб было два на выходе с БП для усиления +-40В и для преда, модуля доопций +-15В.
    С уважением, Михаил.
    Партлист(дополняеться) ATTACH]116355[/ATTACH]
    Вложения Вложения
    • Тип файла: xls BOM.xls (20.5 Кб, Просмотров: 2713)
    Последний раз редактировалось Nitro; 04.03.2011 в 19:19.

  2. #41
    Завсегдатай Аватар для .Ден.
    Регистрация
    26.02.2006
    Адрес
    Обнинск
    Возраст
    54
    Сообщений
    1,536

    По умолчанию Re: Разработка моноблока универсально применения для авто.

    Цитата Сообщение от Александр Котов Посмотреть сообщение
    выход 7 компаратора должен спалить выход 9 ИМС (или наоборот).
    С TL494 не спутали?

  3. #42

    По умолчанию Re: Разработка моноблока универсально применения для авто.

    Цитата Сообщение от .Ден. Посмотреть сообщение
    Ок.
    Итак, имеем схему БП усилителя, выпускаемого промышленно. Что думается- два трансформатора, один под мощного потребителя, около 400Вт, другой- маломощный, ватт 50-80. Первый для питания выходных каскадов или модулей импульсных усилителей, другой- для УН либо для питания оперов.
    Собственно, вопросы-
    1. Одну микруху 3525 для обоих трансов пользовать или лучше на каждый трансформатор свою?
    2. Для снятия с транса 400Вт хватит про паре в каждое плечо IRF3205?
    3. Выкладываю схему, температурная защита и задержка для включения акустики там есть, а как бы присобачить защиту по току и выходных ключей?

    полный размер изображения по ссылке- http://photofile.ru/users/knopfler/2...85/full_image/
    ИМХО:
    1) одну.
    2) достаточно, кстати, имейте в виду, что в аудио 400Вт, это 800Вт в пике (например 20гц клиппинг, рэил питания на 25мС замыкается на 4[2]ома), причём в свете тепловой инерционности то220, пик этот вечный.
    3) сорри, нет времени смотреть схему, но родился встречный вапроц - что такое защита по току и что такое, для вас, защита вых.ключей? Как по мне, так это один функциональный узел, реализовать его так же просто, как и на 494, только подстроить придётся порог выше.
    PS: не открывается ваша картинка, перезалейте на яндех что-ли.

    Александ Котов, вы знаете, ваш случай, вполне может обойтись без снабберов вообще, так как dI/dt они ну ни как всерьёз не снизят, кстати непонятно зачем вам понадобилось это снижение, если вы сами отказались от резов в гейтах? RC снаббер тут нужен чтобы снизить-успокоить рингинг, который помешает на EMI тестах и вообще попортит S/N. Я же говорил о рекуперации, то есть о возврате энергии индуктивности рассеяния транса, в шину питания, что повышает КПД и опять же может снизить помехи. Вариантов этого действа множество, например уважаемый мною Гиратор, как-то приводил пример ПП с рекуперацией. В прочем, для 200вт шкурка выделки не стоит (всё же померьте Ls и оцените вклад потерь в общий КПД), вот дену на 400вт, озаботиться бы следовало, а так же алексею с его 500вт+ в спичечном коробке, так как 1мгц (при прочих равных, нужно рассеивать в 20 раз больше, чем на 50кгц) и регулируемый (при прочих равных, рассеивать вчетверо больше, это при 2х кратном запасе на регулирование, что довольно скромно), хоть и на пэйтоне с небольшой Ls.
    PS: Александр, я не буду, с вашего позволения, возвращаться к этой теме, поскольку что-то доказывать ещё и ещё раз, вам лично мне не интересно, я опасаюсь увязнуть в этих детских дискуссиях, как в болоте, вы же видели о чём мне приходилось спорить с дикими токарями? С меня достаточно, не хотите, не верьте мне, думайте сами.
    Не знаю почему, но у моих американских клиентов есть предубеждение на счёт русских инженеров, мол они чудеса творят, там где казалось бы уже всё перепахано до них, мне несколько раз приходилось слышать, о том как американцы горды, что в их компании работают русские. Так вот, у меня предложение, давайте попробуем удержать эту планку, установленную до нас на приличном уровне и делать всё, что можем на выдающемся уровне? Давайте спорить, только чтобы обнаружить истину, а не для того чтобы "посраццо в комментах", понимаю, это теперь не модно, но ведь интересно и цель благородна. А?
    Последний раз редактировалось IVX; 08.11.2010 в 05:29.
    Импульсно всё, в этом мире бушующем..

  4. #43
    Завсегдатай
    Регистрация
    06.01.2007
    Адрес
    г. Пенза
    Возраст
    61
    Сообщений
    2,684

    По умолчанию Re: Разработка моноблока универсально применения для авто.

    Цитата Сообщение от .Ден. Посмотреть сообщение
    1. Одну микруху 3525 для обоих трансов пользовать или лучше на каждый трансформатор свою?
    Одной достаточно, только нужно убрать R32, R33, R34, R35.
    Q6,Q7,Q8,Q9 надо расположить как можно ближе к своей группе ключей.
    Не смотря на Q6,Q7,Q8,Q9, ток заряда затворов идёт напрямую с SG3525, значит её тоже надо расположить таким образом, чтобы общий провод SG3525 не набрал силовых токов от ключей.
    Цитата Сообщение от .Ден. Посмотреть сообщение
    Для снятия с транса 400Вт хватит про паре в каждое плечо IRF3205?
    Хватит.
    Цитата Сообщение от .Ден. Посмотреть сообщение
    а как бы присобачить защиту по току и выходных ключей?
    Можно так, https://forum.vegalab.ru/showthread....=1#post1139136 только на частотах, выше 50кГц точность будет невысокая из-за влияния ёмкости диодов.
    Все полупроводники в этой защите имеют температурную нестабильность параметров, так что есть место для творчества.
    Смысл в том, что нужно сравнить напряжение на открытом канале, с опорным, в тот момент когда на затворе высокий уровень.

  5. #44
    Завсегдатай Аватар для Vjumajlo
    Регистрация
    11.04.2009
    Адрес
    ДВР
    Возраст
    64
    Сообщений
    4,276

    По умолчанию Re: Разработка моноблока универсально применения для авто.

    По 1) и 2) давайте ещё глянем как реализуется в заводском ПН-1200(правда,, на TL-ке)Нажмите на изображение для увеличения. 

Название:	ПН-1200 Lanzar RK 1200-2c.GIF 
Просмотров:	1834 
Размер:	34.2 Кб 
ID:	102698
    В голове есть не только рот, чтобы говорить и есть, но и мозг, чтобы хоть иногда вспоминать, что он там есть.
    Думай. Думай всегда…
    И даже, если нечем думать, напрягись - мысль обязательно появится. Иначе ты никто. (Вова)

  6. #45
    http://akotov.narod.ru Аватар для Александр Котов
    Регистрация
    19.10.2004
    Адрес
    Ленобласть
    Возраст
    55
    Сообщений
    3,182

    По умолчанию Re: Разработка моноблока универсально применения для авто.


    Offтопик:
    Цитата Сообщение от IVX Посмотреть сообщение
    вполне может обойтись без снабберов вообще, так как dI/dt они ну ни как всерьёз не снизят, кстати непонятно зачем вам понадобилось это снижение, если вы сами отказались от резов в гейтах? RC снаббер тут нужен чтобы снизить-успокоить рингинг, который помешает на EMI тестах и вообще попортит S/N. Я же говорил о рекуперации, то есть о возврате энергии индуктивности рассеяния транса, в шину питания,
    Когда я писал, что схема будет уточняться, то имел ввиду как раз и снабберы, номиналы и расположение. Только макетирование с окончательно намотанным трансформатором позволит оценить необходимость снаббера параллельно первичной обмотке трансформатора, так как встает дилемма: рассеять энергию "ринга" на снаббере или передать ее (с пользой) во вторичную обмотку. Все расчеты носят очень приблизительный характер, так как повсюду в литературе при расчетах трансформаторов преобразователей преобразуемый ток принимается синусоидальным. При этом, совершенно очевидно, что скорость нарастания ринга всегда меньше скорости нарастания фронта импульса (это следует из закона сохранения энергии), а снизить частоту ринга можно только снижением скорости нарастания фронта, что увеличивает рассеяние мощности на ключе.


    Цитата Сообщение от .Ден. Посмотреть сообщение
    С TL494 не спутали?
    Вывод 9 в ИМС SG3525 является выходом внутреннего операционного усилителя с последовательно включенным резистором 30 Ом.
    Гляньте внутренюю схему SG3525: Q3 или Q4 или R (30 Ом) сдохнет от перегрева, может, референсный источник.
    Для реализации защиты есть вывод 10.
    Вложения Вложения

  7. #46
    Завсегдатай Аватар для .Ден.
    Регистрация
    26.02.2006
    Адрес
    Обнинск
    Возраст
    54
    Сообщений
    1,536

    По умолчанию Re: Разработка моноблока универсально применения для авто.

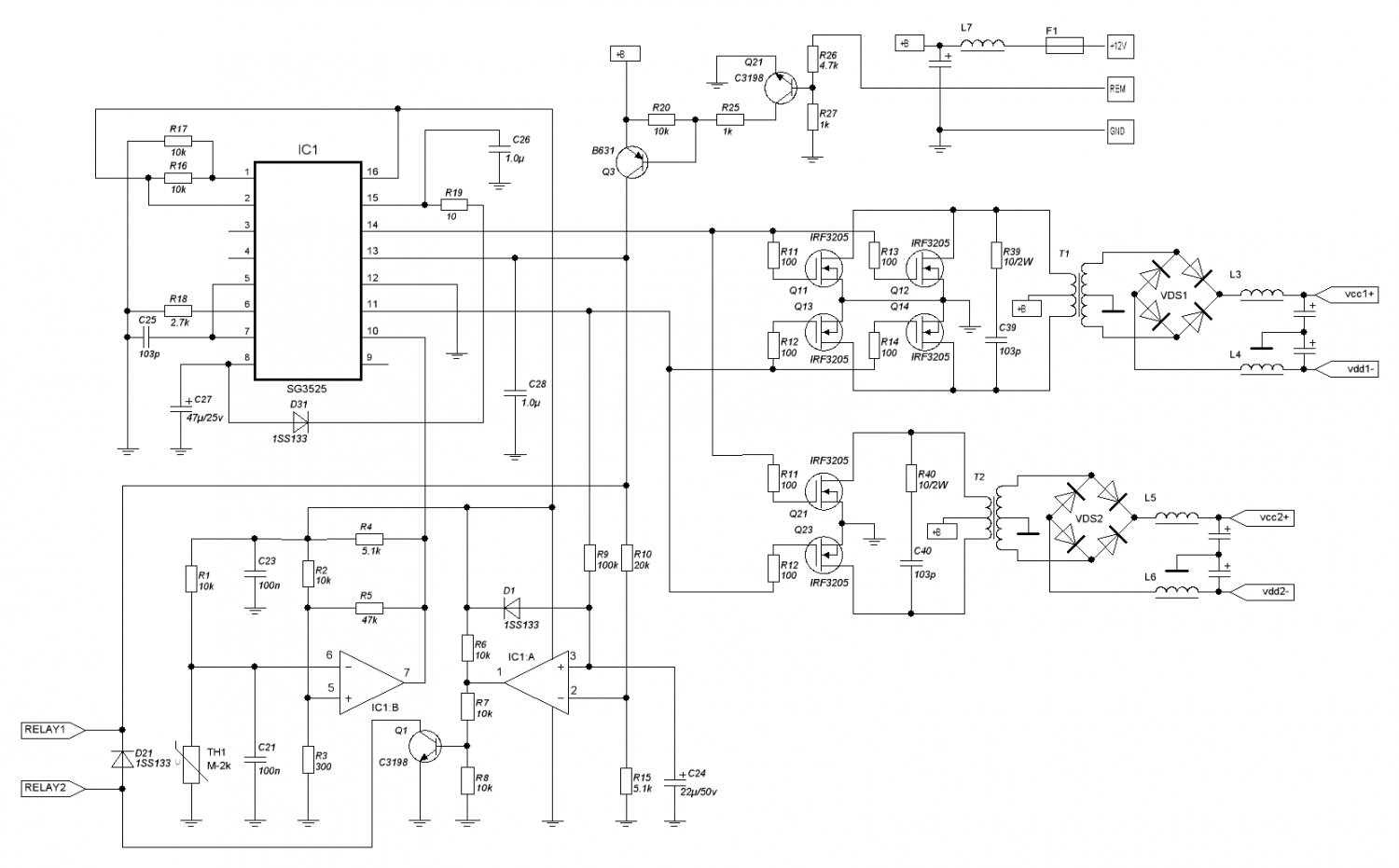
    Через час выложу схему в S-plan, будет попроще с просмотром и реализацией.
    Нажмите на изображение для увеличения. 

Название:	pwm.jpg 
Просмотров:	1637 
Размер:	129.2 Кб 
ID:	102716


    Цитата Сообщение от Александр Котов Посмотреть сообщение
    Гляньте внутренюю схему SG3525
    Даташит смотрел. КМК, если на этом выводе появится сигнал, то он выключит модуляцию, соответственно, отключатся выходы на ключи. Поправьте, если я заблуждаюсь.
    Последний раз редактировалось .Ден.; 08.11.2010 в 14:23.

  8. #47
    http://akotov.narod.ru Аватар для Александр Котов
    Регистрация
    19.10.2004
    Адрес
    Ленобласть
    Возраст
    55
    Сообщений
    3,182

    По умолчанию Re: Разработка моноблока универсально применения для авто.

    Управлять принято входами, а не выходами. Может, и выключится, раз и навсегда

  9. #48
    Регистрация не подтверждена
    Регистрация
    28.01.2007
    Адрес
    Украина, Полтава.
    Возраст
    38
    Сообщений
    283

    По умолчанию Re: Разработка моноблока универсально применения для авто.

    Не забудьте зашунтировать электролиты (в силовой части) мелкой смд керамикой. 0805 0.1мк/50в.

  10. #49
    Завсегдатай Аватар для LepekhinV
    Регистрация
    20.02.2007
    Адрес
    г.Рязань
    Возраст
    66
    Сообщений
    4,444

    По умолчанию Re: Разработка моноблока универсально применения для авто.


    Offтопик:
    Dr.Gradus, "Минздрав СССР предупреждает" ?
    [b]
    А не взять ли за основу?Вложение 102718

  11. #50
    Завсегдатай
    Автор темы
    Аватар для Nitro
    Регистрация
    02.11.2006
    Адрес
    г.Ростов-на-Дону
    Возраст
    46
    Сообщений
    2,922

    По умолчанию Re: Разработка моноблока универсально применения для авто.

    Цитата Сообщение от LepekhinV Посмотреть сообщение
    Offтопик:
    Dr.Gradus, "Минздрав СССР предупреждает" ?
    [b]
    А не взять ли за основу?Вложение 102718
    Вполне можно, только узел ремоута можно сделать на стабилизаторе 4-х ногом с управляющим входом, заодно и питание SG3525 застабилизировать и деталей меньше выйдет. Ну и перевести всё максимально на фирму и SMD - чтоб надёжно и компактно вышло. Правда и-за дроселя придётся ограничится лишь парой крупных конденсаторов на выходе.
    Предлагаю взять подобную схему за основу, чтобы уменьшить "вариации на тему".

  12. #51

    По умолчанию Re: Разработка моноблока универсально применения для авто.

    .Ден., прав котов 100%, кроме того, у вас напутано с логикой выключения и гистерезисом, то есть пины 5 и 6 у 393 нужно поменять местами. Для выключения, у вас есть специальный вход S-Down. Я бы не делал никаких буферов с 3535 вообще, если в гейтах по 100ом и R32 etc выбросьте, как в прочем и R29 etc. C26, C28 не нужны большие, поставьте мелкую керамику до 1мкф. После выпрямителей, индукторы, хоть небольшие, но полегче будет.
    Импульсно всё, в этом мире бушующем..

  13. #52
    Завсегдатай Аватар для .Ден.
    Регистрация
    26.02.2006
    Адрес
    Обнинск
    Возраст
    54
    Сообщений
    1,536

    По умолчанию Re: Разработка моноблока универсально применения для авто.

    IVX, внес поправки.

    Нажмите на изображение для увеличения. 

Название:	pwm1.jpg 
Просмотров:	2065 
Размер:	131.4 Кб 
ID:	102727

  14. #53
    Завсегдатай
    Автор темы
    Аватар для Nitro
    Регистрация
    02.11.2006
    Адрес
    г.Ростов-на-Дону
    Возраст
    46
    Сообщений
    2,922

    По умолчанию Re: Разработка моноблока универсально применения для авто.

    Серийные вариации на данную тему - почему-то не тянет покупать ....http://piti.ru/product/?id=487

  15. #54
    Завсегдатай Аватар для .Ден.
    Регистрация
    26.02.2006
    Адрес
    Обнинск
    Возраст
    54
    Сообщений
    1,536

    По умолчанию Re: Разработка моноблока универсально применения для авто.

    Цитата Сообщение от Nitro Посмотреть сообщение
    Серийные вариации на данную тему - почему-то не тянет покупать ....http://piti.ru/product/?id=487
    Я держал такой в руках, и предсерийный вариант даже послушал. Жалко, что корпус с обрезком БП дороговато обойдется
    Кстати, у Ивана по идее такие должны быть в наличии.

  16. #55

    По умолчанию Re: Разработка моноблока универсально применения для авто.

    Цитата Сообщение от .Ден. Посмотреть сообщение
    IVX, внес поправки.

    Нажмите на изображение для увеличения. 

Название:	pwm1.jpg 
Просмотров:	2065 
Размер:	131.4 Кб 
ID:	102727
    да, пойдёт, только теперь у вас мосфеты тяжелее и 100ом для них великовато, думаю 51ом ок, плюс увеличить чуть-чуть дед тайм (добавьте 51-100ом с пина 7 на пин 5). Ещё я бы выбросил R16,17, или можно использовать их вместо R10, R15 и С27 вместо С24. Не уверен, если вам нужен Q1, 393 своими 15мА вероятно легко толкнёт правильное реле. То есть дочерта лишнего. И на последок добавил бы зенер 5.6в последовательно с R26, ремоут должен сработать на 6в.
    Импульсно всё, в этом мире бушующем..

  17. #56
    Завсегдатай
    Автор темы
    Аватар для Nitro
    Регистрация
    02.11.2006
    Адрес
    г.Ростов-на-Дону
    Возраст
    46
    Сообщений
    2,922

    По умолчанию Re: Разработка моноблока универсально применения для авто.

    Цитата Сообщение от .Ден. Посмотреть сообщение
    Я держал такой в руках, и предсерийный вариант даже послушал. Жалко, что корпус с обрезком БП дороговато обойдется
    Кстати, у Ивана по идее такие должны быть в наличии.
    Доноры с БП бывают и доступней, бывают и с корпусом поудачней. Но я склонен делать оригинал повторымиый без доноров.
    У Ивана усей нет, тока что ему звонил.

  18. #57
    Завсегдатай Аватар для .Ден.
    Регистрация
    26.02.2006
    Адрес
    Обнинск
    Возраст
    54
    Сообщений
    1,536

    По умолчанию Re: Разработка моноблока универсально применения для авто.

    Цитата Сообщение от Nitro Посмотреть сообщение
    Но я склонен делать оригинал повторымиый без доноров.
    Тогда возникает вопрос выбора корпуса. Для полноценного АВ, а не жалких автоподелок на эту тему, которыми завалены прилавки, потребуется достаточно развитый радиатор. У меня для двух плат "немца" с трудом хватает такой пластины.
    Последний раз редактировалось .Ден.; 08.11.2010 в 19:45.

  19. #58
    Завсегдатай Аватар для LepekhinV
    Регистрация
    20.02.2007
    Адрес
    г.Рязань
    Возраст
    66
    Сообщений
    4,444

    По умолчанию Re: Разработка моноблока универсально применения для авто.

    Цитата Сообщение от .Ден. Посмотреть сообщение
    У меня для двух плат "немца" с трудом хватает такой пластины.
    Немудрено.Это ж "real class AB", как пишут в рекламных проспектах производители автоусей. С убогими радиаторами автомобильных усилителей - только принудительный обдув. Причём, организовать этот обдув надо будет правильно. А именно - закрыв П-образным профилем рёбра радиатора для образования туннеля. И с торца этого туннеля пристроить кулер. Тогда и мощность приличную снять можно (при нормальном токе покоя выходников).
    Последний раз редактировалось LepekhinV; 08.11.2010 в 20:57.

  20. #59
    Завсегдатай
    Автор темы
    Аватар для Nitro
    Регистрация
    02.11.2006
    Адрес
    г.Ростов-на-Дону
    Возраст
    46
    Сообщений
    2,922

    По умолчанию Re: Разработка моноблока универсально применения для авто.

    Цитата Сообщение от .Ден. Посмотреть сообщение
    Тогда возникает вопрос выбора корпуса. Для полноценного АВ, а не жалких автоподелок на эту тему, которыми завалены прилавки, потребуется достаточно развитый радиатор. У меня для двух плат "немца" с трудом хватает такой пластины.
    Вот варианты погонного профиля - http://donal.ru/grebnki , первая вполне подходит для низкого профиля и естественного охлаждения, третий для принудиловки и "итальянской компановки, последний - для UcD решений с "итальянской" компоновкой, предпоследний хорош всем кроме высоты конечного изделия - усилитель выйдет в сечении 120х150.

  21. #60
    http://akotov.narod.ru Аватар для Александр Котов
    Регистрация
    19.10.2004
    Адрес
    Ленобласть
    Возраст
    55
    Сообщений
    3,182

    По умолчанию Re: Разработка моноблока универсально применения для авто.

    В топике написано, что мощность 2х100 вт. Так и делайте. А то уже 2 пары IRF3205, драйверы и т.п. Задачу чётко сформулируйте. 2-х и 8- омных автодинамиков не бывает (кроме экзотики).

Страница 3 из 52 Первая 1234513 ... Последняя

Метки этой темы

Социальные закладки

Социальные закладки

Ваши права

  • Вы не можете создавать новые темы
  • Вы не можете отвечать в темах
  • Вы не можете прикреплять вложения
  • Вы не можете редактировать свои сообщения
  •