Страница 3 из 5 Первая 12345 Последняя
Показано с 41 по 60 из 81

Тема: Доработка мониторов ближнего поля Behringer Truth 2031P

  1. #1 Показать/скрыть первое сообщение.
    Давно не заходил
    Автор темы

    Регистрация
    08.01.2009
    Адрес
    г. Пенза
    Возраст
    43
    Сообщений
    205

    По умолчанию Доработка мониторов ближнего поля Behringer Truth 2031P

    Не так давно для домашней системы были приобретены данные мониторы. Выбор был обусловлен рядом факторов:
    1. Прослушка таких АС у друзей позволила сделать вывод об очень хорошем качестве звука, непостижимыми для бытовухи аналогичной, а то и в разы большей стоимости. Основные плюсы - отличная детальность и отсутствие завалов и подъемов во всем диапазоне воспроизводимых частот (мониторы имеют линейную характеристику, завал в диапазоне 55Гц-21кГц всего 1,5 Дб. покажите ка мне другие АС в которые так честно передают частоты?)
    2. Поскольку это студийные мониторы, то они практически не требовательны к акустическим свойствам комнаты т.к. фазоинвертеры выведены на лицевую панель.
    3. Честная цена - поскольку оборудование относится к категории профессионального, в этом сегменте содрать с покупателя лишние деньги за шпон, шипы и космический внешний вид у производителя точно не получится - не те простаки звукорежиссеры, которые в основном и пользуют такую аппаратуру.
    4. Вроде не плохое качество изготовления НЧ с магнитным экраном, корпус из толстой МДФ усиленной и обклеенной внутри толстым войлоком.
    5. Стерео панорама очень точная, зона оптимального прослушивания на удивление большая для мониторов ближнего поля 2-5 м.
    6. Мониторы подобраны производителем и продаются маркированными парами что снижает разброс характеристик.
    Кто что думает по сделанному выбору, а также интересно будет сделать доводку и устранение ляпов (если найдем) производителя. Пока мне не очень нравится кроссовер, точнее его комплектуха, может быть стоит заменить емкости, скажем на ФТ-03 и сомнительным китайский керамический резистор на что по лучше? Кто еще что думает?
    Фото
    Ссылка на мануал и параметры http://www.behringer.com/EN/Products/B2031P.aspx
    Миниатюры Миниатюры Нажмите на изображение для увеличения. 

Название:	10102009349.jpg 
Просмотров:	1752 
Размер:	85.2 Кб 
ID:	64456   Нажмите на изображение для увеличения. 

Название:	10102009351.jpg 
Просмотров:	1488 
Размер:	89.4 Кб 
ID:	64457   Нажмите на изображение для увеличения. 

Название:	10102009354.jpg 
Просмотров:	1354 
Размер:	80.2 Кб 
ID:	64458   Нажмите на изображение для увеличения. 

Название:	10102009355.jpg 
Просмотров:	1308 
Размер:	86.8 Кб 
ID:	64459  

    Нажмите на изображение для увеличения. 

Название:	10102009358.jpg 
Просмотров:	1640 
Размер:	134.0 Кб 
ID:	64460   Нажмите на изображение для увеличения. 

Название:	10102009360.jpg 
Просмотров:	1222 
Размер:	96.1 Кб 
ID:	64461   Нажмите на изображение для увеличения. 

Название:	10102009361.jpg 
Просмотров:	1332 
Размер:	79.6 Кб 
ID:	64462   Нажмите на изображение для увеличения. 

Название:	10102009362.jpg 
Просмотров:	1394 
Размер:	87.7 Кб 
ID:	64463  

    Вложения Вложения
    Последний раз редактировалось serge58; 10.10.2009 в 16:05.

  2. #41
    Давно не заходил
    Регистрация
    06.09.2009
    Сообщений
    109

    По умолчанию Re: Доработка мониторов ближнего поля Behringer Truth 2031P

    serge58,
    я конечно все понимаю,вы хотите лучшего звука,но с этим вы теряете всю суть данных ас мониторов,а именно их мониторную часть,не забывайте,что их придумали далеко не глупые люди,которые сделали их дабы получать точнейший сигнал на выходе,чтобы получить именно то что есть на записи,заменив радиоэлементы вы однозначно измените характер звучания и скорее всего не в лучшую сторону тк это исказит АЧХ,вставив распорки вы также измените звучание но уже корпуса и это уже не будут мониторы.

    ps все данные заключения делаю потому что сам работаю на студии и знаю в этом толк.

    ну а зависимость направления фазоинвертора и придирчивости к комнате это извините уже абсурд полнейший.


    Цитата Сообщение от Astronavt Посмотреть сообщение
    Вы приобрели одно и хотите переделать в другое.
    +1 по существу сказано.
    Последний раз редактировалось iffector; 11.10.2009 в 01:11. Причина: Добавлено сообщение

  3. #42
    Давно не заходил Аватар для StarIK
    Регистрация
    30.12.2005
    Адрес
    Пензенская обл. г.Заречный
    Возраст
    65
    Сообщений
    2,701

    По умолчанию Re: Доработка мониторов ближнего поля Behringer Truth 2031P

    Цитата Сообщение от iffector Посмотреть сообщение
    но с этим вы теряете всю суть данных ас мониторов
    Не соглашусь. Суть этих монитров в бюджетности, отсюда и компромиссные решения, далеко не глупыми людьми их разработавшими, допускаются.

    Ведь сказано же:
    Цитата Сообщение от serge58 Посмотреть сообщение
    Как раз слишком идеальный монитор мне не нужен - я ж не свожу.

  4. #43
    Давно не заходил
    Регистрация
    04.08.2009
    Адрес
    worldwide
    Сообщений
    431

    По умолчанию Re: Доработка мониторов ближнего поля Behringer Truth 2031P

    +1. Этот беринжер не для суперкачества. Его делали маркетологи в большей степени. Ою этом говорят в частности, элементы фильтра.

    Я бы, если честно, сделал для этих моников биамп с активным кроссом + доработка ящика и динамиков.

    Кстати про берингер. Мне , например, нравились по цена/качество старые B300 для концертных инсталляций. Сейчас у их преемников звук уже не тот.


    >>>>>Как раз слишком идеальный монитор мне не нужен - я ж не свожу.<<<<<

    А вы на них и не сведёте, ведь они не мастеринговые.
    Последний раз редактировалось YAD Acoustic Lab; 11.10.2009 в 01:29. Причина: Добавлено сообщение

  5. #44
    Давно не заходил Аватар для StarIK
    Регистрация
    30.12.2005
    Адрес
    Пензенская обл. г.Заречный
    Возраст
    65
    Сообщений
    2,701

    По умолчанию Re: Доработка мониторов ближнего поля Behringer Truth 2031P

    Цитата Сообщение от YAD Acoustic Lab Посмотреть сообщение
    Его делали маркетологи в большей степени.
    Ага . Меня лично смущает применение в паре 8 &#190;" woofer и 1.0" ferrofluid-cooled tweeter с частотой раздела 2 кГц и 1-ым порядком в ФВЧ... Даже на вскидку - не слишком смело? Пищик с доп магнитом, но задней камеры я там не вижу...

    serge58, схема нужна...

  6. #45
    Давно не заходил
    Регистрация
    04.08.2009
    Адрес
    worldwide
    Сообщений
    431

    По умолчанию Re: Доработка мониторов ближнего поля Behringer Truth 2031P

    странный фильтр конечно. Изза низкого порядка и "линейность" заявлена.
    Вот применение рупора может позволить фильтр 1 го порядка. Но очень сомнительное удовольствие. Врядли задавлен основной резонанс пищалки.

    В керне пищали скорее всего нет отверстия. Магнит там просто поверх магнитопровода прилеплен.

  7. #46
    Давно не заходил
    Регистрация
    14.11.2007
    Сообщений
    1,541

    По умолчанию Re: Доработка мониторов ближнего поля Behringer Truth 2031P

    Кстати , бафл степ нужно корректировать мониторам ближнего поля (1 метр) ?

  8. #47
    Давно не заходил
    Регистрация
    07.07.2009
    Сообщений
    6,495

    По умолчанию Re: Доработка мониторов ближнего поля Behringer Truth 2031P

    Мониторы ближнего поля слушаются практически как наушники, потому там баффл-степ маловероятен, к тому же размер мидвуфера обычно заметно меньше ширины фронтальной панели, это также выравнивает ачх на мидбасе и уменьшает искажения огибания( баффл-степ)
    А что касаемо применения мониторов для домашнего прослушивания, то сколько ни делал плоскую ачх в области от 700 до 3000 герц- столько же раз курочил её, делаяя смайлик. Иначе звучание слишком яркое и утомительное. Хардяк послушать может и сгодится или для пьянки какой, а удовольствие получить - не-а!
    Последний раз редактировалось Бока; 11.10.2009 в 10:27.

  9. #48
    Завсегдатай Аватар для George Krilov
    Регистрация
    14.05.2006
    Адрес
    Москва
    Возраст
    70
    Сообщений
    6,597

    По умолчанию Re: Доработка мониторов ближнего поля Behringer Truth 2031P

    Цитата Сообщение от Dmitr_RE Посмотреть сообщение
    Кстати , бафл степ нужно корректировать мониторам ближнего поля (1 метр) ?
    Нужно. Если снять АЧХ с метра или даже с полметра, то баффл виден хорошо.
    Георгий Крылов

  10. #49
    Давно не заходил
    Регистрация
    04.08.2009
    Адрес
    worldwide
    Сообщений
    431

    По умолчанию Re: Доработка мониторов ближнего поля Behringer Truth 2031P

    +1 бафл он и в африке бафл

  11. #50
    Давно не заходил
    Автор темы

    Регистрация
    08.01.2009
    Адрес
    г. Пенза
    Возраст
    43
    Сообщений
    205

    По умолчанию Re: Доработка мониторов ближнего поля Behringer Truth 2031P

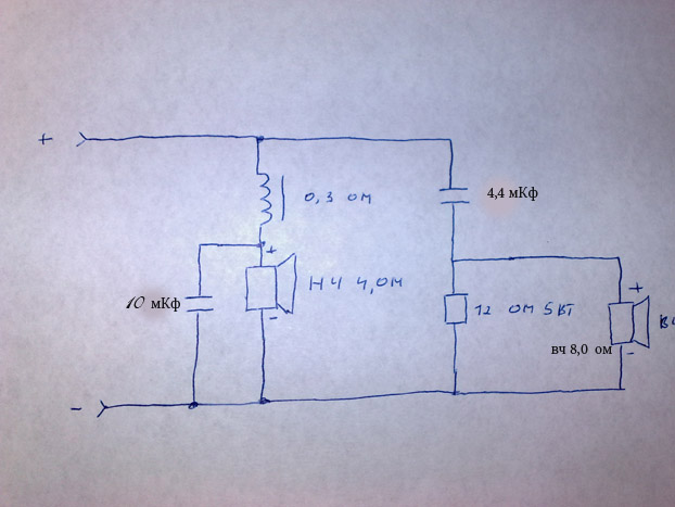
    Вот сколол схему кросса прошу дать коменты. Да еще несколько фото по архитектуре бокса. На мой взгляд распорки наверное не нужны, толщина стенок гигантская 2,5 см. на фото видно должно быть. Кондеры в кроссе походу лавсан, может заменить на к73-16? Катушка на металлическом сердечнике, индуктивность не известна, сопротивление около 0,3 ом. Можно ли такую заменить на ленточную с воздушным сердечником? В общем кто что думает?
    Миниатюры Миниатюры Нажмите на изображение для увеличения. 

Название:	11102009366.jpg 
Просмотров:	385 
Размер:	76.5 Кб 
ID:	64598   Нажмите на изображение для увеличения. 

Название:	11102009369.jpg 
Просмотров:	422 
Размер:	74.9 Кб 
ID:	64599   Нажмите на изображение для увеличения. 

Название:	11102009370.jpg 
Просмотров:	390 
Размер:	82.2 Кб 
ID:	64600   Нажмите на изображение для увеличения. 

Название:	11102009372.jpg 
Просмотров:	387 
Размер:	59.5 Кб 
ID:	64601  

    Нажмите на изображение для увеличения. 

Название:	11102009374.jpg 
Просмотров:	436 
Размер:	69.4 Кб 
ID:	64602   Нажмите на изображение для увеличения. 

Название:	11102009375.jpg 
Просмотров:	364 
Размер:	99.2 Кб 
ID:	64603   Нажмите на изображение для увеличения. 

Название:	11102009379.jpg 
Просмотров:	486 
Размер:	72.3 Кб 
ID:	64604  

  12. #51
    Давно не заходил
    Регистрация
    04.08.2009
    Адрес
    worldwide
    Сообщений
    431

    По умолчанию Re: Доработка мониторов ближнего поля Behringer Truth 2031P

    я поражаюсь маркетиновому подходу. Ну неужели нельзя было катушку без сердечника сделать....

    по паспорту, стык на 2К. Низковато для 1 порядка у пищалки.
    Резистор параллельно пищалке частично гасит импедансный пик и демпфирует пищик. Но, думаю, тут лучше поставить режектор или увеличить порядок фильтра.

    Нужно конечно по приборам смотреть.

  13. #52
    Давно не заходил
    Регистрация
    07.07.2009
    Сообщений
    6,495

    По умолчанию Re: Доработка мониторов ближнего поля Behringer Truth 2031P

    Сергей, чтоб выйти на три десятых ома в катушке на воздухе, она должна быть солидного размера,меди уйдёт много, а если прислушаться- не факт, что разница будет. К73 это тот же лавсан, шило на мыло поменяете.
    Я повозился бы только с фильтром 2го порядка на мидвуфере, там за счёт индуктивности динамика и ёмкости 10мкф получается нехороший контур, воющий на нехорошей частоте, выброс должен быть в районе двушки-трёшки кил. Я бы перевёл фильтр с второго на полвторой порядок, врезав резючок послед-но с 10 мкф, тогда уменьшится крутизна среза фильтра, уйдёт вой и звук помягчеет.
    Правда, всё это желательно на микрофоне увидеть. У меня -одна и та же песня, старинная, про микрофон

  14. #53
    Давно не заходил
    Регистрация
    04.08.2009
    Адрес
    worldwide
    Сообщений
    431

    По умолчанию Re: Доработка мониторов ближнего поля Behringer Truth 2031P

    >>> чтоб выйти на три десятых ома в катушке на воздухе, она должна быть солидного размера,меди уйдёт много, а если прислушаться- не факт, что разница будет. <<<<

    Думаю должна быть заметной. Это вам не кросс на 150 Гц. а 2000 какникак. Да и железо там неахти.

    Про конденсаторы +1 шило на мыло.

  15. #54
    Давно не заходил
    Автор темы

    Регистрация
    08.01.2009
    Адрес
    г. Пенза
    Возраст
    43
    Сообщений
    205

    По умолчанию Re: Доработка мониторов ближнего поля Behringer Truth 2031P

    Попробовать можно, только надо знать какого номинала резистор врезать? Снять АЧХ все таки попробую думаю на этой неделе будет результат.

  16. #55
    Давно не заходил
    Регистрация
    07.07.2009
    Сообщений
    6,495

    По умолчанию Re: Доработка мониторов ближнего поля Behringer Truth 2031P

    Навскидку- катуха примерно миллигенри-полтора , можно и продажную применить от Мундорфа, места хватит. Провод 1.2-1.4 мм.
    Хотя в моих Селешинах на феррите мотанная катуха- и ничего, будь здоров звучок, я не в претензии к фирме.
    Железо скорее всего- лапша от транса, пакет набран. Фокал тоже такое решение применяет не парится. Не думаю, что прям уж со свалки это железо.....

  17. #56
    Давно не заходил
    Автор темы

    Регистрация
    08.01.2009
    Адрес
    г. Пенза
    Возраст
    43
    Сообщений
    205

    По умолчанию Re: Доработка мониторов ближнего поля Behringer Truth 2031P

    Цитата Сообщение от Бока Посмотреть сообщение
    Сергей, чтоб выйти на три десятых ома в катушке на воздухе, она должна быть солидного размера,меди уйдёт много, а если прислушаться- не факт, что разница будет. К73 это тот же лавсан, шило на мыло поменяете.
    Я повозился бы только с фильтром 2го порядка на мидвуфере, там за счёт индуктивности динамика и ёмкости 10мкф получается нехороший контур, воющий на нехорошей частоте, выброс должен быть в районе двушки-трёшки кил. Я бы перевёл фильтр с второго на полвторой порядок, врезав резючок послед-но с 10 мкф, тогда уменьшится крутизна среза фильтра, уйдёт вой и звук помягчеет.
    Правда, всё это желательно на микрофоне увидеть. У меня -одна и та же песня, старинная, про микрофон
    Да вот я тоже думаю по катушке пока не стоит загоняться, а то цена доводки будет дороже АС. Конденсаторы опробую Мундорф. Все таки какого номинал врезать резистор?

  18. #57
    Давно не заходил
    Регистрация
    07.07.2009
    Сообщений
    6,495

    По умолчанию Re: Доработка мониторов ближнего поля Behringer Truth 2031P

    Резистор- там от долей ома до пары ом. Навскидку- ом.

  19. #58
    Давно не заходил
    Автор темы

    Регистрация
    08.01.2009
    Адрес
    г. Пенза
    Возраст
    43
    Сообщений
    205

    По умолчанию Re: Доработка мониторов ближнего поля Behringer Truth 2031P

    Цитата Сообщение от Бока Посмотреть сообщение
    Резистор- там от долей ома до пары ом. Навскидку- ом.
    Может я немного не врубился но вроде 10 МКФ это к фильтру драйвера НЧ относится? Тогда резистор на 1 ом надо в последовательно кондеру ВЧ драйвера подключать а он на 4.4. МКФ? Поправьте если не прав

  20. #59
    Давно не заходил Аватар для StarIK
    Регистрация
    30.12.2005
    Адрес
    Пензенская обл. г.Заречный
    Возраст
    65
    Сообщений
    2,701

    По умолчанию Re: Доработка мониторов ближнего поля Behringer Truth 2031P

    Цитата Сообщение от serge58 Посмотреть сообщение
    Поправьте если не прав
    Не прав . Речь, насколько я понял, идёт о снижении крутизны среза ФНЧ мидвуфера, с целью избежать выброса АЧХ вблизи частоты среза. Наличие выброса обусловлено предполагаемой высокой индуктивностью мидвуфера. Но вся проблема в том, что никаких данных на дин нет и более-менее точная симуляция фильтра не представляется возможной, поэтому остаётся только гадать.
    Отсюда вывод - либо иметь полный даташитовский комплект параметров на дины, либо микрофон. Второй вариант гораздо правильней. Тем более при наличии рупора на ВЧ, последствия которого в симуляции учесть весьма проблематично.

    Сергей, тут я вижу 2 пути доработки кроссоверов:
    1) если не хочешь врубаться во все тонкости расчётов и подгонки кроссоверов, то просто заменить имеющиеся компоненты на более качественные.
    2) собрать полностью свою версию кроссоверов.

    Я бы выбрал второй вариант, т.к. включение 1" твитера без задней камеры 1-ым порядком при разделе 2 кГц - считаю весьма неудачным решением, не смотря на наличие магнитной жидкости в зазоре. Боюсь, что при эксплуатации девайса на уровнях громкости выше средних, надолго твитера не хватит. И это ещё не говоря о качестве звучания.

  21. #60
    Давно не заходил
    Регистрация
    04.08.2009
    Адрес
    worldwide
    Сообщений
    431

    По умолчанию Re: Доработка мониторов ближнего поля Behringer Truth 2031P

    Коллеги, я думаю, что без соответствующих измерений этот разговор носит совершенно абстрактную форму. Да и "лечить больного по телефону" - неправильно.
    Я вот что предлагаю. Нужно подождать результатов промера от автора темы, либо предложить помощь в измерениях.
    Например, пришлёт он комунибудь это берингеры, а тот- отмеряет и выложит результаты.
    От нас до пензы помоему далековато. Кто поближе ?

Страница 3 из 5 Первая 12345 Последняя

Социальные закладки

Социальные закладки

Ваши права

  • Вы не можете создавать новые темы
  • Вы не можете отвечать в темах
  • Вы не можете прикреплять вложения
  • Вы не можете редактировать свои сообщения
  •