Страница 296 из 317 Первая ... 286294295296297298306 ... Последняя
Показано с 5,901 по 5,920 из 6324

Тема: DC-DC преобразователи напряжения (для авто)

  1. #1 Показать/скрыть первое сообщение.
    Новичок
    Автор темы
    Аватар для WARIOR
    Регистрация
    19.01.2005
    Сообщений
    66

    По умолчанию Re: Импульсные источники питания и преобразователи.

    Здравствуйте !

    Я решил возвратиться к статье "АВТО 400", а именно к ПН. Я заканчиваю сборку по той схеме и хотел спросить нет ли там каких-либо ошибок или недостатков, недочётов, неохото получать negative consequences. (Пытался связаться с автором, чтоб узнать у него - не получилось). Может кто-нибудь собитал подобный ПН ?
    Заранее огромное спасибо !
    https://www.vegalab.ru/index.php?opt...=184&Itemid=52
    Миниатюры Миниатюры Нажмите на изображение для увеличения. 

Название:	pic002-1.gif 
Просмотров:	37512 
Размер:	37.4 Кб 
ID:	19604  

  2. #5901
    Новичок
    Регистрация
    10.04.2012
    Адрес
    Калуга
    Возраст
    38
    Сообщений
    79

    По умолчанию Re: DC-DC преобразователи напряжения (для авто)

    Ну по поводу минусом закрывать - это конечно перебор, согласен. Я хотел еще спросить по поводу полигона, как его лучше реализовать? Как рассчитать?
    У меня уже приблизительно выстроились условия - напряжение +-40 В (нестабилизированные), ток 5 А, защита по току. Имеется - SG3525, 4 шт. IRF3205, 4шт. MBR10100, К45*28*20. В роли драйвера поставлю IR2110, имхо - связка SG3525-IR2110 хорошо себя зарекомендовали и я даже сам лично видел это в промышленном усилителе.


    А сколько лучше запланировать Лоу ЕСР конденсаторов на входе, думаю поставить 1000,0*25В? Есть ли смысл набирать приличную емкость (0,1-0,5 Ф)?


    Нажмите на изображение для увеличения. 

Название:	Расчет сердечника.jpg 
Просмотров:	233 
Размер:	223.0 Кб 
ID:	164141
    Посмотрите пожалуйста, правильный ли расчет? А вторичку лучше как и первичку тонким проводом мотать? Имеется 0.6 и 1,05.
    Последний раз редактировалось Чурин; 03.09.2012 в 23:55.

  3. #5902
    Завсегдатай Аватар для Plex61
    Регистрация
    21.07.2010
    Адрес
    Красноярск
    Возраст
    64
    Сообщений
    1,521

    По умолчанию Re: DC-DC преобразователи напряжения (для авто)

    Цитата Сообщение от Чурин Посмотреть сообщение
    Я хотел еще спросить по поводу полигона, как его лучше реализовать?
    В смысле? в качестве шунта ?

    Цитата Сообщение от Чурин Посмотреть сообщение
    В роли драйвера поставлю IR2110, имхо - связка SG3525-IR2110
    ну ей бо не понимаю зачем такие сложности ,ну да ладно кашу маслом .

    Цитата Сообщение от Чурин Посмотреть сообщение
    1000,0*25В? Есть ли смысл набирать приличную емкость (0,1-0,5 Ф)?
    так всё таки источник будет стабилизирован ? тогда с каким рипл есть кондеи ?

    Цитата Сообщение от Чурин Посмотреть сообщение
    вторичку лучше как и первичку тонким проводом мотать? Имеется 0.6 и 1,05.
    на 35кгц можно было бы и 1,0 , но колечко таки наше и от 2000 там наверное 1800 осталось , так что предпочтительно 0,6 и первичку первой хоть, это и неудобно , индукция у вас что то совсем маловата для такой частоты, даже для нашего сердечника .
    зы.ветка тут была, Андрей преобраз делал для авто на 500вт , там похожая комлектуха и есть ответы на многие вопросы .

  4. #5903
    Частый гость Аватар для const1105
    Регистрация
    22.07.2010
    Сообщений
    209

    По умолчанию Re: DC-DC преобразователи напряжения (для авто)

    Цитата Сообщение от Plex61 Посмотреть сообщение
    Потому что драйверу придётся перезаряжать затворную ёмкость от - до + питания ,оно вам нада зря тратить энергию и увеличивать дт ?
    То есть хуже все таки не будет? Вопрос не про драйверы затвора. А про время закрывания/открывания тр-ра. Есть смысл уменьшать его? Или крутой фронт вызовет большие помехи?

    ---------- Добавлено в 15:19 ---------- Предыдущее сообщение в 15:08 ----------

    Цитата Сообщение от Чурин Посмотреть сообщение
    А сколько лучше запланировать Лоу ЕСР конденсаторов на входе
    Ветка про авто БП, поэтому если внешний 1ф не планируете, то по максимуму.
    Стабилизация для авто теряет смысл. Если машина исправна, то напряжение в сети (14,2) стабильно.
    Если слушать громко на аккумуляторе, то все равно не долго))) На малой громкости снижение напряжения на вторичных обмотках вы не заметите.

  5. #5904
    Новичок
    Регистрация
    10.04.2012
    Адрес
    Калуга
    Возраст
    38
    Сообщений
    79

    По умолчанию Re: DC-DC преобразователи напряжения (для авто)

    Не, 1Ф не хочу ставить, я бы собрал батарею Лоу ЕСР на входе ПН, у меня кстати 13.8 В в бортсети.
    а вот фотографии моего ПН, который сейчас: http://file.qip.ru/photo/5AfLXWUj/100_0682.html


    Вот что хочу реализовать: https://forum.vegalab.ru/showthread....light=STK4191V , пост #2175

  6. #5905
    http://akotov.narod.ru Аватар для Александр Котов
    Регистрация
    19.10.2004
    Адрес
    Ленобласть
    Возраст
    55
    Сообщений
    3,182

    По умолчанию Re: DC-DC преобразователи напряжения (для авто)

    Подключай ПН прямо к аккумулятору (через предохранитель), оба провода. Толстыми проводами - 6 кв мм и более, медными. Сделай входной фильтр не LC, LCLC (то есть повысить порядок фильтра, как в моей схеме). И не нужны большие емкости тогда.

  7. #5906
    Новичок
    Регистрация
    10.04.2012
    Адрес
    Калуга
    Возраст
    38
    Сообщений
    79

    По умолчанию Re: DC-DC преобразователи напряжения (для авто)

    Цитата Сообщение от Plex61 Посмотреть сообщение
    В смысле? в качестве шунта ?
    ДА!

    А если в идеале: колечко Epcos N87 и литцендрат?

    Цитата Сообщение от Александр Котов Посмотреть сообщение
    Сделай входной фильтр не LC, LCLC (то есть повысить порядок фильтра, как в моей схеме). И не нужны большие емкости тогда.
    Я если честно думал кондеры ставят чтобы просадки в сети были меньше. А не будет большого падения на LCLC фильтре?
    Я вообще думал 8 кв.мм. проложить и + и -.

  8. #5907
    Завсегдатай Аватар для Plex61
    Регистрация
    21.07.2010
    Адрес
    Красноярск
    Возраст
    64
    Сообщений
    1,521

    По умолчанию Re: DC-DC преобразователи напряжения (для авто)

    Цитата Сообщение от const1105 Посмотреть сообщение
    То есть хуже все таки не будет?
    будет, будет это только в условиях сильных помех и соответственно больших токов и то минус небольшой 0,6-2,5 , у полевого и так есть напряжение отсечки ,

    Цитата Сообщение от const1105 Посмотреть сообщение
    А про время закрывания/открывания тр-ра. Есть смысл уменьшать его? Или крутой фронт вызовет большие помехи?
    тут как бы всё зависит от величины дт и частоты, каждый решает сам , это нетрудно посмотреть в готовом пн.

    Цитата Сообщение от Чурин Посмотреть сообщение
    ДА!

    А если в идеале: колечко Epcos N87 и литцендрат?
    идеала не бывает ,но на эпкос можно было бы накрутить 1,0 на 35кгц на вашей мощности , вы должны понимать что ваш вариант с учётом пик фактора будет работать на 1/2.. 1/3 мощности , пики будут отрабатывать выходные конденсаторы и некоторое сопротивление проводков вам в помощь при их заряде , я 0,8 диаметром пользуюсь до 50кгц .

    Цитата Сообщение от Чурин Посмотреть сообщение
    А не будет большого падения на LCLC фильтре?
    Я вообще думал 8 кв.мм. проложить и + и -.
    У Сани Котова нормальный фильтр на доступных сердечниках из матери , он и падение на нём наверняка мерил и скажет , не думаю что на те колечки влезет много меди и это хорошо .

    Цитата Сообщение от Чурин Посмотреть сообщение
    В смысле? в качестве шунта ?
    поверьте мне, на ваши токи и количество 3205 самое простое подобрать быстрый предохранитель оптимально , он всё успеет . А если уж полигон в качестве задатчика тока использовать ,то вы должны решить сколько вам с него надо и при каком токе , будете ли вы использовать ус.ошибки шим контроллера в качестве компаратора аварии .
    Вот мой полигон шунта из зарядного 2,5-20...30А со стандартным падением , шаг сетки 2,54 ,но это мало что даёт , толщина меди у вас может оказаться другой . Да и такая длина не понадобится ,всё можно подстроить опорой на входе сомр , не забывайте только про температурный коэф-ент меди , мне то пофиг 19А идёт на акб или 18 , а вот вам хз.. ну да будет вам ещё одна опция тепловой защиты если вы полигон отдельно сделаете и прилепите его в нужное место
    Нажмите на изображение для увеличения. 

Название:	полигон.png 
Просмотров:	272 
Размер:	24.8 Кб 
ID:	164179
    Последний раз редактировалось Plex61; 04.09.2012 в 23:57.

  9. #5908
    http://akotov.narod.ru Аватар для Александр Котов
    Регистрация
    19.10.2004
    Адрес
    Ленобласть
    Возраст
    55
    Сообщений
    3,182

    По умолчанию Re: DC-DC преобразователи напряжения (для авто)

    Цитата Сообщение от Чурин Посмотреть сообщение
    Я если честно думал кондеры ставят чтобы просадки в сети были меньше. А не будет большого падения на LCLC фильтре?
    Из описания моего ПН с моего сайта:
    "3. Для подавления помех в цепи питания обычно ставят дроссель. В этой цепи большой постоянный ток, потому (грамотные) разработчики ставят дроссели на металлопорошковых кольцах во избежание насыщения. Однако, почти ни когда не беспокоятся о проникновении помех от преобразователя в бортовую сеть автомобиля - потому конденсатор ставят лишь после дросселя, возле ключей. При этом дроссель получается большим по габаритам - потребляемый ток до 25 ампер, а для нормального подавления помех имеет большое количество витков, а, следовательно - сопротивление по постоянному току. Потом приходится ставить батарею конденсаторов, чтобы устранить падение напряжения на активном сопротивлении обмотки дросселя в моменты пикового потребления тока. Но гораздо более разумно повысить порядок фильтра, поставив два маленьких (по габаритам и сопротивлению обмотки) дросселя и конденсаторы теперь уже существенно меньшей емкости по сравнению с исходным вариантом. При этом мы еще получаем замечательное подавление помех в обе стороны и отсутствие помех радиоприему. Основным критерием в выборе этих конденсаторов должно быть минимальное ESR, а номинальное напряжение - не менее 25 вольт. "

    То есть, не создавайте себе проблем дросселями, тогда не придется ставить большие конденсаторы.

  10. #5909
    Частый гость Аватар для const1105
    Регистрация
    22.07.2010
    Сообщений
    209

    По умолчанию Re: DC-DC преобразователи напряжения (для авто)

    Цитата Сообщение от Александр Котов Посмотреть сообщение
    То есть, не создавайте себе проблем дросселями, тогда не придется ставить большие конденсаторы.
    Вне сомнения.
    Цитата Сообщение от Чурин Посмотреть сообщение
    Я если честно думал кондеры ставят чтобы просадки в сети были меньше.
    Мнений много, но лучше больше чем меньше.
    При эксплуатации вам захочется что то изменить, добавить саб на тот же питающий провод,еще чего нибудь, аккум не новый "подстраховать".
    С точки зрения красивого инженерного расчета - разумный минимум. Практически - с запасом.

  11. #5910
    Новичок
    Регистрация
    10.04.2012
    Адрес
    Калуга
    Возраст
    38
    Сообщений
    79

    По умолчанию Re: DC-DC преобразователи напряжения (для авто)

    Мужики, завтра буду на радиорынке в Митино, какой сердечник посоветуете купить? Мощность порядка 400Вт, естественно Epcos, материал N87, сомневаюсь по поводу размера, или 41,5 или 50?

  12. #5911
    http://akotov.narod.ru Аватар для Александр Котов
    Регистрация
    19.10.2004
    Адрес
    Ленобласть
    Возраст
    55
    Сообщений
    3,182

    По умолчанию Re: DC-DC преобразователи напряжения (для авто)

    Смотря какую схему решил содрать.

  13. #5912
    Завсегдатай Аватар для Plex61
    Регистрация
    21.07.2010
    Адрес
    Красноярск
    Возраст
    64
    Сообщений
    1,521

    По умолчанию Re: DC-DC преобразователи напряжения (для авто)

    Цитата Сообщение от Чурин Посмотреть сообщение
    по поводу размера, или 41,5 или 50?
    41,8 вполне , если на музыку.

  14. #5913
    Новичок
    Регистрация
    10.04.2012
    Адрес
    Калуга
    Возраст
    38
    Сообщений
    79

    По умолчанию Re: DC-DC преобразователи напряжения (для авто)

    Да, на музыку, со схемой непонятно пока, определяюсь. Один преобразователь будет питать Ланзар Ватт на 250(макс.), а второй две СТК двухканальные, которые на всю катушку естественно никто не собирается включать.

  15. #5914
    Завсегдатай Аватар для sousmanster
    Регистрация
    13.03.2008
    Адрес
    Ивано-Франковск
    Возраст
    43
    Сообщений
    2,968

    По умолчанию Re: DC-DC преобразователи напряжения (для авто)

    вместо ИР2110 уместнее использовать в качестве драйвера ИР4427

  16. #5915
    Новичок
    Регистрация
    23.01.2009
    Сообщений
    47

    По умолчанию Re: DC-DC преобразователи напряжения (для авто)

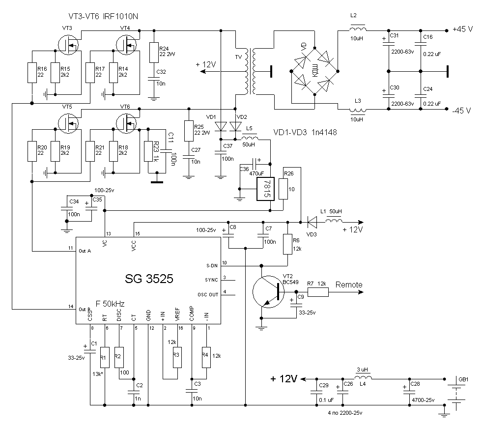
    Подскажите почему провал 6в в нагрузке, в качестве нагрузки лампочка, преобразователь собран на sg3525, кольцо 45-28-12, мосфеты по 1 штуке в плече irfz46n, выходное напряжение преобразователя +-30В? провод во вторичке намотан 2 проводами 1,75мм.
    Нажмите на изображение для увеличения. 

Название:	ПН SG 3525.GIF 
Просмотров:	2533 
Размер:	19.3 Кб 
ID:	166103

  17. #5916
    Завсегдатай Аватар для Plex61
    Регистрация
    21.07.2010
    Адрес
    Красноярск
    Возраст
    64
    Сообщений
    1,521

    По умолчанию Re: DC-DC преобразователи напряжения (для авто)

    Цитата Сообщение от snoopy1983 Посмотреть сообщение
    провод во вторичке намотан 2 проводами 1,75мм.
    сначала надо заменить провод на более тонкий .

  18. #5917
    Завсегдатай Аватар для sousmanster
    Регистрация
    13.03.2008
    Адрес
    Ивано-Франковск
    Возраст
    43
    Сообщений
    2,968

    По умолчанию Re: DC-DC преобразователи напряжения (для авто)

    Если честно, то назначение диодов 1-2 как-то не уловил, что правда на этой микросхеме не собирал никогда

  19. #5918
    Завсегдатай Аватар для Plex61
    Регистрация
    21.07.2010
    Адрес
    Красноярск
    Возраст
    64
    Сообщений
    1,521

    По умолчанию Re: DC-DC преобразователи напряжения (для авто)

    Цитата Сообщение от sousmanster Посмотреть сообщение
    Если честно, то назначение диодов 1-2 как-то не уловил
    питание со стоков через 7815 мс , позволяет якобы долго слушать музыку , а затем дружно толкать автомобиль в приподнятом настроении

  20. #5919
    Новичок
    Регистрация
    23.01.2009
    Сообщений
    47

    По умолчанию Re: DC-DC преобразователи напряжения (для авто)

    А можно ли во вторичке использовать провод 0.1мм в жгуте из 200 проводов?

  21. #5920
    Завсегдатай Аватар для Plex61
    Регистрация
    21.07.2010
    Адрес
    Красноярск
    Возраст
    64
    Сообщений
    1,521

    По умолчанию Re: DC-DC преобразователи напряжения (для авто)

    Цитата Сообщение от snoopy1983 Посмотреть сообщение
    А можно ли во вторичке использовать провод 0.1мм в жгуте из 200 проводов?
    можно ,но залуживать такое число проводков будет сложно , а нету ли чего покрупнее 0,1 .
    Диаметр скрутки получится 0.1*^200/0.71

Страница 296 из 317 Первая ... 286294295296297298306 ... Последняя

Социальные закладки

Социальные закладки

Ваши права

  • Вы не можете создавать новые темы
  • Вы не можете отвечать в темах
  • Вы не можете прикреплять вложения
  • Вы не можете редактировать свои сообщения
  •