Страница 25 из 45 Первая ... 15232425262735 ... Последняя
Показано с 481 по 500 из 899

Тема: Рекомендации по выбору усилителя: лампа или транзистор?

  1. #481
    Завсегдатай Аватар для aganext
    Регистрация
    18.06.2012
    Адрес
    г. Обнинск
    Возраст
    60
    Сообщений
    2,249

    По умолчанию Re: Рекомендации по выбору усилителя: лампа или транзистор?

    Цитата Сообщение от Ka4aN Посмотреть сообщение
    Offтопик:


    Судя по увеличенному ходу, там имд высокие.
    Ход есть, звука нет - ошибка в фазировке, в одном из каналов.
    С уважением, Андрей.

  2. #482
    Завсегдатай Аватар для hippo64
    Регистрация
    20.05.2010
    Адрес
    Москва
    Возраст
    61
    Сообщений
    4,616

    По умолчанию Re: Рекомендации по выбору усилителя: лампа или транзистор?

    Цитата Сообщение от aganext Посмотреть сообщение
    Ход есть, звука нет - ошибка в фазировке, в одном из каналов.
    Ну что вы, батенька, о такой приземленности, тут человек о высоком, а вы

  3. #483
    Завсегдатай Аватар для Alexander
    Регистрация
    30.08.2008
    Адрес
    РФ Саратов
    Сообщений
    4,375

    По умолчанию Re: Рекомендации по выбору усилителя: лампа или транзистор?

    Цитата Сообщение от Dinosaurus Посмотреть сообщение
    №2?
    Да.

    ---------- Сообщение добавлено 10:11 ---------- Предыдущее сообщение было 09:54 ----------

    Цитата Сообщение от hippo64 Посмотреть сообщение
    тут человек о высоком
    Не так, песня о том, что "ушами" был выбран не самый лучший по параметрам усилок, про цены даже не говорю они вам ничего не гарантируют от слова ваще
    В очередной раз практика показала, что сравнительно бюджетный аппарат может одной левой положить на лопатки топовый, тогда зачем платить больше? Это к тому, что вся ценовая политика, маркетинг, это чистый фейк, может не всегда но часто.
    И ещё возникло подозрение, что даже матёрые бренды возможно мухлюют с цифрами "объективных параметров". Ещё вспомнились исследования 80х годов, когда эксперты не смогли уверенно определить какой УНЧ лучше при условии, что у всех искажения меньше пяти сотых процента, к слову у современных усилков у всех меньше пяти сотых.

  4. #484
    Завсегдатай Аватар для ИГВИН
    Регистрация
    06.05.2005
    Адрес
    Ростов-на-Дону
    Возраст
    67
    Сообщений
    13,071

    По умолчанию Re: Рекомендации по выбору усилителя: лампа или транзистор?

    Цитата Сообщение от Alexander Посмотреть сообщение
    песня о том, что "ушами" был выбран не самый лучший по параметрам усилок
    Жаль что ты сейчас уже не приведешь ИЗМЕРЕННЫЕ параметры каждого из четырёх усилителей.
    Хоть смысл твоего спича вполне понятен и без того.
    Игорь. Meridian 507.24 => DAC6 v2+свой выхлоп => Noosfera Master => Celestion A2 + Hand-made cable

  5. #485
    Завсегдатай Аватар для hippo64
    Регистрация
    20.05.2010
    Адрес
    Москва
    Возраст
    61
    Сообщений
    4,616

    По умолчанию Re: Рекомендации по выбору усилителя: лампа или транзистор?

    Цитата Сообщение от Alexander Посмотреть сообщение
    Не так, песня о том, что "ушами" был выбран не самый лучший по параметрам усилок, про цены даже не говорю они вам ничего не гарантируют от слова ваще
    Полностью с этим согласен, но и аудиофилов, с шнурками на подставках встречал, у которых акустика была банально в противофазе и они выспренно рассуждали о сцене.

  6. #486
    Завсегдатай Аватар для Alexander
    Регистрация
    30.08.2008
    Адрес
    РФ Саратов
    Сообщений
    4,375

    По умолчанию Re: Рекомендации по выбору усилителя: лампа или транзистор?

    Цитата Сообщение от ИГВИН Посмотреть сообщение
    ты сейчас уже не приведешь ИЗМЕРЕННЫЕ параметры
    Я и тогда их не измерял, во первых на уровне сотых померить было нечем, во вторых доверял заявленным в паспорте данным.

  7. #487
    Suum cuique Аватар для _Summit_
    Регистрация
    21.04.2010
    Адрес
    Россия
    Возраст
    43
    Сообщений
    3,365

    По умолчанию Re: Рекомендации по выбору усилителя: лампа или транзистор?

    У меня класс Д (помидорами не кидать), басовик как вкопанный. Бас шикарен) В целом звук очень натуральный, но АС пришлось пересвести.
    Многим такое не понравится. Слышно много лязгов, артефактов записи, может по ушам съездить. Зато где мягко - мягко, где резко - резко. Никакой отсебятины.

  8. #488
    Старый знакомый Аватар для bepo
    Регистрация
    28.09.2018
    Сообщений
    483

    По умолчанию Re: Рекомендации по выбору усилителя: лампа или транзистор?

    Товарищи, дайте хорошую схему пуш-пула на 6П14П)

  9. #489
    Завсегдатай Аватар для aganext
    Регистрация
    18.06.2012
    Адрес
    г. Обнинск
    Возраст
    60
    Сообщений
    2,249

    По умолчанию Re: Рекомендации по выбору усилителя: лампа или транзистор?

    Цитата Сообщение от bepo Посмотреть сообщение
    Товарищи, дайте хорошую схему пуш-пула на 6П14П)
    В которой параметры выходного трасформатора будут задаваться коэффициентом трансформации. При том, что твз, изрядно компромиссное, не унифицированное изделие, в не малой мере отвечающее за результат.
    С уважением, Андрей.

  10. #490
    Старый знакомый Аватар для bepo
    Регистрация
    28.09.2018
    Сообщений
    483

    По умолчанию Re: Рекомендации по выбору усилителя: лампа или транзистор?

    Цитата Сообщение от aganext Посмотреть сообщение
    В которой параметры выходного трасформатора будут задаваться коэффициентом трансформации. При том, что твз, изрядно компромиссное, не унифицированное изделие, в не малой мере отвечающее за результат.
    Я полностью согласен, что выходники очень важны. И ставить я буду конечно хорошие. Но покопавнись в интернете, ничего привлекательного по схемам не нашел, одно старье.

  11. #491
    Завсегдатай Аватар для Openreel
    Регистрация
    02.09.2006
    Адрес
    Санкт-Петербург
    Возраст
    51
    Сообщений
    3,536

    По умолчанию Re: Рекомендации по выбору усилителя: лампа или транзистор?

    Цитата Сообщение от bepo Посмотреть сообщение
    схему пуш-пула на 6П14П
    Драйвер выходных ламп трансформаторный, он же и фазоинверсный каскад (две выходные обмотки).
    WBR, Michael.
    Цель расчетов - понимание, а не числа (с) Хемминг.

  12. #492
    Завсегдатай Аватар для hippo64
    Регистрация
    20.05.2010
    Адрес
    Москва
    Возраст
    61
    Сообщений
    4,616

    По умолчанию Re: Рекомендации по выбору усилителя: лампа или транзистор?

    Цитата Сообщение от bepo Посмотреть сообщение
    одно старье.
    да и лампы это сильно потасканная тема

  13. #493
    Завсегдатай Аватар для stan marsh
    Регистрация
    17.08.2011
    Адрес
    Москва
    Сообщений
    5,696

    По умолчанию Re: Рекомендации по выбору усилителя: лампа или транзистор?

    Цитата Сообщение от bepo Посмотреть сообщение
    одно старье
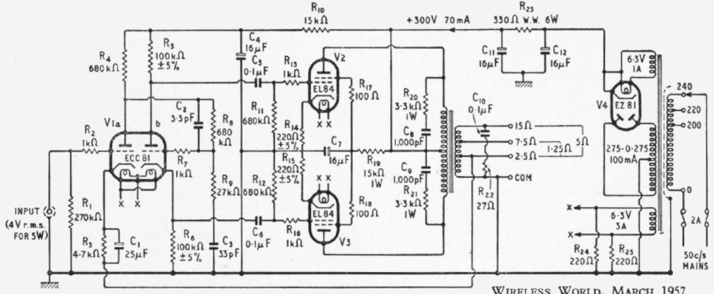
    Самое новое в ламповой схемотехнике датируется 1953 годом. Делай старое, классическое:

    Нажмите на изображение для увеличения. 

Название:	PP.png 
Просмотров:	127 
Размер:	323.7 Кб 
ID:	403436

  14. #494
    Завсегдатай Аватар для bogl
    Регистрация
    30.03.2014
    Адрес
    Мордовия.
    Сообщений
    1,435

    По умолчанию Re: Рекомендации по выбору усилителя: лампа или транзистор?

    Цитата Сообщение от bepo Посмотреть сообщение
    Товарищи, дайте хорошую схему пуш-пула на 6П14П)
    Я же вроде давал . И про трансы хорошие. Проверено.

    ---------- Сообщение добавлено 15:43 ---------- Предыдущее сообщение было 15:42 ----------

    Цитата Сообщение от stan marsh Посмотреть сообщение
    Самое новое в ламповой схемотехнике датируется 1953 годом. Делай старое, классическое:

    Нажмите на изображение для увеличения. 

Название:	PP.png 
Просмотров:	127 
Размер:	323.7 Кб 
ID:	403436
    Лучше без оос.

  15. #495
    Частый гость Аватар для Dreew
    Регистрация
    31.05.2017
    Сообщений
    294

    По умолчанию Re: Рекомендации по выбору усилителя: лампа или транзистор?

    Цитата Сообщение от bepo Посмотреть сообщение
    Товарищи, дайте хорошую схему пуш-пула на 6П14П)
    Просто так хорошую схему никто не даст, ну по крайней мере бесплатно.
    Вроде у Alexа есть хорошая схема которую он для себя делал. Но вряд ли он даст.

  16. #496
    Старый знакомый Аватар для bepo
    Регистрация
    28.09.2018
    Сообщений
    483

    По умолчанию Re: Рекомендации по выбору усилителя: лампа или транзистор?

    Цитата Сообщение от bogl Посмотреть сообщение
    Я же вроде давал . И про трансы хорошие. Проверено.
    Это какую? С кенотроном?

  17. #497
    Завсегдатай Аватар для stan marsh
    Регистрация
    17.08.2011
    Адрес
    Москва
    Сообщений
    5,696

    По умолчанию Re: Рекомендации по выбору усилителя: лампа или транзистор?

    Цитата Сообщение от Dreew Посмотреть сообщение
    Просто так хорошую схему никто не даст, ну по крайней мере бесплатно.
    Не смеши! Cоветский инженер, если он действительно инженер, за полчаса посчитает и нарисует пару идеальных схем. Бесплатно. Те, кто просят денег, ни уя не умеют, кроме как просить денег. Alex - советский инженер, и денег за схему он точно не попросит.

  18. #498
    Завсегдатай Аватар для DIM
    Регистрация
    14.05.2005
    Адрес
    Санкт Петербург
    Возраст
    54
    Сообщений
    2,969

    По умолчанию Re: Рекомендации по выбору усилителя: лампа или транзистор?


    Offтопик:
    МКТ в петлю ОООС не надо.
    Сначала определитесь, где и какие трансы сможете заказать, от них и плясать, правильно выше говорили. И простой и хороший и недорогой усилитель не получится, как и любой другой. Что-то одно. Не обольщайтесь.
    С уважением, Дмитрий Чуманов.

  19. #499
    Завсегдатай Аватар для stan marsh
    Регистрация
    17.08.2011
    Адрес
    Москва
    Сообщений
    5,696

    По умолчанию Re: Рекомендации по выбору усилителя: лампа или транзистор?

    Цитата Сообщение от bogl Посмотреть сообщение
    Лучше без оос.
    Без ООС? В пентоде??? Это к сундуккеям на одноимённый хфорум...

  20. #500
    Частый гость Аватар для Dreew
    Регистрация
    31.05.2017
    Сообщений
    294

    По умолчанию Re: Рекомендации по выбору усилителя: лампа или транзистор?

    Цитата Сообщение от stan marsh Посмотреть сообщение
    Cоветский инженер, если он действительно инженер, за полчаса посчитает и нарисует пару идеальных схем. Бесплатно.
    Возможно. Но каждый ценит свое время.

    bepo, выбирайте.

    Схемки


    Нажмите на изображение для увеличения. 

Название:	babyhuey_fixed_bias_b.jpg 
Просмотров:	75 
Размер:	92.9 Кб 
ID:	403441
    Нажмите на изображение для увеличения. 

Название:	bog6GK5.GIF 
Просмотров:	67 
Размер:	23.2 Кб 
ID:	403442
    Нажмите на изображение для увеличения. 

Название:	EliDuttman_ElCheapo_big23.gif 
Просмотров:	69 
Размер:	97.3 Кб 
ID:	403443
    Нажмите на изображение для увеличения. 

Название:	Little-Miracle.png 
Просмотров:	74 
Размер:	62.6 Кб 
ID:	403444
    Нажмите на изображение для увеличения. 

Название:	LM317-output-Parallel-6P1P-Triode-complete-amp-FINAL.png 
Просмотров:	63 
Размер:	136.4 Кб 
ID:	403445
    Нажмите на изображение для увеличения. 

Название:	rld_signal_circuit.jpg 
Просмотров:	70 
Размер:	221.3 Кб 
ID:	403446
    Нажмите на изображение для увеличения. 

Название:	TCJ *Unexpectedly Good* PP EL84.png 
Просмотров:	62 
Размер:	247.5 Кб 
ID:	403447
    Нажмите на изображение для увеличения. 

Название:	Tubelab_SimplePP-UL_schematic.gif 
Просмотров:	63 
Размер:	25.2 Кб 
ID:	403448
    Нажмите на изображение для увеличения. 

Название:	Ultralinear-EL84amp.jpg 
Просмотров:	69 
Размер:	278.9 Кб 
ID:	403449
    Нажмите на изображение для увеличения. 

Название:	Morgan Jones Bevois Valley PP-UL EL84.png 
Просмотров:	73 
Размер:	113.4 Кб 
ID:	403451
    [свернуть]

Страница 25 из 45 Первая ... 15232425262735 ... Последняя

Социальные закладки

Социальные закладки

Ваши права

  • Вы не можете создавать новые темы
  • Вы не можете отвечать в темах
  • Вы не можете прикреплять вложения
  • Вы не можете редактировать свои сообщения
  •