Страница 243 из 317 Первая ... 233241242243244245253 ... Последняя
Показано с 4,841 по 4,860 из 6324

Тема: DC-DC преобразователи напряжения (для авто)

  1. #1 Показать/скрыть первое сообщение.
    Новичок
    Автор темы
    Аватар для WARIOR
    Регистрация
    19.01.2005
    Сообщений
    66

    По умолчанию Re: Импульсные источники питания и преобразователи.

    Здравствуйте !

    Я решил возвратиться к статье "АВТО 400", а именно к ПН. Я заканчиваю сборку по той схеме и хотел спросить нет ли там каких-либо ошибок или недостатков, недочётов, неохото получать negative consequences. (Пытался связаться с автором, чтоб узнать у него - не получилось). Может кто-нибудь собитал подобный ПН ?
    Заранее огромное спасибо !
    https://www.vegalab.ru/index.php?opt...=184&Itemid=52
    Миниатюры Миниатюры Нажмите на изображение для увеличения. 

Название:	pic002-1.gif 
Просмотров:	37512 
Размер:	37.4 Кб 
ID:	19604  

  2. #4841
    Старый стал, ленивый Аватар для Starichok
    Регистрация
    02.05.2010
    Адрес
    Псков
    Возраст
    74
    Сообщений
    3,293

    По умолчанию Re: DC-DC преобразователи напряжения (для авто)

    все равно ближе к ключам и входным электролитам.
    Фарш невозможно провернуть назад,
    И мяса из котлет не восстановишь...

  3. #4842
    Старый знакомый
    Регистрация
    22.03.2011
    Адрес
    Москва
    Сообщений
    761

    По умолчанию Re: DC-DC преобразователи напряжения (для авто)

    Starichok, а в каком месте оптимально фольга-экран должна соединяться с "корпусом" или паяется как удобно ?

  4. #4843
    Старый стал, ленивый Аватар для Starichok
    Регистрация
    02.05.2010
    Адрес
    Псков
    Возраст
    74
    Сообщений
    3,293

    По умолчанию Re: DC-DC преобразователи напряжения (для авто)

    не знаю, у меня нет опыта изготовления. я в основном теоретик.
    Фарш невозможно провернуть назад,
    И мяса из котлет не восстановишь...

  5. #4844
    Новичок
    Регистрация
    04.06.2010
    Адрес
    Днепропетровск
    Возраст
    41
    Сообщений
    29

    По умолчанию Re: DC-DC преобразователи напряжения (для авто)

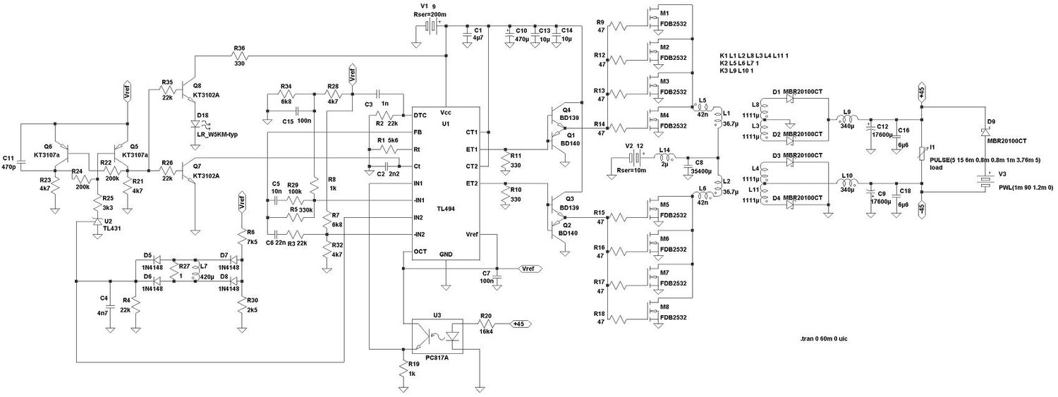
    Добыл наконец тл494ин и дособирал свое чудовище.
    Долго бился над защитой, пока не понял, что тл431 на 1,25В попалась. Ампутировал до выяснения.
    Убрал на выходе после конденсаторов мелкие дроссели за то, что занимались возбуждениями с конденсаторами с обеих сторон на звуковой частоте. Не понимаю, для чего я их туда поставил
    Погонял его с пол-часика с нагрузкой ватт 50 (больше импровизированный источник 12в не дал). Транс нагрелся градусов на 10, остальное холодное.
    Спалил диоды прикосновением щупа мультиметра после выхода ПНа к входу драйвера А может быть просто совпадение...
    На входе было 14,2В, значит амплитуда на диоде в идеале примерно 160В, реальную с выбросами замерить не успел, но почему-то на хх при напр. на входе 16,8В диоды жили. Снабберов пока нет.
    Итак собственно вопрос: пойдут ли мне на выход мбр20200цтг (шоттки 200В), или поискать что-нибудь более высоковольтное?

    Схема на сегоднешний день имеет такой вид Нажмите на изображение для увеличения. 

Название:	tl494.jpg 
Просмотров:	497 
Размер:	95.9 Кб 
ID:	121571
    Мосфеты стп60нф06, диоды как сказано выше мбр20200цтг
    Последний раз редактировалось Yorik; 26.04.2011 в 05:38.

  6. #4845
    Старый знакомый
    Регистрация
    22.03.2011
    Адрес
    Москва
    Сообщений
    761

    По умолчанию Re: DC-DC преобразователи напряжения (для авто)

    Цитата Сообщение от Starichok Посмотреть сообщение
    не знаю, у меня нет опыта изготовления. я в основном теоретик
    слишком уж красивые платы для теоретикахотя всякое может быть.....

  7. #4846
    Завсегдатай Аватар для Plex61
    Регистрация
    21.07.2010
    Адрес
    Красноярск
    Возраст
    64
    Сообщений
    1,521

    По умолчанию Re: DC-DC преобразователи напряжения (для авто)

    Цитата Сообщение от Slavik-65 Посмотреть сообщение
    слишком уж красивые платы для теоретика
    У теоретика Слава они должны быть красивыми , а у практика практичными , большая разница

  8. #4847
    Старый знакомый Аватар для Electrovoicer
    Регистрация
    03.06.2009
    Адрес
    СПб
    Сообщений
    758

    По умолчанию Re: DC-DC преобразователи напряжения (для авто)

    Цитата Сообщение от Starichok Посмотреть сообщение
    вышло 6 новых версий моих программ.
    хотел Вам сказать огромное спасибо - сам не раз воспользовался. не могли бы напомнить, куда послать деньги?

  9. #4848
    Старый стал, ленивый Аватар для Starichok
    Регистрация
    02.05.2010
    Адрес
    Псков
    Возраст
    74
    Сообщений
    3,293

    По умолчанию Re: DC-DC преобразователи напряжения (для авто)

    в первом посте моей темы есть номер кошелька на Яндекс.Деньгах.
    Фарш невозможно провернуть назад,
    И мяса из котлет не восстановишь...

  10. #4849
    Старый знакомый
    Регистрация
    22.03.2011
    Адрес
    Москва
    Сообщений
    761

    По умолчанию Re: DC-DC преобразователи напряжения (для авто)

    Starichok, с меня тоже причитается, кошелек я и не приметил
    Кстати, я вот посчитал: для 58х40.8х20.2 - 2063 Вт, для 63х38х25 - 1748 Вт габаритная мощность.... Так и должно быть ?
    частота 55 кГц

  11. #4850
    Старый стал, ленивый Аватар для Starichok
    Регистрация
    02.05.2010
    Адрес
    Псков
    Возраст
    74
    Сообщений
    3,293

    По умолчанию Re: DC-DC преобразователи напряжения (для авто)

    Славик, я же не знаю, какие ты исходные задавал...
    Фарш невозможно провернуть назад,
    И мяса из котлет не восстановишь...

  12. #4851
    Старый знакомый
    Регистрация
    22.03.2011
    Адрес
    Москва
    Сообщений
    761

    По умолчанию Re: DC-DC преобразователи напряжения (для авто)

    кольцо - эпкос
    частота - 55 кГЦ
    сопр канала - 0,002 Ома
    мертв. время - 120 нС
    питание - автомобильное
    вых. напр -50 вольт
    ток - 5А
    желаемый провод - 0,63
    падение - 0,63
    стаб нет
    мост

  13. #4852
    Старый стал, ленивый Аватар для Starichok
    Регистрация
    02.05.2010
    Адрес
    Псков
    Возраст
    74
    Сообщений
    3,293

    По умолчанию Re: DC-DC преобразователи напряжения (для авто)

    это что за контроллер с мертвым временем 120 нс?
    мост на 12 Вольт?
    выход два по 50 Вольт с током 5 Ампер?

    ---------- Добавлено в 19:41 ---------- Предыдущее сообщение в 19:30 ----------

    ну да, более 2000 Ватт для кольца 58,3
    Фарш невозможно провернуть назад,
    И мяса из котлет не восстановишь...

  14. #4853
    Новичок
    Регистрация
    04.06.2010
    Адрес
    Днепропетровск
    Возраст
    41
    Сообщений
    29

    По умолчанию Re: DC-DC преобразователи напряжения (для авто)

    Цитата Сообщение от Yorik Посмотреть сообщение
    А может быть просто совпадение...
    Спалил еще пару диодов. Под нагрузкой при питании 14,2 жили, а на хх сразу издохли.
    Успел замерить на них напругу: 140В + 80В один выброс, почти квадратный, без колебаний. На первичке, насколько видно через мое жалкое подобие шнура к осцилографу, более-менее красиво.
    Может быть диоды конденсаторами пошунтировать? Или диоды покрепче искать?
    Ферритовые бусинки меня случаем не спасут?
    В реальных условиях питание боьше 14,2 врядли будет, но хочется иметь запас.

  15. #4854
    Старый знакомый
    Регистрация
    22.03.2011
    Адрес
    Москва
    Сообщений
    761

    По умолчанию Re: DC-DC преобразователи напряжения (для авто)

    Цитата Сообщение от Starichok Посмотреть сообщение
    это что за контроллер с мертвым временем 120 нс?
    38084
    Цитата Сообщение от Starichok Посмотреть сообщение
    выход два по 50 Вольт с током 5 Ампер?
    да, именно так
    Цитата Сообщение от Starichok Посмотреть сообщение
    мост на 12 Вольт?
    на +/- 50

  16. #4855
    Старый стал, ленивый Аватар для Starichok
    Регистрация
    02.05.2010
    Адрес
    Псков
    Возраст
    74
    Сообщений
    3,293

    По умолчанию Re: DC-DC преобразователи напряжения (для авто)

    а я подумал, что вместо пуш-пула мост.
    Фарш невозможно провернуть назад,
    И мяса из котлет не восстановишь...

  17. #4856
    Старый знакомый
    Регистрация
    22.03.2011
    Адрес
    Москва
    Сообщений
    761

    По умолчанию Re: DC-DC преобразователи напряжения (для авто)

    Цитата Сообщение от Starichok Посмотреть сообщение
    что вместо пуш-пула мост.
    я пока трезв и малость адекватен

  18. #4857
    Старый стал, ленивый Аватар для Starichok
    Регистрация
    02.05.2010
    Адрес
    Псков
    Возраст
    74
    Сообщений
    3,293

    По умолчанию Re: DC-DC преобразователи напряжения (для авто)

    выражаться надо точно и понятно, чтобы не было разночтений.
    Фарш невозможно провернуть назад,
    И мяса из котлет не восстановишь...

  19. #4858
    Старый знакомый
    Регистрация
    22.03.2011
    Адрес
    Москва
    Сообщений
    761

    По умолчанию Re: DC-DC преобразователи напряжения (для авто)

    Впредь буду стараться, а с моим вопросом то что ?

  20. #4859
    Старый стал, ленивый Аватар для Starichok
    Регистрация
    02.05.2010
    Адрес
    Псков
    Возраст
    74
    Сообщений
    3,293

    По умолчанию Re: DC-DC преобразователи напряжения (для авто)

    так я тебе уже ответил, что в самом деле программа дает габаритную более 2000 Ватт.
    Фарш невозможно провернуть назад,
    И мяса из котлет не восстановишь...

  21. #4860
    Старый знакомый
    Регистрация
    22.03.2011
    Адрес
    Москва
    Сообщений
    761

    По умолчанию Re: DC-DC преобразователи напряжения (для авто)

    Значит чего-то я ошибся

Страница 243 из 317 Первая ... 233241242243244245253 ... Последняя

Социальные закладки

Социальные закладки

Ваши права

  • Вы не можете создавать новые темы
  • Вы не можете отвечать в темах
  • Вы не можете прикреплять вложения
  • Вы не можете редактировать свои сообщения
  •