Страница 23 из 28 Первая ... 132122232425 ... Последняя
Показано с 441 по 460 из 544

Тема: Трехполоска на купольном СЧ

  1. #1 Показать/скрыть первое сообщение.
    Завсегдатай
    Автор темы
    Аватар для Алексей Коваленко
    Регистрация
    31.05.2012
    Адрес
    г.Ейск
    Возраст
    58
    Сообщений
    1,846

    По умолчанию Трехполоска на купольном СЧ

    Прочитав множество тем и статей решил попробовать купольный СЧ ScanSpeak D7608/920010(на момент покупки был вариант без фланца СЧ ScanSpeak D7608/920000). ВЧ Vifa XT25SC90-04 выбрал .т.к. имелся положительный опыт в двуполоске,НЧ ScanSpeak 22W/8534G00 показался мне более бюджетной альтернативой НЧ SEAS H1288-08 (CA22RNX).Целью проекта ставилась задача при минимально возможном бюджете собрать достаточно хорошо звучащую акустику.
    Миниатюры Миниатюры Нажмите на изображение для увеличения. 

Название:	обрезанный2.jpg 
Просмотров:	2238 
Размер:	601.1 Кб 
ID:	210280   Нажмите на изображение для увеличения. 

Название:	DSC_0555.JPG 
Просмотров:	2014 
Размер:	801.9 Кб 
ID:	204582   Нажмите на изображение для увеличения. 

Название:	родственницы.jpg 
Просмотров:	2878 
Размер:	333.3 Кб 
ID:	206204   Нажмите на изображение для увеличения. 

Название:	DSC_7213.JPG 
Просмотров:	3636 
Размер:	844.3 Кб 
ID:	199285  

    Нажмите на изображение для увеличения. 

Название:	CSC_7423.JPG 
Просмотров:	2587 
Размер:	374.9 Кб 
ID:	199286   Нажмите на изображение для увеличения. 

Название:	DSC_7556.JPG 
Просмотров:	2477 
Размер:	914.5 Кб 
ID:	204581   Нажмите на изображение для увеличения. 

Название:	CSC_7881.JPG 
Просмотров:	2453 
Размер:	337.0 Кб 
ID:	208994   Нажмите на изображение для увеличения. 

Название:	три красотки.jpg 
Просмотров:	3514 
Размер:	67.6 Кб 
ID:	232312  

    Нажмите на изображение для увеличения. 

Название:	DSC_4548.JPG 
Просмотров:	2299 
Размер:	803.1 Кб 
ID:	269450  
    Последний раз редактировалось Алексей Коваленко; 03.04.2017 в 21:10.

  2. #441
    Старый знакомый
    Регистрация
    08.04.2010
    Адрес
    EU
    Возраст
    55
    Сообщений
    645

    По умолчанию Re: Трехполоска на купольном СЧ


    Offтопик:
    Виталик, у меня Wavecor TW030WA08 играет с 2 кГц и с одним посл. резистором (без параллельного) - его и первым порядком то не раздемпфируешь
    Просто ребята, если вы думаете что большое количество элементов в фильтре прибавляет звучанию голов благородности и натуральности (не говоря уже об эмоциональном ряде) - то сильно ошибаетесь.

  3. #442
    Частый гость Аватар для Simpl.K.
    Регистрация
    15.01.2006
    Адрес
    Рига
    Возраст
    53
    Сообщений
    485

    По умолчанию Re: Трехполоска на купольном СЧ

    Цитата Сообщение от Гена Ишиватов Посмотреть сообщение
    Offтопик:
    Виталик, у меня Wavecor TW030WA08 играет с 2 кГц и с одним посл. резистором (без параллельного) - его и первым порядком то не раздемпфируешь
    Просто ребята, если вы думаете что большое количество элементов в фильтре прибавляет звучанию голов благородности и натуральности (не говоря уже об эмоциональном ряде) - то сильно ошибаетесь.

    Offтопик:
    я думаю так: ЕСЛИ АВТОР СОЗДАЛ, ТАК И СЛУШАЙ!!! речь только о диерах. магазинные поделки ТАК высоко Вами оцененные я в этот ряд не ставлю. там только экономия на от...бись!!!
    не раз на форуме упоминали, что нет измерительной техники, НЕ ВНОСИ ИЗМЕНЕНИЙ, а собирай проект как его выкладывают авторы.
    если нет чем измерять, то о чем речь?! только на свой ВЕЛИКОЛЕПНЫЙ УХ? тогда можно вообще все форумы закрывать и лепить себе на здоровье и вкус, ибо я художник, так слышу....
    устал...

  4. #443
    Старый знакомый
    Регистрация
    08.04.2010
    Адрес
    EU
    Возраст
    55
    Сообщений
    645

    По умолчанию Re: Трехполоска на купольном СЧ


    Offтопик:
    Simpl.K., что Вы так кипятитесь - я просто предложил попробовать (в будущем) более щадящую звук схему, тем более для твитера, работающего в 3-полоске (где выше и легче).
    Если мы не будем делиться своими мыслями и впечатлениями - тогда, спрашивается, для чего форум (можно оставить только раздел Проекты АС, ссылки на темы и без комментов ).

  5. #444
    Завсегдатай Аватар для сергей дроздов
    Регистрация
    07.01.2010
    Адрес
    г.Кемерово
    Возраст
    61
    Сообщений
    2,650

    По умолчанию Re: Трехполоска на купольном СЧ

    Странные очень выводы ,что пробуя в своей коробочке с вч динамиком- заявлять про очень большое негативное влияние одного резистора в фильтре вроде бы в совершенно другой акустике(ссылаясь при этом на "хороший слух").....(Просто ребята, если вы думаете что большое количество элементов в фильтре прибавляет звучанию голов благородности и натуральности (не говоря уже об эмоциональном ряде) - то сильно ошибаетесь.)...ПРОСТО Гена если ты думаешь,что у тебя хороший слух-ТО твоем мнение верное и...............................................

  6. #445
    Завсегдатай
    Автор темы
    Аватар для Алексей Коваленко
    Регистрация
    31.05.2012
    Адрес
    г.Ейск
    Возраст
    58
    Сообщений
    1,846

    По умолчанию Re: Трехполоска на купольном СЧ

    Думаю, что все имеет право на жизнь .
    С уважением,Алексей.
    моя почта styleacoustic@yandex.ru

  7. #446
    Частый гость Аватар для Simpl.K.
    Регистрация
    15.01.2006
    Адрес
    Рига
    Возраст
    53
    Сообщений
    485

    По умолчанию Re: Трехполоска на купольном СЧ

    Цитата Сообщение от Гена Ишиватов Посмотреть сообщение
    Offтопик:
    Simpl.K., что Вы так кипятитесь - я просто предложил попробовать (в будущем) более щадящую звук схему, тем более для твитера, работающего в 3-полоске (где выше и легче).
    Если мы не будем делиться своими мыслями и впечатлениями - тогда, спрашивается, для чего форум (можно оставить только раздел Проекты АС, ссылки на темы и без комментов ).

    Offтопик:
    возмутил подход. мол у всего, что разбирал из магазина...супер пупер звук, полагаясь на свой ИСКЛЮЧИТЕЛЬНЫЙ слух... а Тролесс, фигню делает -вывод, как я понимаю, чисто теоретический, обусловленный аудиофильским заблуждением: чем меньше элементов тем Хай-эндее.
    по существу темы надо было предложить вариант хоть как-то обоснованный. а не просто - так делают в ФирмаХ.
    да, возможно пересчитать фильтр с уровнем как у автора -7дб и ТОЙ ЖЕ САМОЙ ЧАСТОТЕ раздела и добротности, тогда даже фазовые сдвиги будут почти идентичные. вот если бы Вы сделали подобный пример то не было и возмущения. но просто говорить, что убрать Р2 из схемы это...нет слов! и будет легче будет легче... как раз наоборот, для усилителя нагрузка ЗНАЧИТЕЛЬНО увеличиться после частоты раздела на ВЧ, что не есть хорошо, для усилителя... а сам резистор будет греться как паяльник.
    если интересно, мои опыты изменения фильтра на ВЧ с сохранением частоты раздела и добротности, и уровнем давления. разницы АЧХ и фазы на уровне само внушений, а нагрузка для уся значительна.
    Нажмите на изображение для увеличения. 

Название:	8.2-195 3.9-5.9.png 
Просмотров:	190 
Размер:	61.2 Кб 
ID:	291475 Нажмите на изображение для увеличения. 

Название:	3.4-47 only 9.4.png 
Просмотров:	165 
Размер:	62.2 Кб 
ID:	291472 Нажмите на изображение для увеличения. 

Название:	3.4-47 only9.4f.png 
Просмотров:	159 
Размер:	57.2 Кб 
ID:	291473 Нажмите на изображение для увеличения. 

Название:	8.2-195 3.9-5.9f.png 
Просмотров:	156 
Размер:	56.7 Кб 
ID:	291474
    название файла это номиналы элиментов. кондер - индуктивность и резистор- паралельный резистор.

    Алексей Коваленко. простите за разговор не совсем по теме ветки...
    Последний раз редактировалось Simpl.K.; 14.04.2017 в 16:28.
    устал...

  8. #447
    Старый знакомый
    Регистрация
    08.04.2010
    Адрес
    EU
    Возраст
    55
    Сообщений
    645

    По умолчанию Re: Трехполоска на купольном СЧ

    Цитата Сообщение от Simpl.K. Посмотреть сообщение
    усилителя нагрузка ЗНАЧИТЕЛЬНО увеличиться после частоты раздела на ВЧ, что не есть хорошо, для усилителя... а сам резистор будет греться как паяльник.

    Offтопик:
    Ну что Вы гоните, что у Вас там нагреется, у меня АС на уровне громкости выше среднего работают по пол дня - а резистор холодный как покойник.
    Вы просто на графики меньше смотрите - а больше учитесь слушать и вникать как разные элементы влияют на звучание, я теперь начинаю понимать ребят с Сундука в отношении подхода к АС на Вегалабе ))

  9. #448
    Частый гость Аватар для Simpl.K.
    Регистрация
    15.01.2006
    Адрес
    Рига
    Возраст
    53
    Сообщений
    485

    По умолчанию Re: Трехполоска на купольном СЧ

    Цитата Сообщение от Гена Ишиватов Посмотреть сообщение
    Вы просто на графики меньше смотрите - а больше учитесь слушать и вникать как разные элементы влияют на звучание, я теперь начинаю понимать ребят с Сундука в отношении подхода к АС на Вегалабе ))
    понятно теперь от куда корни Ваших знаний растут.
    устал...

  10. #449
    Завсегдатай
    Автор темы
    Аватар для Алексей Коваленко
    Регистрация
    31.05.2012
    Адрес
    г.Ейск
    Возраст
    58
    Сообщений
    1,846

    По умолчанию Re: Трехполоска на купольном СЧ

    Друзья, не стоит копья ломать, каждый подход имеет право на жизнь, важна конкретная реализация в конце концов.
    С уважением,Алексей.
    моя почта styleacoustic@yandex.ru

  11. #450
    Частый гость Аватар для Simpl.K.
    Регистрация
    15.01.2006
    Адрес
    Рига
    Возраст
    53
    Сообщений
    485

    По умолчанию Re: Трехполоска на купольном СЧ

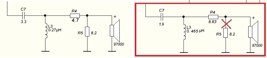
    Алексей Коваленко, если бы мой земляк предложил вариант : Нажмите на изображение для увеличения. 

Название:	830869+75+97000.jpg 
Просмотров:	306 
Размер:	47.1 Кб 
ID:	291488
    то и мне было бы интересно Ваше мнение. на сколько, или на что в итоге повлияет такое изменение?
    естественно расчет фильтра его добротности и уменьшение давления при расчете сохранены.
    но Генадий пошел по пути теологии...
    устал...

  12. #451
    Завсегдатай
    Автор темы
    Аватар для Алексей Коваленко
    Регистрация
    31.05.2012
    Адрес
    г.Ейск
    Возраст
    58
    Сообщений
    1,846

    По умолчанию Re: Трехполоска на купольном СЧ

    Цитата Сообщение от Simpl.K. Посмотреть сообщение
    Алексей Коваленко, если бы мой земляк предложил вариант : Нажмите на изображение для увеличения. 

Название:	830869+75+97000.jpg 
Просмотров:	306 
Размер:	47.1 Кб 
ID:	291488
    то и мне было бы интересно Ваше мнение. на сколько, или на что в итоге повлияет такое изменение?
    естественно расчет фильтра его добротности и уменьшение давления при расчете сохранены.
    но Генадий пошел по пути теологии...
    Удаление резистора приведет к изменению всех номиналов ВЧ фильтра, для сохранения аналогичной АЧХ фильтра с резистором. Как это отразится на звуке не знаю, для этого надо сравнивать в лоб оба варианта...
    С уважением,Алексей.
    моя почта styleacoustic@yandex.ru

  13. #452
    Частый гость Аватар для Simpl.K.
    Регистрация
    15.01.2006
    Адрес
    Рига
    Возраст
    53
    Сообщений
    485

    По умолчанию Re: Трехполоска на купольном СЧ

    Цитата Сообщение от Алексей Коваленко Посмотреть сообщение
    Удаление резистора приведет к изменению всех номиналов ВЧ фильтра, для сохранения аналогичной АЧХ фильтра с резистором. Как это отразится на звуке не знаю, для этого надо сравнивать в лоб оба варианта...
    об этом и был разговор-спор с земляком.
    я же в своем примере УЖЕ ВСЕ РАССЧИТАЛ!!! Нажмите на изображение для увеличения. 

Название:	1-2-3.jpg 
Просмотров:	219 
Размер:	29.6 Кб 
ID:	291520 поэтому и спросил Вас.
    чуть ранее я привел графики моделирования с похожей ситуацией. 2 графика соответствуют фильтру с последовательным резистором, и 2 - с L-pad. где видно, что АЧХ и ФЧХ практически не измены.
    согласен, что б узнать на сколько такие изменения отразятся на звуке надо сравнивать....
    устал...

  14. #453
    Старый знакомый
    Регистрация
    08.04.2010
    Адрес
    EU
    Возраст
    55
    Сообщений
    645

    По умолчанию Re: Трехполоска на купольном СЧ


    Offтопик:
    Simpl.K., я приведу для Вас выдержку из обзора одного 2-полосного полочника с фильтрами первого порядка:
    "На разработку недавно появившейся модели Sky у Винса ушло около пяти лет. При том, что это двухполосные мониторы размером 16 х 30 х 23 см с простейшими разделительными фильтрами. Дело в том, что здесь работает тот же принцип, что и при конструировании аудиофильских усилителей: чем проще схема, тем лучше звучание, но при этом звуковая сигнатура каждой детали и их гармония имеют решающее влияние на результат. А в электроакустике таких факторов гораздо больше, поэтому на экспериментальный поиск оптимального сочетания действительно могут уйти годы. Тем более, что Винс Браззис всегда ставит перед собой амбициозную задачу – каждое его изделие должно «раскрывать душу музыки»."
    http://www.salonav.com/arch/2017/02/...oustic-sky.htm
    Поймите - люди тратят годы, отслушивают комплектующие и провода, стремятся создать простейший фильтр, выбрать самые синергичные динамики - и всё ради того чтобы донести самое главное в музыке.
    А у Вас всё просто - вот здесь усилителю чуть трудно - не беда, навесим резик в параллель, а вот горбик - навесим ещё один туда же ! Всё быстро и просто по программке.
    Но в акустике больше эмпирического чем измерительного - иначе была бы одна самая идеальная модель АС.
    Да, я доверяю своему слуху - но учитывая то что я с четырёхлетнего возраста в серьёзной музыке, а также за плечами муз.школа и игра в группе - я думаю что имею на это право (тем более что легче подстроить АС под капризное помещение - чем вылизать его под ровные по графику АС).

  15. #454
    Частый гость Аватар для Simpl.K.
    Регистрация
    15.01.2006
    Адрес
    Рига
    Возраст
    53
    Сообщений
    485

    По умолчанию Re: Трехполоска на купольном СЧ

    Гена Ишиватов, - Вы ОЧЕНЬ ПОХОЖИ на персонажа ...batto... со всеми вытекающими... что с ним стало, тут знают...
    устал...

  16. #455
    Завсегдатай Аватар для Анатолий Тимофеев
    Регистрация
    08.07.2008
    Адрес
    Тихвин/СПБ, Russia
    Возраст
    49
    Сообщений
    1,648

    По умолчанию Re: Трехполоска на купольном СЧ

    А я вот поддержу товарища Ишиватова! Заметьте, сколько внимания прослушке уделяет С.Д.Бать. Г.Крылов. Конечно, грамотное проектирование никто не от менял, но - ухо это реально очень чувствительный инструмент, который нужно использовать. Слуховая экспертиза любого аппарата - вещь важнейшая.
    С Уважением, Анатолий.

  17. #456
    Завсегдатай Аватар для ИГВИН
    Регистрация
    06.05.2005
    Адрес
    Ростов-на-Дону
    Возраст
    67
    Сообщений
    13,071

    По умолчанию Re: Трехполоска на купольном СЧ

    Коллеги, заверяю что Алексей слушает музыку не меньше чем все мы.
    И конечно слушает, какие изменения в звуке дают изменения кросса.
    Как же без этого?
    В спорных случаях и я всегда готов подключиться.
    Тут езды 3 часа всего.
    Игорь. Meridian 507.24 => DAC6 v2+свой выхлоп => Noosfera Master => Celestion A2 + Hand-made cable

  18. #457
    Завсегдатай
    Автор темы
    Аватар для Алексей Коваленко
    Регистрация
    31.05.2012
    Адрес
    г.Ейск
    Возраст
    58
    Сообщений
    1,846

    По умолчанию Re: Трехполоска на купольном СЧ

    Цитата Сообщение от Анатолий Тимофеев Посмотреть сообщение
    А я вот поддержу товарища Ишиватова! Заметьте, сколько внимания прослушке уделяет С.Д.Бать. Г.Крылов. Конечно, грамотное проектирование никто не от менял, но - ухо это реально очень чувствительный инструмент, который нужно использовать. Слуховая экспертиза любого аппарата - вещь важнейшая.
    Я бы хотел добавить, что не надо впадать в крайности. Грамотное проектирование и слуховая доводка - это два этапа построения АС и ни как не противоречат один другому. А вот построение АС в одном ключе, только на слух или только по микрофону, на мой взгляд ошибочно и однобоко.
    С уважением,Алексей.
    моя почта styleacoustic@yandex.ru

  19. #458
    Завсегдатай Аватар для DIM
    Регистрация
    14.05.2005
    Адрес
    Санкт Петербург
    Возраст
    54
    Сообщений
    2,969

    По умолчанию Re: Трехполоска на купольном СЧ

    Алексей, а если не секрет, на чем отслушиваете? У вас есть устоявшаяся система?
    С уважением, Дмитрий Чуманов.

  20. #459
    Завсегдатай
    Автор темы
    Аватар для Алексей Коваленко
    Регистрация
    31.05.2012
    Адрес
    г.Ейск
    Возраст
    58
    Сообщений
    1,846

    По умолчанию Re: Трехполоска на купольном СЧ

    Цитата Сообщение от DIM Посмотреть сообщение
    Алексей, а если не секрет, на чем отслушиваете? У вас есть устоявшаяся система?
    Постоянных АС пока нет, к сожалению, не могу остановиться на чем-то конкретном. Остальная система постоянная уже несколько лет. Периодически участвует в прослушивании и доводке АС Игорь Виноградский. Или я к нему везу АС или он приезжает ко мне со своим усилителем и прочими мелочами.
    С уважением,Алексей.
    моя почта styleacoustic@yandex.ru

  21. #460
    Завсегдатай Аватар для DIM
    Регистрация
    14.05.2005
    Адрес
    Санкт Петербург
    Возраст
    54
    Сообщений
    2,969

    По умолчанию Re: Трехполоска на купольном СЧ

    А, меня как раз и интересовало, есть ли устоявшаяся система. Это хорошо. Постоянных АС и быть не может, при их конструировании, всегда хочется чего-то более и более)
    С уважением, Дмитрий Чуманов.

Страница 23 из 28 Первая ... 132122232425 ... Последняя

Социальные закладки

Социальные закладки

Ваши права

  • Вы не можете создавать новые темы
  • Вы не можете отвечать в темах
  • Вы не можете прикреплять вложения
  • Вы не можете редактировать свои сообщения
  •