Появилось свободное время и решил развеять байки и мифы о этих аппаратах гуляющие по просторам интернета.
Все модели построены на основе идеологии Thorens 125
Электроника б1-01, Электроника б1-011 - почти полные клоны легендарного Thorens 125 с не менее легендарным тонармом SME3009
Электроника 012(не путать с прямоприводными Д012 а все эти проигрыватели пассиковые) и Электроника 030 используют другое субшасси выполненное в виде треугольника на котором монтируется помимо диска еще и тонарм.(если не планируется менять тонарм это обеспечивает чуть лучшую его развязку по сравнению с б1-01,Б1-011 хотя в принципе вертушки равнозначны)
Электроника 030 отличается от Электроники 012 применением пластмассового корпуса цвета отходов жизнедеятельности.
В интернете куча советов по модернизации Электроника б1-01, Электроника б1-011 сводящихся в основном к замене корпуса, в журнале Радио была статья по выносу силового трансформатора из корпуса(это уже боле осмысленный шаг по улучшению параметров данных проигрывателей)
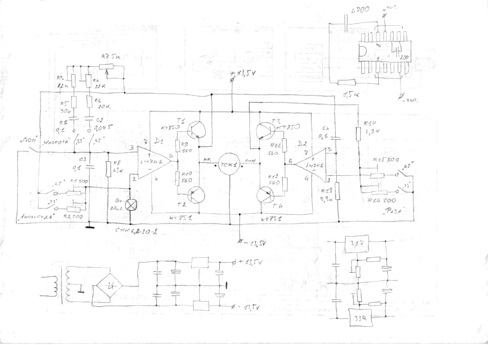
Во всех проигрывателях используется тихоходный двигатель ТКС-1 являющийся их достоинством.
Но реализация их управления (передраным с Thorens 125 первых моделей) является их самым слабым местом.
Это хорошо слышно на фонендоскопе (гул двигателя превышает гул трансформатора)и видно на спектроанализаторе при воспроизведении немой канавки( гармоника на 37Гц).
Демонтировав основной диск и запустив двигатель без нагрузки можно увидеть его движение рывками подобно двигателю Радиотехники 001( конечно установив диск на место за счет его массы подобно Радиотехнике 001 движение выравнивается ).
Это происходит из-за того что сдвиг фаз двигателя ТКС-1 должен быть 90 градусов а в схеме управления это обеспечивается электролитическими конденсаторами(кончено если повезет то емкость этих конденсаторов обеспечит требуемые 90 градусов(и в лотерею с некоторой вероятностью можно выиграть)) можно подобрать емкость конденсаторов используя фазометр но по мере их старения фаза уплывет.
Кардинально решит данную проблему применение генератора от Thorens 125MK2( для причитающих по поводу невозможности достать микросхемы МА709 сообщаю их полный аналог советские К153УД2 в метало стеклянном корпусе или К553УД2 в пластмассе).
Еще лучшие результаты применение генератора от IЭПУ70(Радиотехника ЭП101) в котором есть возможность регулировки сдвига фаз (возможность более точно подобрать фазу под технологический разброс двигателей).
Поле замены генератора основным источником рокота становится силовой трансформатор тут уже простор для творчества- или заменить его на боле качественный или вынести его за пределы проигрывателя.
В результате модернизации получаем проигрыватель высокого класса который даст фору большинству современных новоделов.



Ответить с цитированием
Социальные закладки