Страница 2 из 32 Первая 123412 ... Последняя
Показано с 21 по 40 из 623

Тема: Предусилители электретных микрофонов c низковольтным фантомным питанием от микрофонных входов соврем

  1. #1 Показать/скрыть первое сообщение.
    Старый знакомый
    Автор темы
    Аватар для semimat
    Регистрация
    06.03.2014
    Адрес
    Москва
    Сообщений
    856

    По умолчанию Предусилители электретных микрофонов c низковольтным фантомным питанием от микрофонных входов соврем

    Обсуждается проблема повышения качества работы дешевых электретных микрофонов путем их схемотехнической доработки. Предлагается схема предусилителя с питанием от микрофонного входа современных гаджетов (эти входы оснащены встроенным низковольтным фантомным источником, обычно: 2.5В, 3кОм). Схема имеет стандартное двухпроводное подключение к микрофонному входу, использует самые доступные радиокомпоненты и обладает при этом достаточно высокими характеристиками по сравнению с популярными аналогами.
    Схема содержит только один относительно большой элемент – конденсатор емкостью 47…100 мкФ на напряжение от 3.3 В. При использовании smd-компонентов предусилитель можно уместить непосредственно в корпусе многих продаваемых дешевых моделей микрофонов.

    Создать эту тему меня подвиг интересный пост в блоге Николая Сухова на сайте IXBT.COM:
    http://www.ixbt.com/live/nikolay-suh...diofila_2.html
    Читать сам пост, комментарии к нему и смотреть видео для полного погружения в проблему - обязательно!!!! Необходимо также ознакомиться с материалом от user57 и hectorsky (оппоненты Николая Сухова) по ссылкам на их результаты:
    https://cloud.mail.ru/public/4jkV/uZVvUZzSE
    https://www.dropbox.com/sh/tqks8qt8s...in30y6Tza?dl=0
    Хоть я и не во всём согласен с Николаем Суховым, но благодарен ему за то, что фактически он единственный, кто подготовил самый подробный и эффектно изложенный материал по вопросу повышения качества звукозаписи при использовании дешевых электретных микрофонов.
    Я в свое время также успел столкнуться с этой проблемой и поэтому, понимая её актуальность, решил «замутить» аналогичную тему здесь, дав ей новое продолжение.

    Итак, есть актуальная проблема, состоящая в том, что звукозапись (или голосовая связь) с использованием внутренних микрофонов современных дешевых гаджетов, а также с применением внешних недорогих микрофонов, подключаемых к микрофонным входам значительного количества электронной техники (дальше по тексту я для простоты всё это буду называть гаджетами, заранее прошу прощения), очень часто оставляет желать лучшего. В первую очередь не устраивает малый уровень громкости даже при выведении всех регуляторов на максимум. В некоторых применениях ситуацию можно исправить последующим программным усилением (постобработкой записи), но в случае прямой голосовой связи (например, при интернет-общении) это затруднительно.
    Во-вторых, часто не устраивает малое достигаемое отношение сигнал/шум (С/Ш), иногда сопровождающееся заметными нелинейными искажениями, а это уже гораздо хуже, чем просто тихий звук. Конечно, надо разобраться, почему такое может иметь место, и насколько виноват в этом дешевый электретный капсюль.
    В качестве отправных точек возьмем данные из литературных источников, относящиеся к обозначенной проблеме.


    Для начала определим диапазон уровней громкости звуковых сигналов и уровней акустического фона, с которыми обычно приходится иметь дело при любительской звукозаписи в разнообразных условиях. Вот типичные данные, которые с некоторыми вариациями приводятся в интернет-источниках (http://edu.trudcontrol.ru/~3m/item/43u7haNo , http://www.acousticlab.ru/urovni_gro...ochnikov_shuma ):
    Нажмите на изображение для увеличения. 

Название:	акустические у&#10.png 
Просмотров:	3352 
Размер:	37.1 Кб 
ID:	299818 Нажмите на изображение для увеличения. 

Название:	шумы 1.png 
Просмотров:	2350 
Размер:	7.8 Кб 
ID:	299819 Нажмите на изображение для увеличения. 

Название:	шумы 2.png 
Просмотров:	1943 
Размер:	5.7 Кб 
ID:	299820 Нажмите на изображение для увеличения. 

Название:	шумы 3.png 
Просмотров:	2177 
Размер:	2.0 Кб 
ID:	299821
    Из этих данных можно увидеть, что в подавляющем большинстве случаев любительская запись будет происходить при уровне акустического фона не менее 25…30 дБ SPL (Sound Pressure Level). Получается, что отношение С/Ш при записи сигнала обычной громкости в таких условиях, будет иметь весьма небольшое значение. Например, если источник создает звук в 50 дБ SPL, то рассчитывать на отношение С/Ш можно лишь в пределах 20….25 дБ. А для того, чтобы в вашей записи отношение С/Ш было на уровне 60 дБ нужно, чтобы записываемый «полезный» звук имел около 90 дБ SPL. И это связано НЕ с микрофоном, а определяется только акустическими условиями. От капсюля лишь требуется, чтобы его собственные шумы не сильно ухудшили это отношение. Думаю, именно поэтому подавляющее число дешевых электретных микрофонов, рассчитанных на любительскую запись и типичные условия применения, при различающихся прочих параметрах, имеют по паспортным данным эквивалентные собственные акустические шумы (EIN) на уровне <32….36 дБ SPL (S/N-ratio <58…62 dB), то есть, примерно равные типичному акустическому фону. Привожу характеристики дешевых электретных капсюлей одной из популярных фирм, выпускающей их широчайшую номенклатуру, в том числе, и полный аналог известного капсюля WM-61A:
    Нажмите на изображение для увеличения. 

Название:	микрофоны JLI.png 
Просмотров:	2444 
Размер:	73.5 Кб 
ID:	299822
    Что интересно, при таком собственном шуме микрофона, благодаря способности слуха к спектрально-временному анализу звуков, вы все равно сможете в какой-то степени разбирать даже структуру самого акустического фона (если это не белый шум), то есть различать звуки «под шумами» микрофона. В качестве подтверждения этому привожу данные о разборчивости речи в зависимости от соотношения с/ш (http://www.armstrong.ru/content2/com...iles/67442.pdf):
    Нажмите на изображение для увеличения. 

Название:	разборчивость от с-ш.png 
Просмотров:	2029 
Размер:	11.3 Кб 
ID:	299823
    Получается, что при соотношении С/Ш в 0 дБ можно даже еще понимать речь. Я это привожу для того, чтобы было понятно – в большинстве приложений отношение С/Ш больше 40 дБ – это уже достаточно. Пример: вы разговариваете с собеседником в обычном помещении, где типичный уровень фона – 30 дБ. Если собеседник находится на расстоянии в метре от вас, то его громкость будет на уровне 60 дБ. Отношение С/Ш будет всего 30 дБ. Отношение С/Ш в 60 дБ и более при записи с расстояния в метр – это уже требует студийной тишины звукозаписи и более дорогого микрофона.

    Можно ли серьезно снизить собственные эквивалентные акустические шумы дешевого электретного капсюля, не переделывая его внутренности и не добавляя механического оформления для достижения пространственной избирательности и акустического усиления? Думаю, что нет. То есть, наверное, можно подобрать оптимальный режим работы встроенного полевика выбором питающего напряжения и нагрузки, но считаю, что это позволит получить выигрыш в 1…2 дБ.

    Возможно, что на самом деле реальные шумы дешевых капсюлей могут оказаться существенно меньше указанных в паспорте (ведь в паспорте так и написано для S/N ratio: <, то есть, «менее»). Просто, указанные паспортные требования без труда могут быть выполнены даже не лучшими производителями, они легко проверяются без использования специальных заглушенных камер, и при этом они адекватны внешним акустическим помехам в большинстве условий применения. Поэтому я верю, что есть немалый шанс «нарваться» на удачную партию дешевых капсюлей с S/N ratio на 6…10 дБ лучше паспортных. Но это уже относится к удаче.

    Главный вывод, который я хотел донести вышеизложенным, это что исходное отношение С/Ш создаваемое микрофоном на своем выходе, не связано с предусилителем и не может быть им улучшено, поскольку это отношение большей частью формируется уже на затворе встроенного полевика, то есть, до ПУ. Тогда для чего же нужен предусилитель? Как и когда он может помочь?
    Его первая задача, как уже говорилось - это обеспечить уровень сигнала, достаточный для последующего комфортного прослушивания без необходимости «выкручивания» громкости на максимум.
    Вторая задача – это минимизировать ухудшение отношения С/Ш, пока сигнал от микрофона доходит до конечной точки (обычно АЦП). То есть, ПУ может помочь тем, у кого шумы получаются почему-то намного больше ожидаемых в соответствии с паспортными данными. Решению этого вопроса, данная тема и посвящается (конечно, одновременно решается и первая задача).
    Проблема ухудшения отношения С/Ш обычно возникает с дешевыми устройствами, когда микрофон имеет стандартное двухпроводное подключение к микрофонному входу (по большей части – даже неэкранированным кабелем) и одновременно по тому же проводу получает от него электрическое питание (так называемое фантомное питание).

    Предварительный ответ на вопрос, почему падает С/Ш, очевиден – с одной стороны, в канал прохождения сигнала проникают посторонние помехи, существенно превосходящие собственные шумы микрофона. С другой стороны, собственные шумы микрофонного входа гаджета также могут превосходить шумы с выхода микрофона. (Варианты, когда микрофон просто бракованный, или когда «слетели» драйвера на устройство оцифровки, не рассматриваются. Я о них упоминаю потому, что такое бывает, и это надо проверять.)

    Еще одной причиной возникновения дополнительных шумов и искажений может служить малый уровень полезного сигнала, настолько малый, что при его оцифровке электроникой гаджета, окажется задействовано малое количество разрядов. Это способно породить дополнительный более заметный специфический шум (и искажения). Для борьбы с этим видом шумов и искажений при оцифровке используются алгоритмы «дизеринга» (dithering) или «нойз шейпинга» (noise shaping). Их суть в том, что к сигналу добавляется шум (немного ухудшающий отношение с/ш), но делающий итоговый шум после оцифровки не коррелированным с сигналом, что важнее для восприятия. Роль этого шума в нашем случае можно считать минимальной по сравнению с другими, если будет задействовано 10 и более разрядов при оцифровке.

    Рассмотрим пути проникновения посторонних помех в канал прохождения сигнала от микрофона до входа АЦП гаджета и методы борьбы с ними на основе приведенного рисунка.
    Нажмите на изображение для увеличения. 

Название:	схема проникновения помех.png 
Просмотров:	4534 
Размер:	15.1 Кб 
ID:	299825
    Сначала оценим помеху на соединительный кабель (состоящий из общего и сигнального проводов). Помеха имеет преимущественно электрическую природу, её источник весьма высокоомный. Его можно рассматривать как генератор тока, величину которого можно оценить, вспомнив эксперимент, когда прикасаешься пинцетом к мегаомному входу осциллографа. Осциллограмма наведенного напряжения в некоторых помещениях иногда доходит до амплитуды в 20 В. Это значит, что наводимый ток может доходить до 20В/1Мом=20 мкА. Какое напряжение помех этот ток мог бы создать на незащищенном сигнальном проводе? Если Rвых достаточно велико (прямое подключение капсюля без ПУ), то почти весь наведенный ток пойдет в резистор Rs, и амплитуду наведенного помехового напряжения можно оценить сверху как 3кОм*20мкА=60 мВ. А сам сигнал для типового капсюля с чувствительностью 10 мВ/Па (-40 дБ) при громкости звука в 94 дБ (1 Па) будет составлять лишь 10 мВ с.к.з.. Явный перебор! К счастью, если гальванически не прикасаться к сигнальному проводу, то токовая наводка будет много меньше 20 мкА и распределится на оба провода (сигнальный и общий, за счет близкого их взаиморасположения). К тому же, многократно большую долю этого наведенного тока будет забирать на себя общий провод, поскольку он «сидит на земле», то есть, имеет гораздо меньшее сопротивление «на землю» (интересно, что у дешевых компьютерных микрофонов и гарнитур соединительные провода не только не экранированные, но даже не витая пара!). Тем не менее, ясно, что наводка на сигнальный провод является одной из самых опасных, поскольку она должна создавать напряжение помехи меньше собственных шумов капсюля (а они имеют величину не 10 мВ, а менее 5мкВ).
    Очевидно, что есть три пути борьбы с этой помехой. Первый – использование экранированного кабеля. Второй – использование предварительного усиления сигнала до подачи его в кабель (тогда относительный уровень наводки оказывается меньше в коэффициент усиления раз). И третий путь – это использование предусилителя с малым выходным сопротивлением Rвых, во много раз меньшим величины Rs. Тогда почти весь наведенный на сигнальный провод ток пойдет не в Rs, а в Rвых и создаст на нем многократно меньшее напряжение помехи.
    Теперь о токе, наведенном на общий провод. За счет наличия у последнего некоторого хоть и малого сопротивления Ro, на нем все-таки тоже возникает напряжение помехи. При этом наведенное на общем проводе напряжение помехи будет напрямую складываться с сигналом.
    Часто именно так возникают помехи, даже когда разные приборы передают сигналы между собой по экранированным проводам. Напряжения наводок на корпуса приборов вызывают протекание по соединяющим их экранам значительных помеховых токов и возникновение напряжения помех, Чтобы такого не происходило (наведенные токи не протекали по экранам сигнальных проводов), корпуса приборов гальванически соединяют между собой толстыми проводниками.

    Насколько опасна в нашем случае наводка на общий провод? Если используется неэкранированный кабель от дешевого китайского микрофона, то сопротивление его проводов составляет около 0.2 Ом/м. Таким образом, помеха, проникающая за счет наводки на общий провод длиной 1.5м, может быть оценена сверху величиной 20мкА*1.5м*0.2Ом/м=6мкВ. Это сравнимо с шумом микрофона. Конечно, это верхняя оценка. И, казалось бы, стоит поставить предусилитель с Ку от 10 и более, то данной помехой можно пренебречь, но… эта помеха – как правило, наводка с частотой сети и её гармоник. Даже будучи в 10 раз слабее по амплитуде, чем шум микрофона с относительно равномерным спектром, она будет хорошо видна при спектральных измерениях, да и слух её тоже почувствует. Так что для борьбы с ней также надо принимать меры. Две легкодоступных из них – это применение экранированного провода с малым погонным сопротивлением экрана и предварительное усиление сигнала, упомянутое выше. Их уже может оказаться достаточно. В тяжелых случаях придется отказываться от двухпроводной линии и использовать провод «две жилы в экране». При этом возможны два варианта его применения. Лучший из них – это использование дифференциальной линии связи. Он используется в высококачественной акустике, но требует дифференциального входа в гаджете, что в нашей задаче - уже перебор. Другой – это использование двух внутренних жил экранированной пары в качестве сигнального и общего проводов. А экран при этом должен соединяться с землей (и общим проводом) только с одного конца (в штекере), выполняя функцию одновременной защиты от наведения токов сразу и на общий провод, и на сигнальный (забирая весь наведенный ток на себя и замыкая на землю). Микрофон в этом случае желательно также обложить фольгой, соединенной только с экраном. Но, как сказал Миша из «Бриллиантовой руки», «…надеюсь, до этого не дойдет…».

    Теперь рассмотрим шумы и пульсации, проникающие в канал со стороны плохого фантомного источника питания. В некоторых случаях это самые серьезные помехи, особенно, когда выходное сопротивление микрофона очень высокое (стандартный капсюль без ПУ) – тогда эта помеха проникает в канал без ослабления. Очевидно, что бороться с ней можно двумя способами. Первый - использование ПУ с большим усилением, чтобы относительный уровень помехи стал меньше. Второй – это использование ПУ с малым выходным сопротивлением, намного меньшим, чем Rs. Тогда помеха из питания будет ослаблена в отношение Rвых/(Rвых+Rs)≈ Rвых/Rs раз (так называемое PSRR – Power Supply Ripple Rejection – ослабление проникновения пульсаций питания). Эти два способа хороши при совместном использовании. Если, например, перед подачей в кабель сигнал был усилен на 30 дБ, а благодаря малому выходному сопротивлению Rвых еще и удалось ослабить помехи на 30 дБ, то в итоге относительное влияние помехи из источника питания будет снижено на 60 дБ. Понятно, что такой же суммарный эффект происходит и в отношении рассмотренной выше наводки на сигнальный провод. Хочется верить, что если это будет достигнуто, можно будет не использовать экранированный кабель, а полностью сохранить «родной китайский» без перепайки штекера.

    Ну, и последний источник помех – это собственные, приведенные к микрофонному входу гааджета, шумы его внутренней схемы (входного усилителя+АЦП). Очевидно, что ослабить их влияние можно только предварительным усилением подаваемого на микрофонный вход сигнала, то есть, использованием ПУ. Здесь есть та же проблема, о которой говорилось выше. Если помеха не имеет выраженных спектральных компонент, то достаточно такого усиления, при котором усиленные шумы микрофона примерно в два…три раза превосходили бы собственные шумы микрофонного входа. А если в шумах микрофонного входа есть выраженные спектральные компоненты, то полностью перекрыть их шумами микрофона, возможно, и не удастся. Но тогда это уже трудноизлечимая болезнь гаджета.

    Итак, по отношению к главным источникам помех мы, кроме использования хорошего экранированного провода, имеем два важных схемотехнических метода борьбы с ними. Это предварительное усиление сигнала и использование предусилителя с малым выходным сопротивлением. Самый универсальный из них – это первый. Чем больше усиление Ку, тем меньше относительный вклад всех видов посторонних электрических помех. Тем больше уверенность, что в канал передачи не произойдет ухудшения отношения с/ш. Но до какой степени можно разгонять усиление? Да, при большом усилении Ку легче сохранить нижний (шумовой) порог диапазона громкости акустических сигналов микрофона. Но что произойдет с громкими звуками, особенно, когда напряжение питания предусилителя очень мало? Очевидно, что при неразумно большом Ку даже не очень громкие акустические сигналы приведут к искажениям выходного сигнала, в том числе, к его ограничению (клиппингу). Поэтому очень важно задействовать механизм снижения уровня проникающих помех с помощью снижения Rвых, поскольку это позволяет не завышать Ку.
    Получается, что для получения лучших результатов по ширине динамического диапазона, с одной стороны, надо определить минимальный допустимый Ку предусилителя, при котором еще не ухудшается нижний предел динамического диапазона из-за роста помех, а с другой - желательно добиться, чтобы ПУ был способен при малом напряжении фантомного питания выдавать максимально возможный неискаженный выходной сигнал. Тогда будет максимизирован верхний порог динамического диапазона.
    А если еще и выходное сопротивление предусилителя мало, то, возможно, удастся обойтись без дорогого экранированного кабеля штатным китайским даже без перепайки штекера. Для примера, телефонные линии имеют длину иногда больше километра, но при этом их проводка в домах делается даже не витой парой, а телефонной «лапшой», да и сопротивление источников сигналов в линию не так уж мало - 600 Ом. Так что надежда есть, и если такое получится, то это будет приятный бонус.

    Ну, теперь можно приступить к делу. Существует много хороших схем ПУ, решающих задачу улучшения качества записи с дешевого электретного микрофона. Но они, как правило, используют дополнительный собственный источник питания (внешний или встроенная батарейка) и выполнены в виде отдельного блока межу микрофоном и гаджетом с трехпроводным подсоединением микрофона. Здесь же ставится другая задача – сделать предусилитель, встраиваемый в микрофон так, чтобы последний по-прежнему присоединялся к микрофонному входу стандартным способом (штекером по двухпроводной линии) и питался от него. И чтобы он сохранял высокие характеристики при работе от низковольтного фантомного питания современных гаджетов… При этих требованиях круг уже известных схем, претендующих на решение поставленной задачи, сужается до трех…четырех базовых вариантов.
    Первый из них – это схема на одном транзисторе (http://radiokot.ru/circuit/audio/amplifier/40/), буквально заполнившая Интернет:
    Нажмите на изображение для увеличения. 

Название:	однотранзистоный ПУ.png 
Просмотров:	3772 
Размер:	3.6 Кб 
ID:	299826
    Есть её модификация, с добавлением третьего резистора, уменьшающего искажения ценой снижения усиления: https://www.youtube.com/watch?v=k-ZwB7xpKVk , https://www.youtube.com/watch?v=BLa6YhdoO2k
    Мне кажется, что здесь была применена оригинальная идея. Фактически, будучи простейшей схемой, она содержит эффектную отрицательную обратную связь (ООС).
    Данную схему можно было бы нарисовать в стандартном виде, где резистор ООС занимает свое «законное» положение. Но благодаря известному в теории цепей правилу эквивалентной замены схемы соединения резисторов «треугольником» на схему соединения «звездой» (при соответствующем пересчете номиналов),
    Нажмите на изображение для увеличения. 

Название:	треугольник-звезда.png 
Просмотров:	2319 
Размер:	8.7 Кб 
ID:	299827
    мы получаем эквивалентную схему, где резистор обратной связи имеет другое, в некотором смысле, более удобное расположение. В этом втором варианте резистор Rоос имеет довольно малое сопротивление и не подключен ко входу, а фактически «сидит на земле»:
    Нажмите на изображение для увеличения. 

Название:	однотранз схема+.png 
Просмотров:	2648 
Размер:	8.6 Кб 
ID:	299828
    В той схеме, которую я собираюсь предложить, это также используется.

    Замечу, что однотранзисторная схема, несмотря на простоту, дает достаточно хорошие результаты при пятивольтовом фантомном питании. Но при снижении питания до 2.5 В схема резко ухудшает свои характеристики, что и будет видно в дальнейших сравнениях.


    Второй вариант низковольтного фантомного предусилителя – двухтранзисторный (авторство схемы я не смог установить):
    Нажмите на изображение для увеличения. 

Название:	двухтранзисторная схема ПУ.PNG 
Просмотров:	3628 
Размер:	15.9 Кб 
ID:	299829
    и его упрощенный вариант (http://radiokot.ru/circuit/audio/amplifier/40/):
    Нажмите на изображение для увеличения. 

Название:	двухтранзисторный ПУ упрощенный.png 
Просмотров:	2922 
Размер:	5.1 Кб 
ID:	299830
    Этот вариант схемы известен давно, но менее популярен в Интернете, чем однотранзисторный. Он также хорошо работает только при пятивольтовом фантомном питании. Вот его-то успешно доработал Сухов, предложив заменить выходной кремниевый транзистор на германиевый. Это позволило снизить напряжение фантомного питания (рисунок взят из поста Сухова):
    Нажмите на изображение для увеличения. 

Название:	схема Сухова SiGeSRPP.png 
Просмотров:	3932 
Размер:	6.9 Кб 
ID:	299831
    После публикации Сухова по предложенному варианту ПУ, в спор с ним вступили некто user57 и hectorsky, которые резонно заявили, что использование старого германиевого транзистора в наше время является анахронизмом, и предложили доработку двухтранзисторной схемы, с большим количеством деталей, которая не использует германиевый транзистор, но имеет (по расчетам авторов) сравнимые характеристики со схемой Сухова:
    Нажмите на изображение для увеличения. 

Название:	схема SiSi.png 
Просмотров:	4022 
Размер:	4.5 Кб 
ID:	299832
    Я не стал проверять данный вариант, поскольку он по параметрам, приведенным самими авторами, не лучше схемы Сухова, и, главное, потому, что уже родилась новая схема (и её вариации) с существенно превосходящими параметрами при низковольтном питании.

    Об этой новой схеме пойдет речь ниже.

    Анализ предыдущих схем показал, что при столь малых напряжениях питания не удастся получить заметного улучшения параметров (по искажениям, выходному сопротивлению, максимальному выходному сигналу) без использования отрицательной обратной связи (ООС), как это давно применяется в УНЧ. Стало также ясно, что в двухкаскадном варианте схемы не удастся получить запас по усилению, который с помощью ООС можно было бы трансформировать в малые искажения и малое выходное сопротивление (возможно, это не удалось только мне).
    А вот трехкаскадная схема уже обладает более чем достаточным усилением и удобно охватывается разными вариантами ООС. Увы, заводить в трехкаскадный усилитель отрицательную обратную связь рискованно – уже могут выполниться амплитудно-фазовые условия возбуждения, и схема будет неустойчивой в работе. Облегчает ситуацию то обстоятельство, что нам надо получить приличное усиление (20дБ и больше), а в этом случае уже можно попытаться сохранить устойчивость определенными схемотехническими приемами.
    Вначале были рассмотрены две базовые архитектуры трехкаскадных усилителей с ООС, превращающей обычный усилитель в трансимпедансный:
    Нажмите на изображение для увеличения. 

Название:	базовая схема с ООС nnn.png 
Просмотров:	2751 
Размер:	3.9 Кб 
ID:	299833 Нажмите на изображение для увеличения. 

Название:	базовая схема с ООС npn.png 
Просмотров:	2728 
Размер:	4.1 Кб 
ID:	299834
    Первый вариант хорош тем, что использует транзисторы одной проводимости, и напряжения на коллекторах первых двух из них равны напряжениям база-эмиттер, то есть, транзисторы работают в оптимальном, далеком от насыщения режиме. Во втором варианте напряжения коллектор–эмиттер двух первых транзисторов составляют менее 200 мВ. Этого уже мало, но их коллекторные токи также малы, поэтому это ещё не режим насыщения (режим насыщения для таких токов, наверное, наступает при Uкэ порядка 50…100 мВ, но, увы, при таких напряжениях Uкэ, у транзисторов падает β). Тем не менее, симулирование их работы не вызвало проблем ни в Микрокапе 11, ни в Мультисиме 14 (но все-таки крайне желательна реальная проверка).
    Это только базовые схемы, они не обладают достаточной устойчивостью при подключении емкостной нагрузки на выход или вход (возникают значительные всплески на АЧХ, говорящие о возможном приближении к генерации). А ведь работать придется на длинный кабель с погонной емкостью иногда более 200 пФ/м. На выходе электретного капсюля также иногда бывает напаян конденсатор для шунтирования его выхода по высокой частоте (борьба с влиянием радиопомех).
    Словом, для обеспечения устойчивой работы при широкой возможной вариации подключаемых нагрузок, схемы требуют «доводки». Вот тут оказалось, что второй вариант может быть легче модифицирован (опять же, возможно, я просто не додумался). Для наглядного описания этапов, которые я прошел от базовой схемы до финального очень стабильного варианта со специально заваленной сверху АЧХ (при большом усилении желательно обрезать частоты, на которых нет полезного сигнала, а шумы есть), привожу этот процесс в виде комикса:

    Последний раз редактировалось semimat; 28.08.2017 в 04:15.

  2. #21
    Давно не заходил
    Регистрация
    20.08.2017
    Сообщений
    27

    По умолчанию Re: Предусилители электретных микрофонов c низковольтным фантомным питанием от микрофонных входов со

    Цитата Сообщение от real64 Посмотреть сообщение
    Сегодня обмерял с поданными на вход 19 и 1.8 мВ

    На выходе соответственно 190 и 18 мВ. Питание 2,5 В(2 батарейки ААА)
    Результаты на приведённом рисунке.
    Вложение 300324
    Вы бы лучше звук записали и выложили с неё, было бы интересно прослушать. Звук и тишину, для оценки. Спасибо.

  3. #22
    Давно не заходил
    Регистрация
    20.08.2017
    Сообщений
    27

    По умолчанию Re: Предусилители электретных микрофонов c низковольтным фантомным питанием от микрофонных входов со

    Смотрю, какой-то не особо активный форум.
    То-ли уже темы давно не интересные людям, то-ли народу посещает форум мало.

  4. #23
    Не хочу! Аватар для Alex
    Регистрация
    20.03.2003
    Адрес
    Worldwide
    Возраст
    63
    Сообщений
    39,515

    По умолчанию Re: Предусилители электретных микрофонов c низковольтным фантомным питанием от микрофонных входов со

    Цитата Сообщение от pips Посмотреть сообщение
    То-ли уже темы давно не интересные людям
    Такие - давно.
    "Замполит, чайку?"(с)"Охота за Красным Октябрем".
    "Да мне-то что, меняйтесь!"(с)анек.
    <-- http://altor1.narod.ru --> Вопросы - в личку, е-мейл, скайп.

  5. #24
    Старый знакомый
    Автор темы
    Аватар для semimat
    Регистрация
    06.03.2014
    Адрес
    Москва
    Сообщений
    856

    По умолчанию Re: Предусилители электретных микрофонов c низковольтным фантомным питанием от микрофонных входов со

    На днях обнаружил относительно современный компьютер, у которого микрофонный вход стереофонический. Как показали измерения, у него фантомное питание подается на оба "активных" контакта через резисторы 3.7 кОм, а само напряжение питания составляет всего 2.25В.
    Нажмите на изображение для увеличения. 

Название:	микрофонный ст&#10.png 
Просмотров:	1446 
Размер:	7.3 Кб 
ID:	300617
    Это еще меньше, чем рассмотренные ранее 2.5В, поэтому есть риск, что транзисторные ПУ ухудшат свою работу. Первичное моделирование показало, что если использовать стерео микрофоны со встроенными ПУ, то максимальное выходное напряжение существенно снижается (примерно до 300 мВ р-р). Это из-за очень больших резисторов в фантомном питании.
    Но если в такой вход включить один микрофон с ПУ, как показано на рисунке, то два резистора в фантомном питании запараллеливаются, образуя один резистор номиналом 1.85 кОм. Вот тогда все становится на место.
    Я промоделировал описанные в первом посту схемы в жестких условиях, поставив фантомное питание всего 2.2В, а резистор 2 кОм. Результаты оказались очень неплохими: схема 2хОС ПУ не ухудшила своих параметров по максимальному выходному сигналу (даже немного улучшила). Вот результаты.
    Нажмите на изображение для увеличения. 

Название:	2.2V2K THDvsVout.png 
Просмотров:	967 
Размер:	17.3 Кб 
ID:	300616
    Единственное, что я не понял, это то, что Микрокап 11 отказался симулировать АЧХ для стандартного включения капсюля при питании 2.2 В и сопротивлении 2 кОм. У Мультисима такие "взбрыки" наблюдаются изредка (вылетает ошибка симулирования), но от Микрокапа я не ожидал... - он просто не стал рисовать одну из АЧХ, хотя все другие нарисовал. Может кто-то попробует проверить результаты, взяв файл симулирования из первого поста и изменив напряжение питания и сопротивления нагрузок. Вдруг это только у меня пропадает АЧХ для простого включения капсюля (согласно ожиданиям, Ку при этих параметрах питания должен упасть примерно до единицы).

  6. #25
    Давно не заходил
    Регистрация
    20.08.2017
    Сообщений
    27

    По умолчанию Re: Предусилители электретных микрофонов c низковольтным фантомным питанием от микрофонных входов со

    А я вот купил деталюхи, спаяю, посмотрим что выйдет. И да я не спец во всех этих измерениях, для меня первичный приоритет - сигнал/шум.
    Что заинтересовало в данной схеме это якобы низкое выходное сопротивление (40 ... 80 Ом) на сколько я понимаю, это снизит собственные шумы микрофонного входа, нагруженного на низкоомную нагрузку.
    Посмотрим. ....

    ---------- Сообщение добавлено 15:43 ---------- Предыдущее сообщение было 13:02 ----------

    Спаял на данный усилитель. Я не спец в измерениях КНИ, и прочих премудростях.
    Но честно говоря не сильно впечатлило от одно-транзисторного усилителя, да конечно усиление гораздо сильнее, это понятно. Единственно что вижу у меня лично, шум без подключенного микрофона, стал на 6 dB меньше в сравнении с одно-транзисторным усилком, ну не знаю всё таки одно-транзисторный куда меньше места занимает и его без особого труда, навесным монтажом все спаивается и хорошо сидит, тут же в 3х транзисторном куда все сложнее.
    А все эти измерения в радио-симуляторе касательно КНИ и прочей штуки, всё это для предварительных расчетов, вообщем всё это для меня баловство, нужно тестировать не на симуляторе а в реальном условии.

    В общем как то так.

    p.s. Как я ранее писал, хотелось бы такой пред-усилок, который к примеру, микрофонный вход звуковой карты дает -90dB и при подключении пред-усилителя без микрофона, все те же -90db и оставались.
    Последний раз редактировалось pips; 08.09.2017 в 15:53.

  7. #26
    Старый знакомый
    Автор темы
    Аватар для semimat
    Регистрация
    06.03.2014
    Адрес
    Москва
    Сообщений
    856

    По умолчанию Re: Предусилители электретных микрофонов c низковольтным фантомным питанием от микрофонных входов со

    pips, спасибо что решился в железе опробовать новую схему. То, что результаты тебя не впечатлили в сравнении с однотранзисторным вариантом - это нормально, и я об этом написал в выводах к первым постам. Повторюсь...

    1. Мой предусилитель имеет меньшие искажения, но, как я уже упоминал - средний человеческий слух не замечает искажения до 3%, а уж если для прослушивания и сравнения записанного используются дешевые китайские компьютерные колонки, искажения которых могут доходить до 10%, то различить эти предусилители по искажениям будет трудно.
    2. Мой предусилитель имеет малое выходное сопротивление, и это делает микрофон более защищенным от проникновения внешних электрических помех и помехи, проникающей из "плохого" фантомного питания. Но если внешняя помеха слаба (или если неэкранированный провод заменить экранированным), а также, если повезло, и у гаджета фантомное питание сильно не шумит, то и это преимущество моего преда сходит "на нет".

    Тем не менее, я считаю, что если человек любит что-то мастерить сам, и для "себя любимого" готов сделать что-то хоть и посложнее, но получше, то то я бы рекомендовал ему попробовать мой ПУ. Только надо, чтобы человек понимал - этот пред требует настройки R1 под конкретный ток используемого капсюля, поскольку в нем нет разделительных конденсаторов, и его режим по постоянке (а, следовательно, и по переменке) зависит от тока капсюля. Этот пред особенно хорош, если попался капсюль с малым потребляемым током 70....120 мкА при напряжении на капсюле в 0.5В.

    И еще... изучая вопрос использования низковольтного фантомного питания, я для себя сделал вывод - при таком питании не получится сделать ПУ для электретного микрофона с параметрами, существенно лучшими, чем мой ПУ - слишком мало напряжение, и слишком высоко выходное сопротивление источника фантомного питания. Мне кажется, что удалось "выжать" почти максимум из такого питания.

    Вероятно, используя ОУ, можно создать предусилитель с намного меньшими искажениями, НО... читай ветку: https://forum.vegalab.ru/showthread.php?t=66583 - там всё сказано - сам капсюль имеет достаточно большие искажения (если не делать его доработку "по Линквицу"). Поэтому неважно - имеет ли ПУ собственные искажения 0.1% или 0.001% - выходные искажения будут определяться не предусилителем, а капсюлем, то есть, будут намного больше. Мой ПУ, увы, имеет искажения большие, чем искажения капсюля, но и они соответствуют типовым требованиям для электретных микрофонов, даже измерительных. А запредельные требования к микрофонам, предназначенным для измерения искажений высококлассных акустических систем, рассмотрены именно в той ветке, и удовлетворить их с низковольтным фантомным питанием не удастся, да и совершенно не нужно для звукозаписи.

    Дополнительно, ради возможности расширения области применения 2хОС ПУ, я сделал схему такой, чтобы у неё легко можно было подстраивать Ку. Причем, я сделал схему так, что цепочку из единственного большого конденсатора и подстроечного низкоомного резистора можно (и даже лучше) не монтировать на плате ПУ, а расположить там, где это удобнее, где в корпусе есть свободное место. Эта цепочка не боится наводок и паразитных индуктивностей и емкостей, которые могут образоваться при её далеком расположении от платы. Это позволяет, уменьшая Ку, увеличить динамический диапазон микрофона (на 10 дБ), если это окажется в какой-то ситуации более важным.

    Главный вывод, который я хочу сделать из сказанного - создать схему ПУ, работающую от фантомного источника Us=2..3В, Rs=2..3кОм (питающуюся и передающую сигнал по двухпроводной линии) существенно лучше предлагаемой (2хОС ПУ), мне кажется, не удастся.
    Если её параметров недостаточно - надо либо использовать дополнительное батарейное питание, либо брать питание от USB разъема. Я верю, что можно постараться "вычистить" его пульсации. Вот тут ПУ на ОУ как раз и даст выигрыш, поскольку у ОУ, как правило, очень высокое подавление проникновения помехи по питанию (PSRR), а выходное сопротивление может быть меньше одного Ома.

    О твоих пожеланиях про шумы предусилителя я потом обязательно поговорю, но в более широком круге вопросов, касающихся шумов микрофона. Я до конца здесь сам не всё понимаю.

  8. #27
    Давно не заходил
    Регистрация
    24.01.2009
    Сообщений
    3,233

    По умолчанию Re: Предусилители электретных микрофонов c низковольтным фантомным питанием от микрофонных входов со

    Цитата Сообщение от semimat Посмотреть сообщение
    либо брать питание от USB разъема. Я верю, что можно постараться "вычистить" его пульсации.
    Там проблема не столько в пульсациях (которые можно отфильтровать), сколько в грязи на земляной петле. Поэтому я на USB включал изолированный DC/DC конвертер 5 V/9 V (брал со старой сетевой платы 10 Mbit/s под коаксиал), а после него уже ставил стабилизацию и фильтрацию.

  9. #28
    Старый знакомый
    Автор темы
    Аватар для semimat
    Регистрация
    06.03.2014
    Адрес
    Москва
    Сообщений
    856

    По умолчанию Re: Предусилители электретных микрофонов c низковольтным фантомным питанием от микрофонных входов со

    straus, спасибо за сообщение. Я тоже понимаю, что там больше проблем, чем кажется вначале. Если у тебя есть возможность рассказать (и показать), как ты всё сделал - это будет здорово. У меня несколько старых коаксиальных сетевых карт под ISA разъем (слава Богу, еще не выбросил), и я интересуюсь всякими преобразователями питания. Если ты научишь меня (и читателей этой ветки), где там на платах находятся преобразователи, и как их использовать - буду рад.

  10. #29
    Давно не заходил
    Регистрация
    24.01.2009
    Сообщений
    3,233

    По умолчанию Re: Предусилители электретных микрофонов c низковольтным фантомным питанием от микрофонных входов со

    Цитата Сообщение от semimat Посмотреть сообщение
    straus, спасибо за сообщение. Я тоже понимаю, что там больше проблем, чем кажется вначале. Если у тебя есть возможность рассказать (и показать), как ты всё сделал - это будет здорово. У меня несколько старых коаксиальных сетевых карт под ISA разъем (слава Богу, еще не выбросил), и я интересуюсь всякими преобразователями питания. Если ты научишь меня (и читателей этой ветки), где там на платах находятся преобразователи, и как их использовать - буду рад.
    Толстая 24-ногая микросхема - это и есть DC/DC конвертер. В маркировке будут цифры 0509 (входное 5 V, выходное 9 V) или 1209 (входное 12 V, выходное 9 V). Максимальный выходной ток 200 mA.
    Распиновка:
    1,24 - плюс входного напряжения
    12,13 - минус входного напряжения
    11, 14 - плюс выходного напряжения
    10, 15 - минус выходного напряжения
    (выходное напряжение получается зеркально входному)
    Конвертеры нестабилизированные. Вход полностью изолирован от выхода, напряжение изоляции не менее 1 kV.
    Снаружи по входу и выходу рекомендуется поставить фильтрующие конденсаторы.

  11. #30
    Не хочу! Аватар для Alex
    Регистрация
    20.03.2003
    Адрес
    Worldwide
    Возраст
    63
    Сообщений
    39,515

    По умолчанию Re: Предусилители электретных микрофонов c низковольтным фантомным питанием от микрофонных входов со

    Если уж все равно цепляться к USB, то зачем использовать еще и звуковую карту?
    Я бы уже поставил какой-нибудь из серии PCM290x. Схема там - "три детали".
    А перед ним сдвенный ОУ, если так надо сигнал усилить, и все.
    Качества его АЦП для электретного капсюля более чем достаточно.
    При этом, не будет петли по земле, как в случае питания с USB и входа с ЗК, и DC/DC может быть и не нужным.
    Последний раз редактировалось Alex; 12.09.2017 в 10:46.
    "Замполит, чайку?"(с)"Охота за Красным Октябрем".
    "Да мне-то что, меняйтесь!"(с)анек.
    <-- http://altor1.narod.ru --> Вопросы - в личку, е-мейл, скайп.

  12. #31
    Давно не заходил
    Регистрация
    20.08.2017
    Сообщений
    27

    По умолчанию Re: Предусилители электретных микрофонов c низковольтным фантомным питанием от микрофонных входов со

    Почему плохой? Нет просто он большой, 3 транзистора не считая прочих элементов.
    Вот сижу ломаю сейчас голову как его компактно спаять используя все тот же навесной монтаж. С одно-транзисторным там вообще просто, тут же нужно решить небольшой ребус, куда что загнуть, куда повернуть )))
    Но я чет сейчас ударился в ОУ (сами видели мою темку), правда вижу форум не тот, почему-то тут мало специалистов или просто людям это не интересно )

  13. #32
    Не хочу! Аватар для Alex
    Регистрация
    20.03.2003
    Адрес
    Worldwide
    Возраст
    63
    Сообщений
    39,515

    По умолчанию Re: Предусилители электретных микрофонов c низковольтным фантомным питанием от микрофонных входов со

    Цитата Сообщение от pips Посмотреть сообщение
    правда вижу форум не тот, почему-то тут мало специалистов
    Да конечно мало, тут таких специалистов как ты точно нет


    Цитата Сообщение от pips Посмотреть сообщение
    Но я чет сейчас ударился в ОУ
    Вот 2-х канальный пред на ОУ,, что я делал лет 8 назад, диаметр 12мм обуславливался корпусом, и там еще 3-х осевой аналоговый акеселерометр стоит, а то модно было бы еще меньше сделать:
    Нажмите на изображение для увеличения. 

Название:	2ch_preamp.png 
Просмотров:	1249 
Размер:	10.9 Кб 
ID:	300874
    "Замполит, чайку?"(с)"Охота за Красным Октябрем".
    "Да мне-то что, меняйтесь!"(с)анек.
    <-- http://altor1.narod.ru --> Вопросы - в личку, е-мейл, скайп.

  14. #33
    Старый знакомый
    Автор темы
    Аватар для semimat
    Регистрация
    06.03.2014
    Адрес
    Москва
    Сообщений
    856

    По умолчанию Re: Предусилители электретных микрофонов c низковольтным фантомным питанием от микрофонных входов со

    straus, огромное спасибо за подробную информацию! И какой большой выходной ток для таких размеров! Открывается новый "фронт" исследований - частоты преобразования, токопотребления, минимального входного напряжения...! Интересно, а где-нибудь есть данные о внутренней схеме преобразователя?
    pips, советую попробовать использовать smd-компоненты - получится очень маленькая платка, если не монтировать на неё электролит, а расположить отдельно. Тогда вместо входного транзистора BC547 надо взять BC847. Он реально малошумящий - у него типовой коэффициент шума 1.2дБ, а максимальный - 4дБ. А у BC547 типовой коэффициент шума 2дБ, а максимальный - аж 10дБ, то есть можно нарваться и на неудачный экземпляр. Я сам пока smd-компонентами не пользовался - зрение не то. Но на навесных элементах, как мне кажется, тоже можно создать более-менее компактную схему, если все детали ставить вертикально. В схеме четыре резистора соединяются в одной точке, и эта точка ни куда не идет. Поэтому можно все эти четыре резистора поставить вертикально и соединить их верхние выводы одной общей перемычкой - тогда они займут минимум места.

    P.S. pips, не думай, что здесь нет специалистов. Наоборот, как мне кажется, именно на этом форуме много людей, занимающихся электроникой и акустикой профессионально. Просто они ушли вперед так далеко в плане технических решений и использования современной элементной базы, что возникает серьезный разрыв во взаимопонимании с начинающими. Мне в этом смысле проще тебя понять - я не акустик и не электронщик. Радиолюбительство - это мое хобби. Причем, мне до сих пор интересно придумывать что-то, не используя современных деталей, решающих задачу одной готовой специализированной микросхемой, а сделать всё на деталях, выпаянных из старых плат. Это как продолжать рисовать углём в то время, когда все уже давно рисуют цветными масляными красками.
    Последний раз редактировалось semimat; 12.09.2017 в 00:50.

  15. #34
    Давно не заходил
    Регистрация
    24.01.2009
    Сообщений
    3,233

    По умолчанию Re: Предусилители электретных микрофонов c низковольтным фантомным питанием от микрофонных входов со

    Цитата Сообщение от semimat Посмотреть сообщение
    straus, огромное спасибо за подробную информацию! И какой большой выходной ток для таких размеров! Открывается новый "фронт" исследований - частоты преобразования, токопотребления, минимального входного напряжения...! Интересно, а где-нибудь есть данные о внутренней схеме преобразователя?
    У каждого производителя внутри своё напичкано. Чаще всего двухтактный автогенератор, но попадались и более серьёзные внутренности, очень редко даже со стабилизацией.

    ---------- Сообщение добавлено 04:49 ---------- Предыдущее сообщение было 04:26 ----------

    Цитата Сообщение от Alex Посмотреть сообщение
    Если уж все равно цепляться к USB, то зачем использовать еще и звуковую карту?
    Я бы уже поставил какой-нибудь из серии PCM260x. Схема там - "три детали".
    Ну разные могут быть причины. Я вот посмотрел, чего есть в Киеве живьём из PCM2xxx - PCM2705, PCM2900, PCM2902, PCM2904. А так конечно прямое подключение на USB обычно бывает лучше.
    Мне когда-то припекло - нужно было срочно сделать ввод с измерительного электретного микрофона в ноут, у которого кривая АЧХ с микрофонного входа. Нашёл у себя по загашникам несколько нокиевских гарнитур, у которых в реале USB, но нестандартный разъём. Пересадил разъём, добавил входной буфер и регулировку входного уровня (ну и убрал с платы лишние детали, ограничивающие АЧХ) - заработало. Единственное, что вход одноканальный (выход стерео). Драйверов под винду не понадобилось, программы сказали, что могут брать сигнал в 16 битах и не менее 44.1 кГц, для простых измерений достаточно. Гарнитуры кажется NOKIA WH-203 и подобные. А если сделать вход линейного уровня и переключатель с левого/правого каналов (вход-то моно) - получается шикарная вещь для проверки АЧХ кассетников и настройки тока подмагничивания по розовому шуму, видно сразу весь диапазон на RTA, удобно.

    ---------- Сообщение добавлено 05:02 ---------- Предыдущее сообщение было 04:49 ----------

    Цитата Сообщение от pips Посмотреть сообщение
    просто он большой, 3 транзистора не считая прочих элементов.
    Вот сижу ломаю сейчас голову как его компактно спаять используя все тот же навесной монтаж. С одно-транзисторным там вообще просто, тут же нужно решить небольшой ребус, куда что загнуть, куда повернуть
    Нажмите на изображение для увеличения. 

Название:	vegalab6.jpg 
Просмотров:	1340 
Размер:	586.2 Кб 
ID:	300888

    Это на макетке с шагом 2.54, только SMD-элементы с другой стороны платы. Вот тут действительно пришлось немного голову поломать. А три транзистора обычно сложностей не вызывают.

  16. #35
    Не хочу! Аватар для Alex
    Регистрация
    20.03.2003
    Адрес
    Worldwide
    Возраст
    63
    Сообщений
    39,515

    По умолчанию Re: Предусилители электретных микрофонов c низковольтным фантомным питанием от микрофонных входов со

    Цитата Сообщение от straus Посмотреть сообщение
    Ну разные могут быть причины. Я вот посмотрел, чего есть в Киеве живьём из PCM2xxx - PCM2705, PCM2900, PCM2902, PCM2904.
    Ну так, 2904 - более чем достаточно.
    Я их даже на макетках проводочками распаивал, и все работало. На плате конечно лучше, тебе это вообще раз плюнуть, но и даже радиолюбителям1 не очень сложно.
    ___________________
    1 - ругательство.
    "Замполит, чайку?"(с)"Охота за Красным Октябрем".
    "Да мне-то что, меняйтесь!"(с)анек.
    <-- http://altor1.narod.ru --> Вопросы - в личку, е-мейл, скайп.

  17. #36
    Старый знакомый
    Автор темы
    Аватар для semimat
    Регистрация
    06.03.2014
    Адрес
    Москва
    Сообщений
    856

    По умолчанию Re: Предусилители электретных микрофонов c низковольтным фантомным питанием от микрофонных входов со

    Недавно обнаружил, что уже довольно давно в продаже имеется петличный конденсаторный микрофон Boya BY-M1 китайского производства стоимостью около 1200 рублей, по сообщениям, являющийся полным аналогом вдвое более дорогого микрофона Audio-Technica ATR-3350. Меня впечатлили его характеристики:
    - Тип: электретный конденсаторный
    - Диаграмма направленности: всенаправленный
    - Диапазон частот: 65Hz ~ 18KHz
    - Соотношение "сигнал/шум": 74dB SPL
    - Чувствительность: -30dB +/- 3dB / 0dB=1V/Pa, 1kHz
    - Выходное полное сопротивление: 1000 Ом или менее
    - Разъем: 4-х штекерный разъем 3,5 мм с позолотой
    - Аксессуары в комплекте: зажим, аккумуляторная батарея LR44, поролоновая ветрозащита, адаптер для крепежных винтов с резьбой 1/4"
    - Аккумуляторная батарея: LR44
    - Габариты: 18 x 8.3 x 8.3 мм
    - Кабель: 6 м (длина)
    - Вес: 2.5 г
    - Блок питания: 18 г
    Внешний вид микрофона очень даже неплохой с общей длиной кабеля более 6 м.
    Нажмите на изображение для увеличения. 

Название:	BOYA BY-M1.jpg 
Просмотров:	766 
Размер:	49.8 Кб 
ID:	323706
    Я успел подержать его в руках и обнаружил, что там используется маленький, диаметром 6 мм, электретный капсюль. В одном из обзоров этого девайса автор утверждает, что там внутри нет ни предусилителя, ни системы шумоподавления, хотя есть собственное питание от встроенной батарейки 1.5В. При работе со звуковой картой ПК эта батарейка отключена. Что при этом меня поразило... первое - это высочайшая чувствительность -30 дБ (или более 30 мВ/Па); второе - это отношение сигнал/шум - 74 дБ! И всё это в полосе до 18 кГц. Для такого маленького электретного капсюля это фантастические параметры! Ведь один из лучших микрофонов такого же диаметра - WM-61 имеет чувствительность 17.8 мВ/Па (-35 дБ), отношение сигнал/шум 62 дБ и полосу по паспорту до 15 кГц. Остальные модели и того хуже.
    Кто-нибудь имел дело с этим микрофоном? Интересно, как смогли достигнуть таких параметров?

  18. #37
    Старый знакомый
    Автор темы
    Аватар для semimat
    Регистрация
    06.03.2014
    Адрес
    Москва
    Сообщений
    856

    По умолчанию Re: Предусилители электретных микрофонов c низковольтным фантомным питанием от микрофонных входов со

    Выкладываю новую версию предусилителя, состоящую из меньшего количества деталей, чем первый предложенный вариант, и при этом обладающую лучшими характеристиками.
    На разработку этого нового варианта предусилителя меня подтолкнула простенькая схема двухтранзисторного ПУ, которую привел еще прошлой осенью здесь в теме, кажется, Tuvalu. Она давала отличные результаты при напряжении фантомного питания выше 5В и, вроде бы, использовалась в каком-то стационарном телефонном аппарате. Однако заставить её хорошо работать при напряжении фантомного источника 2,2…3В не удалось. Возможно, поэтому автор потом удалил свой пост.
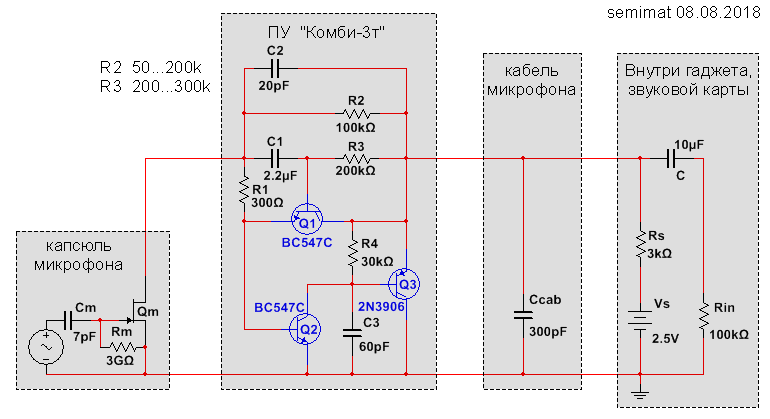
    Но пост успел сделать свое полезное дело, дав толчок к новым мыслям. Анализ схемы снова показал, что для достижения высоких характеристик и этому двухтранзисторному решению также не хватает усиления. Поэтому она была доработана добавлением еще одного усилительного каскада. Доработанную схему я назвал «Комби-3т», поскольку она содержит 3 транзистора и комбинирует в себе несколько хороших схемотехнических решений. Первое – это использование в стоке капсюльного полевика не простого нагрузочного резистора, а схемы динамической нагрузки на одном транзисторе, увеличивающей усиление полевика (кто-то, возможно, привык к другому названию для этого схемного решения, но суть не в названии). При этом сигнал на вход следующего каскада усиления снимается не со стока полевика (хотя это тоже возможно), а с эмиттера транзистора динамической нагрузки (хоть и стандартное, но изящное решение), что обеспечивает существенно меньшее выходное сопротивление каскада. Далее идет двухтранзисторный инвертирующий усилитель с большим Ку, к выходу которого подключен второй конец динамической нагрузки полевика. В результате создается ООС на сток полевика, и получается трансимпедансный предусилитель, имеющий относительно малое итоговое входное сопротивление. Это позволяет полевику капсюля работать с очень малым напряжением на стоке - около 0,5В, и при этом его трудно перегрузить по выходу – при амплитуде напряжения на входе полевика в 17 мВ (для капсюля WM-61 это соответствует более 90 дБ громкости), амплитуда сигнала на его стоке составляет менее 5 мВ. Для стокового постоянного напряжения в 450…500 мВ это составляет всего около 1%.
    Вот, собственно, сама схема (вместе с электретным капсюлем и входом гаджета):
    Нажмите на изображение для увеличения. 

Название:	Комби-3т.png 
Просмотров:	2855 
Размер:	9.9 Кб 
ID:	325533
    Её можно использовать в таком виде, и у неё АЧХ на высоких частотах будет доходить до 500 кГц по уровню -3дБ (в симуляторе Мультисим). Если не хочется впустую добавлять высокочастотные шумы, то можно поставить два корректирующих конденсатора (или один), позволяющих ограничивать верхнюю границу АЧХ, как на рисунке ниже. Они в звуковом диапазоне ни на что не влияют.
    Нажмите на изображение для увеличения. 

Название:	Комби-3т с конд.png 
Просмотров:	2292 
Размер:	10.5 Кб 
ID:	325534
    При симулировании в Микрокапе я их решил оставить в схеме:
    Нажмите на изображение для увеличения. 

Название:	Комби-3т МС11 .png 
Просмотров:	2370 
Размер:	7.1 Кб 
ID:	325535
    которую дорисовал в проект, использованный при анализе рассмотренных ранее вариантов ПУ (смотри пост #2 ).
    Вот результаты сравнения АЧХ:
    Нажмите на изображение для увеличения. 

Название:	сравнение АЧХ.png 
Просмотров:	1134 
Размер:	11.2 Кб 
ID:	325650
    Я специально подобрал резистор R2 (75 кОм), чтобы в Микрокапе у всех трех сравниваемых ПУ, имеющих большой Ку, он был одинаков.
    А вот как выглядят графики зависимости искажений от амплитуды выходного сигнала. Видно, что «Комби-3т» по этому параметру превосходит конкурентов:
    Нажмите на изображение для увеличения. 

Название:	сравнение КНИ.png 
Просмотров:	1350 
Размер:	18.9 Кб 
ID:	325537
    На данный момент я считаю этот предусилитель достойным, чтобы рекомендовать для изготовления. Будет время, попробую собрать его в минимальном объеме из обычных деталей без использования печатной платы, как это сделал Сухов для своего преда. Когда это случится – выложу фотки. Если кто-то воплотит в железе «Комби-3т» раньше меня и поделится здесь результатом – буду искренне рад!
    Последний раз редактировалось semimat; 11.08.2018 в 20:54.

  19. #38
    Новичок Аватар для Egor
    Регистрация
    20.02.2008
    Сообщений
    23

    По умолчанию Re: Предусилители электретных микрофонов c низковольтным фантомным питанием от микрофонных входов со

    Canon 800D - 2V на микрофонных входах.

  20. #39
    Старый знакомый
    Автор темы
    Аватар для semimat
    Регистрация
    06.03.2014
    Адрес
    Москва
    Сообщений
    856

    По умолчанию Re: Предусилители электретных микрофонов c низковольтным фантомным питанием от микрофонных входов со

    Цитата Сообщение от Egor Посмотреть сообщение
    Canon 800D - 2V на микрофонных входах.
    Egor, у тебя слишком короткий коммент... Если можно, расскажи поподробней про микрофонный вход этого девайса. Дело в том, что кроме напряжения на холостом ходу (в отсутствии нагрузки микрофоном) есть еще выходное сопротивление фантомного питания. Я не понял, как ты мерил эти 2 В - на контактах подключенного микрофона или на холостом ходу. Схема, которую я предлагаю, работает и от 2 Вольт, просто она тогда на выходе выдаст в максимуме не 1 В р-р, а меньше. И эта величина еще зависит от выходного сопротивления фантома. Если оно мало, например 2 кОм, то схема может выдавать большее напряжение на выходе. Если сможешь измерить выходное сопротивление источника фантомного питания Canon 800D и напряжение без нагрузки, буду благодарен.

  21. #40
    Давно не заходил
    Регистрация
    24.01.2009
    Сообщений
    3,233

    По умолчанию Re: Предусилители электретных микрофонов c низковольтным фантомным питанием от микрофонных входов со

    Обычные цепи для фантома:
    - напряжение 2 - 2.2 -2.5 - 2.7 - 3.0 V
    - сопротивление от 2 до 4.7 kOhms

Страница 2 из 32 Первая 123412 ... Последняя

Социальные закладки

Социальные закладки

Ваши права

  • Вы не можете создавать новые темы
  • Вы не можете отвечать в темах
  • Вы не можете прикреплять вложения
  • Вы не можете редактировать свои сообщения
  •