Страница 2 из 28 Первая 123412 ... Последняя
Показано с 21 по 40 из 556

Тема: П.Зуев с многопетлевой ООС 84 по новому

  1. #1 Показать/скрыть первое сообщение.
    Завсегдатай
    Автор темы
    Аватар для nvv957
    Регистрация
    17.03.2008
    Адрес
    Воронеж
    Возраст
    67
    Сообщений
    1,519

    По умолчанию П.Зуев с многопетлевой ООС 84 по новому

    Привет всем.
    Собрал этот Усь в 85-м, с предом к нему повозился, собирал несколько ниодин не звучал в 87 соеденил его с предом из ВРЛ №98 Е. Девятова и получился Полный УСь, ииии - досих пор работает. За эти 23 года рядом стояли разные изделия и Ямаха и Кенвуд, Сони, НАД и наши заводские Одисеи Бриги, сейчас СТОИТ Кембридж Аудио- Азур 540 но звучат они хуже. Менялась и акустика и уши "экспертов" результат один П.Зуев УМЗЧ с ООС 84 звучит очень!!! Характеристики своего варианта на помню P -~70w/4ом а остальное как получилось.
    Увидев изделие на бойтесь всё таки 87 год, правда менял 819/18 на 8101/01 и литики на фирмУ все кроме питания, там кажется К50-18 22000х50v до сих пор фильтруют. Не взирая на этот ужас звук очень достойный и это не только мое мнение но и многих меломанов славного города Магадана. Но в связи с тем что сейчас стоит акустика на 200W собрася строить новый- более мощьный и глаза разбежались схем много и ВВ и Л.Зуев и Агеев. Может и не стоит городить, тупо собрать на импорте, умощнить выход, поднять питание до 45, строится он хорошо, пдбор практически ненужен или всетаки - новый. Прогонял в Микрокапе разное, в том числе и его - УМЗЧ с ООС 84 и вот что получилось, смесь П.Зуева ООС+ВК по схеме ОК (MC-9.0.5). Характеристики в МС хороши , как будет звук -послушаем.
    Просьба к Спецам посмотреть в МС, может посоветуете что. Большое спасибо. Нажмите на изображение для увеличения. 

Название:	3var.jpg 
Просмотров:	28845 
Размер:	76.5 Кб 
ID:	117062
    Миниатюры Миниатюры Нажмите на изображение для увеличения. 

Название:	IMG_0831.jpg 
Просмотров:	10677 
Размер:	498.0 Кб 
ID:	87508   Нажмите на изображение для увеличения. 

Название:	IMG_0834.jpg 
Просмотров:	8840 
Размер:	429.7 Кб 
ID:	87510   Нажмите на изображение для увеличения. 

Название:	IMG_0832.jpg 
Просмотров:	16346 
Размер:	599.0 Кб 
ID:	87511  
    Вложения Вложения
    • Тип файла: cir 3var.cir (65.8 Кб, Просмотров: 2386)
    Последний раз редактировалось nvv957; 25.06.2016 в 01:17.

  2. #21
    Завсегдатай Аватар для antiluser
    Регистрация
    15.06.2008
    Адрес
    Челябинск
    Возраст
    50
    Сообщений
    3,150

    По умолчанию Re: П.Зуев с многопетлевой ООС 84 по новому

    Цитата Сообщение от Санько Посмотреть сообщение
    818(19)ГМ вполне могли отдать 100Вт( и в АВ и в В), особенно 2Т
    Их даже для надежной работы мало, не говоря про качество.
    С уважением, Игорь.

  3. #22
    Частый гость
    Регистрация
    10.06.2005
    Сообщений
    117

    По умолчанию Re: П.Зуев с многопетлевой ООС 84 по новому

    И Брагин - хорош на взгляд--- всего не переделаешь, и звук-не панацея, особенно, когда работа в другом направлении.

    Была бы у меня идеальная головка, сделал бы 10Вт широкополосник и ...всё!

  4. #23
    Частый гость
    Регистрация
    18.12.2009
    Адрес
    Украина,г. Николаев
    Возраст
    43
    Сообщений
    307

    По умолчанию Re: П.Зуев с многопетлевой ООС 84 по новому

    Согласен полностью, но судя по тому сколько людей ищет свой звук, собирая десятки усилителей по разным схемотехническим решениям, то именно неудовлетворенность этой СЧ-ВЧ облстью и приводит к поиску. Вечному поиску. С НЧ гораздо проще.

  5. #24
    Частый гость
    Регистрация
    10.06.2005
    Сообщений
    117

    По умолчанию Re: П.Зуев с многопетлевой ООС 84 по новому

    Цитата Сообщение от antiluser Посмотреть сообщение
    Их даже для надежной работы мало, не говоря про качество.
    Ну, блин... во-первых-год...1983...1985!
    Во вторых. КТ818-819ГМ (не Фуфловые, а по ТУ), тем более 2Т818(19) могут отдать SIN=100ВТ при +-36-38В стабилизированного питания
    с хорошим радиатором в режиме В, АВ. в течение до 0,5 часа.
    Звук - это что, и что ВЫ на максимуме чтоли слушаете-то.
    интелектуально выражаясь, другие элементы названы (MJ...).
    574УД1 (не К!), 2Т630Б(не КТ и не А), кт3102Б, 2Т3117А, 2Т313Б, кт639Д, кт961А, кт850А, кт851А, кт(2т)819(18)-- вот тогдашняя (1985Г!) база П.Зуев с многопетлевой ООС .
    100Вт при этом он Выдавал на 4 ома при Еп -+36В на 4 Ом
    Теперь можно дать перечень новой базы, а зачем?
    Сам Самоделкин должен выбрать!

    Если он на старой плате балдел от звука, значит смог собрать, необосравшись.

    Значит проникся и сможет сам всё подобрать.
    Значит и знает, что тот УМЗЧ нужно собрать правильно, а не то пшик и всё!

    ---------- Добавлено в 23:35 ---------- Предыдущее сообщение в 23:12 ----------

    Я не советую автору ветки, а делюсь мнением:
    Если хочется именно Его, то поставте на выход MJ15003(4), вместо кт814(15) лучше однозначно кт850(51)А, а еще лучше
    комплементарную японскую пару и т.п.(не свыше 50...100мГц).
    Остальное можно не менять(относительно моего списка), еще кт(2т)3108 вроде ничего, только ни каких 502(3), 315,361.
    Я бы убрал защиту по току, я её в данном УМЗЧ всегда убирал.
    Если применить MJ15003(4) смело можно перевести в режим В.
    (При 818-19 в В на минимуме громкости ощущались искажения---заметны были только в тракте НЧ ТРЕХполосника.
    В ШИРОКОполосном варианте ВЧ и СЧ составляющие маскировали)

    Высокий КПД, С\Ш более 100ДБ(а это подтверждает наличие высокого динамического диапазона при низких КНИ), ставит его в ряд Достойных УМЗЧ.
    Сборка имеет общие особенности для изделий с Большим динамическим диапазоном.

    ---------- Добавлено в 23:43 ---------- Предыдущее сообщение в 23:35 ----------

    Цитата Сообщение от Opel Omega Посмотреть сообщение
    С НЧ гораздо проще
    низ понравился, высокие не те, потом средние заменить, и вдруг к знакомому пришел...

    Всё выкинуть, а дальше...?
    Не, 150грам, телек или жена.
    Завтра ухи вымыть сесть посушать--- а оно вроде ничё, когда дождь не идет...

  6. #25
    Старый знакомый
    Регистрация
    24.11.2009
    Адрес
    Украина, Запорожье
    Возраст
    39
    Сообщений
    550

    По умолчанию Re: П.Зуев с многопетлевой ООС 84 по новому

    Цитата Сообщение от Санько Посмотреть сообщение
    бодаться неохота.

    А про уси иговорить нече.
    ВЫ похоже не изготовляли многополосный (3-х) УМЗЧ.
    Цитата Сообщение от Санько Посмотреть сообщение
    это я для malefactor_8hz (судя по его замечаниям)
    Ошибаетесь.


    Offтопик:
    А судя по предыдущему сообщению, лучше сказать "заблуждаетесь".

  7. #26
    Завсегдатай Аватар для antiluser
    Регистрация
    15.06.2008
    Адрес
    Челябинск
    Возраст
    50
    Сообщений
    3,150

    По умолчанию Re: П.Зуев с многопетлевой ООС 84 по новому

    Цитата Сообщение от Санько Посмотреть сообщение
    Ну, блин... во-первых-год...1983...1985!
    Так сейчас то уже 2010
    С уважением, Игорь.

  8. #27
    Частый гость
    Регистрация
    10.06.2005
    Сообщений
    117

    По умолчанию Re: П.Зуев с многопетлевой ООС 84 по новому

    Цитата Сообщение от malefactor_8hz Посмотреть сообщение
    А судя по предыдущему сообщению, лучше сказать "заблуждаетесь".
    Предлагайте Вы...

    Автор ветки спросил за П. Зуева. Я поделился мнением.

    nvv957, как вы сами знаете-- не все же параметры акустике в моще подводимой.

    Так что...

    ---------- Добавлено в 00:17 ---------- Предыдущее сообщение в 00:13 ----------

    antiluser
    Так сейчас то уже 2010
    Ну тогда застрелитесь...чтоли, или чё там ещё антилузерного...

  9. #28
    Старый знакомый
    Регистрация
    24.11.2009
    Адрес
    Украина, Запорожье
    Возраст
    39
    Сообщений
    550

    По умолчанию Re: П.Зуев с многопетлевой ООС 84 по новому

    Да, правда, согласен про 2Т818\2Т819 - вполне хорошие выходники, явно лучше, чем 2955\3055.

    А то, что в параллель лучше, да еще для усилителя НЧ-диапазона, это понятно.

  10. #29
    Частый гость
    Регистрация
    10.06.2005
    Сообщений
    117

    По умолчанию Re: П.Зуев с многопетлевой ООС 84 по новому

    Вот, Вы и предлагаете уже что-то...

  11. #30
    Старый знакомый
    Регистрация
    24.11.2009
    Адрес
    Украина, Запорожье
    Возраст
    39
    Сообщений
    550

    По умолчанию Re: П.Зуев с многопетлевой ООС 84 по новому

    Цитата Сообщение от Санько Посмотреть сообщение
    Вот, Вы и предлагаете уже что-то...
    А что предлагать-то? Для триампинга главное чтоб активный фильтр был, а усилители ВЧ - в классе А, поприличнее, СЧ - AB, по вкусу, а НЧ - сгодится любой, чтобы только ток мог дать сколько следует и амплитуду не заваливал по низам. Здесь чуть ли не в каждой ветке такое советуют.

  12. #31
    Частый гость
    Регистрация
    10.06.2005
    Сообщений
    117

    По умолчанию Re: П.Зуев с многопетлевой ООС 84 по новому

    Цитата Сообщение от variator Посмотреть сообщение
    А как на счет КЗ, не страшно ?
    Да защиту в стабилизаторе делал, а в общем-то динамики--дороже(моё правило), защита от постоянки однако обязательна.

    Да так, чето горело-то редко-- почти не горело.

  13. #32
    Частый гость
    Регистрация
    10.06.2005
    Сообщений
    117

    По умолчанию Re: П.Зуев с многопетлевой ООС 84 по новому

    malefactor_8hz
    А что предлагать-то?
    Дак и я о том же, только раньше немного.

    Вот и nvv957 тройку на выходе оставил. По моему тройка лучше, чем транзисторы паралелить.

    Если MJ поставить, то у них 20А, а не 16, как у 2SA1216 и 2SC2922, и частотные свойства пониже.

    В общем, nvv957, до +_38---41 В на MJ до 130...140 Вт можно иметь в АВ и В без параллельных, а параллелить их и не пробовал- Все же Низкочастотные, но лучше заметно и намного (проверено на слух), чем 819(18)

    ---------- Добавлено в 01:07 ---------- Предыдущее сообщение в 01:06 ----------

    Кстати , а ПИТАНИЕ, Такую мощу...

    ---------- Добавлено в 01:14 ---------- Предыдущее сообщение в 01:07 ----------

    но в те годы транзистор спалить
    да уж к концу 80-х на барахолках 819,818 были.
    Но ведь, согласитесь, специально коротыш не часто демонстрировали, показывая, что защита есть.
    А пользователь успешно палил, как с защитами, так и без.

    ---------- Добавлено в 01:48 ---------- Предыдущее сообщение в 01:14 ----------

    nvv957, а 3-ку ОК на выход?
    Чё, родная сх. чем-то не то? Чё не понравилось?

  14. #33
    Регистрация не подтверждена
    Регистрация
    23.06.2008
    Адрес
    Москва
    Сообщений
    1,791

    По умолчанию Re: П.Зуев с многопетлевой ООС 84 по новому


    Offтопик:
    Санько, а Вы откуда? Как - то понимаю Вас очень плохо, не могли бы Вы более ясно выражать свои мысли.

  15. #34
    Старый знакомый
    Регистрация
    24.11.2009
    Адрес
    Украина, Запорожье
    Возраст
    39
    Сообщений
    550

    По умолчанию Re: П.Зуев с многопетлевой ООС 84 по новому

    Цитата Сообщение от Санько Посмотреть сообщение
    3-ку ОК на выход?
    А на выходе и так тройка ОК.

  16. #35
    Частый гость
    Регистрация
    10.06.2005
    Сообщений
    117

    По умолчанию Re: П.Зуев с многопетлевой ООС 84 по новому

    Цитата Сообщение от Shurik Посмотреть сообщение
    выражать свои мысли.

    malefactor_8hz так же так ничего и не понял

    Например, англичан видел зимой, они рукой мерили глубину снега, а потом показывали --на сколько глубоко

    nvv957, если Вы сами читаете эту ветку, то интересно, как проявили себя интегратор, и классическая 3-ка на выходе в реале(относительно "родного выхода")?

  17. #36
    Завсегдатай Аватар для misha88
    Регистрация
    21.02.2006
    Сообщений
    2,067

    По умолчанию Re: П.Зуев с многопетлевой ООС 84 по новому

    Цитата Сообщение от Санько Посмотреть сообщение
    Именно, но лучше- mj15003(4), особенно в режиме В.
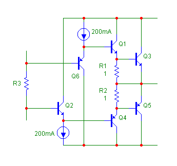
    Режим В даже на самых низких частотах не исправляется ООС (т.к. когда при малых сигналах выходные транзисторы закрыты, то ООС просто разорвана и не работает) и звучат погано. В журнале Радио 1999\10 в усилителе Левицкого для термостабильности используется режим АВ+С, где разрыва ООС не происходит (привожу отрывок из текста, где объяснён принцип, см. рис.), но в его схеме не очень хорошо термостабилизирован предвыходной каскад (это показывают собравшие этот усилитель, в том числе на современных деталях). Я усовершенствовал, применив параллельный усилитель (перекрёсные или вообще все транзисторы закрепить на одном радиаторе), думаю такой ВК может быть идеальным для НЧ усилителя (см. рис., R3 задаёт ток покоя Q1 и Q4 порядка 0.2А, при этом Q3 и Q5 заперты).
    Миниатюры Миниатюры Нажмите на изображение для увеличения. 

Название:	amp21.png 
Просмотров:	804 
Размер:	3.4 Кб 
ID:	94079   Нажмите на изображение для увеличения. 

Название:	amp22.png 
Просмотров:	680 
Размер:	130.0 Кб 
ID:	94080  

  18. #37
    Регистрация не подтверждена
    Регистрация
    23.06.2008
    Адрес
    Москва
    Сообщений
    1,791

    По умолчанию Re: П.Зуев с многопетлевой ООС 84 по новому

    Может быть проще модернизировать ВК от Крилл добавлением 1омных сопротивлений?
    Миниатюры Миниатюры Нажмите на изображение для увеличения. 

Название:	Выходной каска&#10.gif 
Просмотров:	2183 
Размер:	35.9 Кб 
ID:	94094  

  19. #38
    Частый гость
    Регистрация
    10.06.2005
    Сообщений
    117

    По умолчанию Re: П.Зуев с многопетлевой ООС 84 по новому

    misha88
    ...то ООС просто разорвана и не работает...
    ...Академично...Да..., ну еще разные теоремы есть, леммы и аксиомы. Можно их читать.
    Вообще-то я конкретно говорю про то, что сам проверил.
    Это как про ШИМ запись, я сам проверил и ощутил кайф от Высокого КАЧЕСТВА записи.
    А много критиков так и не поверило в ЕЁ.
    А класс "В" или "АВ" и т.д. --- как подходить к ентому, что ожидать и что иметь в итоге.

    ---------- Добавлено в 17:45 ---------- Предыдущее сообщение в 17:35 ----------

    Все молодцы, просто это будет уже не УМЗЧ П. Зуева.
    А так усей-то, как Пэдров, и не сосчитаешь.

  20. #39
    Регистрация не подтверждена
    Регистрация
    23.06.2008
    Адрес
    Москва
    Сообщений
    1,791

    По умолчанию Re: П.Зуев с многопетлевой ООС 84 по новому

    Цитата Сообщение от Санько Посмотреть сообщение
    А класс "В" или "АВ" и т.д. --- как подходить к ентому, что ожидать и что иметь в итоге.
    Да как не подходить, спорить о качестве В-класса совершенно пустое занятие, т.к. хорошего звука в этом режиме не получится, звук так и останется привязанным к АС, даже с применением коррекции вперед. Самая лучшая реализация В-класса, это Квод, кроме него ничего сколь - нибудь приемлемо звучащего никогда не встречал.
    Цитата Сообщение от Санько Посмотреть сообщение
    Все молодцы, просто это будет уже не УМЗЧ П. Зуева.
    А смысл копировать то, что уже давным - давно прошло, надо идти дальше и делать лучше. Если сделать УН усилителя П.Зуева симметричным, то получится "Натали", с гораздо более приятным точным звуком.

  21. #40
    Частый гость
    Регистрация
    10.06.2005
    Сообщений
    117

    По умолчанию Re: П.Зуев с многопетлевой ООС 84 по новому

    Цитата Сообщение от Shurik Посмотреть сообщение
    Да как не подходить, спорить о качестве В-класса совершенно пустое занятие, т.к. хорошего звука в этом режиме не получится, звук так и останется привязанным к АС, даже с применением коррекции вперед. Самая лучшая реализация В-класса, это Квод, кроме него ничего сколь - нибудь приемлемо звучащего никогда не встречал.

    А смысл копировать то, что уже давным - давно прошло, надо идти дальше и делать лучше. Если сделать УН усилителя П.Зуева симметричным, то получится "Натали", с гораздо более приятным точным звуком.
    Как Вам будет угодно
    Я давным давно все выводы для себя сделал.
    А прописные истины не люблю повторять, так как не мной они заложены.
    А долдонить ими... так это по молодости или от чванства.
    Все, о чём сдесь говорили- все книжное(не раз читанное и правильное, если хотите)--не свое.
    Как говорится: Не звуком единым...

Страница 2 из 28 Первая 123412 ... Последняя

Социальные закладки

Социальные закладки

Ваши права

  • Вы не можете создавать новые темы
  • Вы не можете отвечать в темах
  • Вы не можете прикреплять вложения
  • Вы не можете редактировать свои сообщения
  •