Предлагаю к обсуждению тему «Стабилизированное питание УМЗЧ: плюсы и минусы, варианты реализации». Особо приветствуется мнение профессионалов-разработчиков, но с уважением выслушаю любые мнения.
Предлагаю к обсуждению тему «Стабилизированное питание УМЗЧ: плюсы и минусы, варианты реализации». Особо приветствуется мнение профессионалов-разработчиков, но с уважением выслушаю любые мнения.
Если емкость на выходе стабилизатора мала, то по динамика усилителя будет вялой(в АБ, конечно)-ИМХО. Насчет сопротивления выше написали. Ну и конечно все нелинейности стабилизатора включатся в нелинейности УМЗЧ. Так что (ИМХО) - лучше снизить зависимость усилителя от напряжения питания, чем применять стабилизатор.Сообщение от Yauhen
А ещё не надо забывать про те старые грабли, отполированные лбами. Называются "хочу сделать самый лучший усилитель".
Благими намерениями вымощена дорога в ад :twisted:Сообщение от лысый
![]()
1. На счет "нелинейности" стабилизатора - все забывают о нелинейности трансформатора, всех электроподстанций и генераторов.Если имеется ввиду падение непряжения под нагрузкой (я надеюсь, что нелинейность передаточной характеристики цепи регулирования стабилизатора никого не интересует), так без стабилизатора оно много больше и очень нелинейное. Это все глупости.
2. Когда стабилизатора нет, напряжение питания меняется в широких пределах (в ресивере "Пионер-714" от 50 до 30 В, если не перепутал). Это изменение напряжения передается в нагрузку (даже самые лучшие схемы к этому чувствительны). Большей частью влияние компенсируется цепью ООС (причем общая ООС рулит больше). Но не до нуля, особенно на высоких частотах. Если например ослабление нестабильности источника 60 дБ на 1 кГц, Uвых = 20 В и падение напряжения 20 В, то Кг только от этого 0,1%.
3. Стабилизаторы нестабильно работающие при нагрузке их емкостью - дерьмо.
4. Емкость на выходе стабилизатора "гасит" все его недостатки быстродействия. Нужно ее грамотно проектировать. Высокочастотные конденсаторы размещаются непостедственно на выводах элементов.
5. Стабилизаторы не применяют практически из-за того, что они более дорогие, чем конденсаторы, греются, и, самое главное - "и так сойдет", ведь работает. А наличие стабилизатора можно выдать за суперкрутую фичу и содрать много денег.
6. Еще раз про смысл затеи. В выпрямителе с емкостным фильтром напряжение сильно зависит от потребляемого тока. Причем, если разряд банок происходит очень быстро, то заряд может тянуться несколько полупериодов, происходит импульсами и это все прет в нагрузку. Может такое быть, что усилку не хватит питания на второй имульс, т.к. емкости еще не зарядились. (Тут более важна индуктивность транса и сети и их активные сопротивления, а не быстродействие диодов). Применив стабилизатор, мы делаем напряжение питания постоянным, т.к. все эти разряды-заряды происходят на "горячем" конце. Абсолютно неправильно снижать емкости фильтров в расчете, что стабилизатор все покроет (ну или входное напряжение тогда повышать нужно очень) - фильтры проектируются исходя из количества запасаемой энергии. А это очень много! (Мы ведь говорим о действительно высококачественном воспроизведении, не так ли?). Тогда, если напряжение питания константа, усилителю не надо бороться с его изменениями, а эта борьба непростая. Понятно, что идеала нет, но уменьшив "просадки" напряжения с 20 Вольт до 1-2, мы работу улучшим намного.
В этом ваша ошибка и состоит!!! Такое падение будет только на режимах, близких к холостому! А при полной нагрузке как раз просядет и при 5А разность до ЭП и после будет единицы вольт. Так что девать предется не 100Вт, а не более 10Сообщение от Немного звукотехник
![]()
![]()
Кстати, величины емкостей, которые я привел - не с потолка, а по рассчету для усилителя 50Вт (один канал). Напряжение: нестабилизированное - 50В, после ЭП - 30. Ток в импульсе не более 4А. Если вы делаете усилитель на 300Вт и выше - тут уж все по другому будет конечно. Такое решение может быть даже неприемлимым. А мне стадионы озвучивать не надо - 50Вт неискаженной мощьности мне с запасом.
Это с какого же перепугу "добрая"? На низких частотах параметрический стабилизатор практически идеален, а на более вч заметно падает нагрузка (нч головы ставят на 100Вт и более, а сч - вч - 20, а то и 5 Вт) и сопротивление емкости падает многократно! Я думаю 100-200 мкФ будет вполне достаточно. Да-да, можете не смеяться - просто надо понимать что и зачем ставить.Сообщение от лысый
Вот-вот - вы уже начинаете понимать идею! Ведь в операционных усилителях есть определенный коэффициент подавления помех по питанию (не бесконечный - можете считать это его "ляпом"), а мы эти помехи еще до усилителя подавляем - что ж в этом плохого, кроме хорошего?Сообщение от лысый
Я это тоже подразумевал, когда писал об ограничении элементов по напряжению (получается по напряжению и по мощности).Сообщение от Yauhen
Конечно, ведь у них нет этой самой ОС, чтобы синфазную помеху подавлять!Сообщение от Semigor
А это просто избитые стереотипы ничем кроме "авторитетных" мнений не подтвержденные, т.к. в этом случае придется включать в нелинейность умзч также и нелинейность транса (оооочень не маленькую) и диодов и электролитов фильтра (тоже весьма весомую)- логики 0. Есть усилители и без стабилизированного питания отвратные и с ним - Г.Сообщение от Olegyurich
[ADDED=Fenyx]1111407805[/ADDED]
Я снижал их не в этом рассчете, а как рас в рассчете на потребляемую энергию (в джоулях) - так что приведенные мной цифры - минимум для работы в номинальном режиме (учитывая пики нагрузки). Еще: трансы неспособные зарядить емкость на 10В за 1 период - дерьмо (по аналогии с П3). В остальном согласен на 100%Сообщение от AudioKiller
Последний раз редактировалось Fenyx; 21.03.2005 в 15:23.
Передо мной в данный момент стоит вопрос о стабе 35в до 5а ,думал подойдёт,так 12 евро у нас штука,нееее пойдёт,может есть схемки отработанные,ссылочку плиз,уж очень велосипед изобретать не хочеться.Лично я двумя руками за стабыСообщение от Semigor
А вообще ребята посчитайте сопротивление кондёров,трансов для разных частот,всё встанет на свои места.
Fenyx,
Пусть вы сделали стабильное питание своему усилителю и от этого стало хорошо. Но всегда найдётся другой усилитель с нестабильным питанием, который будет звучать лучше. Просто он сделан по-другому.
Нынешняя схемотехника и элементная база позволяют подавлять пульсации в питании достаточно хорошо. Достаточно даже для удовлетворения очень строгим требованиям. Если правильно разрабатывать, то всё решаемо, и решаемо проще сооружения стабилизатора.
Есть множество причин ухудшения звука, с которыми бороться гораздо сложнее. И влияние пульсаций может быть уменьшено гораздо ниже влияния этих других причин.
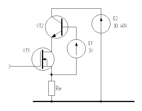
Кстати, в каскоде мосфет+биполяр с ОБ этот самый ОБ чем не параметрический стаб? (см. картинку)
Нелинейность трансформатора, если он не входит в насыщение весьма невелика, к то му же нас интересует только вторичная обмотка. Какая нелинейность у конденсатора? Наверное меньшая, чем у стабилизатора. Нелинейность диодов -да. Но со стабилизатором все эти нелинейности остаются, ничуть не ослабляясь, и к ним добавляются новые - так стоит ли платить за это деньги?Лучше вложить их в собственно усилитель.Сообщение от Fenyx
Только этот самый ОБ, скорее не ОБ, а ОКСообщение от лысый
.
Из практического опыта.Сообщение от Ромыч
Ну и цены у вас. Я покупал LT1084 по 3$.Сообщение от kaskod
Попрбуйте поискать аналоги других производителей:
AIC1084, AMS1084, EZ1084, LM1084, AME1084.
Так и живём,зато цены на б.у аппараты гораздо ниже Россйских,включая автоСообщение от Semigor
Скоро буду в Москве,заеду на Беговую,решу набежавшие проблемы.Спасибо ,нашёл лм1084 1,5 долл.
PSV,Сообщение от PSV
![]()
Не, по сигналу в аккурат ОБ.![]()
Да нет PSV прав,сигнал в базу идёт.Сообщение от лысый
![]()
kaskod, тю на вас, свой ник не знаете, он же классика![]()
У биполяра местная висячая общая точка в базе, сигнал в эмиттере от неё, а нагрузка при этом пофиг где, всё равно ОБ.
Почему-то пульсации питания на конденсаторах не включаются в выходной сигнал один к одному, а гармоники стабилизатора включаются. Странно...Сообщение от Olegyurich
Про ток через транзисторы стабилизатора. В пределе, когда конденсаторы на выходе стабилизатора вообще отсутствуют, ток строго равен току выходного каскада. При наличии указанных конденсаторов динамика тока через стабилизатор (и, соответственно, максимальный ток) должны быть еще меньше.
Какие претензии остаются? Выброс на переходном процессе. В случае со стабом на эмиттерном повторителе со стабилитроном в базе ИМХО неактуально. Думаю, что и в других схемах решаемо.
Пульсации ослабляются ООС, так же как и нелинейности и усилителя и стабилизатора. Но дело в том, что пульсации - помеха аддитивная, а искажения - мультипликативная, и она заметно больше влияет на качество. К то му же какие пульсации после банок 10000, а то и больше - да почти никакой, а входной каскад проходит дополнительную фильтрацию.вот именно, т.е стабилизатор - это аналогичный усилитель.Сообщение от Slava!!!
Вообще говоря, пульсации сильно зависят от потребляемого нагрузкой тока и потому тоже являются мультипликативной помехой. И не факт, что пульсации на емкостях питания менее кореллированы с током нагрузки, чем гармоники стабилизатора.Сообщение от Olegyurich
Сообщение от Slava!!!
Это был ответ наСообщение от Olegyurich
Сообщение от Эx, залужу...
Не пофиг,где нагрузка.Для питания ИП это выглядит как ОК и пофиг что у него там в базеСообщение от лысый
.
Сергей.
Вообще усил со стабилизатором - получается каскод. Стабилизатор - это верхний транзистор в каскоде, с ОБ, сам усилитель (или выхлопной транзистор) - нижний, с ОЭ...
Зависят, конечно. Но их легко снизить увеличением конденсатора, а при работе в классе А пульсации вообще не зависят от уровня полезного сигнала, т.к ток, потребляемый от источника питания не меняется.А насчет корреляции - у пульсаций одна частота, а гармоник много. Хотя если нет ограничений в средствах, можно сделать стабилизатор - хуже от него не будет - но будет ли лучше?Сообщение от Slava!!!
Социальные закладки