Страница 198 из 227 Первая ... 188196197198199200208 ... Последняя
Показано с 3,941 по 3,960 из 4525

Тема: Усилители на STK

  1. #1 Показать/скрыть первое сообщение.
    https://dzen.ru/sivolobov
    Автор темы
    Аватар для Black_Panther
    Регистрация
    07.06.2004
    Адрес
    Москва, Бибирево.
    Возраст
    46
    Сообщений
    2,397

    По умолчанию Усилители на STK

    В данной теме будем обсуждать все, что связано с STK.

    Для начала вводная - это не микросхема, это гибридная интегральная схема. Толстоплёночная. Конских размеров.

    Since 1970, SANYO has offered the STK series of IMST hybrid ICs for audio power amplifiers onto the market, and the reliability and performance of these ICs have won a high market share for the company.

    Снятые с производства ИМС можно посмотреть тут:
    alldatasheet.com

    Официально STK производились Sanyo, есть непроверенные лично мной источники, уверяющие, что их также выпускала SanKen. STK серия с надписями Technics, Yamaha, Kenwood, Strasser, Ulvac и прочих брендов - это тоже Sanyo, но OEM.

    В данный момент Sanyo Semiconductors перешла под крыло Panasonic, затем последняя отфутболила всё это к ONSEMI, которой выпускаются самые свежие серии: 433-ххх (стерео и многоканальные) и 404-ххх (моно).


    Возьмите за правило: сначала почитали эту ветку, хотя бы первый пост, потом побежали покупать какую-либо STK. В противном случае велик риск нарваться на новодел (неоригинал) или махровую подделку, особенно если покупаете старые популярные серии ИМС, снятые с производства!
    Проектировать новое устройство на ИМС 3-значных, 4-значных и заказных серий можно только в том случае, если на руках уже имеется заведомо работоспособный оригинал.


    И еще: без фото или возможности повертеть в руках при заказе через интернет или по телефону рискуете купить подделку. Не уверены полностью в оригинальности - не покупайте, откажитесь, если нету фото - попросите сказать что написано в верхнем правом углу морды и нет ли яркой однотонной "зелени" в щели между выводов и какого цвета спинка и цвет надписи на ней.

    Как различать оригинал , новодел и подделку:
    Вкратце: ярко-синяя или ярко-зеленая надпись на спинке и серия на морде имеет буквы ET = НЕ БРАТЬ!

    В щели между выводов видно ДВА цвета: плата и маска. Подложка приклеена к радиатору ровно и надписи на подложке (спинка микры) не яркие. Могут быть как бы стершиеся или недопечатанные. Это нормально.
    Щель - это пространство откуда
    ноги (выводы) растут где видно крепление начала выводов к плате интегральной схемы. У старых серий эта щель может быть залита компаундом, похожим на стекло. По ссылке ниже - то самое место:
    https://forum.vegalab.ru/attachment....7&d=1266525585


    Видите текстуру корпуса? Блики, шероховатости - у оригиналов обычно есть.
    https://forum.vegalab.ru/attachment....2&d=1266525017

    Вот такая надпись сзади, как бы стершаяся местами:

    https://forum.vegalab.ru/attachment....3&d=1266525026


    В щели видно сплошную яркую зелень, серия написана с ЕТ: 0AET, 5BET, 2GET, 2LET и т.п., надписи на спинке яркие или легко стираются - АХТУНГ! Перед нами - новодел - неоригинал. Скажем так - работать в номинальном режиме оно будет (50\50, лотерея), звучание же, как у оригинала совершенно не гарантируется.

    Однотонный маслянисто-чёрный цвет морды и яркая синяя надпись на спинке - подделка.


    Как опознать конкретный лютый махровый винтаж:

    https://forum.vegalab.ru/attachment....6&d=1266524167
    Смотрите на STK043.

    https://forum.vegalab.ru/attachment....0&d=1266526095

    Надписи нанесены краской, которую легко смыть или соскрести даже ногтем. Корпус обычно черного маслянистого цвета, как уголь, шероховатый.


    Огромная подборка материалов, включающая информацию о местах приобретения, отличий оригиналов от подделок,редких и "заказных" ОЕМ-ИМС STK серии, фото, ссылки на даташиты и рисунки плат находится в этой ветке, если не полениться ее прочесть.Тут есть 99% ответов на вопросы по STK.

    На сегодняшний момент можно использовать современные серии:

    Одноканальная: STK404-xxx (404-050, 404-070, 404-090, 404-100, 404-120, 404-130, 404-140).
    Двухканальные и многоканальные: STK433-xxx. Подделок не встречал, сведений о таковых нет.
    Важно! 433 серия в непривычном сером корпусе с выштамповкой и надписью Sanyo, вот такая:

    https://forum.vegalab.ru/attachment....4&d=1266525129

    (ширина корпуса и количество ножек варьируется!)

    По статистике, исходя из наблюдения оптимальное соотношение стоимость\мощность согласно efind.ru и прайсам Митинского радиорынка имеют STK404-130, STK404-140
    Введите в строке поиска STK404 и найдете ее фото внутри и снаружи, где купить платы под нее и ее саму,рисунки плат, особенности и обсуждение.
    Также можно купить, по крайней мере, в Москве, самую мощную на данный момент ИМС из линейки 404-ххх: STK404-140. Она продается (напишу позже, забыл номер места), это находится на Митинском радиорынке. Там же можно купить и 404-130. 404-130 также есть на Митинском радиорынке в www.winner-s.ru ,побродив хорошо по рынку можете хоть всю коллекцию 404 серии собрать и сидеть на нее любоваться.

    Если радиорынок или Москва от Вас далеко, поищите, где купить STK вот на этом ресурсе:
    www.efind.ru


    Кроме того, вот список официальных дистрибьюторов On Semiconductors:
    http://www.onsemi.ru.com/PowerSolutions/locateSalesSupport.do

    даташиты на 404 и 433 серию на сайте On Semiconductors:

    http://www.onsemi.ru.com/PowerSolutions/search.do?query=stk4&tabbed=Y&clearFilters=Y&searchType=others&perPage=100

    Прикрепляю файлы:
    Статья по сборке уся на серии 41хх...42хх - stereo18.rar
    Указаны нюансы, как подпаивать регулятор, немного про земли и источник питания и прочее.

    Добавляю старый материал "В питании - сила!" с источником питания для усилителей.

    Эволюция плат моей разработки:

    (в ближайшее время, со схемами и рисунками)

    Все коммерческие вопросы строго в личку.

    апдейт дополню скоро: где купить в Москве 404 и 433 серии выгодней и заведомо аутентичные. А также: причешу галерею, чтобы влезли рисунки плат и схемы с пояснениями.

    ДА, 404-140 В МОСКВЕ НИГДЕ НЕТ В НАЛИЧИИ, САМ ИЩУ.
    Миниатюры Миниатюры Нажмите на изображение для увеличения. 

Название:	STK043 and STK404-070.JPG 
Просмотров:	25608 
Размер:	48.9 Кб 
ID:	77326   Нажмите на изображение для увеличения. 

Название:	STK459_vintage_top.jpg 
Просмотров:	20503 
Размер:	547.3 Кб 
ID:	77332   Нажмите на изображение для увеличения. 

Название:	STK459_vintage_rear.jpg 
Просмотров:	19503 
Размер:	573.9 Кб 
ID:	77333   Нажмите на изображение для увеличения. 

Название:	STK433-070_original.JPG 
Просмотров:	21750 
Размер:	194.8 Кб 
ID:	77334  

    Нажмите на изображение для увеличения. 

Название:	STK1050_vintage_original.JPG 
Просмотров:	15063 
Размер:	263.2 Кб 
ID:	77335   Нажмите на изображение для увеличения. 

Название:	STK404-070_original_ TOP.JPG 
Просмотров:	21342 
Размер:	76.4 Кб 
ID:	77337   Нажмите на изображение для увеличения. 

Название:	STK404-070_original_ REAR.JPG 
Просмотров:	6420 
Размер:	107.5 Кб 
ID:	77338   Нажмите на изображение для увеличения. 

Название:	STK404-070_original_ inside.JPG 
Просмотров:	13362 
Размер:	240.7 Кб 
ID:	77339  

    Нажмите на изображение для увеличения. 

Название:	STK090 - древняя огромная лютая экзотика_естественно_оригинал.jpg 
Просмотров:	17665 
Размер:	56.5 Кб 
ID:	77340   Нажмите на изображение для увеличения. 

Название:	Чип и Дип отжёг_кстати_на фото_все_микры_оригиальные.JPG 
Просмотров:	7858 
Размер:	69.9 Кб 
ID:	77341   Нажмите на изображение для увеличения. 

Название:	STK4132_original.JPG 
Просмотров:	6488 
Размер:	490.1 Кб 
ID:	77342   Нажмите на изображение для увеличения. 

Название:	STK4152_original.JPG 
Просмотров:	17303 
Размер:	261.9 Кб 
ID:	77343  

    Нажмите на изображение для увеличения. 

Название:	STK4152-II_original_top and inside.jpg 
Просмотров:	12073 
Размер:	286.8 Кб 
ID:	77344   Нажмите на изображение для увеличения. 

Название:	Series_mark.jpg 
Просмотров:	8379 
Размер:	72.6 Кб 
ID:	77345  
    Вложения Вложения
    Последний раз редактировалось Black_Panther; 21.06.2016 в 01:58. Причина: Апдейты!
    Моя религия:
    Люблю комфортное, окрашенное приятное звучание.
    STK и дискрет.
    No IRF, no TDA, no class D\T\H.
    DC Servo - must die.
    Мостовой УНЧ - suxx.
    Трансформатора и радиатора много не бывает.
    Импульсные БП - от лукавого.
    За нулями в Кг не гонюсь.

  2. #3941
    Старый знакомый
    Регистрация
    19.03.2014
    Адрес
    Красноярск
    Возраст
    46
    Сообщений
    651

    По умолчанию Re: Усилители на STK

    dalex, а АС то живые? На сопротивление звонятся нормально? А то может там межвитковое в низкочастотнике.
    После постоянки запросто может быть.

    ---------- Сообщение добавлено 21:37 ---------- Предыдущее сообщение было 21:36 ----------

    Цитата Сообщение от dalex Посмотреть сообщение
    Прочитал, что новоделы греются сильнее
    Я бы сказал подделки, а не новоделы.

  3. #3942
    Новичок
    Регистрация
    24.07.2017
    Сообщений
    7

    По умолчанию Re: Усилители на STK

    Цитата Сообщение от Иван555 Посмотреть сообщение
    а АС то живые? На сопротивление звонятся нормально? А то может там межвитковое в низкочастотнике.
    Левая колонка, естественно, не живая. Но ее-то я восстановил (запарился только сильно).
    А что с СТК-шкой делать? Где купить не поддельную?

  4. #3943
    Старый знакомый
    Регистрация
    19.03.2014
    Адрес
    Красноярск
    Возраст
    46
    Сообщений
    651

    По умолчанию Re: Усилители на STK

    Цитата Сообщение от dalex Посмотреть сообщение
    Где купить не поддельную?
    Сдается мне только на барахолках донора искать. Оригинальные Sanyo насколько мне известно уже не производятся.

  5. #3944
    Частый гость
    Регистрация
    22.10.2006
    Сообщений
    229

    По умолчанию Re: Усилители на STK

    Sanyo продала свое полупроводниковое производство еще 8 лет назад, так что можно не сомневаться, что оригинальные STK1039 уже не делают. Более того, пока компания была еще жива, она регулярно публиковала так называемые SANYO semiconductor news в которых размещались списки снимаемых с производства продуктов "Announcement Regarding the Discontinuation of Hybrid ICs". Согласно этих списков оригинальную STK1039 не производят уже, как минимум 40 лет.
    Но дело не в этом. Внутри STK1039 всего 6 транзисторов, причем 4 из них это две пары Дарлингтона. Несложно или отремонтировать вскрытую STK1039 или просто сделать замену на алюминиевой плате. Причем на современных SMD-транзисторах может получиться гораздо лучший продукт.

  6. #3945
    Новичок
    Регистрация
    24.07.2017
    Сообщений
    7

    По умолчанию Re: Усилители на STK

    Цитата Сообщение от kolbasNIC Посмотреть сообщение
    отремонтировать вскрытую STK1039
    Спасибо за советы
    Тогда вопрос: чем можно заменить сгоревший транзистор?
    Чтобы делать замену надо знать характеристики внутренних элементов, я полагаю.

  7. #3946
    Частый гость
    Регистрация
    22.10.2006
    Сообщений
    229

    По умолчанию Re: Усилители на STK

    Исправным транзистором, конечно. Все данные для расчета есть: Мощность 35 Вт, напряжение на более 46 В, Ток 6 А.
    Я бы советовал использовать пару транзисторов типа MJD2955/3055 для выходного каскада, но ставить их придется через прокладки, хотя сегодня это не проблема; берете кусочки слюды, и лепите все на термопасту или термоклей. Мощности 20 Вт на плечо вполне достаточно при условии хорошего теплоотвода.
    Более дубовый вариант это транзисторные пары в корпусе ТО-220, они мощнее, но и крупнее. Если делать новую алюминиевую плату, взамен фирменной, то ТО-220 вполне можно вписать (есть такие транзисторы в полностью изолированных корпусах, прокладка будет не нужна), а для ремонта придется им ухо обрезать и прокладка обязательна. В оригинальной STK кристаллы мощных транзисторов стоят на медных теплорассеивателях. Это одна из главных фишек технологии IMST. Эти теплорассеиватели лучше сохранить и использовать, т.е. ставить замену прямо на них или сделать из меди новые аналогичные либо чуть больше. И вообще чем теплорассеиватели больше, тем лучше.
    А остальные транзисторы могут быть любые, например, КТ3129/3130.

  8. #3947
    Новичок
    Регистрация
    24.07.2017
    Сообщений
    7

    По умолчанию Re: Усилители на STK

    kolbasNIC, Спасибо за подробный совет.
    А можно ли сделать так:
    Имеем 2 СТК с разными выгоревшими транзисторами
    разобрать обе и в оригинальную СТК-ку переставить исправный транзистор из второй.
    Можно ли их снять с платы?
    Или может быть купить СТК1045 или 1049? Они мощнее.
    На что из обвязки обратить внимание? или по очереди проверять все элементы?

  9. #3948
    Частый гость
    Регистрация
    22.10.2006
    Сообщений
    229

    По умолчанию Re: Усилители на STK

    Отпаять неисправный транзистор наверное можно, но это только в теории. Реально надо горелкой греть, иначе не отпаивается. Более того, транзисторы разварены алюминиевыми проволочками, которые не паяются. Так что это утопическая идея.
    Я бы заказал алюминиевую плату, на которую поставил все новое и от старой STKшки использовал только корпус и проволочные выводы.
    И конечно можно без оглядки использовать любые из STK1045/49/59, будет только лучше, т.к. появится запас по напряжению и мощности.

  10. #3949
    Регистрация не подтверждена
    Регистрация
    04.08.2006
    Адрес
    Украина, г. Киев
    Возраст
    63
    Сообщений
    225

    По умолчанию Re: Усилители на STK

    Также, можно использовать любые из STK 1040, 1050, 1060 которые совпадают по цоколевке, но комплиментарные повторители суть есть.

  11. #3950

    По умолчанию Re: Усилители на STK

    Доброго времени суток! Подскажите пожалуйста, откопал на али у одного продавца якобы оригинальные микросхемы, попросил сделать реальные фото, что скажете на первый взгляд оригинал или фэйк?
    Нажмите на изображение для увеличения. 

Название:	Без имени.jpg 
Просмотров:	385 
Размер:	52.4 Кб 
ID:	330327 Нажмите на изображение для увеличения. 

Название:	HTB1t0fSXsTxK1Rjy0Fgq6yovpXaF.jpg 
Просмотров:	330 
Размер:	78.5 Кб 
ID:	330328 Нажмите на изображение для увеличения. 

Название:	HTB1ktDQXEvrK1RjSszfq6xJNVXa6.jpg 
Просмотров:	300 
Размер:	87.5 Кб 
ID:	330329 Нажмите на изображение для увеличения. 

Название:	HTB1eg6RXyDxK1RjSsphq6zHrpXaJ.jpg 
Просмотров:	354 
Размер:	42.8 Кб 
ID:	330330
    Последний раз редактировалось Дмитрий1986; 25.10.2018 в 06:34. Причина: не отображались фото

  12. #3951
    Частый гость
    Регистрация
    22.10.2006
    Сообщений
    229

    По умолчанию Re: Усилители на STK

    Система пишет, что "Вложение не существует", так что посмотреть не получится.

  13. #3952

    По умолчанию Re: Усилители на STK

    Цитата Сообщение от kolbasNIC Посмотреть сообщение
    Система пишет, что "Вложение не существует", так что посмотреть не получится.
    Тоже не смог увидеть, перезалил, сейчас вроде норм. Что скажете? Стоит рисковать или еще поискать...

  14. #3953
    Частый гость
    Регистрация
    22.10.2006
    Сообщений
    229

    По умолчанию Re: Усилители на STK

    Цитата Сообщение от Дмитрий1986 Посмотреть сообщение
    Тоже не смог увидеть, перезалил, сейчас вроде норм. Что скажете? Стоит рисковать или еще поискать...
    Стало кое-что видно. Не самые выигрышные ракурсы. Вроде похожи на оригинал, но и на хорошо сделанную подделку тоже похожи.
    На мой взгляд весь вопрос в цене. Если она посильная, я бы рискнул.

  15. #3954
    Новичок
    Регистрация
    25.10.2018
    Сообщений
    6

    По умолчанию Re: Усилители на STK

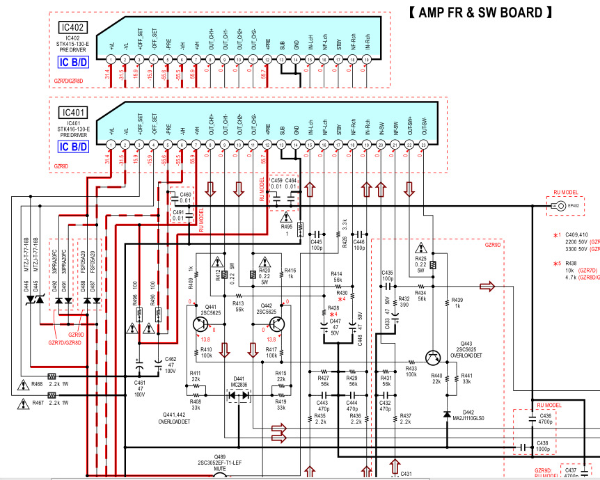
    МЦ sony MHC-GZR7D. Усилитель на STK415-130-E. Как правильно его перевести в режим AB? Спасибо.

  16. #3955

    По умолчанию Re: Усилители на STK

    Цитата Сообщение от kolbasNIC Посмотреть сообщение
    Стало кое-что видно. Не самые выигрышные ракурсы. Вроде похожи на оригинал, но и на хорошо сделанную подделку тоже похожи. На мой взгляд весь вопрос в цене. Если она посильная, я бы рискнул.
    Так же сам приглядывался и так и так, невидно подложку и просвет ножек, вроде как не зеленит. Смущает немного надпись на задней части или это норм? Цена вопроса 3тр за 5 штук. Сделано типа в Корее, хотя мож правда)

  17. #3956
    https://dzen.ru/sivolobov
    Автор темы
    Аватар для Black_Panther
    Регистрация
    07.06.2004
    Адрес
    Москва, Бибирево.
    Возраст
    46
    Сообщений
    2,397

    По умолчанию Re: Усилители на STK

    фото спинки 4231 - не верю.
    я меня такие же китайцы на авите вывалены. в частности 488-020. спинка и шрифт один в один.

    Любители 42хх идут на ибэй и сразу готовятся отслюнявить от 50 буказоидов плюс доставка, продаваны из Испании и Германии, из Штатов могут не слать в Россию.
    Моя религия:
    Люблю комфортное, окрашенное приятное звучание.
    STK и дискрет.
    No IRF, no TDA, no class D\T\H.
    DC Servo - must die.
    Мостовой УНЧ - suxx.
    Трансформатора и радиатора много не бывает.
    Импульсные БП - от лукавого.
    За нулями в Кг не гонюсь.

  18. #3957
    Частый гость
    Регистрация
    22.10.2006
    Сообщений
    229

    По умолчанию Re: Усилители на STK

    Усилитель на STK415-130-E. Как правильно его перевести в режим AB?
    Привет
    Много писать не могу, болит правая рука. Вкратце рекомендации такие же как и раньше:
    1. Подавать только высокое напряжение питания на выводы питания выходного каскада (1 и 2).
    2. Выводы 3, 4, 6 и 7 оставить свободными.
    3. Обеспечить примерно вдвое большую площадь радиатора или умеренный обдув старого. Если это сложно, то стараться не слушать музыку на большом уровне громкости.
    4. Желательно запитывать предварительные каскады (выводы 5 и 12) от отдельного маломощного двуполярного ИП (с током 10-20 миллиампер на плечо), напряжением примерно на 5 В большим, чем питание выходных каскадов. Это не обязательно, т.к. служит для улучшения качества звука и рекомендуется при любом режиме работы. Очень хорошие результаты, дают стабилизаторы построенные на µA723, а еще лучшие результаты дают параллельные стабилизаторы, например, схема Назара. Этот ИП лучше отдельно питать от сети 220 В.

  19. #3958
    Новичок
    Регистрация
    25.10.2018
    Сообщений
    6

    По умолчанию Re: Усилители на STK

    kolbasNIC,
    Спасибо.
    Подскажите, а диоды в цепи питания оставлять(D491, D492 )?
    Фрагмент схемы:
    Миниатюры Миниатюры Нажмите на изображение для увеличения. 

Название:	2018-10-26_164123.jpg 
Просмотров:	207 
Размер:	222.7 Кб 
ID:	330419  
    Последний раз редактировалось Cyclone; 26.10.2018 в 14:27.

  20. #3959
    Частый гость
    Регистрация
    22.10.2006
    Сообщений
    229

    По умолчанию Re: Усилители на STK

    Цитата Сообщение от Cyclone Посмотреть сообщение
    kolbasNIC,
    Спасибо.
    Подскажите, а диоды в цепи питания оставлять(D491, D492 )?
    Фрагмент схемы:
    Эти диоды не нужны. Не нужна и вторая пара диодов, а также стабилитроны D495/496, но последние на плате можно оставить, а просто отрезать все от выводов 3, 4, 6 и 7. На схеме указано напряжение питания предварительных каскадов 55,5 В, это хорошая величина для штатного питания 31,5 В. Но максимальное напряжение питания для STK415-130E равно 75 В и в принципе было бы лучше питать таким или чуть меньшим напряжением предварительные каскады, а выходные 60...65 В. Но это потребует нового большого радиатора для STK415-130E, рассчитанного на большую мощность. Выходная мощность усилителя при этом возрастет примерно вдвое.
    Я всем советую покупать в Китае импульсные двуполярные БП для питания выходных каскадов. В Вашем случае на любое напряжение в диапазоне ±50...65 В и соответствующей мощности (примерно 300 Вт). А для предкаскадов можно и линейный источник на самом маломощном трансформаторе типа ТА на нужное напряжение (60...70 В) или даже пару AC-DC модулей на такие же напряжения, но такая модернизация требует некоторой квалификации. При малейшей ошибке высока вероятность того, что все сгорит.

  21. #3960
    Новичок
    Регистрация
    25.10.2018
    Сообщений
    6

    По умолчанию Re: Усилители на STK

    Цитата Сообщение от kolbasNIC Посмотреть сообщение
    Эти диоды не нужны. Не нужна и вторая пара диодов, а также стабилитроны D495/496, но последние на плате можно оставить, а просто отрезать все от выводов 3, 4, 6 и 7. На схеме указано напряжение питания предварительных каскадов 55,5 В, это хорошая величина для штатного питания 31,5 В. Но максимальное напряжение питания для STK415-130E равно 75 В и в принципе было бы лучше питать таким или чуть меньшим напряжением предварительные каскады, а выходные 60...65 В. Но это потребует нового большого радиатора для STK415-130E, рассчитанного на большую мощность. Выходная мощность усилителя при этом возрастет примерно вдвое.
    Я всем советую покупать в Китае импульсные двуполярные БП для питания выходных каскадов. В Вашем случае на любое напряжение в диапазоне ±50...65 В и соответствующей мощности (примерно 300 Вт). А для предкаскадов можно и линейный источник на самом маломощном трансформаторе типа ТА на нужное напряжение (60...70 В) или даже пару AC-DC модулей на такие же напряжения, но такая модернизация требует некоторой квалификации. При малейшей ошибке высока вероятность того, что все сгорит.
    Мощность меня меньше всего интересует. Больше интересно, как изменится качество звучания. А то звук какой-то не живой, блеклый, в общем, не особо нравится). Вопрос такой. Влияет ли величина питания( напряжение) усилителя на качество звука? То, что питание предусилителя влияет на качество звука, это я понял.

Страница 198 из 227 Первая ... 188196197198199200208 ... Последняя

Социальные закладки

Социальные закладки

Ваши права

  • Вы не можете создавать новые темы
  • Вы не можете отвечать в темах
  • Вы не можете прикреплять вложения
  • Вы не можете редактировать свои сообщения
  •