Страница 15 из 81 Первая ... 5131415161725 ... Последняя
Показано с 281 по 300 из 1615

Тема: YES - 5

  1. #1 Показать/скрыть первое сообщение.
    Завсегдатай
    Автор темы
    Аватар для Геннадий3
    Регистрация
    04.11.2009
    Адрес
    г.Чапаевск , Самарской обл. , Россия
    Возраст
    76
    Сообщений
    2,475

    По умолчанию YES - 5

    Приветствую , Всех !

    Попросили сделать вариант без ОС-ного (полу-ОС-ного ) усилителя . Надо заметить , что без-ОС-ного УМЗЧ
    просто не бывает . Поэтому задача была сделать усилитель без Общей ООС .
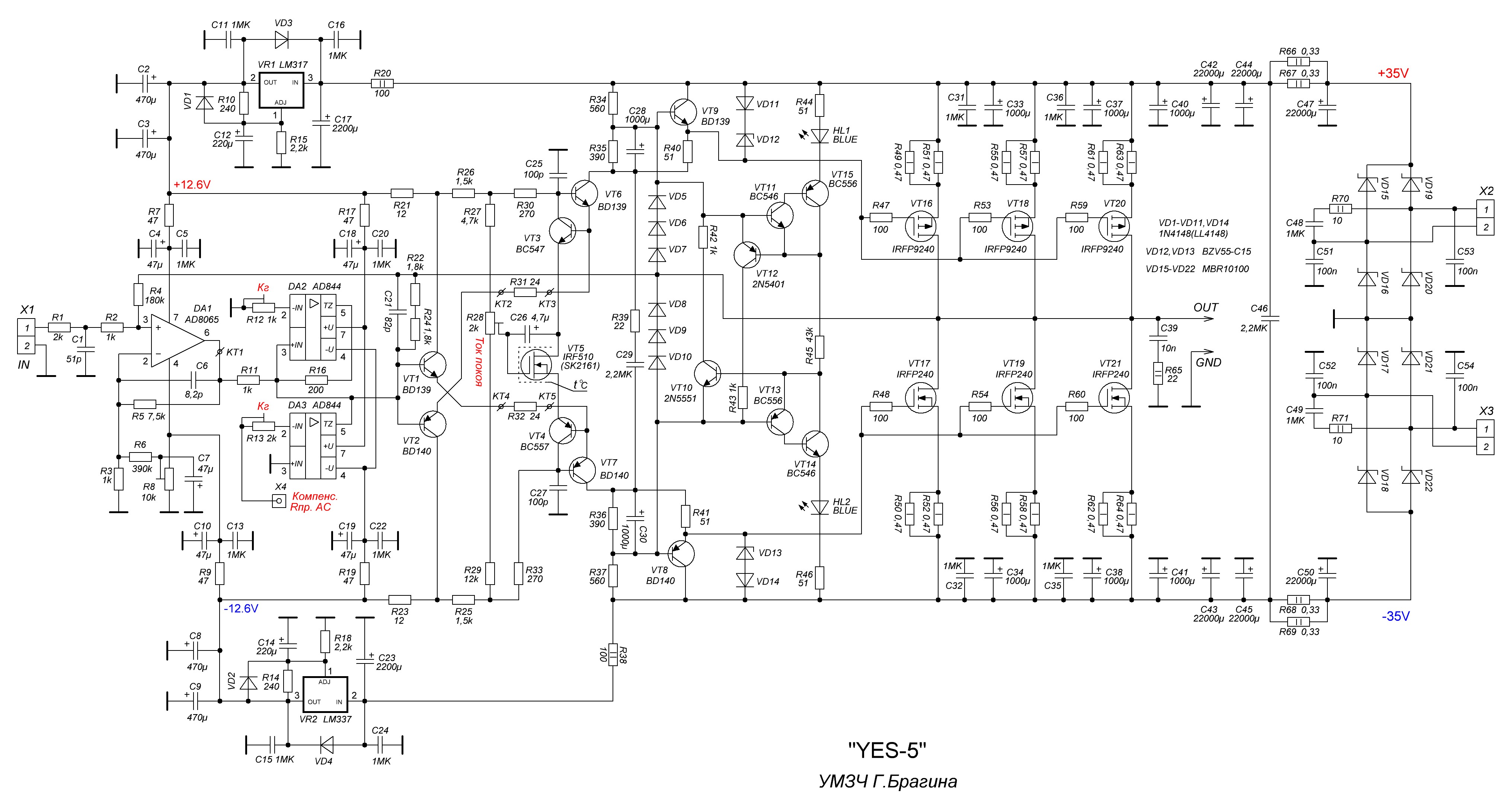
    За основу был взят хорошо себя зарекомендовавший ВК от YES-4M-SAB . К нему добавлен входной ОУ и
    корректор нелинейных искажений ( НИ ) на AD844 .

    Базовая схема YES-4M-SAB :

    Нажмите на изображение для увеличения. 

Название:	YES-4-M-SAB-3 схема1.JPG 
Просмотров:	12746 
Размер:	809.2 Кб 
ID:	331989 и вот он " YES - 5 " : Нажмите на изображение для увеличения. 

Название:	Схема YES-5.jpg 
Просмотров:	14727 
Размер:	86.1 Кб 
ID:	331990

    ВК - практически без изменений из базовой схемы . Не много изменена схема термостабилизации .
    Подробно о работе этого ВК и узла SAB смотрите в темах "YES-4M-SAB" и "YES-3M-SAB".
    ВК имеет Кус около 3.5 , который задается резисторами местной ОС R8 и R20 . Для получения
    нужного Кус всего усилителя добавлен входной ОУ со своей ООС и Кус = 8.5.

    Как видно , на схеме присутствует резистор R45 , а это уже Общая ООС . Во-первых , она не глубокая -
    всего около 3-х dB , а во-вторых , введена только с целью поддержания "0" на выходе усилителя ,
    с чем она хорошо справляется ( ноль на выходе держится на уровне +/- 5 mV ).
    В итоге Кус всего усилителя равен , как и всегда , 20 ( 26 dB ) .

    Думаю " изюминкой " YES - 5 можно считать применение корректора НИ на популярной МС AD844 .
    Она подключена в точку суммирования ( параллельно петле ОС ) ВК , где формируется напряжение
    ошибки усиления.
    Здесь необходимо снова вспомнить известного конструктора В.П.Матюшкина , который предложил
    для компенсации НИ единичную МПОС - Местная Положительная ОС . Напомню , действие МПОС
    направлено в том же направлении , что и ООС , усиливая влияние последней на параметры
    усилителя и доводя их до максимально возможных значений .
    И ещё , по В.П.Матюшкину - так же как и НИ , при МПОС подавляются пульсации напряжения питания ,
    компенсируется дрейф постоянной составляющей напряжения на выходе , а так же она снижает негативное
    влияние теплофизических процессов в элементах усилительного тракта и отклика громкоговорителя .

    В данном случае в качестве ячейки МПОС используется МС AD844 . Кус ( около единицы ) задается
    резистором R44 . Подстраивая этот резистор , удается снизить НИ на 40 dB ( 100 раз ) .

    В качестве полигона для испытаний использован старый макет YES-4M-SAB .
    Технические характеристики практически такие же как и у предидущих YES - ов и хорошо
    видны на "весёлых " картинках :

    Нажмите на изображение для увеличения. 

Название:	меандр 20кГц.jpg 
Просмотров:	6348 
Размер:	2.25 Мб 
ID:	331991 Нажмите на изображение для увеличения. 

Название:	клипп 20кГц.jpg 
Просмотров:	5604 
Размер:	2.39 Мб 
ID:	331992 меандр , клипп 20кГц Нажмите на изображение для увеличения. 

Название:	клипп 100кГц.jpg 
Просмотров:	6190 
Размер:	2.27 Мб 
ID:	331993 клипп 100кГц , 10V/дел

    Нажмите на изображение для увеличения. 

Название:	YES-5 - 1кГц.PNG 
Просмотров:	7426 
Размер:	85.5 Кб 
ID:	331994 Нажмите на изображение для увеличения. 

Название:	YES-5 - 10кГц.PNG 
Просмотров:	6587 
Размер:	66.4 Кб 
ID:	331995 Нажмите на изображение для увеличения. 

Название:	YES-5 - 10+11кГц.PNG 
Просмотров:	6888 
Размер:	69.8 Кб 
ID:	331996

    Малосигнальная полоса по уровню -3 dB около 1 мГц .
    Входное сопротивление около 13 кОм .

    Попробовал на выход ВК поставить три пары БТ на том же макете :

    Нажмите на изображение для увеличения. 

Название:	Схема YES-5-БТ.jpg 
Просмотров:	9682 
Размер:	86.9 Кб 
ID:	331997 для БТ - финал : Нажмите на изображение для увеличения. 

Название:	Сх-5.png 
Просмотров:	10470 
Размер:	59.2 Кб 
ID:	333233

    " Весёлые " картинки для этого варианта YES-5-БТ практически те же.
    При Rн = 2 Ома - Кг и спектр почти без изменений .

    Далее предстоит работа со стабилизированным БП .


    Кому интересно.
    Вот хорошая переводная статья о AD844 и её применении - Р-Хобби № 5 2009г ст. 19-23 .



    Геннадий Брагин .
    Последний раз редактировалось Геннадий3; 03.12.2018 в 21:44.

  2. #281
    Частый гость
    Регистрация
    22.03.2012
    Адрес
    Москва
    Возраст
    38
    Сообщений
    151

    По умолчанию Re: YES - 5

    Я просто не понимаю вам что паравоз качать ? 100ватт 4ом три пары не почуят!! Больше ставить значит грузить пред,тоже не есть хорошо.

    ---------- Сообщение добавлено 00:02 ---------- Предыдущее сообщение было 00:00 ----------

    Если киловатты нужны это уже другой унч

  3. #282
    Иногдауменявыгибаютсяруки Аватар для Merstan
    Регистрация
    24.05.2008
    Адрес
    Бердянск
    Возраст
    45
    Сообщений
    13,952

    По умолчанию Re: YES - 5

    Цитата Сообщение от Валентин87 Посмотреть сообщение
    Я просто не понимаю
    прослушивание решает, говорят, так лучше, если им не показалось, а уж остальные верят\не верят
    По другому никак.

  4. #283
    Частый гость
    Регистрация
    22.03.2012
    Адрес
    Москва
    Возраст
    38
    Сообщений
    151

    По умолчанию Re: YES - 5

    ))) про эффект плацебо слыхали ? ))

  5. #284
    Старый знакомый Аватар для AndOleg
    Регистрация
    25.07.2013
    Адрес
    Зеленоград
    Сообщений
    592

    По умолчанию Re: YES - 5

    Цитата Сообщение от LepekhinV Посмотреть сообщение

    С 1 января начну работу над платой.
    Владимир, а можно сразу просьбу? Предусмотреть выводы снятия напряжения с резисторов фильтра питания для организации защиты по току акустики. Плиз. )))

  6. #285
    Завсегдатай
    Автор темы
    Аватар для Геннадий3
    Регистрация
    04.11.2009
    Адрес
    г.Чапаевск , Самарской обл. , Россия
    Возраст
    76
    Сообщений
    2,475

    По умолчанию Re: YES - 5

    Цитата Сообщение от LepekhinV Посмотреть сообщение
    Плюрализм - это очень хорошо!
    Не против плюрализма .

    Цитата Сообщение от s.rais Посмотреть сообщение
    Тут наверное только сам автор сможет ответить.
    Просто хочу понять, какой из них лучше собрать.
    YES-5 слушал только макет в лаборатории . Этот усилитель во многом экспериментальный .
    "Приговор" обьявят позже форумчане собравшие и послушавшие его в хороших системах .

  7. #286
    Частый гость
    Регистрация
    22.03.2012
    Адрес
    Москва
    Возраст
    38
    Сообщений
    151

    По умолчанию Re: YES - 5

    Схема оч хороша. Правда до сих пор до конца не понимаю как ad844 работает . Но в симуляторе все супер)

    ---------- Сообщение добавлено 01:29 ---------- Предыдущее сообщение было 01:24 ----------

    Полевые Bsp129 на что можно заменить если не смд

    ---------- Сообщение добавлено 01:30 ---------- Предыдущее сообщение было 01:29 ----------

    ?

    ---------- Сообщение добавлено 01:31 ---------- Предыдущее сообщение было 01:30 ----------

    Геннадий
    Последний раз редактировалось Валентин87; 20.12.2018 в 23:41.

  8. #287
    Завсегдатай Аватар для BlackRoger
    Регистрация
    16.05.2011
    Адрес
    Россия
    Возраст
    44
    Сообщений
    1,100

    По умолчанию Re: YES - 5

    Цитата Сообщение от Валентин87 Посмотреть сообщение
    Я просто не понимаю вам что паравоз качать ? 100ватт 4ом три пары не почуят!! Больше ставить значит грузить пред,тоже не есть хорошо.
    Давайте тогда на 3-х парах и остановимся. Можно взять за основу YES-4-SAB, переделать входной каскад и все.

  9. #288
    Завсегдатай
    Автор темы
    Аватар для Геннадий3
    Регистрация
    04.11.2009
    Адрес
    г.Чапаевск , Самарской обл. , Россия
    Возраст
    76
    Сообщений
    2,475

    По умолчанию Re: YES - 5

    Цитата Сообщение от BlackRoger Посмотреть сообщение
    Можно взять за основу YES-4-SAB,
    Именно так и нужно делать .

  10. #289
    Завсегдатай Аватар для LepekhinV
    Регистрация
    20.02.2007
    Адрес
    г.Рязань
    Возраст
    66
    Сообщений
    4,444

    По умолчанию Re: YES - 5

    Цитата Сообщение от AndOleg Посмотреть сообщение
    Предусмотреть выводы снятия напряжения с резисторов фильтра питания для организации защиты по току акустики.
    Сделаю. Думаю, что можно попробовать контрольные точки для настройки усилителя вывести на верхний слой платы. (Если Геннадий подскажет какие именно точки нужны для контроля) Я так на платах Poweramp Олега Юрьича делал.

  11. #290
    Завсегдатай
    Автор темы
    Аватар для Геннадий3
    Регистрация
    04.11.2009
    Адрес
    г.Чапаевск , Самарской обл. , Россия
    Возраст
    76
    Сообщений
    2,475

    По умолчанию Re: YES - 5

    Сделаем.

  12. #291
    Частый гость Аватар для 3gs505
    Регистрация
    22.03.2015
    Адрес
    Ростов-на-Дону
    Сообщений
    225

    По умолчанию Re: YES - 5

    Интересно было бы собрать этот усилитель, с таким решением коррекции, но на биполярных транзисторах, и хорошо если бы был дополнительный вариант печатки без выпрямителя, что бы отдельно подключить блок питания.

  13. #292
    Завсегдатай Аватар для LepekhinV
    Регистрация
    20.02.2007
    Адрес
    г.Рязань
    Возраст
    66
    Сообщений
    4,444

    По умолчанию Re: YES - 5

    Текущая схема. За исключением фильтра питания ВК. Там могут быть изменения как по количеству, так и по номиналам элементов.
    Миниатюры Миниатюры Нажмите на изображение для увеличения. 

Название:	YES-5.3.JPG 
Просмотров:	830 
Размер:	856.0 Кб 
ID:	334884  

  14. #293
    Завсегдатай Аватар для BlackRoger
    Регистрация
    16.05.2011
    Адрес
    Россия
    Возраст
    44
    Сообщений
    1,100

    По умолчанию Re: YES - 5

    Геннадий, может уже перейдем на напряжение 40-50В? То есть схему уже сразу под него сделаем. Почему в течении многих лет идет строгая привязка к 35В? Для такого усилителя маловато, лучше сразу делать на 80% от максимально возможного. Нормальная мощность усилителя 100-150Вт/8ом.

  15. #294
    Завсегдатай
    Автор темы
    Аватар для Геннадий3
    Регистрация
    04.11.2009
    Адрес
    г.Чапаевск , Самарской обл. , Россия
    Возраст
    76
    Сообщений
    2,475

    По умолчанию Re: YES - 5

    Цитата Сообщение от BlackRoger Посмотреть сообщение
    может уже перейдем на напряжение 40-50В?
    Такой вариант на макете не проверял . Надо свой лаб БП переделать . Особых препятствий для повышения
    напряжения питания нет . Делаем питание +/- 45V . При этом Кус ВК надо увеличить до 4-4.4 ( R22,R24 по 2-2.2 кОм ) и несколько увеличить номинал резисторов R20,R38,R45 . Мощность на 8 Омах будет не менее 100W.

    Но , думаю , не всем это надо .

  16. #295
    Завсегдатай Аватар для BlackRoger
    Регистрация
    16.05.2011
    Адрес
    Россия
    Возраст
    44
    Сообщений
    1,100

    По умолчанию Re: YES - 5

    Цитата Сообщение от Геннадий3 Посмотреть сообщение
    Но , думаю , не всем это надо .
    Так а смысл строить автомобиль могущий ехать 500км\ч и ограничивать скорость до 300км\ч? Уж пусть на спидометре будет максимум, а с какой скоростью ехать каждый решит сам. Образно говоря

  17. #296
    Завсегдатай Аватар для LepekhinV
    Регистрация
    20.02.2007
    Адрес
    г.Рязань
    Возраст
    66
    Сообщений
    4,444

    По умолчанию Re: YES - 5

    Поддержу предыдущего оратора.

  18. #297
    Старый знакомый Аватар для DJBI
    Регистрация
    16.02.2011
    Адрес
    Москва
    Возраст
    73
    Сообщений
    670

    По умолчанию Re: YES - 5

    Питание +/- 45V является самым компромиссным решением.
    Человек, бывает счастлив по-настоящему, только тогда, когда он занимается творчеством!

  19. #298
    Завсегдатай Аватар для BlackRoger
    Регистрация
    16.05.2011
    Адрес
    Россия
    Возраст
    44
    Сообщений
    1,100

    По умолчанию Re: YES - 5

    Цитата Сообщение от Геннадий3 Посмотреть сообщение
    Но , думаю , не всем это надо .
    Так а смысл строить автомобиль могущий ехать 500км\ч и ограничивать скорость до 300км\ч? Уж пусть на спидометре будет максимум, а с какой скоростью ехать каждый решит сам. Образно говоря

  20. #299
    Завсегдатай
    Автор темы
    Аватар для Геннадий3
    Регистрация
    04.11.2009
    Адрес
    г.Чапаевск , Самарской обл. , Россия
    Возраст
    76
    Сообщений
    2,475

    По умолчанию Re: YES - 5

    Цитата Сообщение от DJBI Посмотреть сообщение
    Питание +/- 45V является самым компромиссным решением.
    Посмотрю что как на макете , а затем поправим в схеме некоторые номиналы .

  21. #300
    Старый знакомый Аватар для Злой
    Регистрация
    30.10.2009
    Сообщений
    411

    По умолчанию Re: YES - 5

    Цитата Сообщение от BlackRoger Посмотреть сообщение
    Так а смысл строить автомобиль могущий ехать 500км\ч и ограничивать скорость до 300км\ч?
    Формула 1, но за счет потери этих 200 км, получаешь возможность проходить повороты вдвое быстрее. Ограничивая в чем то можно получить другие бонусы, например больше выбор транзисторов, конденсаторов и т.д.

Страница 15 из 81 Первая ... 5131415161725 ... Последняя

Социальные закладки

Социальные закладки

Ваши права

  • Вы не можете создавать новые темы
  • Вы не можете отвечать в темах
  • Вы не можете прикреплять вложения
  • Вы не можете редактировать свои сообщения
  •