Страница 14 из 98 Первая ... 4121314151624 ... Последняя
Показано с 261 по 280 из 1945

Тема: 500-700W Сетевой импульсник

  1. #1 Показать/скрыть первое сообщение.
    Частый гость
    Автор темы

    Регистрация
    01.03.2006
    Адрес
    Литва, Вильнюс
    Возраст
    41
    Сообщений
    175

    По умолчанию 500-700W Сетевой импульсник

    Давно почитываю сей форум, и вот надумал слепить собственный импульсник для усилов. Это полумостовая стабилизированная схема на LM5030 и IR2110, есть ограничения по току, мягкий запуск. Надо еще допроектировать обратную связь и посчитать трансформатор.
    Жду общих коментариев по топологии.
    Миниатюры Миниатюры Нажмите на изображение для увеличения. 

Название:	offline_psu_big2.GIF 
Просмотров:	31549 
Размер:	33.0 Кб 
ID:	15589  

  2. #261
    Новичок
    Регистрация
    23.10.2007
    Сообщений
    10

    По умолчанию Re: 500-700W Сетевой импульсник

    исправлен
    Миниатюры Миниатюры Нажмите на изображение для увеличения. 

Название:	1111111111111111.jpg 
Просмотров:	1762 
Размер:	128.0 Кб 
ID:	30429  

  3. #262
    Частый гость Аватар для Против TDA
    Регистрация
    23.02.2006
    Адрес
    Москва
    Возраст
    35
    Сообщений
    475

    По умолчанию Re: 500-700W Сетевой импульсник

    Народ, я тут думаю на счёт драйвера, запускал ИР2110, спалил нах, теперь к ней недоверие ввиду стоимости в 60 рублей...Транс драйверный намного хуже??
    Просто Саня ;)

  4. #263
    Завсегдатай Аватар для dekko
    Регистрация
    05.04.2006
    Сообщений
    6,002

    По умолчанию Re: 500-700W Сетевой импульсник

    Цитата Сообщение от AngelX Посмотреть сообщение
    исправлен
    это теория или практически работающая версия?

  5. #264
    Старый знакомый
    Регистрация
    22.02.2007
    Адрес
    Россия, ЛНР
    Возраст
    50
    Сообщений
    614

    По умолчанию Re: 500-700W Сетевой импульсник

    Цитата Сообщение от Против TDA Посмотреть сообщение
    Народ, я тут думаю на счёт драйвера, запускал ИР2110, спалил нах, теперь к ней недоверие ввиду стоимости в 60 рублей...Транс драйверный намного хуже??
    Прости за сравнение, но как говорят в народе: с дуру можно и х..... сломать.

    Раз спалил, значит накосячил.

  6. #265
    Новичок
    Регистрация
    23.10.2007
    Сообщений
    10

    По умолчанию Re: 500-700W Сетевой импульсник

    dekko, 50/50 пока запустил только шим. остальное когда печатку переделаю

  7. #266
    Частый гость Аватар для Против TDA
    Регистрация
    23.02.2006
    Адрес
    Москва
    Возраст
    35
    Сообщений
    475

    По умолчанию Re: 500-700W Сетевой импульсник

    Цитата Сообщение от mitya_stb Посмотреть сообщение
    Прости за сравнение, но как говорят в народе: с дуру можно и х..... сломать.

    Раз спалил, значит накосячил.
    Так я про что написАл??Выкинуть 60 рублей для меня равносильно поломке х...я, как Вы сказали, знаю, что накосячил ,но вопрос-то в другом!Транс драйверный совсем говно или пойдёт?
    Просто Саня ;)

  8. #267
    Старый знакомый Аватар для strannicmd
    Регистрация
    28.04.2006
    Адрес
    Modena (I)
    Возраст
    62
    Сообщений
    903

    По умолчанию Re: 500-700W Сетевой импульсник

    Цитата Сообщение от Против TDA Посмотреть сообщение
    Транс драйверный совсем говно или пойдёт?
    http://valvol.flyboard.ru/topic30.html

  9. #268
    Регистрация не подтверждена
    Регистрация
    22.11.2005
    Адрес
    Москва
    Возраст
    45
    Сообщений
    185

    По умолчанию Re: 500-700W Сетевой импульсник

    Прежде чем нелестно отзываться о драйверах IR советую изучить книгу "Applications handbook power semiconductor devices IR" Перевод с англ. Токарева

  10. #269
    Завсегдатай
    Регистрация
    27.01.2007
    Адрес
    White city
    Возраст
    40
    Сообщений
    1,406

    По умолчанию Re: 500-700W Сетевой импульсник

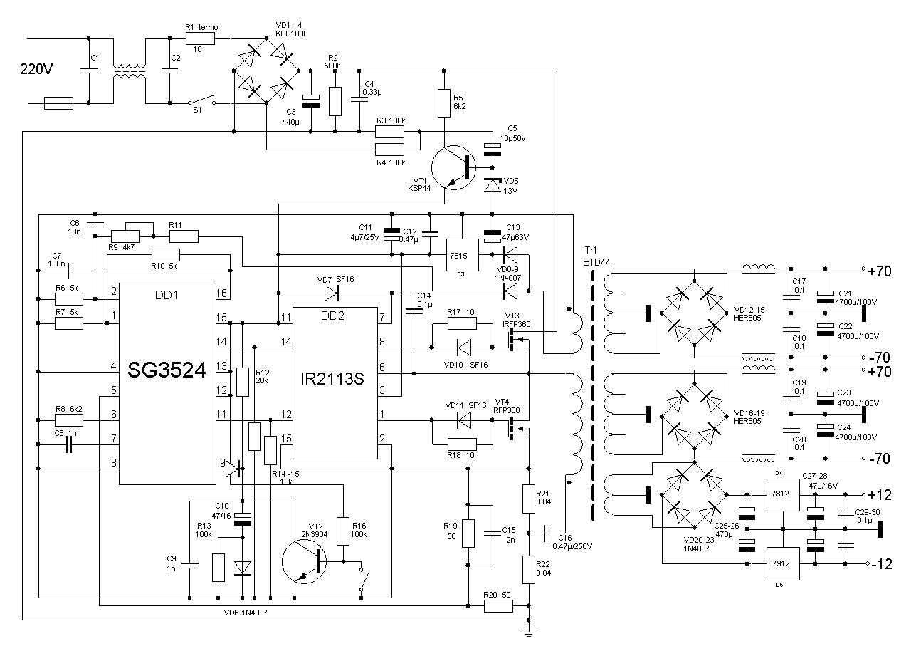
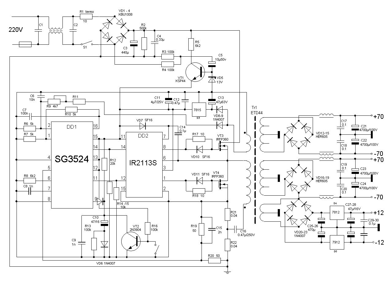
    Схема в посте 261. Был бы очень очень рад услышать ответы на след вопросы. Достаточно ли при такой мощности 440 мкФ по входу? 500 кОм для разрядки не маловато? Схема софт старта очень простая, надежно будет работать? Какое количество витков во вторичных обмотках? Где то по 8 витков на усилитель и 2 витка на генератор? Диоды по выходу HER605, которые на 6 А, не слабоваты будут? Зачем нужен диод на 9-й ноге DD1? Слышал, что в ИИП на выходе вместо одного конденсатора большой ёмкости (4700 мкФ) лучше ставить несколько штук меньшей (например 4 х 1000 мкФ) и обязательно шунтировать пленкой. Сколько ставить пленочных? Катушки на выходе мотать на одном сердечнике?

  11. #270
    Регистрация не подтверждена Аватар для witali
    Регистрация
    21.02.2005
    Адрес
    Владимир
    Возраст
    49
    Сообщений
    880

    По умолчанию Re: 500-700W Сетевой импульсник

    Цитата Сообщение от Yury Посмотреть сообщение
    Слышал, что в ИИП на выходе вместо одного конденсатора большой ёмкости (4700 мкФ) лучше ставить несколько штук меньшей (например 4 х 1000 мкФ) и обязательно шунтировать пленкой. Сколько ставить пленочных?
    Пленка тут лишнее, лучше СМД керамику

  12. #271
    Частый гость
    Автор темы

    Регистрация
    01.03.2006
    Адрес
    Литва, Вильнюс
    Возраст
    41
    Сообщений
    175

    По умолчанию Re: 500-700W Сетевой импульсник

    А еще лучше нормальные низкоимпедансные электролиты.
    Ну и если есть стабилизация то учитывать что еще и керамика на выходе висит.

  13. #272
    Завсегдатай
    Регистрация
    27.01.2007
    Адрес
    White city
    Возраст
    40
    Сообщений
    1,406

    По умолчанию Re: 500-700W Сетевой импульсник

    Что то веточка подзаглохла.
    Вот очень черновой вариант печатки на 1 кВт.
    Миниатюры Миниатюры Нажмите на изображение для увеличения. 

Название:	1111111111111111.jpg 
Просмотров:	922 
Размер:	128.0 Кб 
ID:	33052  
    Вложения Вложения
    • Тип файла: rar 1000 W.rar (43.1 Кб, Просмотров: 604)

  14. #273
    Limatov
    Гость

    По умолчанию Re: 500-700W Сетевой импульсник

    Цитата Сообщение от Yury Посмотреть сообщение
    Что то веточка подзаглохла.
    Вот очень черновой вариант печатки на 1 кВт.
    Черновой - т.е. не проставлены некоторые элементы на плате? Или в плане разводки?!

  15. #274
    Старый знакомый
    Регистрация
    01.10.2006
    Адрес
    Беларусь г.Солигорск
    Возраст
    44
    Сообщений
    927

    По умолчанию Re: 500-700W Сетевой импульсник

    Здравствуйте. Я понимаю что своими схемами мало кто хочет делиться,но все же рискну спросить. Хочется сделать блок например TL494+IR2110 ватт до 300-350. С игрушками типа IR2153 уже нагулялся,хватит. Теперь хочу сделать что-то с ОС на оптроне для стабилизации выходного напряжения. Может такая готовая отлаженная схема уже где существует? Очень спасибо если подскажете схемку или ссылочку.

  16. #275
    Частый гость
    Регистрация
    28.12.2007
    Адрес
    Тольятти
    Сообщений
    106

    По умолчанию Re: 500-700W Сетевой импульсник

    Цитата Сообщение от Sheeck Посмотреть сообщение
    Хочется сделать блок например TL494+IR2110 ватт до 300-350. С игрушками типа IR2153 уже нагулялся,хватит. Теперь хочу сделать что-то с ОС на оптроне для стабилизации выходного напряжения.
    С IR21.. тоже пожёг кучу транзисторов. Самый надёжный способ управления
    транзисторами- это трансформаторный. Делал несколько БП для разных целей мощностью от 1до 3КВТ.
    Если питать TL494 от отдельного источника, то можно обойтись без оптронов и гальванической развязки см. схему.
    Данная схема для управления 4 транзисторов включенных по мостовой схеме. её можно применять и для полумостовой.
    Миниатюры Миниатюры Нажмите на изображение для увеличения. 

Название:	11.JPG 
Просмотров:	825 
Размер:	28.2 Кб 
ID:	33105  

  17. #276
    Старый знакомый
    Регистрация
    01.10.2006
    Адрес
    Беларусь г.Солигорск
    Возраст
    44
    Сообщений
    927

    По умолчанию Re: 500-700W Сетевой импульсник

    А трансф. управления подойдут от АТ\АТХ БП?

  18. #277
    СамоПисец Аватар для kaskod
    Регистрация
    15.12.2004
    Адрес
    VILNUS
    Возраст
    57
    Сообщений
    2,170

    По умолчанию Re: 500-700W Сетевой импульсник

    Цитата Сообщение от Николаич Посмотреть сообщение
    Самый надёжный способ управления
    транзисторами- это трансформаторный.
    Я неодинок

  19. #278
    Частый гость
    Регистрация
    28.12.2007
    Адрес
    Тольятти
    Сообщений
    106

    По умолчанию Re: 500-700W Сетевой импульсник

    Цитата Сообщение от Sheeck Посмотреть сообщение
    А трансф. управления подойдут от АТ\АТХ БП?
    впринципе подойдет, но индуктивность у него мала и подключать его непосредственно к 494 нужно через транзисторный буфер., хотя можно попробовать, если контролировать температуру 494, если не будет греться.

  20. #279
    Величайший инквизитор Аватар для WP
    Регистрация
    26.05.2004
    Адрес
    г. Бердск
    Возраст
    63
    Сообщений
    2,527

    По умолчанию Re: 500-700W Сетевой импульсник

    Цитата Сообщение от Николаич Посмотреть сообщение
    С IR21.. тоже пожёг кучу транзисторов. Самый надёжный способ управления
    транзисторами- это трансформаторный.
    Не совсем так. Использование затворных драйверов обеспечивает ни чуть не хуже надежность по сравнению с трансформатором. Но затворные драйверы более критичны к монтажу. Неправильная топология - прямой путь к пиротехническим эффектам.

  21. #280
    Частый гость
    Регистрация
    28.12.2007
    Адрес
    Тольятти
    Сообщений
    106

    По умолчанию Re: 500-700W Сетевой импульсник

    Если полевой транзистор достаточно мощный, соответственно ёмкость затвора тоже не маленькая, в трансформаторном управлении есть некоторые преимущества, молое сопротивление, и хорошее, надёжное закрытие транзистора

Страница 14 из 98 Первая ... 4121314151624 ... Последняя

Социальные закладки

Социальные закладки

Ваши права

  • Вы не можете создавать новые темы
  • Вы не можете отвечать в темах
  • Вы не можете прикреплять вложения
  • Вы не можете редактировать свои сообщения
  •