Страница 14 из 21 Первая ... 41213141516 ... Последняя
Показано с 261 по 280 из 410

Тема: Продолжим ... Микроконтроллер в УМЗЧ

  1. #1 Показать/скрыть первое сообщение.
    Завсегдатай
    Автор темы
    Аватар для Евгений Верис
    Регистрация
    27.05.2004
    Адрес
    Мск
    Сообщений
    1,412

    По умолчанию Продолжим ... Микроконтроллер в УМЗЧ

    в продолжение ране поднимаемой мной темы,
    наконец-то потихоньку начал колупать проц
    планирую:

    1. Поддержка ДУ, СОни или самсунг (провозившись месяц без описания с глюком симулятора я его замучил - теперь работает четко)
    2. Программирование любой клавиши на любую команду
    3. Измерение мощности/уровня сигнала
    4. Регулировка громкости - 2 канала
    5. Установка порога срабатывания защиты по мощности
    6. Таймер на вкл/выкл
    7. 16 команд на 4 лапах через дешифратор/ либо 4 лапы поочередно. (пнапример на коммутатор входа)
    8. Естественно индикация всего этого

    что еще можно? Ваши мысли
    например, в меню настройку - типа ограничить макс мощность на уровне 50Вт - чтоб если более - чип сам громкость чуть снижал итд ...

    вопрос такой,
    регулятор громкоси как не очень сложно и более менее качественно реализовать?
    микрухи типа АД5222 не подходят из-за низкого питания.

    зы. не спрашивайте зачем мне это. просто хочу сделать. все по кускам работает - осталось все нарисовать в одну кучу и попробовать.

    чип - АТМЕГА128 - ибо ест ьнахаляву в лице Белого
    с моими атмега169 фигня произошла, в доке очень серьезная ошибка есть - может атмел поправит - написали им в сапорт.

  2. #261

    По умолчанию Re: Продолжим ... Микроконтроллер в УМЗЧ

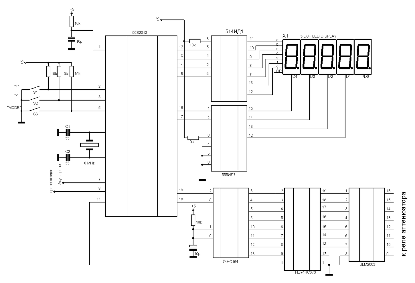
    Вот схема регулятора громкости на AVR с селектором входов. ДУ нет, но при необходимости реализуется легко, один вход зарезервирован. Выдает семибитный двоичный код, возможно переключение двух входов (просто больше не нужно было). Начальные уставки запоминаются в EEPROM.
    Миниатюры Миниатюры Нажмите на изображение для увеличения. 

Название:	2313.gif 
Просмотров:	740 
Размер:	97.8 Кб 
ID:	6304  

  3. #262
    Старый знакомый
    Регистрация
    20.11.2003
    Адрес
    Йошкар-Ола
    Сообщений
    574

    По умолчанию Re: Продолжим ... Микроконтроллер в УМЗЧ

    Ну дак схема не проблема. Их можно десятками малевать, да и есть уже здесь схема. И в общем-то не одна...

  4. #263

    Улыбка Re: Продолжим ... Микроконтроллер в УМЗЧ

    Так к этой этой имеется прошивка, да и проще схемы не придумать.

  5. #264
    Старый знакомый
    Регистрация
    20.11.2003
    Адрес
    Йошкар-Ола
    Сообщений
    574

    По умолчанию Re: Продолжим ... Микроконтроллер в УМЗЧ

    Цитата Сообщение от Woland_666
    Так к этой этой имеется прошивка, да и проще схемы не придумать.
    За исключением наличия пульта.
    Если пульт не нужен у меня есть схема попроще: обычный регулятор громкости на переменном резисторе (он правда дискретный от Амфитона)
    Куча достоинств и минимум затрат. И индикация там автоматическая и индицирует когда выключен, и еще запоминает громкость последнюю и можно изменять уровень привыключенном усилителе ииии......
    Селектор там тоже с преимуществами, кстати

  6. #265
    Новичок Аватар для vova
    Регистрация
    09.07.2004
    Адрес
    г.Березники Пермской обл.
    Сообщений
    30

    По умолчанию Re: Продолжим ... Микроконтроллер в УМЗЧ

    Цитата Сообщение от Konstantin
    И индикация там автоматическая и индицирует когда выключен, и еще запоминает громкость последнюю и можно изменять уровень привыключенном усилителе ииии...... Селектор там тоже с преимуществами, кстати
    Даже сказать нечего

  7. #266
    Завсегдатый Аватар для Mosfet
    Регистрация
    25.08.2005
    Адрес
    г. Красногорск, М.О.
    Возраст
    61
    Сообщений
    2,243

    По умолчанию Re: Продолжим ... Микроконтроллер в УМЗЧ

    Цитата Сообщение от Konstantin
    Если пульт не нужен у меня есть схема попроще: обычный регулятор громкости на переменном резисторе (он правда дискретный от Амфитона)
    Привет.
    И что, он хороший? Тут в Блэк Бьюти не уверен до конца, а ты - Амфитон... А более дешёвые чем ББ алпсы - вообще хлам. Кто-то говорил тут про 0,01% точность у ALPS , это откуда такие данные? Совершенно обычные потенциометры. Также скрипят, как и другие, да и разбаланс по каналам встречается нехилый, особенно в начале шкалы. Вообще, хороший регулятор это роскошь. Нету их. Есть надежда на реле и резисторы, но слабая. Какие резисторы применять? Какую схему? L-регулятор? С реле понятней: омрон, такамисава. Но живых я их пока не видел. Управлялка вещь хорошая, без сомнений, но сама железка почему ни у кого вопросов не вызывает? Кто говорит, что на смд надо строить, кто - на рикен ом. Изначально для чего всё это замутили, улучшить звук или сервис? Если сервис, то нех и заморачиваться - алпс с мотором и точка, если же звук, то кроме программулек надо и о конструктиве подумать. Может кто подумал уже и я зря тут выступаю ?
    С уважением, Сергей.

  8. #267
    Старый знакомый
    Регистрация
    20.11.2003
    Адрес
    Йошкар-Ола
    Сообщений
    574

    По умолчанию Re: Продолжим ... Микроконтроллер в УМЗЧ

    Речь идет о том что и там и тут надо ходить к усилителю.
    Есть такой внекдот про Ивана Царевича Василису и Бабу Ягу.
    Смысл в том, что не надо себе заморачивать голову ради того что на кнопочки нажимая интереснее громкость регулировать, чем вертя ручку резистора.

  9. #268
    Частый гость Аватар для Finder
    Регистрация
    27.04.2005
    Адрес
    Санкт-Петербург
    Возраст
    60
    Сообщений
    287

    По умолчанию Re: Продолжим ... Микроконтроллер в УМЗЧ


    Offтопик:
    Цитата Сообщение от Konstantin
    Если пульт не нужен у меня есть схема попроще: обычный регулятор громкости на переменном резисторе (он правда дискретный от Амфитона)
    А в качестве пульта использовать, например, жену. С голосовым управлением и с интеллектом получится.


    А если серьёзно, то вертя ручку, громкость регулировать IMHO приятнее, а это вполне можно совместить с Д.У.

    На пост 263. А где она, кстати?

    P.S. У меня сейчас собрана вполне рабочая схема на Altera. C валкодером и ручкой. Дистанцию пришлось только на AVR приделать, увы.

  10. #269
    Завсегдатый Аватар для Mosfet
    Регистрация
    25.08.2005
    Адрес
    г. Красногорск, М.О.
    Возраст
    61
    Сообщений
    2,243

    По умолчанию Re: Продолжим ... Микроконтроллер в УМЗЧ

    Цитата Сообщение от Konstantin
    Есть такой внекдот про Ивана Царевича Василису и Бабу Ягу.
    Смысл в том, что не надо себе заморачивать голову ради того что на кнопочки нажимая интереснее громкость регулировать, чем вертя ручку резистора.
    Теперь понятно, а то чтой-то смысл от меня ускользнул сначала .

    Есть и другой анекдот:
    "- Доктор, у меня жена глухая, кажется. Я её спрашиваю, а она не отвечает! Можно её как-нибудь проверить?
    - Конечно! Сначала спросите у неё негромко из дальней комнаты "Что у нас на обед?", затем из средней комнаты и погромче. Если не услышит, крикните ей это на ухо и всё станет ясно.
    - Спасибо доктор!
    Дома.
    - Дорогая, что у нас на обед? Дорогая, что у нас на обед?! Дорогая, что у нас на обед?!!!
    - Дорогой, я тебе третий раз повторяю: грибной суп!"

    Тогда уж и я до тебя попробую смысл донести : выкинь свой амфитон вместе со всей его памятью, индикацией и прочей хе.ью. А если серьёзно, то сервис - ерунда и баловство, конечно. Но с кнопочками больше шансов получить требуемое качество регулирования, чем с ручкой резистора, правда, реализация оказывается значительно труднее, хотя и не сильно дороже . Может выскажешься по существу? Я знаю, что кроме Алексея Никитина такой регулятор (и не один) строил Дмитрий Андронников. Может он тоже скажет пару слов в общую кассу? Lynx, ау!
    С уважением, Сергей.

  11. #270
    Happy little boozer Аватар для Viking
    Регистрация
    11.10.2004
    Адрес
    Украина, г.Хмельницкий
    Возраст
    46
    Сообщений
    1,079

    По умолчанию Re: Продолжим ... Микроконтроллер в УМЗЧ

    Цитата Сообщение от Mosfet
    Я знаю, что кроме Алексея Никитина такой регулятор (и не один) строил Дмитрий Андронников. Может он тоже скажет пару слов в общую кассу? Lynx, ау!
    И не только он строил такой регулятор...
    Интересу ради можешь почитать вот это http://viking.iatp.org.ua/index.php?...d=19&Itemid=27

    [ADDED=Viking]1134369439[/ADDED]
    И фотографии можно посмотреть... http://viking.iatp.org.ua/index.php?...tegory&catid=2
    Кодовое название Firebird 2
    Последний раз редактировалось Viking; 12.12.2005 в 09:37.

  12. #271
    Старый знакомый
    Регистрация
    20.11.2003
    Адрес
    Йошкар-Ола
    Сообщений
    574

    По умолчанию Re: Продолжим ... Микроконтроллер в УМЗЧ

    тема для того и открыта...
    Схему нарисовали и дальше дело не пошло.
    А чем тебе Амфитон не нравится? Обычный дискретный резистор.
    По существу: надо написать программу к схеме в данной ветке.

    Кстати чем дороже покрытие контактов в переключателе тем лучше он звучит. можешь проверить на слух.

  13. #272
    Завсегдатый Аватар для Mosfet
    Регистрация
    25.08.2005
    Адрес
    г. Красногорск, М.О.
    Возраст
    61
    Сообщений
    2,243

    По умолчанию Re: Продолжим ... Микроконтроллер в УМЗЧ

    Цитата Сообщение от Viking
    Интересу ради можешь почитать...И фотографии можно посмотреть
    Спасибо, посмотрел. Почему-то долго открываются ссылки только. С равноимпедансным понятно. А что на счёт Л-регулятора? Сравнивал его кто-нибудь с обычным в одинаковых условиях?

    [ADDED=Mosfet]1134413679[/ADDED]
    Цитата Сообщение от Konstantin
    А чем тебе Амфитон не нравится? Обычный дискретный резистор.
    Когда он был оригинальным - нравился. Потом перестал.
    Цитата Сообщение от Konstantin
    Кстати чем дороже покрытие контактов в переключателе тем лучше он звучит
    Чем мех лучше... .
    Цитата Сообщение от Konstantin
    По существу: надо написать программу к схеме в данной ветке.
    На самом деле надо писать программу для шестиканального регулятора, в котором два канала будут исполнены в железе по максимуму, а остальные - на сколько останется денег, а если денег добавить, то с возможностью регулировки балансов вперёд/назад, влево/вправо.
    Последний раз редактировалось Mosfet; 12.12.2005 в 21:54.
    С уважением, Сергей.

  14. #273
    Старый знакомый
    Регистрация
    20.11.2003
    Адрес
    Йошкар-Ола
    Сообщений
    574

    По умолчанию Re: Продолжим ... Микроконтроллер в УМЗЧ

    Тема микроконтроллер в УМЗЧ ( не в 6 канальном!)
    В 6 канальном по барабану чего там ставить, всеравно кино смотреть.

    а на счет контактов можешь не сомневаться.
    И кто там был оригинальным. если регулятор громкости так он и остался оригинальным.( в смысле резистер тот-же)
    L должен быть похуже...

  15. #274
    Happy little boozer Аватар для Viking
    Регистрация
    11.10.2004
    Адрес
    Украина, г.Хмельницкий
    Возраст
    46
    Сообщений
    1,079

    По умолчанию Re: Продолжим ... Микроконтроллер в УМЗЧ

    Цитата Сообщение от Konstantin
    L должен быть похуже...
    Не согласен! Почему это он должен быть хуже???
    По крайней мере он лучше равноимпедансного. Но он более затратный. Например чтобы получить регулировку громкости на 32 уровня надо использовать 32 реле! Т.е. по одному реле на один уровень.

  16. #275
    Завсегдатый Аватар для Mosfet
    Регистрация
    25.08.2005
    Адрес
    г. Красногорск, М.О.
    Возраст
    61
    Сообщений
    2,243

    По умолчанию Re: Продолжим ... Микроконтроллер в УМЗЧ

    Цитата Сообщение от Konstantin
    В 6 канальном по барабану чего там ставить, всеравно кино смотреть.
    Видимо, ты не смотрел кино с хорошим звуком .
    Цитата Сообщение от Konstantin
    И кто там был оригинальным. если регулятор громкости так он и остался оригинальным.
    Если не ошибаюсь, он раньше был немецким. Потом вмешалась наша культура производства.
    Цитата Сообщение от Konstantin
    L должен быть похуже...
    На основаниии чего ты это утверждаешь, если не секрет?
    С уважением, Сергей.

  17. #276
    Happy little boozer Аватар для Viking
    Регистрация
    11.10.2004
    Адрес
    Украина, г.Хмельницкий
    Возраст
    46
    Сообщений
    1,079

    По умолчанию Re: Продолжим ... Микроконтроллер в УМЗЧ


  18. #277
    Старый знакомый
    Регистрация
    20.11.2003
    Адрес
    Йошкар-Ола
    Сообщений
    574

    По умолчанию Re: Продолжим ... Микроконтроллер в УМЗЧ

    Кино с хорошим звуком не смотрел, чего скрывать, устраивает что есть.С плохим сложно смотреть. Но если ты в киношном звуке резисторы различаешь!?

    Никитинский регулятор громкости это L аттенюатор?
    Так там вроде сильно сопротивления меняются и надо забуферизировать.
    А если просто симмитировать дискретный переменный резистор, то, конечно хуже Амфитона не будет, просто реле куча надо, но и резистор будет нормальный. Правда тут начали было говорить что обмотки реле наводят на контакты...

  19. #278
    Happy little boozer Аватар для Viking
    Регистрация
    11.10.2004
    Адрес
    Украина, г.Хмельницкий
    Возраст
    46
    Сообщений
    1,079

    По умолчанию Re: Продолжим ... Микроконтроллер в УМЗЧ

    Цитата Сообщение от Konstantin
    Никитинский регулятор громкости это L аттенюатор?
    Нет.
    Цитата Сообщение от Konstantin
    Так там вроде сильно сопротивления меняются и надо забуферизировать.
    Сопротивления там постоянные. Потому он и называется РАВНОИМПЕДАНСНЫЙ.

  20. #279
    Старый знакомый
    Регистрация
    20.11.2003
    Адрес
    Йошкар-Ола
    Сообщений
    574

    По умолчанию Re: Продолжим ... Микроконтроллер в УМЗЧ

    Просьба дать схемку равноимпедансного

  21. #280
    Happy little boozer Аватар для Viking
    Регистрация
    11.10.2004
    Адрес
    Украина, г.Хмельницкий
    Возраст
    46
    Сообщений
    1,079

    По умолчанию Re: Продолжим ... Микроконтроллер в УМЗЧ

    Цитата Сообщение от Konstantin
    Просьба дать схемку равноимпедансного
    Пост №270. Первая ссылка. Там статья.

Страница 14 из 21 Первая ... 41213141516 ... Последняя

Социальные закладки

Социальные закладки

Ваши права

  • Вы не можете создавать новые темы
  • Вы не можете отвечать в темах
  • Вы не можете прикреплять вложения
  • Вы не можете редактировать свои сообщения
  •