Страница 12 из 98 Первая ... 2101112131422 ... Последняя
Показано с 221 по 240 из 1945

Тема: 500-700W Сетевой импульсник

  1. #1 Показать/скрыть первое сообщение.
    Частый гость
    Автор темы

    Регистрация
    01.03.2006
    Адрес
    Литва, Вильнюс
    Возраст
    41
    Сообщений
    175

    По умолчанию 500-700W Сетевой импульсник

    Давно почитываю сей форум, и вот надумал слепить собственный импульсник для усилов. Это полумостовая стабилизированная схема на LM5030 и IR2110, есть ограничения по току, мягкий запуск. Надо еще допроектировать обратную связь и посчитать трансформатор.
    Жду общих коментариев по топологии.
    Миниатюры Миниатюры Нажмите на изображение для увеличения. 

Название:	offline_psu_big2.GIF 
Просмотров:	31549 
Размер:	33.0 Кб 
ID:	15589  

  2. #221
    Завсегдатай Аватар для Артём
    Регистрация
    26.07.2004
    Адрес
    Минск
    Возраст
    38
    Сообщений
    1,115

    По умолчанию Re: 500-700W Сетевой импульсник

    Цитата Сообщение от SacreD Посмотреть сообщение
    Если грамотно склеить кольца в тисках - возможно ли их число увеличить до 10?

    Offтопик:
    лучше писят

  3. #222
    Старый знакомый
    Регистрация
    02.11.2006
    Адрес
    Эстония, EU
    Возраст
    34
    Сообщений
    660

    По умолчанию Re: 500-700W Сетевой импульсник

    Артём, юмор юмором, а как на самом деле? Знаю, что склеивают и по 5 штук для мощных ибп - какие-нибудь там запары присуствуют при склейки? потом звенеть не будут? греться? Или лучше импорт помощнее взять?

  4. #223
    Завсегдатай Аватар для Артём
    Регистрация
    26.07.2004
    Адрес
    Минск
    Возраст
    38
    Сообщений
    1,115

    По умолчанию Re: 500-700W Сетевой импульсник

    Цитата Сообщение от SacreD Посмотреть сообщение
    Знаю, что склеивают и по 5 штук
    на форуме - паяльнег.
    Прикинь кол-во витков первички для одного кольца, расчитай кол-во витков вторички. Исходя из требуемой мощности (тока) посчитать площадь(диаметр, кол-во) провода. После чего посчитать, влезит ли весь этот провод в окно сердечника + запас. Если не влазит, посчитать для двух колец, кол-во витков уменьшится в два раза.

  5. #224
    Частый гость
    Автор темы

    Регистрация
    01.03.2006
    Адрес
    Литва, Вильнюс
    Возраст
    41
    Сообщений
    175

    По умолчанию Re: 500-700W Сетевой импульсник

    Ну например лично я вижу более мощный пуш-пулл только с токовым управлением.
    А пока сижу и осиливаю как правильно закрывать обратную связь вокруг источника.

  6. #225
    Старый знакомый
    Регистрация
    02.11.2006
    Адрес
    Эстония, EU
    Возраст
    34
    Сообщений
    660

    По умолчанию Re: 500-700W Сетевой импульсник

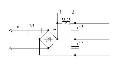
    а такой вопрос. Вместо токового транса последовательно первички силового трансформатора можно установить лимит тока на сетевой фильтр? То есть последовательно с конденсаторами сетевого фильтра поставить резистор сопротивлением 3 Ома для срабатывания защиты по потребляемой мощности (около 500Вт)? В таком случае на выходе будет стабилизироваться мощность, отдаваемая в нагрузку, так? Насколько безопасно такое решение для самой тл494? Одновременно резистор будет обеспечивать некий софт-старт для сетевого выпрямителя. Конечно, не на идеальном уровне, но ток поначалу будет явно меньше. Что-то вроде этого:
    Миниатюры Миниатюры Нажмите на изображение для увеличения. 

Название:	155.GIF 
Просмотров:	577 
Размер:	2.4 Кб 
ID:	26628  

  7. #226
    Частый гость
    Автор темы

    Регистрация
    01.03.2006
    Адрес
    Литва, Вильнюс
    Возраст
    41
    Сообщений
    175

    По умолчанию Re: 500-700W Сетевой импульсник

    Не все так просто, как хотелось бы, просто ограничивать мощь, сойдет, но ничего более такое не даст, это не решит проблему перекоса вольт-секунд в трансформаторе.
    Да и смысл смотреть ток перед банками фильтра, при случае кондеры пожгут транзы а на резаке так ничего и не выпадет.
    В полумостовой схеме как ни крутись а мерять надо прямо возле трансформатора.

  8. #227
    Новичок Аватар для Bender
    Регистрация
    28.12.2005
    Адрес
    Красногорск
    Сообщений
    1,595

    По умолчанию Re: 500-700W Сетевой импульсник


    Offтопик:
    Цитата Сообщение от VEC7OR Посмотреть сообщение
    А пока сижу и осиливаю как правильно закрывать обратную связь вокруг источника.
    , помнится в самом начале ветке высказывался о возможных сложностях с ОС, проблемы с устойчивостью?



    SacreD, нет смысла совмещать софтстарт с датчиком тока. На первый взгляд в приложеной схеме было бы логично установить конденсатор сразу после моста, что бы токовый шунт находился между ним и ёмкостным делителем, делитель в таком случае не должен быть "жёстким".

    Либо трансформатор тока последовательно с первичкой.
    Последний раз редактировалось Bender; 01.02.2008 в 00:30.

  9. #228
    Частый гость
    Регистрация
    24.03.2006
    Сообщений
    204

    По умолчанию Re: 500-700W Сетевой импульсник

    Цитата Сообщение от Bender Посмотреть сообщение
    Либо трансформатор тока последовательно с первичкой.

    Самый старый и самый надежный способ...

  10. #229
    Старый знакомый
    Регистрация
    02.11.2006
    Адрес
    Эстония, EU
    Возраст
    34
    Сообщений
    660

    По умолчанию Re: 500-700W Сетевой импульсник

    VEC7OR, Bender, misham69, спасибо что отговорили! Глупая затея была. Надо ставить транс последовательно с первичкой. а соотношение витков? 1 витка хватит? (провод первички продеть через небольшое колечко)

  11. #230
    Частый гость
    Регистрация
    24.03.2006
    Сообщений
    204

    По умолчанию Re: 500-700W Сетевой импульсник

    Так смотря что ты делать собираешься дальше...
    Я обычно 3 мотаю - и в первичку силового транса не такая жесткая прямоуголка попадает, и дальше обрабатывать сигнал проще...
    Такое впечатление что ты буквально вчера начал транзисторы от диодов отличать - не в обиду, но вопросы настолько примивные, что и на голову порой не оденешь... Ну почитай книжонки - вреда здоровью не будет... Форум полистай... Понимаю конечно, что проще вопросы задавать и получать на них уже готовые ответы, но ты так верхушек нахватаешься и сможешь только умными словами разговаривать, а чуток глубже копнуть не сможешь...

  12. #231
    Старый знакомый
    Регистрация
    02.11.2006
    Адрес
    Эстония, EU
    Возраст
    34
    Сообщений
    660

    По умолчанию Re: 500-700W Сетевой импульсник

    спасибо за нравоучения, но, как видишь, вопросы я задаю более практические нежели теорию, как на примере токового транса.. а пока до него долистаю, куча времени пройдет.. щас все подряд читаю по импульсникам, потихоньку наращиваю вещество что касается "что ты делать собираешься дальше..." - хотелось бы сделать плавную регулировку защиты по току, хотябы от 0.1 до 1 (макс. значение). В таком случае на выход токового трансформатора ставить потенциометр (после выпрямителя)? Выходит, что бы добиться стабилизации 0,1 значения выходного тока, на выходе датчика тока должно быть напряжение компаратора 5В? тогда для максимального выходного тока напряжение на вторичке токового транса должно быть около 50В (делитель 1:10)? Или есть какие-либо другие методы плавной регулировки выходного тока?

  13. #232
    Частый гость
    Автор темы

    Регистрация
    01.03.2006
    Адрес
    Литва, Вильнюс
    Возраст
    41
    Сообщений
    175

    По умолчанию Re: 500-700W Сетевой импульсник


    Offтопик:
    Bender, да вот сейчас делаю для одного проекта 12В > +/-170В на маленький ток, так вот сейчас учусь закрывать обратку по науке, по диаграммам боде, уже хорошую пачку бумаги изрисовал

  14. #233

    По умолчанию Re: 500-700W Сетевой импульсник

    korolkov24, здраствуйте Алексей, виложите пожалуйста печатку к схеме https://forum.vegalab.ru/showpost.ph...&postcount=104 я думаю она многим сдесь будет интересна
    заранее благодарен

  15. #234

    По умолчанию Re: 500-700W Сетевой импульсник

    Цитата Сообщение от SacreD Посмотреть сообщение
    вопросы я задаю более
    Не мучайся! Собери по этой схеме,

    http://forum.radiospec.ru/index.php?...pe=post&id=181

    надо больше мощи делай два в паралель! Мы с одного такого блока снимаем 400вт. Спасибо Королькову по его схеме пошла серия 20 шт/месяц. Без всякой стабилизации 2хTDA7294 вкл мостом на один канал, а их два. И всё в норме. Покупатели взвизгивают от восторга

  16. #235
    Новичок Аватар для Bender
    Регистрация
    28.12.2005
    Адрес
    Красногорск
    Сообщений
    1,595

    По умолчанию Re: 500-700W Сетевой импульсник


    Offтопик:
    alex9062005 если мне не изменяет память, то эта схема редакции strannicsmd.

  17. #236
    Завсегдатай
    Регистрация
    06.01.2007
    Адрес
    г. Пенза
    Возраст
    61
    Сообщений
    2,684

    По умолчанию Re: 500-700W Сетевой импульсник

    Цитата Сообщение от Genrikhs Посмотреть сообщение
    korolkov24, здраствуйте Алексей, виложите пожалуйста печатку к схеме https://forum.vegalab.ru/showpost.ph...&postcount=104 я думаю она многим сдесь будет интересна
    заранее благодарен
    Я не могу этого сделать.

  18. #237
    Новичок
    Регистрация
    13.02.2006
    Адрес
    УКРАИНА
    Возраст
    57
    Сообщений
    57

    По умолчанию Re: 500-700W Сетевой импульсник

    Цитата Сообщение от alex9062005 Посмотреть сообщение
    Не мучайся! Собери по этой схеме,

    http://forum.radiospec.ru/index.php?...pe=post&id=181

    надо больше мощи делай два в паралель! Мы с одного такого блока снимаем 400вт. Спасибо Королькову по его схеме пошла серия 20 шт/месяц. Без всякой стабилизации 2хTDA7294 вкл мостом на один канал, а их два. И всё в норме. Покупатели взвизгивают от восторга
    Но ведь это и вправду схемка СТРАННИКА ..причем здесь Корольков ?.. кстати мною уважаемый.. но все же.. , ребятки - вы как то уточняйте где кого и что .. я то ведь прекрасно знаю Славика (Вячеслава)

  19. #238

    По умолчанию Re: 500-700W Сетевой импульсник

    Цитата Сообщение от I.Cherry Посмотреть сообщение
    Но ведь это и вправду схемка СТРАННИКА ..причем здесь Корольков ?.. кстати мною уважаемый.. но все же.. , ребятки - вы как то уточняйте где кого и что .. я то ведь прекрасно знаю Славика (Вячеслава)
    Да, I.Cherry Эта схема Странника, и сослался я на неё только потому что от схемы Королькова отличаеться только схемой токовой защиты. И моё личное мнениние подобным схемам до 600 вт. по простоте,цене и надёжности пока нет альтернативы.
    Вложения Вложения

  20. #239
    Частый гость
    Регистрация
    30.06.2005
    Адрес
    Харьков
    Возраст
    52
    Сообщений
    137

    По умолчанию Re: 500-700W Сетевой импульсник

    Цитата Сообщение от alex9062005 Посмотреть сообщение
    Да, I.Cherry Эта схема Странника, и сослался я на неё только потому что от схемы Королькова отличаеться только схемой токовой защиты. И моё личное мнениние подобным схемам до 600 вт. по простоте,цене и надёжности пока нет альтернативы.
    ...Не очень понял как прилепить токовую защиту, хорошо-бы увидеть полную схему, а если приложите печатку- то вообще

  21. #240
    Старый знакомый Аватар для strannicmd
    Регистрация
    28.04.2006
    Адрес
    Modena (I)
    Возраст
    62
    Сообщений
    903

    По умолчанию Re: 500-700W Сетевой импульсник

    Цитата Сообщение от Operator Посмотреть сообщение
    ...Не очень понял как прилепить токовую защиту, хорошо-бы увидеть полную схему, а если приложите печатку- то вообще
    https://forum.vegalab.ru/showthread.php?t=1146&page=93 #1856

Страница 12 из 98 Первая ... 2101112131422 ... Последняя

Социальные закладки

Социальные закладки

Ваши права

  • Вы не можете создавать новые темы
  • Вы не можете отвечать в темах
  • Вы не можете прикреплять вложения
  • Вы не можете редактировать свои сообщения
  •