Страница 116 из 118 Первая ... 106114115116117118 Последняя
Показано с 2,301 по 2,320 из 2348

Тема: Мощный сверхбыстрый композит MAX

  1. #1 Показать/скрыть первое сообщение.
    Завсегдатай
    Автор темы
    Аватар для MAXIM_A
    Регистрация
    13.11.2007
    Адрес
    МО Салтыковка
    Возраст
    77
    Сообщений
    12,213

    По умолчанию Мощный сверхбыстрый композит MAX

    Максимальная выходная мощность 25 ватт, на нагрузке 4ома!
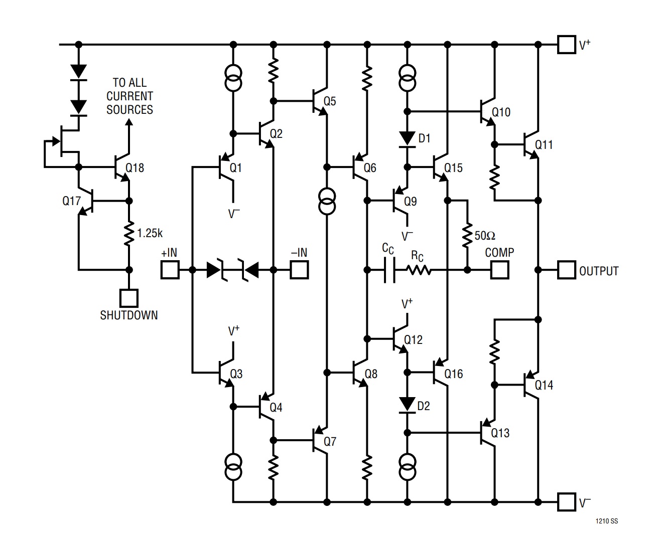
    Нашёл классный ОУ, в самый раз для композита. АDA4637-1 плюс LT1210
    Основные микрухи-буфера.
    http://www.linear.com/product/LT1210

    http://www.linear.com/docs/2461
    http://www.farnell.com/datasheets/1947262.pdf

    http://www.analog.com/en/products/amplifiers/operational-amplifiers/jfet-input-amplifiers/ada4637-1.html


    Три в одном, усилитель напряжения, драйвер, и ВК с большим выходным током!
    Да, и самое главное, широкополосный и быстрый!
    Чем быстрее усилок, тем меньше ошибка ОООС.
    А самое главное всё очень просто, всего два активных ОУ.
    Не надо термостабилизировать. Не нужен интегратор удержания нуля.
    Полный размах выходного напряжения на нагрузке 4 ома 30 вольт.
    Ток холостого хода одного канала 200ма, с пятью LT1210, радиатор чуть тёплый.
    Звук, полный улёт, детальность, атака, тембра голоса очень натуральные...
    Осталось только минимизировать гармоники....
    Импульсные хар-ки сняты без входного фильтра С1 на нагрузке 4 ома.
    Миниатюры Миниатюры Нажмите на изображение для увеличения. 

Название:	20170302_113116.jpg 
Просмотров:	2552 
Размер:	1.11 Мб 
ID:	288073   Нажмите на изображение для увеличения. 

Название:	20170112_132624.jpg 
Просмотров:	2849 
Размер:	1.08 Мб 
ID:	284092   Нажмите на изображение для увеличения. 

Название:	20170112_131343.jpg 
Просмотров:	2783 
Размер:	1.11 Мб 
ID:	284091   Нажмите на изображение для увеличения. 

Название:	20170220_105041.jpg 
Просмотров:	2303 
Размер:	1.09 Мб 
ID:	287242  

    Нажмите на изображение для увеличения. 

Название:	20170112_133503.jpg 
Просмотров:	6885 
Размер:	951.3 Кб 
ID:	284093   Нажмите на изображение для увеличения. 

Название:	20170310_132022.jpg 
Просмотров:	5068 
Размер:	1,011.1 Кб 
ID:	288737   Нажмите на изображение для увеличения. 

Название:	20170705_110512.jpg 
Просмотров:	3779 
Размер:	1.01 Мб 
ID:	296835   Нажмите на изображение для увеличения. 

Название:	20170708_123847.jpg 
Просмотров:	4430 
Размер:	1.34 Мб 
ID:	296834  

    Нажмите на изображение для увеличения. 

Название:	2 канал 25 вт.png 
Просмотров:	4470 
Размер:	259.8 Кб 
ID:	289379   Нажмите на изображение для увеличения. 

Название:	IMD 10кгц+1кгц.png 
Просмотров:	3719 
Размер:	227.0 Кб 
ID:	289384   Нажмите на изображение для увеличения. 

Название:	IMD 10+11кгц.png 
Просмотров:	3157 
Размер:	116.9 Кб 
ID:	316557   Нажмите на изображение для увеличения. 

Название:	20170319_144726.jpg 
Просмотров:	5033 
Размер:	964.7 Кб 
ID:	289563  

    Нажмите на изображение для увеличения. 

Название:	Финал ком.GIF 
Просмотров:	13758 
Размер:	22.9 Кб 
ID:	289320   Нажмите на изображение для увеличения. 

Название:	Блок питания.GIF 
Просмотров:	7235 
Размер:	11.3 Кб 
ID:	291320  
    Вложения Вложения
    Последний раз редактировалось MAXIM_A; 18.04.2018 в 13:48.

  2. #2301
    Завсегдатай Аватар для dortonyan
    Регистрация
    03.06.2009
    Адрес
    BLR
    Возраст
    39
    Сообщений
    4,041

    По умолчанию Re: Мощный сверхбыстрый композит MAX

    Цитата Сообщение от ph8ru Посмотреть сообщение
    Следующий вариант:
    Теперь нормально.
    Полигон только вокруг резисторов ООС вырезать, чтобы минимизировать паразитную емкость со средней точки 10к резисторов на землю.

  3. #2302
    Новичок Аватар для ph8ru
    Регистрация
    28.10.2011
    Адрес
    Москва
    Сообщений
    22

    По умолчанию Re: Мощный сверхбыстрый композит MAX

    Цитата Сообщение от dortonyan Посмотреть сообщение
    Теперь нормально.
    Полигон только вокруг резисторов ООС вырезать, чтобы минимизировать паразитную емкость со средней точки 10к резисторов на землю.
    Только на стороне резисторов или на обоих слоях?

  4. #2303
    Завсегдатай Аватар для pyos
    Регистрация
    15.07.2006
    Возраст
    65
    Сообщений
    4,522

    По умолчанию Re: Мощный сверхбыстрый композит MAX

    ph8ru, лучше на обоих.

  5. #2304
    Старый знакомый Аватар для And$er
    Регистрация
    29.09.2007
    Адрес
    г. Москва
    Возраст
    50
    Сообщений
    925

    По умолчанию Re: Мощный сверхбыстрый композит MAX

    Цитата Сообщение от dortonyan Посмотреть сообщение
    Offтопик:

    Как и у всех - для снижения помех с шин питания ОУ. Ну и для универсальности, чтобы можно было использовать широкополосные ОУ с малым током покоя, типа LM6171.


    Именно так. Правда я влияние емкости между шинами не проверял, просто поставил для самоуспокоения.
    А какой номинал паяете туда?

  6. #2305
    Завсегдатай Аватар для dortonyan
    Регистрация
    03.06.2009
    Адрес
    BLR
    Возраст
    39
    Сообщений
    4,041

    По умолчанию Re: Мощный сверхбыстрый композит MAX

    Цитата Сообщение от And$er Посмотреть сообщение
    А какой номинал паяете туда?
    10мк 50В x5r 0805, все три керамические шунта.

  7. #2306
    Завсегдатай Аватар для Ломатель
    Регистрация
    23.01.2006
    Адрес
    г.Орел
    Возраст
    35
    Сообщений
    1,135

    По умолчанию Re: Мощный сверхбыстрый композит MAX

    Цитата Сообщение от ph8ru Посмотреть сообщение
    Следующий вариант:
    Я бы сразу смотрел в сторону балансного (мостового) варианта. Автор говорит звучит лучше, к тому же к этому есть теоретические предпосылки
    Денис.

  8. #2307
    Новичок Аватар для ph8ru
    Регистрация
    28.10.2011
    Адрес
    Москва
    Сообщений
    22

    По умолчанию Re: Мощный сверхбыстрый композит MAX

    Цитата Сообщение от Ломатель Посмотреть сообщение
    Я бы сразу смотрел в сторону балансного (мостового) варианта. Автор говорит звучит лучше, к тому же к этому есть теоретические предпосылки
    Но для этого нужно в 4 раза больше LTшек.
    Да и не нужна, в моем конкретном случае, такая моща)

  9. #2308
    Завсегдатай Аватар для Delta213
    Регистрация
    23.01.2006
    Адрес
    Астрахань
    Сообщений
    5,362

    По умолчанию Re: Мощный сверхбыстрый композит MAX

    Может остались у кого-нибудь такие платы? Парочку бы надо.
    https://forum.vegalab.ru/attachment....0&d=1612957221
    Подчиненный перед лицом начальствующим должен иметь вид лихой и придурковатый, дабы разумением своим не смущать начальство.
    Указ Петра I от 09.12.1709:

  10. #2309
    Завсегдатай Аватар для dyno
    Регистрация
    12.10.2010
    Адрес
    Минск
    Возраст
    48
    Сообщений
    1,039

    По умолчанию Re: Мощный сверхбыстрый композит MAX

    А были они когда? Это на один канал 6 микросхем?

  11. #2310
    PaX PALANTiRA Аватар для EDDiE
    Регистрация
    13.02.2006
    Адрес
    GAZ-A-LAGO
    Сообщений
    13,282

    По умолчанию Re: Мощный сверхбыстрый композит MAX

    да

  12. #2311
    Завсегдатай Аватар для dyno
    Регистрация
    12.10.2010
    Адрес
    Минск
    Возраст
    48
    Сообщений
    1,039

    По умолчанию Re: Мощный сверхбыстрый композит MAX

    Учитывая, что можно начать с двух, то тож интересны пара плат.

  13. #2312
    Новичок
    Регистрация
    07.01.2023
    Адрес
    СССР и Конституция 1977 г. от Р.Х.
    Сообщений
    56

    По умолчанию Re: Мощный сверхбыстрый композит MAX

    интересная ИМС Нажмите на изображение для увеличения. 

Название:	LT1210.jpg 
Просмотров:	149 
Размер:	153.6 Кб 
ID:	447038 а главное фейки реже попадаются.
    по последней пп 3 пары в мост, по любому лучше.
    народную 544уд2а ещё б отсимулировать, ППК по факту подбирать.

    ---------- Сообщение добавлено 06:28 ---------- Предыдущее сообщение было 06:24 ----------

    Лимит с 10 пп (шт 6 распянных) достал, только авторские две нормальные, с Али мусорные кучки лишь приходят (2030)

    ---------- Сообщение добавлено 06:31 ---------- Предыдущее сообщение было 06:28 ----------

    посмотлел на лайку,.. не не буду делать, очередной "висяк" мутить не хочется.
    Всем удачных запусков.

  14. #2313
    PaX PALANTiRA Аватар для EDDiE
    Регистрация
    13.02.2006
    Адрес
    GAZ-A-LAGO
    Сообщений
    13,282

    По умолчанию Re: Мощный сверхбыстрый композит MAX

    народную 544уд2а ещё б отсимулировать
    на www.rcl-electro.ru есть реальная SPICE-модель 544уд2а

  15. #2314
    Новичок
    Регистрация
    07.01.2023
    Адрес
    СССР и Конституция 1977 г. от Р.Х.
    Сообщений
    56

    По умолчанию Re: Мощный сверхбыстрый композит MAX

    Цитата Сообщение от EDDiE Посмотреть сообщение
    SPICE-модель 544уд2а
    если Рус2000 попросить, может и "покрутит" в схеме, ППК применит нужный.

    ---------- Сообщение добавлено 07:06 ---------- Предыдущее сообщение было 07:02 ----------

    На "Паяльнике" библиотеки в ветке профильной есть на Мультисим, но мне не нужно,.. по причине выше.
    А так, да, опер лучше разный, а УД2 очень разные, настраиваить ППК по факту нужно (подбирать), как и коррекцию.

    ---------- Сообщение добавлено 07:12 ---------- Предыдущее сообщение было 07:06 ----------

    хороший токовый ЧИП, получше на порядок разных ТДА и ЛМок, стоит проект на нём строить (осталось лишь твикнуть, для начала, в симуляторах). P.S.: уд2б для Лимит достаточно, уд2а уже быстрый, ЛМка возбуждается (не успевает)

  16. #2315
    PaX PALANTiRA Аватар для EDDiE
    Регистрация
    13.02.2006
    Адрес
    GAZ-A-LAGO
    Сообщений
    13,282

    По умолчанию Re: Мощный сверхбыстрый композит MAX

    можно попросить не только лишь Rus2000, но, и finn32....

  17. #2316
    Новичок
    Регистрация
    07.01.2023
    Адрес
    СССР и Конституция 1977 г. от Р.Х.
    Сообщений
    56

    По умолчанию Re: Мощный сверхбыстрый композит MAX

    Цитата Сообщение от EDDiE Посмотреть сообщение
    можно попросить
    не нужно спорить, достаточно лишь посмотреть на ветки и увидеть, что заказчик Финн32, а пилил Рус2000. Кстати, дядька Жуковский тоже "пилил", но у него одни "шестёрки", макетировать, а тем более запускать (настроить) в железе не кому.
    А, так да, спасибо Рус и Финну за проект (Кузьмичу за пп)

    ---------- Сообщение добавлено 13:24 ---------- Предыдущее сообщение было 13:18 ----------

    проехали, не будем больше, от темы отклонились.

  18. #2317
    Новичок Аватар для anton11
    Регистрация
    18.02.2013
    Адрес
    Уфа
    Сообщений
    88

    По умолчанию Re: Мощный сверхбыстрый композит MAX

    Андрей Константинович здравствуйте! Можно попросить у Вас исходник и герберы для заказа плат на эту плату:Нажмите на изображение для увеличения. 

Название:	Финал2.GIF 
Просмотров:	152 
Размер:	77.5 Кб 
ID:	452546Нажмите на изображение для увеличения. 

Название:	Финал1.GIF 
Просмотров:	139 
Размер:	69.1 Кб 
ID:	452545
    Хочу собрать данный усилитель на пяти LT1210 на канал, для шириков Sonido SWR175.

  19. #2318
    PaX PALANTiRA Аватар для EDDiE
    Регистрация
    13.02.2006
    Адрес
    GAZ-A-LAGO
    Сообщений
    13,282

    По умолчанию Re: Мощный сверхбыстрый композит MAX

    Исходники можно нарисовать самому загрузив в Sprint Layout эти 2 фоточки.

  20. #2319
    Завсегдатай Аватар для Delta213
    Регистрация
    23.01.2006
    Адрес
    Астрахань
    Сообщений
    5,362

    По умолчанию Re: Мощный сверхбыстрый композит MAX

    Цитата Сообщение от MAXIM_A Посмотреть сообщение
    И оптимальное кол-во LT1012 = 6 шт.
    Я неспешно стругаю такой композит, правда 1210 у меня в дпаке. Этот композит нужен для вч драйвера, работать будет от 4,5кГц и до упора. Особо большой мощности не требуется. Вопрос такой, могу запараллелить 6шт, а могу в балансе по три штуке в плече сделать. Как будет лучше с точки зрения снижения искажений?
    Подчиненный перед лицом начальствующим должен иметь вид лихой и придурковатый, дабы разумением своим не смущать начальство.
    Указ Петра I от 09.12.1709:

  21. #2320
    Новичок Аватар для irber
    Регистрация
    09.02.2006
    Адрес
    Подольск, МО
    Возраст
    55
    Сообщений
    31

    По умолчанию Re: Мощный сверхбыстрый композит MAX

    Потихоньку завершаю долгострой.

    Запустил один канал, платы от ph8ru. Четыре LTшки, питание на LM с умощнением, на входе AD8065.
    Проверить кроме напряжений и сигналов дома нечем.
    Так что питание 15В, на выходе 0.5мВ.
    Пока в качестве сигналов использовал ноут, колонка широкополосный ширик от соньки.

    Даже в таком варианте фона нет, щелчок при включении еле слышен, выключается тоже со слабыми щелчками.
    Послушал хорошо известные композиции. Ну что могу сказать _ даже так стали слышны косяки вокала и игру мимо нот музыкантов.

    Автору большое спасибо за конструкцию

Страница 116 из 118 Первая ... 106114115116117118 Последняя

Социальные закладки

Социальные закладки

Ваши права

  • Вы не можете создавать новые темы
  • Вы не можете отвечать в темах
  • Вы не можете прикреплять вложения
  • Вы не можете редактировать свои сообщения
  •