Страница 11 из 16 Первая ... 910111213 ... Последняя
Показано с 201 по 220 из 302

Тема: MD-дека как внешний цап

  1. #1 Показать/скрыть первое сообщение.
    Частый гость
    Автор темы

    Регистрация
    16.12.2009
    Сообщений
    118

    По умолчанию MD-дека как внешний цап

    Есть такой аппарат- Sony MDS-JA20ES. Есть ли у кого информация о качестве цапа, установленного в нем. Можно ли его звучание сравнить с чем-то известным?

  2. #201
    Hate cookies Аватар для abonent007
    Регистрация
    15.04.2009
    Адрес
    Минск
    Сообщений
    2,426

    По умолчанию Re: MD-дека как внешний цап

    Цитата Сообщение от Turbo_man Посмотреть сообщение
    А на схеме их нет
    Да вроде есть они. Во всяком разе у меня на плате распаяны

    ---------- Сообщение добавлено 16.06 ---------- Предыдущее сообщение было 16.01 ----------

    Цитата Сообщение от Turbo_man Посмотреть сообщение
    Можно 3,3В гену по питанию в + и в - последовательно поставить по кремниевому диоду. Это добавит 1,3В. А сигнал останется относительно половины питания. Только размах уменьшится до 3,3Vp-p.
    Так 3.3 можно взять и от питания микросхемы SRC. А вот чтобы подать сигнал для 5-вольтовой CXD2562, там уже потребуется тот инвертор. Но пока не вижу смысла это мутить, когда на инверторе можно сразу и кварц заводской припаять(кстати дефицит, и придётся "одолжить" из DTC-690 на 49.1520). Эксперименты с генераторами уже как-то поднадоели, особенно по размеру материальных затрат

    ---------- Сообщение добавлено 16.12 ---------- Предыдущее сообщение было 16.06 ----------

    Цитата Сообщение от Turbo_man Посмотреть сообщение
    Меня больше 21-я нога озадачила
    А что с ней не так?
    Миниатюры Миниатюры Нажмите на изображение для увеличения. 

Название:	xin.png 
Просмотров:	234 
Размер:	109.0 Кб 
ID:	244768  

  3. #202
    Завсегдатай Аватар для Turbo_man
    Регистрация
    06.04.2010
    Адрес
    Moscow
    Сообщений
    5,762

    По умолчанию Re: MD-дека как внешний цап

    Цитата Сообщение от abonent007 Посмотреть сообщение
    Да вроде есть они. Во всяком разе у меня на плате распаяны
    Да так и должно быть, просто на схеме я их не увидел.
    Цитата Сообщение от abonent007 Посмотреть сообщение
    Так 3.3 можно взять и от питания микросхемы SRC.
    Я о другом, я о том, как согласовать по уровням 3,3В ген с 5В логикой CMOS. У неё переключение при половине питания. А 2 диода "подвешивают" ген и его 3,3В в середине 5В. Получается последовательная цепь: +5В - анод 1-го диода - катод 1 диода - питание +3,3В гена - общий гена - анод 2-го диода - катод 2-го диода - общий логики (-5В). Лень рисовать, думаю теперь понятно.
    Цитата Сообщение от abonent007 Посмотреть сообщение
    Эксперименты с генераторами уже как-то поднадоели, особенно по размеру материальных затрат
    Не настаиваю. Просто мысли вслух.
    Цитата Сообщение от abonent007 Посмотреть сообщение
    А что с ней не так?
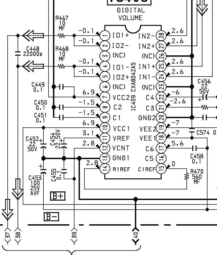
    Картинка не к той микре. Мы обсуждали странности подключения CXA8042S в различных аппаратах. Как будто и этим тоже придаётся разное звучание аппаратам разных классов. Это моя гипотеза.

  4. #203
    Hate cookies Аватар для abonent007
    Регистрация
    15.04.2009
    Адрес
    Минск
    Сообщений
    2,426

    По умолчанию Re: MD-дека как внешний цап

    Цитата Сообщение от Turbo_man Посмотреть сообщение
    Картинка не к той микре. Мы обсуждали странности подключения CXA8042S в различных аппаратах. Как будто и этим тоже придаётся разное звучание аппаратам разных классов. Это моя гипотеза
    Картинка была про резисторы 100 Ом на Xin
    21-я нога вроде такая же как и 22, 8, 9, 16, 17. Подписаны как "С", и по схеме на них конденсаторы, наверное ничего особенного. Ну резистор там запаяли на 21-ю. В CDP-XA7ES на 21-й электролит.
    Лично меня больше интересует регулировка громкости через эту микруху. Думаю сделать управление не через микропроцессор, а просто от +5 вольт через тот переменник с моторчиком, тем более он двухсекционный, и вторая секция не используется. И в MDS-JA30ES не мешало бы такой регулятор громкости, а выход подключать сразу на усилитель мощности без никаких переменников

  5. #204
    Завсегдатай Аватар для Turbo_man
    Регистрация
    06.04.2010
    Адрес
    Moscow
    Сообщений
    5,762

    По умолчанию Re: MD-дека как внешний цап

    Цитата Сообщение от abonent007 Посмотреть сообщение
    Картинка была про резисторы 100 Ом на Xin
    Да? А я не углядел. Сорри. Я смотрел более свежую версию этой части схемы в конце пдф-ки.
    И твоя картинка после цитаты про CXA8042S. Это меня сбило.

    Нажмите на изображение для увеличения. 

Название:	clock.png 
Просмотров:	425 
Размер:	75.4 Кб 
ID:	244824

    Цитата Сообщение от abonent007 Посмотреть сообщение
    Ну резистор там запаяли на 21-ю.
    Так сделано в MDS-JA30ES и 333ES, а в 50ES и 555ES стоит кондёр. Поэтому я и развил "теорию заговора".
    Цитата Сообщение от abonent007 Посмотреть сообщение
    Лично меня больше интересует регулировка громкости через эту микруху.
    Это я уже понял.
    Цитата Сообщение от abonent007 Посмотреть сообщение
    Думаю сделать управление не через микропроцессор, а просто от +5 вольт через тот переменник с моторчиком, тем более он двухсекционный, и вторая секция не используется.
    Что выиграем? Бульон от яиц? И будет потеряна возможность менять тонкий баланс между всеми каналами. Иначе бы все каналы управлялись от одного ЦАП-а. А их там как раз 6.
    Цитата Сообщение от abonent007 Посмотреть сообщение
    И в MDS-JA30ES не мешало бы такой регулятор громкости, а выход подключать сразу на усилитель мощности без никаких переменников
    Да, тут много актуальнее. Если только бросков громкости не будет при включении и выключении. Иначе УМ колонки убьёт.

  6. #205
    Hate cookies Аватар для abonent007
    Регистрация
    15.04.2009
    Адрес
    Минск
    Сообщений
    2,426

    По умолчанию Re: MD-дека как внешний цап

    Цитата Сообщение от Turbo_man Посмотреть сообщение
    Что выиграем?
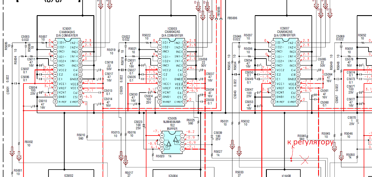
    Может шумов меньше будет когда рег громкости до плешки. Меня это несколько смущает что 9000ES шумнее чем 30ES(точнее 30ES вообще бесшумная по сравнению)

    Цитата Сообщение от Turbo_man Посмотреть сообщение
    И будет потеряна возможность менять тонкий баланс между всеми каналами. Иначе бы все каналы управлялись от одного ЦАП-а. А их там как раз 6.
    Хм, а на кой там тогда те транзисторные ключи по аналоговым выходам? Разве не для этого?


    Цитата Сообщение от Turbo_man Посмотреть сообщение
    Если только бросков громкости не будет при включении и выключении. Иначе УМ колонки убьёт.
    Вроде не должно быть. Тем более там ведь реле на выходе стоит, и не открывается на время переходных процессов при включении

    зы. Кстати используемый SRC СXD8591Q имеет ещё и FIFO
    Миниатюры Миниатюры Нажмите на изображение для увеличения. 

Название:	src2.png 
Просмотров:	551 
Размер:	106.7 Кб 
ID:	244857  
    Последний раз редактировалось abonent007; 02.09.2015 в 22:35.

  7. #206
    Завсегдатай Аватар для Turbo_man
    Регистрация
    06.04.2010
    Адрес
    Moscow
    Сообщений
    5,762

    По умолчанию Re: MD-дека как внешний цап

    Цитата Сообщение от abonent007 Посмотреть сообщение
    Может шумов меньше будет когда рег громкости до плешки.
    Сильные сомнения на этот счёт. Но если улучшится, то напиши.
    Цитата Сообщение от abonent007 Посмотреть сообщение
    Хм, а на кой там тогда те транзисторные ключи по аналоговым выходам? Разве не для этого?
    Я сам до конца не разобрался ещё. Может какая-то грубая начальная регулировка. Тремя ключами можно только 8 вариантов набрать.
    Цитата Сообщение от abonent007 Посмотреть сообщение
    Тем более там ведь реле на выходе стоит, и не открывается на время переходных процессов при включении
    Да то бог. Надо бы в наушниках сначала проверить.
    Цитата Сообщение от abonent007 Посмотреть сообщение
    зы. Кстати используемый SRC СXD8591Q имеет ещё и FIFO
    Там он весьма мал. Я 1Мбит ОЗУ ставлю. СXD8591Q это аналог MSM9404BGS?

  8. #207
    Hate cookies Аватар для abonent007
    Регистрация
    15.04.2009
    Адрес
    Минск
    Сообщений
    2,426

    По умолчанию Re: MD-дека как внешний цап

    Цитата Сообщение от Turbo_man Посмотреть сообщение
    Сильные сомнения на этот счёт. Но если улучшится, то напиши
    Хм, а почему бы ему при 5 вольтах(или максимальном токе) на 15-ю ногу CXA8042 не иметь такие же шумовые характеристики как и у MDS-JA30ES? Вероятно это микропроцессорное управление шумов добавляет
    Может быть сделать управление через оптроны..

    Цитата Сообщение от Turbo_man Посмотреть сообщение
    Там он весьма мал. Я 1Мбит ОЗУ ставлю
    А смысл какой? 1 Мбит это пол секунды воспроизведения получается. С таким джиттером источник сразу в топку

    Цитата Сообщение от Turbo_man Посмотреть сообщение
    СXD8591Q это аналог MSM9404BGS?
    Это она и есть под кодовым названием

    Цитата Сообщение от Turbo_man Посмотреть сообщение
    А есть смысл взять ДАТ-деку (типа DTC-60ES) с убитой головой для самодельного АЦП?
    Сейчас на ебее продаётся за $400 АЦП SONY SBM-1, схема в точности как в DTC-60ES
    Миниатюры Миниатюры Нажмите на изображение для увеличения. 

Название:	IMG_50911.jpg 
Просмотров:	300 
Размер:	1.23 Мб 
ID:	245145  
    Последний раз редактировалось abonent007; 07.09.2015 в 23:16.

  9. #208
    Завсегдатай Аватар для Turbo_man
    Регистрация
    06.04.2010
    Адрес
    Moscow
    Сообщений
    5,762

    По умолчанию Re: MD-дека как внешний цап

    Цитата Сообщение от abonent007 Посмотреть сообщение
    Это она и есть под кодовым названием
    А я и не помню, какие у меня стоят. Давно закрыл и не открывал её.
    Цитата Сообщение от abonent007 Посмотреть сообщение
    Сейчас на ебее продаётся за $400 АЦП SONY SBM-1, схема в точности как в DTC-60ES
    Спасибо за инфу. Но я всё о своём - ищу красивого донора корпуса, индикатора, БП итп. для рукоделия. Свой АЦП хочу сделать на AK5394.
    Цитата Сообщение от abonent007 Посмотреть сообщение
    1 Мбит это пол секунды воспроизведения получается.
    Нет, при разбеге частот дискретизации источника и локального гена в 1Гц - это 6 часов (для 24-битного или 9 часов для 16-битного сигнала) без джиттера и коллизий записи-чтения ОЗУ. Полсекунды это просто задержка воспроизведения по отношению к источнику.
    Цитата Сообщение от abonent007 Посмотреть сообщение
    Вероятно это микропроцессорное управление шумов добавляет
    Возможно, но это проверить недолго. Просто аккуратно цепи управления перебросить с ЦАП-а на регулятор. ОУ придётся оставить в качестве буфера.

    Нажмите на изображение для увеличения. 

Название:	РГ.png 
Просмотров:	606 
Размер:	159.6 Кб 
ID:	245304

  10. #209
    Hate cookies Аватар для abonent007
    Регистрация
    15.04.2009
    Адрес
    Минск
    Сообщений
    2,426

    По умолчанию Re: MD-дека как внешний цап

    Цитата Сообщение от Turbo_man Посмотреть сообщение
    Давно закрыл и не открывал её
    У меня пока открытый стоит. Нужно ещё два транса поставить от 220 вольт, хз сколько делать на вторичках, и решить вопрос с охлаждением радиаторов БП. Засунул пока кулер от 7 вольт на низких оборотах

    Цитата Сообщение от Turbo_man Посмотреть сообщение
    ОУ придётся оставить в качестве буфера
    Хм. В других соневских процах типа SDP-EP90ES управление было без этого буфера, сразу с выхода М62361, через резистор 47 кОм на 12-ю ногу CXA8042
    Миниатюры Миниатюры Нажмите на изображение для увеличения. 

Название:	громкость.png 
Просмотров:	212 
Размер:	101.1 Кб 
ID:	245346   Нажмите на изображение для увеличения. 

Название:	громкость2.png 
Просмотров:	508 
Размер:	147.5 Кб 
ID:	245348   Нажмите на изображение для увеличения. 

Название:	IMG_50974.jpg 
Просмотров:	286 
Размер:	1.93 Мб 
ID:	245361  
    Последний раз редактировалось abonent007; 08.09.2015 в 23:33.

  11. #210
    Завсегдатай Аватар для Turbo_man
    Регистрация
    06.04.2010
    Адрес
    Moscow
    Сообщений
    5,762

    По умолчанию Re: MD-дека как внешний цап

    Цитата Сообщение от abonent007 Посмотреть сообщение
    через резистор 47 кОм на 12-ю ногу CXA8042
    Ну так это же не 15-я нога. Про 12-ю я не в курсе был. Да, любопытно. Варианты множатся прямо на глазах.
    Жаль, я раньше искал даташит на 8042-ю, но не нашёл. А было бы очень полезно и познавательно.

  12. #211
    Hate cookies Аватар для abonent007
    Регистрация
    15.04.2009
    Адрес
    Минск
    Сообщений
    2,426

    По умолчанию Re: MD-дека как внешний цап

    Цитата Сообщение от Turbo_man Посмотреть сообщение
    Жаль, я раньше искал даташит на 8042-ю, но не нашёл
    А его как не было, так и нет

    Цитата Сообщение от Turbo_man Посмотреть сообщение
    Ну так это же не 15-я нога. Про 12-ю я не в курсе был
    А хз. Там и static DAC разные - М62361 8-битный 6-канальный, и уже со встроенными буферами. А М62362 11-битный 3-х канальный, без буферов. 11 бит наверное лучше в плане количества шагов регулировки

    зы. На mouser.com нашёл таки 5-вольтовый генератор 49.152 за 3 евро C3291-49.152 от Crystek без всяких там VCO и прочей шумящей лабуды, пишут что именно кварцевый на 3-й гармонике. Жаль что гены от Crystek CCHD-957-25-49.152 которые используются в Lynx48 имеют питание 3.3 вольта, у них вроде ещё меньше фазовый шум, они тоже есть на mouser, хотя и прилично дороже - $26
    Последний раз редактировалось abonent007; 09.09.2015 в 01:02.

  13. #212
    Завсегдатай Аватар для Turbo_man
    Регистрация
    06.04.2010
    Адрес
    Moscow
    Сообщений
    5,762

    По умолчанию Re: MD-дека как внешний цап

    Цитата Сообщение от abonent007 Посмотреть сообщение
    11 бит наверное лучше в плане количества шагов регулировки
    Много шагов хорошо, когда нужно линейное напряжение сделать логарифмическим. В смысле сделать децибельное управление.
    Цитата Сообщение от abonent007 Посмотреть сообщение
    нашёл таки 5-вольтовый генератор 49.152 за 3 евро от Crystek без всяких там VCO и прочей шумящей лабуды
    Не, я торопидзе не буду.

    Сегодня после длительного перерыва послушал 30-ку. Понравилась больше одного самодельного ЦАП-а на AD1853.
    И заодно позаписывал на неё. Странно, но лазер стал работать устойчивее. И это после долгого простоя. Раньше играл нормально только стоя на одном боку.
    А вот лоток стал заедать. Резинка там слегка запищала (пассик привода лотка).
    Второй экземпляр без проблем.

  14. #213
    Hate cookies Аватар для abonent007
    Регистрация
    15.04.2009
    Адрес
    Минск
    Сообщений
    2,426

    По умолчанию Re: MD-дека как внешний цап

    Цитата Сообщение от Turbo_man Посмотреть сообщение
    Много шагов хорошо, когда нужно линейное напряжение сделать логарифмическим. В смысле сделать децибельное управление.
    Ну это в TA-E9000ES 11-битный установлен. Хотя толку от него, если делать регулировку громкости в MDS-JA30ES, там надо будет простенько от +5 вольт через переменник
    зы. Ещё мне кажется в TA-E9000ES то что перед схемой самого ЦАПа - DSP и всё такое может шумов прилично добавлять, по сравнению с MDS-JA30ES. И у деки намного лучше приёмник SPDIF, если комп и слышно шум по цифре, то медиаплееры Попкорны ваще не шумят при подключении к JA30ES, а вот через приёмник SPDIF в E9000ES их немного слышно

    ---------- Сообщение добавлено 01.14 ---------- Предыдущее сообщение было 01.11 ----------

    Цитата Сообщение от Turbo_man Посмотреть сообщение
    Раньше играл нормально только стоя на одном боку
    Это у них всех такая проблема из-за постоянного подогрева лазерной бошки со стороны радиаторов БП. Я ведь не зря их(стабилизаторы) рассовал с винтами на корпус
    Миниатюры Миниатюры Нажмите на изображение для увеличения. 

Название:	IMG_41061.jpg 
Просмотров:	415 
Размер:	1.59 Мб 
ID:	245371  

  15. #214
    Завсегдатай Аватар для Turbo_man
    Регистрация
    06.04.2010
    Адрес
    Moscow
    Сообщений
    5,762

    По умолчанию Re: MD-дека как внешний цап

    Цитата Сообщение от abonent007 Посмотреть сообщение
    там надо будет простенько от +5 вольт через переменник
    Я когда-то брал сигнал с гнезда наушников. ;)

  16. #215
    Hate cookies Аватар для abonent007
    Регистрация
    15.04.2009
    Адрес
    Минск
    Сообщений
    2,426

    По умолчанию Re: MD-дека как внешний цап

    Цитата Сообщение от Turbo_man Посмотреть сообщение
    Я когда-то брал сигнал с гнезда наушников
    Я наоборот наушники подключаю прямо к линейному выходу, а громкость регулирую цифровым уровнем записи. Пока лучшей регулировки громкости не встречал, даже по сравнению с той в E9000ES
    зы. Но блин сейчас больше нравится слушать через 9000ES с его DSP(обычно юзаю эффект Jazz Club), без обработки уже как-то надоело плосковатое студийное звучание, особенно на колонки

  17. #216
    Завсегдатай Аватар для Turbo_man
    Регистрация
    06.04.2010
    Адрес
    Moscow
    Сообщений
    5,762

    По умолчанию Re: MD-дека как внешний цап

    Цитата Сообщение от abonent007 Посмотреть сообщение
    Это у них всех такая проблема из-за постоянного подогрева лазерной бошки со стороны радиаторов БП. Я ведь не зря их(стабилизаторы) рассовал с винтами на корпус
    Креативно. И не возбуждаются? Проводочки не короткие же. А откуда инфа про перегрев?

  18. #217
    Hate cookies Аватар для abonent007
    Регистрация
    15.04.2009
    Адрес
    Минск
    Сообщений
    2,426

    По умолчанию Re: MD-дека как внешний цап

    Цитата Сообщение от Turbo_man Посмотреть сообщение
    И не возбуждаются? Проводочки не короткие же. А откуда инфа про перегрев?
    Не было такого. Я потом и на плате ЦАПа стабилизаторы повыпаивал точно так же. Про перегрев и к гадалке не ходи, греются аж жуть, а ведь они расположены непосредственно под приводом. После установки на корпус стабилизаторы еле тёплые
    зы. Я когда-то и купил эту деку с подобными симптомами - работала только на боку. Потом спичкой поковырял подвес лазера, стало работать лучше, но полностью не восстановилось
    Последний раз редактировалось abonent007; 12.09.2015 в 15:18.

  19. #218
    Завсегдатай Аватар для Turbo_man
    Регистрация
    06.04.2010
    Адрес
    Moscow
    Сообщений
    5,762

    По умолчанию Re: MD-дека как внешний цап

    Лучше тут про мд-деку. В той ветке я потру посты.
    Цитата Сообщение от abonent007 Посмотреть сообщение
    Сия техника ведь постепенно "отмирает" по основному назначению, а вот ЦАПы хорошие
    Согласен. И корпуса с дисплеями тоже хорошие. + сетевые трансы.
    Эх, были бы хотя бы штук 5-10 дек. Можно было бы для них отдельно сделать проектик.

  20. #219
    Hate cookies Аватар для abonent007
    Регистрация
    15.04.2009
    Адрес
    Минск
    Сообщений
    2,426

    По умолчанию Re: MD-дека как внешний цап

    Цитата Сообщение от Turbo_man Посмотреть сообщение
    Можно было бы для них отдельно сделать проектик.
    А ведь народ в инете периодически спрашивает такое - чтобы сделать из имеющегося проигрывателя CD полноценный ЦАП


    Цитата Сообщение от abonent007 Посмотреть сообщение
    Ещё мне кажется в TA-E9000ES то что перед схемой самого ЦАПа - DSP и всё такое может шумов прилично добавлять, по сравнению с MDS-JA30ES
    Вобщем перепахал схему TA-E9000ES - переразвёл земли по аналогии с MDS-JA50ES, однако шумы это не убрало, или убрало но незначительно(кстати в моём экземпляре они не запаяли конденсаторы фильтров на выходе сразу после микросхемы ЦАПа С5002, С5012 по 0.012 мкф, а в последующих ревизиях схемы почему-то совсем отказались от этих конденсаторов). И самое хреновое что характер шумов меняется после выключения\включения аппарата - иногда тихо шумит, иногда громче. Похоже всё таки шумит DSP перед ЦАПом. Ещё есть идея подать выход DATA с CXD2712(выход DSP) через SPDIF на вход MDS-JA30ES. А так же тактировать основной процессор DSP(ADSST-AC3-2500) от ЦАПового клока на частоте 45.1584(на процессоре стоит отдельный генератор клока ровно 40МГц), хотя не знаю можно ли так делать
    Последний раз редактировалось abonent007; 01.10.2015 в 16:11.

  21. #220
    Завсегдатай Аватар для Turbo_man
    Регистрация
    06.04.2010
    Адрес
    Moscow
    Сообщений
    5,762

    По умолчанию Re: MD-дека как внешний цап

    Цитата Сообщение от abonent007 Посмотреть сообщение
    А ведь народ в инете периодически спрашивает такое - чтобы сделать из имеющегося проигрывателя CD полноценный ЦАП
    Я имел ввиду полное по максимуму использование возможностей донора. Кнопки, индикаторы, энкодеры, сетевые трансы итп. Но это сильно привязывает к конкретному аппарату.
    А так наше универсальное входное устройство годится для CD-плееров.

    У CXD8679Q есть очень хороший бонус в виде отдельных входов для DSD (ноги 26, 55...57). Трудно только к нему подключиться из-за мелких ножек.


    Цитата Сообщение от abonent007 Посмотреть сообщение
    Похоже всё таки шумит DSP перед ЦАПом.
    Да, теоретически возможно. Там похоже, что данные с него идут 16-ти битные. Но более вероятна проблема в аналоге.
    Цитата Сообщение от abonent007 Посмотреть сообщение
    Ещё есть идея подать выход DATA с CXD2712(выход DSP) через SPDIF на вход MDS-JA30ES.
    Чтобы понять кто шумит? Брать сигнал только фронтальных каналов?
    Цитата Сообщение от abonent007 Посмотреть сообщение
    А так же тактировать основной процессор DSP(ADSST-AC3-2500) от ЦАПового клока на частоте 45.1584(на процессоре стоит отдельный генератор клока ровно 40МГц), хотя не знаю можно ли так делать
    Скорее всего, работать будет, но не уменьшит шум, т.е. бессмысленно.

Страница 11 из 16 Первая ... 910111213 ... Последняя

Социальные закладки

Социальные закладки

Ваши права

  • Вы не можете создавать новые темы
  • Вы не можете отвечать в темах
  • Вы не можете прикреплять вложения
  • Вы не можете редактировать свои сообщения
  •