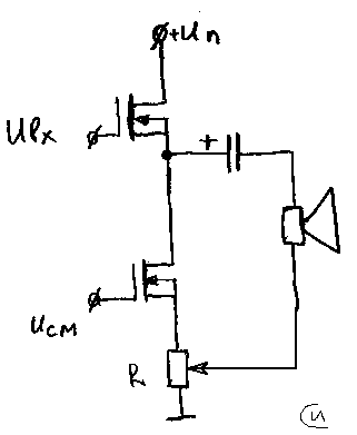
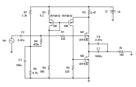
Побочный результат интенсивного шевеления мозгами на тему однотактника с компенсацией тока в нагрузке. В частности, навеяно источником тока в Алефах, статьей Карпова "Гибридный мир" и статьей Броски про повторитель Тейлора/Уайта. Преимущества: минимум п-п устройств в цепи ОС, не используются P-канальные полевики, вполне пристойный спектр в симуляторе вплоть до ограничения по амплитуде. Кто-нибудь видит явные грабли?




Социальные закладки