Страница 1 из 2 12 Последняя
Показано с 1 по 20 из 23

Тема: Ну не работает эта схема на TDA7294

  1. #1
    Давно не заходил
    Автор темы

    Регистрация
    11.03.2005
    Адрес
    Волгоград
    Сообщений
    54

    Раздражение Ну не работает эта схема на TDA7294

    Я понимаю, что микруха всех задолбала, но я уже не знаю чего делат!
    Микруха сильно греется, а динамиках сильный фон, даже руку поднести невозможно! И одно бульканье!
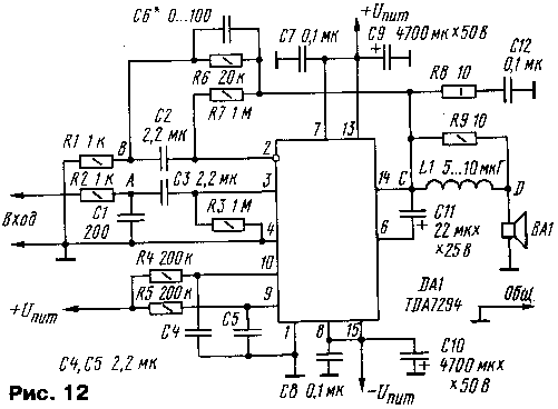
    Собирал вот по этой схеме и печатке (печатка уже третий вариант):
    Миниатюры Миниатюры Нажмите на изображение для увеличения. 

Название:	7294cxem.gif 
Просмотров:	2534 
Размер:	7.4 Кб 
ID:	2094   Нажмите на изображение для увеличения. 

Название:	7294plt.gif 
Просмотров:	1720 
Размер:	24.5 Кб 
ID:	2095  

  2. #2
    Старый знакомый Аватар для Payal-Nik
    Регистрация
    07.09.2004
    Адрес
    Минск
    Возраст
    70
    Сообщений
    502

    По умолчанию Re: Ну не работает эта схема на TDA7294

    Выкинь ты ее на фиг. У меня тоже грелась, потому как возбуд шел пока рядом не поставил по питанию 2 емкости по 10мкф.
    Но, все равно ЛМ3886 звучит чище.

  3. #3
    Давно не заходил
    Регистрация
    29.12.2004
    Сообщений
    444

    По умолчанию Re: Ну не работает эта схема на TDA7294

    Цитата Сообщение от Payal-Nik
    Выкинь ты ее на фиг.

    Resistant
    Пожалуй, на этом форуме так скажет любой, как это не прискорбно
    Я не стану делать исключение - если микросхема - то LM3886T. А лучше рассыпуха на импорте...

  4. #4
    Давно не заходил
    Автор темы

    Регистрация
    11.03.2005
    Адрес
    Волгоград
    Сообщений
    54

    По умолчанию Re: Ну не работает эта схема на TDA7294

    Цитата Сообщение от DIP20
    Я не стану делать исключение - если микросхема - то LM3886T
    Согласен, но для саба лучше тда мостом или в параллель.

    [ADDED=Resistant]1115896540[/ADDED]
    Цитата Сообщение от Resistant
    А лучше рассыпуха на импорте...
    Офигенный усилок получается на ТДА7250
    я уже четыре штуки собрал.
    Не шумит, не фонит, не пердит и т.п.
    Последний раз редактировалось Resistant; 12.05.2005 в 15:15.

  5. #5
    Давно не заходил Аватар для Ty3uK
    Регистрация
    16.06.2004
    Адрес
    Академгородок
    Возраст
    46
    Сообщений
    463

    По умолчанию Re: Ну не работает эта схема на TDA7294

    Resistant, какая-то знакомая схемка (вроде из "Радио") По поводу такого включения говорилось неоднократно, но не помню, чего было больше, толи хорошего, толи плохого. Помнится один из основных вопросов был: "а зачем вам такое большое входное сопротивление? Чтоб радиостанции ловить?"

  6. #6
    Старый знакомый Аватар для Payal-Nik
    Регистрация
    07.09.2004
    Адрес
    Минск
    Возраст
    70
    Сообщений
    502

    По умолчанию Re: Ну не работает эта схема на TDA7294

    Вообще-то 7294-это был мой первый усилитель после 15 летнего перерыва усилителестроения. И он меня тогда поразил качеством звука по сравнению с тем, что у меня было (усил Пикерсгиля, вроде, из какого-то Радио). Правда бас у него показался чуть смазанным.

  7. #7
    Давно не заходил
    Регистрация
    29.12.2004
    Сообщений
    444

    По умолчанию Re: Ну не работает эта схема на TDA7294

    Эх, лотерея эта 7294. Один экземляр у меня работает более года, нареканий нет. 2 предыдущих на той же печатке и с тем же БП не проработали и месяца (одна рванула сразу, другая недельки две поработала, после взрыва же унесла катушку 75ГДН-1-4 ). Прав всё-таки WP - для получения высокой выходной мощности лучше использовать рассыпуху. Кстати, слышал плохие отзывы про мостовое включение этой самой 7294 - надежность ещё ниже. Сам не проверял, но думаю доля правды есть...

  8. #8
    Давно не заходил
    Автор темы

    Регистрация
    11.03.2005
    Адрес
    Волгоград
    Сообщений
    54

    По умолчанию Re: Ну не работает эта схема на TDA7294

    Ладно, уговорили!
    рассыпуха так рассыпуха....

  9. #9
    Давно не заходил Аватар для witali
    Регистрация
    21.02.2005
    Адрес
    Владимир
    Возраст
    49
    Сообщений
    880

    По умолчанию Re: Ну не работает эта схема на TDA7294

    Работает эта схема, и печатка есть, сам развел и собрал 4 платы
    ни одной не взорвалось и работают уже три месяца (друзья просили чтото дешево и сердито)
    Печатка моя есть на этом форуме

  10. #10
    AudioKiller Аватар для AudioKiller
    Регистрация
    10.02.2005
    Адрес
    Ростов-на-Дону
    Возраст
    61
    Сообщений
    2,485

    По умолчанию Re: Ну не работает эта схема на TDA7294

    Я уже с десяток 7294 сделал. Все ОК. то ли идут бракованные партии, толи...

    Не забывайте, что кроме микрухи еще хороший блок питания нужен и т.п.

    Resistant, На 7250 есть возможность без сигнала осциллографом посмотреть ноги 4 (8), 17 (13). Что там на переменном токе?

  11. #11
    Давно не заходил
    Автор темы

    Регистрация
    11.03.2005
    Адрес
    Волгоград
    Сообщений
    54

    По умолчанию Re: Ну не работает эта схема на TDA7294

    Цитата Сообщение от AudioKiller
    На 7250 есть возможность без сигнала осциллографом посмотреть ноги 4 (8), 17 (13). Что там на переменном токе?
    нету пока осилографа...

  12. #12
    Давно не заходил
    Регистрация
    04.09.2005
    Сообщений
    8

    По умолчанию Re: Ну не работает эта схема на TDA7294

    Бестолковый вопрос - а накой искать проблему в левой схеме, если есть даташник с готовой печаткой?
    Резюки на ного муте и стенбай слишком велики, не исключено что она парится именно поэтому, да еще и емкости одинаковые.. На муте кондер должен быть в 2 раза больше чем на стенбае....
    Дросель можешь выкинуть (R9 тоже) - от него толку я пока не обнаружил...
    Резистор R3 на 47кОм надо - у нее вход достаточно высокоомный, возможно наводка откуда лезет...

  13. #13
    Давно не заходил Аватар для Ty3uK
    Регистрация
    16.06.2004
    Адрес
    Академгородок
    Возраст
    46
    Сообщений
    463

    По умолчанию Re: Ну не работает эта схема на TDA7294

    inter, это не левая схема, это схема с высокоомным входом... если не знаешь, то зачем лезть с своими предложениями?
    Это с чего ты решил, что резюки на стендбае и т.д. слишком большие? а вот проодинаковые ёмкости + из соседней ветки (про 22000мкф на проход), может, всётаки, почитаешь книжки? А про стендбай и муте, почитай в даташите, там и графики есть

  14. #14
    Давно не заходил Аватар для Lincor
    Регистрация
    05.01.2004
    Адрес
    Москва. Новогиреево.
    Возраст
    39
    Сообщений
    794

    По умолчанию Re: Ну не работает эта схема на TDA7294

    На плате безобразно выполнено питание, почти кольцами. Напоминает мои ранние поделки. Разница в том, что они работали. Но звук был - shit!

  15. #15
    Давно не заходил
    Регистрация
    08.09.2005
    Сообщений
    6

    Улыбнуло! Re: Ну не работает эта схема на TDA7294

    Бульканье от неправильного подключения конденсаторов фильтра или слабого трансформатора , шумы от высокого входного сопротивления, а вообще я по этой схемке собирал - качество субъективно хуже типовой схемы , кому интересно вот для типовой схемы платка в формате Layout (на плате стоит диодный мост на 6А 1000в).А для умощнения пользуйте ТДА 7293 по схеме Master-Slave (можно до 5 штук влепить и догнать до 400Вт) но КПД не очень - надо транс от микроволновки ставить
    Вложения Вложения

  16. #16
    Давно не заходил Аватар для Dimf
    Регистрация
    18.01.2005
    Адрес
    столица нашей Родины
    Сообщений
    439

    По умолчанию Re: Ну не работает эта схема на TDA7294

    А никому кроме Ускова и меня в голову не приходило, что стбу и
    муть можно соединить вместе?

    [ADDED=Dimf]1127923193[/ADDED]
    Цитата Сообщение от Tester
    но КПД не очень
    Он почти одинаков у всех усилителей в АВ с небольшим током покоя
    вне зависимости от схемотехники.
    Последний раз редактировалось Dimf; 28.09.2005 в 19:59.

  17. #17
    Давно не заходил Аватар для Fenyx
    Регистрация
    21.12.2004
    Адрес
    г.Саратов
    Возраст
    47
    Сообщений
    1,977

    По умолчанию Re: Ну не работает эта схема на TDA7294

    Цитата Сообщение от Resistant
    Собирал вот по этой схеме и печатке
    Плохая печатка - возбуд идет.
    Да и схема, зачем так изголяться - проще ужь буфер на вход.

  18. #18
    Давно не заходил Аватар для Dimf
    Регистрация
    18.01.2005
    Адрес
    столица нашей Родины
    Сообщений
    439

    По умолчанию Re: Ну не работает эта схема на TDA7294

    Кстати по поводу высокого входного сопротивления - у самой 7294 оно 100к
    И входной ток в размере 500нА создаст на 1мегаоме 500мВ Я шизею

  19. #19
    Давно не заходил Аватар для ~D`Evil~
    Регистрация
    03.02.2006
    Адрес
    Санкт - Петербург
    Возраст
    38
    Сообщений
    792

    По умолчанию Re: Ну не работает эта схема на TDA7294

    Расскажу вам свою историю:
    1) После долгих прочтений даташитов и всевозможных форумов решил собрать себе усилок, конечно же на TDA7294. В один прекрасный вечер сел за комп, сделал разводку....не понравилась, исправил, снова не понравилось и т.д. В итоге пришел к конечному варианту, и отдал его на работу, чтоб платку мне сделали (самому лень, да и навыков нет). В этот же день побежал в магазин, купил себе все детали, и 4шт TDA, так, про запас (плата кастати на 4ре TDA,шки). На следующий день пришел домой вечером, собрал, включил....звука нет , но через пару секунд появился (момент включения усилка совпал с паузой между переключением треков в WINAmp*e, во как). По сравнению с активными колонками Dialog - W204 (к своему усилку подключил пассивную колонку) результат был очень хороший, увеличилась, как бы это сказать... разрешающая способность, что ли. Звук приобрел новые очертания, которых раньше небыло. Потом начал экспериментировать: в цепь ПОС и ООС поставил конденсаторы по 470мкФ (других не было) басы стали глубже и приятнее.
    2) Решил теперь сделать схему А. Сырица (кстати по той что изображена вверху этой страницы). Усилок заработал но начал очень сильно греться палец удержать невозможно! (А радиаторы между прочим по 600см2 на одну микруху!). Исправив навесным монтажом схем у на обычную, даташитовскую я от нагрева не избывился. На была обнаружена переменка 500кГц, с ней я сделать ниче не смог. Все, на усилке можно поставить "крест" (ну а нафиг он нужен? обогреватель я могу и в магазине купить). Вспомнив рассказы про красивое пламя, вырывающееся из центра микросхемы, взрывы и искры, решил над ней поиздеваться :twisted: : для начала нагреть до предела: что я только не делал: и обдув радиатора убрал, и книжкой его закрыл, чтоб конвекцию свести у минимуму и даже зажигалкой подогревал, нифига, работает зараза . Далее я взял пинцет, и закоротил выход... каково было мое изумление, когда я слышал музыку в колонке, ослабленную конечно по громкости и с хриплым оттенком. Как микруха при К.З. выхода может еще че то выдавать в динамик ??? Этот эксперимент длился одну минуту, микруха выжила.
    3) А еще я нечаянно коротнул плюс питания на корпус, и ниче не взорвалось.
    Больше я над микросхемой издеваться не стал, и вывод из этого следующий: при покупке китайской микросхемы не надо кричать что TDA7294 - это полный отстой, социально опасная штука, и вообще взрывается при любом "дуновении" .
    А теперь по сабжу : Насчет того что она греется: я заметил общие черты между разводкой автора и своей (которая грелась): цепь обратной связи (с 14й ноги, через резистор, или что там у Сырица, идет на инверсный вход микрухи) создает контур вокруг микросхемы, я думаю возбуд из за этого. У меня на рабочей схеме резистор кинут через всю плату с другой стороны.
    Вот, выкладываю три разводки для 4ех TDA:
    v1.5.0.П - рабочая разводка, по которой собран мой усилок. Работает стабильно, ниче не греется (схема из даташита).
    v2.0 - Разводка для схемы А. Сырица, греется очеь сильно т.к. возбуд, вобщем тот усилок над которым проводились нечеловеческие опыты. Советую обратить внимание на дорожку ОС: так делать НЕ надо.
    V3.1.Г.S - новая разводка, земля выполнена звездой, пока что не собирал.
    P.S. Зря вы про TDA такое пишете, вполне хорошая микросхема, которую я убить не смог.
    P.S. Так, если кому интересно: питал все вырианты от транса ТПП322 двумя обмотками по 20В (после кондеров 28,2В), кондеры в БП рабочей схеме на 2000мкФ (на схеме А. Сырица было воткнуто 20000мкФ) в плечо (на стерео вариант, знаю что мало, скоро по воткну 10000 по две штуки в плечо).
    P.P.S. Сейчас хочу попробовать на рассыпухе сделать (Профессиональный УМЗЧ своими руками).
    Вложения Вложения

  20. #20
    Давно не заходил Аватар для Fenyx
    Регистрация
    21.12.2004
    Адрес
    г.Саратов
    Возраст
    47
    Сообщений
    1,977

    По умолчанию Re: Ну не работает эта схема на TDA7294

    Почему так выходит, что существует два противоположных мнения про эту микросхему: одно - хорошо работает, надежна до неубиваемости, приятнуй звук; другое - капризна, выходит из строя от малейших влияний или вообще без причин, отвратный звук...
    Может мы о разных микросхемах говорим? Поневоле агностиком станешь! Или дело... в чем?

Страница 1 из 2 12 Последняя

Социальные закладки

Социальные закладки

Ваши права

  • Вы не можете создавать новые темы
  • Вы не можете отвечать в темах
  • Вы не можете прикреплять вложения
  • Вы не можете редактировать свои сообщения
  •