Показано с 1 по 16 из 16

Тема: Microlab Solo2 mk3 сигнал с одного канала попадает на второй.

  1. #1
    Зарегистрировался
    Автор темы

    Регистрация
    22.08.2025
    Сообщений
    7

    По умолчанию Microlab Solo2 mk3 сигнал с одного канала попадает на второй.

    При подаче сигнала на один канал второй канал (вторая колонка) тоже его воспроизводит, но гораздо более тихо. Ситуация с каналами работает в обе стороны. Куда смотреть?

  2. #2
    Завсегдатай Аватар для dvm1961
    Регистрация
    09.06.2010
    Адрес
    Беларусь, Речица
    Возраст
    64
    Сообщений
    1,394

    По умолчанию Re: Microlab Solo2 mk3 сигнал с одного канала попадает на второй.

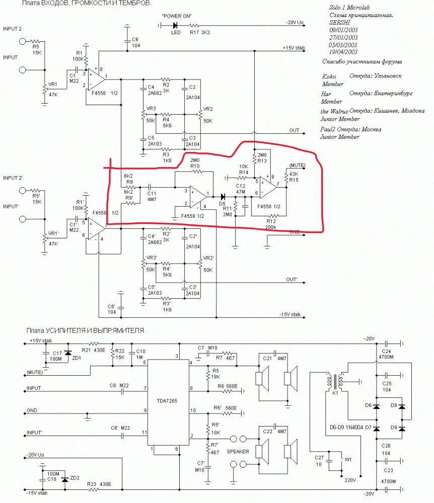
    Если верить схеме, которую я нашел, происходит смешение каналов через резисторы R9 и R9" 6,8К для управления ST-BY ИМС TDA7265, возможно через них и происходит проникновение канала в канал.

  3. #3
    Зарегистрировался
    Автор темы

    Регистрация
    22.08.2025
    Сообщений
    7

    По умолчанию Re: Microlab Solo2 mk3 сигнал с одного канала попадает на второй.

    Тесть это нормальная работа данной схемы усилителя? или необходимо проверять номинал данных резисторов или искать неисправность далее по схеме?
    Можно ли без последствий избавиться от этого алгоритма управления ST-BY ИМС TDA7265 и этих сопротивлений без последствий для TDA.
    Схему прилагаю от Solo1 говорят Solo2 аналогичная.
    Нажмите на изображение для увеличения. 

Название:	Microlab.gif 
Просмотров:	129 
Размер:	256.3 Кб 
ID:	477152

  4. #4
    Завсегдатай Аватар для mAxSpace
    Регистрация
    19.05.2008
    Адрес
    Москва
    Сообщений
    19,144

    По умолчанию Re: Microlab Solo2 mk3 сигнал с одного канала попадает на второй.

    попробуйте отпаять эти резисторы, если взаимороникновение пропадёт. значит дело было в них.

  5. #5
    Завсегдатай Аватар для dvm1961
    Регистрация
    09.06.2010
    Адрес
    Беларусь, Речица
    Возраст
    64
    Сообщений
    1,394

    По умолчанию Re: Microlab Solo2 mk3 сигнал с одного канала попадает на второй.

    Цитата Сообщение от mAxSpace Посмотреть сообщение
    попробуйте отпаять эти резисторы
    Отпаивать по одному. В других схемах включения TDA7265 встречал подключение вывод 5 (MUTE, ST-BY) через резистор 43-47 ком. к выводу питания -15 вольт, предварительно отключив от выхода ОУ, тогда резисторы можно выпаять оба сразу.

  6. #6
    Зарегистрировался
    Автор темы

    Регистрация
    22.08.2025
    Сообщений
    7

    По умолчанию Re: Microlab Solo2 mk3 сигнал с одного канала попадает на второй.

    Добрый день, проверил указанных выше резисторов у схеме нет. Фактически сделано как вы описали на вывод подается -15 вольт через резистор с платы тембр блока. Фактически на 5 ноге относительно земли +10 В.

  7. #7
    Завсегдатай Аватар для dvm1961
    Регистрация
    09.06.2010
    Адрес
    Беларусь, Речица
    Возраст
    64
    Сообщений
    1,394

    По умолчанию Re: Microlab Solo2 mk3 сигнал с одного канала попадает на второй.

    Значит на цепь mute (5 вывод имс) внимания не обращайте, нужна схема именно вашей платы, иначе гадать можно долго. Сфотографируйте плату.

  8. #8
    Зарегистрировался
    Автор темы

    Регистрация
    22.08.2025
    Сообщений
    7

    По умолчанию Re: Microlab Solo2 mk3 сигнал с одного канала попадает на второй.

    В остальном схема вроде соответствует схеме в сообщениях выше.
    Ссылка на фото: https://drive.google.com/drive/folde...usp=drive_link

  9. #9
    Завсегдатай Аватар для dvm1961
    Регистрация
    09.06.2010
    Адрес
    Беларусь, Речица
    Возраст
    64
    Сообщений
    1,394

    По умолчанию Re: Microlab Solo2 mk3 сигнал с одного канала попадает на второй.

    Если нет цепи управления mute и резисторов R9, рискну предположить, что это особенность этих колонок, или именно этого экземпляра tda-шки. Я бы отключил от tda-шки темброблок в одном канале (отпаять минусовой вывод С6 и замкнуть его на землю), подал сигнал на второй канал и послушал на выходе, будет ли проникновение сигнала в отключенную часть имс.

  10. #10
    Завсегдатай Аватар для mAxSpace
    Регистрация
    19.05.2008
    Адрес
    Москва
    Сообщений
    19,144

    По умолчанию Re: Microlab Solo2 mk3 сигнал с одного канала попадает на второй.

    EndyTucker, а каким образом вы подаёте сигнал только на один канал ?
    Выдергиваете один RCA из колонки ?

  11. #11
    Зарегистрировался
    Автор темы

    Регистрация
    22.08.2025
    Сообщений
    7

    По умолчанию Re: Microlab Solo2 mk3 сигнал с одного канала попадает на второй.

    Первый раз заметил что при изменении баланса на выходе звуковой карты на одну колонку из второй также есть звук но тихий, подумал что баг звуковой. От После этого отключил один из RCA. Ситуация не изменилась

  12. #12
    Завсегдатай Аватар для uriy61
    Регистрация
    02.07.2013
    Адрес
    Москва
    Сообщений
    2,245

    По умолчанию Re: Microlab Solo2 mk3 сигнал с одного канала попадает на второй.

    Цитата Сообщение от EndyTucker Посмотреть сообщение
    Первый раз заметил что при изменении баланса на выходе звуковой карты на одну колонку из второй также есть звук но тихий, подумал что баг звуковой. От После этого отключил один из RCA. Ситуация не изменилась
    Производители более менее приличной аппаратуры в характеристиках пишут уровень взаимопроникновения каналов. На слух это влияет только на звуковую панораму (сцену), сужая ее, снижая пространственное разрешение КИЗ. Это для вас важно?

  13. #13
    Зарегистрировался
    Автор темы

    Регистрация
    22.08.2025
    Сообщений
    7

    По умолчанию Re: Microlab Solo2 mk3 сигнал с одного канала попадает на второй.

    Цитата Сообщение от dvm1961 Посмотреть сообщение
    Если нет цепи управления mute и резисторов R9, рискну предположить, что это особенность этих колонок, или именно этого экземпляра tda-шки. Я бы отключил от tda-шки темброблок в одном канале (отпаять минусовой вывод С6 и замкнуть его на землю), подал сигнал на второй канал и послушал на выходе, будет ли проникновение сигнала в отключенную часть имс.
    С отпаянным и замкнутым на землю минусовым выводом конденсаторе С6 одного из каналов, взаимопроникновение наблюдается (основной канал на выходе 3,6В на отпаянном 0,3В, если на основном 12В на отпаянном около 1В).

    ---------- Сообщение добавлено 22:50 ---------- Предыдущее сообщение было 22:50 ----------

    Цитата Сообщение от uriy61 Посмотреть сообщение
    Производители более менее приличной аппаратуры в характеристиках пишут уровень взаимопроникновения каналов. На слух это влияет только на звуковую панораму (сцену), сужая ее, снижая пространственное разрешение КИЗ. Это для вас важно?
    Интересует именно технический аспект, пытаюсь разобраться является ли это нормальной работой усилителя не самого высокого качества, или налицо какая либо неисправность. Ввиду отсутствия практического опыта, сложно оценить результаты. Сильно удивился что есть такое проникновение сигнала, посчитал что это неисправность. В целом эта деятельность что то вроде хобби, в дальнейшем скорее всего встанет вопрос и о том на сколько принципиально это влияет на качество звука.

  14. #14
    Зарегистрировался
    Автор темы

    Регистрация
    22.08.2025
    Сообщений
    7

    По умолчанию Re: Microlab Solo2 mk3 сигнал с одного канала попадает на второй.

    Дополнение. Замена TDA существенных изменений в взаимопроникновение каналов не внесла. Видимо это особенность работы. Лишь увеличилась выходная мощность при сопоставимых уровнях THD.

  15. #15
    Завсегдатай Аватар для stratov
    Регистрация
    16.06.2020
    Адрес
    г. Сальск
    Сообщений
    1,420

    По умолчанию Re: Microlab Solo2 mk3 сигнал с одного канала попадает на второй.

    Цитата Сообщение от EndyTucker Посмотреть сообщение
    Дополнение. Замена TDA существенных изменений в взаимопроникновение каналов не внесла. Видимо это особенность работы. Лишь увеличилась выходная мощность при сопоставимых уровнях THD.
    Здравствуйте. Мое мнение что на влияние каналов влияет темброблок. Вами обведенный красным цветом в третьем сообщении участок схемы это по-моему включение усилителя от входного сигнала.

  16. #16
    Завсегдатай Аватар для dvm1961
    Регистрация
    09.06.2010
    Адрес
    Беларусь, Речица
    Возраст
    64
    Сообщений
    1,394

    По умолчанию Re: Microlab Solo2 mk3 сигнал с одного канала попадает на второй.

    Цитата Сообщение от stratov Посмотреть сообщение
    Вами обведенный красным цветом в третьем сообщении участок схемы это по-моему включение усилителя от входного сигнала.
    В колонках автора этой цепи нет, смотрите 6 сообщение. Можно отрезать дорожку с выхода оу на темброблок в одном канале и проверить версию влияния темброблока.

Социальные закладки

Социальные закладки

Ваши права

  • Вы не можете создавать новые темы
  • Вы не можете отвечать в темах
  • Вы не можете прикреплять вложения
  • Вы не можете редактировать свои сообщения
  •