Страница 1 из 3 123 Последняя
Показано с 1 по 20 из 47

Тема: Электро-магнитная совместимость цифрового источника сигнала с аналоговыми компонентами аудио комплекса

  1. #1
    Старый знакомый
    Автор темы
    Аватар для Игорь Тихомиров
    Регистрация
    16.10.2018
    Адрес
    Москва СВАО
    Сообщений
    561

    По умолчанию Электро-магнитная совместимость цифрового источника сигнала с аналоговыми компонентами аудио комплекса

    Проблема электро-магнитной совместимости (В дальнейшем ЭМС) цифрового источника сигнала с аналоговыми компонентами аудио комплекса представляет собой задачу, которой часто не уделяется должного внимания. А зря. Ибо, все достоинства отдельных частей аудио комплекса могут быть сведены на нет отрицательным влиянием высокочастотных (в дальнейшем ВЧ) помех исходящих от аппаратной части цифрового источника аудио сигнала.
    Рассмотрим типовую конфигурацию современного аудио комплекса, состоящего из компьютера, внешнего цифро-аналогового преобразователя (в дальнейшем ЦАП), стерео усилителя низкой (звуковой) частоты (в дальнейшем УНЧ) и двух акустических систем (в дальнейшем АС).
    Влияние ВЧ помех на аналоговую часть аудио комплекса, которая чаще всего состоит из предварительного и оконечного (усилитель мощности) УНЧ, состоит в следующем. Типовой полупроводниковый усилитель мощности НЧ представляет собой двух, трех каскадной устройство с непосредственной связью между каскадами, охваченный петлей общей отрицательной обратной связи (в дальнейшем ООС) глубиной не менее 40 дБ. Причем, полоса пропускания УНЧ с разомкнутой петлей ООС как правило составляет не более 20 кГц со спадом в области ВЧ 20 дБ/дек. Проникшие, в электрические цепи с активными усилительными элементами, ВЧ помехи, из-за нелинейности передаточных характеристик транзисторов или радиоламп, начинают взаимодействовать с аудио сигналом. При этом продукты этого взаимодействия попадают в область слышимых частот вызывая искажения. Почему это происходит? Дело в том, что усилительные цепи НЧ, как правило, не рассчитаны на работу в области ВЧ. УНЧ имеющий выдающиеся параметры в области звуковых частот может совершенно "рассыпаться" при попадании в его электрические цепи ВЧ составляющих, частотой от 1 мГц и выше, даже относительно малой амплитуды. Особенно катастрофична будет ситуация, если ВЧ составляющие попали в цепь ООС, вызывая ошибки в ее работе. Разные УНЧ не одинаково реагируют на проникшие в электрические цепи ВЧ помехи. Например ламповые УНЧ, не охваченные общей петлей ООС, менее чувствительны к наличию в своих электрических цепях ВЧ составляющих. Но тут тоже возможны варианты.
    Как бороться, с пагубным для звука, проникновением ВЧ составляющих в НЧ цепи? Ответ очевиден. Надо исключить возможность их попадания в аналоговый аудиотракт. Как это сделать будет написано ниже. Для примера возьмем аудио комплекс который я в настоящее время использую, состоящий из компьютера, внешнего ЦАП Teac-U301, лампового СЧ-ВЧ стерео усилителя "Триоль-РР" и активного сабвуфера с полупроводниковым усилителем мощности класса D. Естественно результаты проделанной работы должны оцениваться с помощью инструментальных средств объективного контроля электрических параметров.
    Итак начнем. Прежде всего необходимо наладить адекватную методику измерений. В качестве основного регистрирующего инструмента обычно используется звуковая карта компьютера. Ее целесообразно протестировать источником сигнала заведомо лишенным ВЧ помех. В качестве такового я использовал звуковой генератор Г3-118.
    Если Вы убедились, что все нормально, то можно двигаться дальше.
    В начале надо протестировать на ЭМС внешний ЦАП. У меня основным ЦАПом является Teac-U301. Данные выводятся из компьютера по интерфейсу USB. При непосредственном соединении выхода ЦАП с входом звуковой карты стационарного компьтера выяснилось, что в полученном спектре выходного сигнала ЦАП творится черт знает что. Тогда я попробовал, в качестве источника аудио данных, взять ноутбук. Ситуация кардинально не изменилась. Причем достаточно было соприкаснуть "общие контакты" аналогового кабеля, подключенного к входу звуковой карты, и выходного разъема ЦАП, чтобы, при включении ЦАП, полученный спектр оказывался засоренным паразитными дискретными составляющими и "шумом". Тогда я поступил следующим образом. К входу звуковой карты подключил звуковой разделительный трансформатор, в качестве которого был использован "симметрирующий трансформатор" от милливольтметра В3-33, имеющий в своем составе RC ВЧ фильтр. Вход "симметрирующего трансформатора" необходимо подключить к проверяемой цепи, в данном случае к выходу ЦАП. Чтобы исключить распространение ВЧ помех от ЦАП по проводам сетевого кабеля ~220 В, в частности по "земляному проводу", я его доработал. С обоих концов сетевого кабеля, внутри вилки и розетки, на каждый из трех проводов одел ферритовые кольца с высокой магнитной проницаемостью (1500НМ К7х4х2, по два витка жилы сетевого кабеля). После проведенных мероприятий проверил выходной спектр, запустив в ЦАП синтезированный синусоидальный сигнал. Спектр оказался свободным от помех и не искаженный гармониками.
    В результате проделанных измерений стало понятно, внешний ЦАП Teac-U301, на своем выходе, дает свободный от помех и искажений аудио сигнал. Теперь можно двигаться дальше.
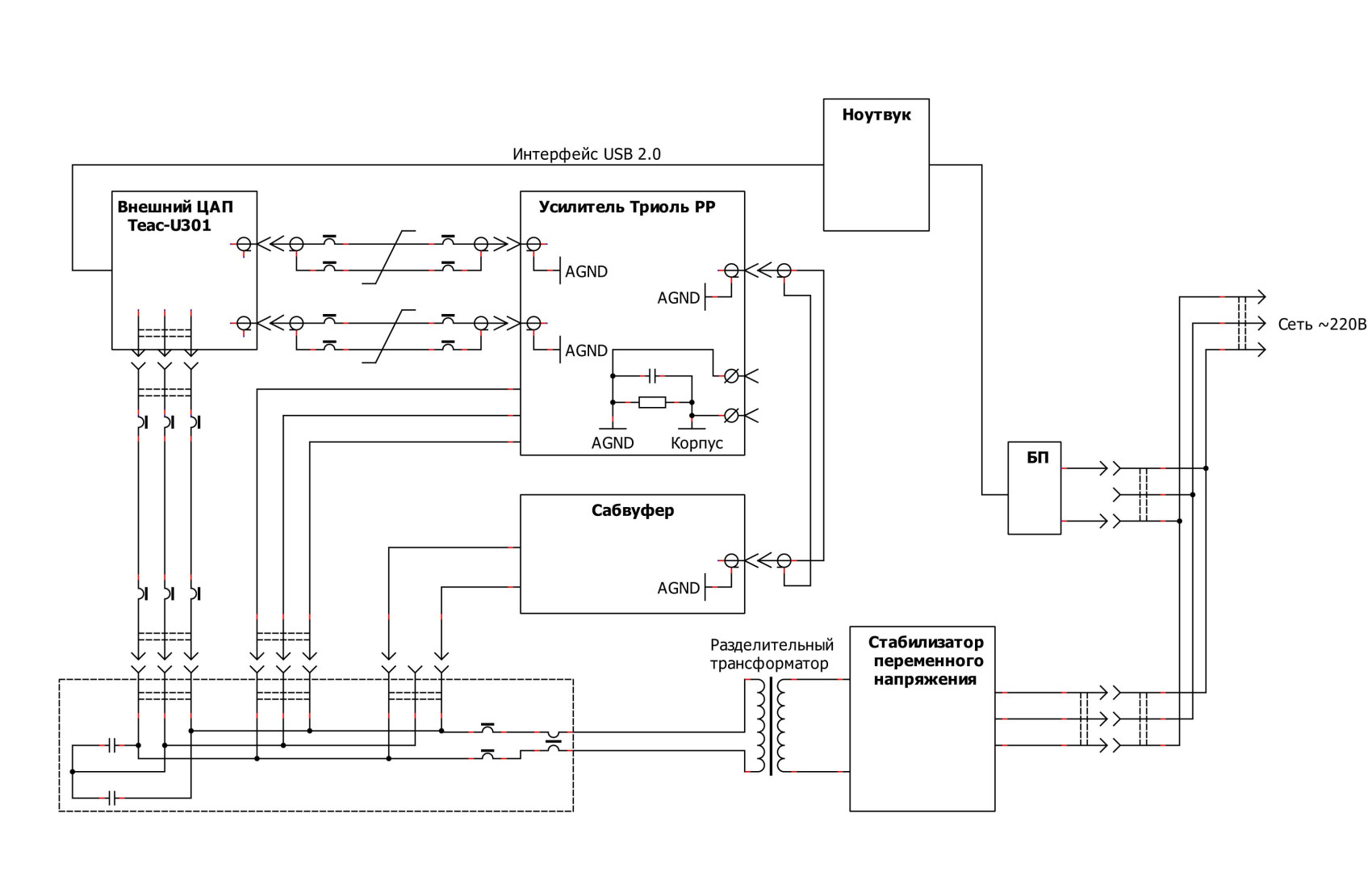
    Не буду утомлять читателей пространными рассуждениями, а сразу покажу схему соединений компонентов моего аудио комплекса (рис.1).
    Нажмите на изображение для увеличения. 

Название:	схема_F.JPG 
Просмотров:	427 
Размер:	208.4 Кб 
ID:	366640
    Рис.1

    Что в схеме сразу бросается в глаза. Прежде всего это наличие, в цепи питания от "сети ~220 В", стабилизатора переменного напряжения и разделительного трансформатора на его выходе. Сразу оговорюсь, стабилизатор "сети ~220 В" применять не обязательно. В моем случае это вызвано необходимостью иметь более менее стабильное напряжение для питания лампового усилителя. А вот применение разделительного трансформатора желательно в любом случае. Разделительный трансформатор дает гальваническую развязку "корпусной земли" РА аудио комплекса от сетевого "Защитного заземления" РЕ. Такое решение называется схемой питания с изолированной нейтралью (рис 2).
    Нажмите на изображение для увеличения. 

Название:	Схема с изол нейтралью 1.jpg 
Просмотров:	348 
Размер:	17.2 Кб 
ID:	366641
    Рис.2

    При реализации схемы питания с изолированной нейтралью необходимо выполнить следующие условия:
    - корпуса аудио комплекса должны быть соединены между собой для уравнивания потенциалов (подключены к изолированной нейтрали РА), и не иметь соединений с защитными проводниками и открытыми проводящими частями других других устройств корпуса которых подключены к "Защитному заземлению" РЕ "Первичной сети ~220 В";
    - все штепсельные розетки должны иметь "защитный контакт", присоединенный к местной не заземленной системе уравнивания потенциалов (изолированной нейтрали РА).
    Рассмотрим преимущества схемы питания с изолированной нейтралью.
    Первое преимущество схемы питания с изолированной нейтралью состоит в том, что она обеспечивает практически полную электробезопасность. При пробое фазы напряжения "изолированной сети ~220 В" на корпус устройства, прикосновение нему человека не приведет к поражению электрическим током. Ведь фазы ~220 В изолированны от "Защитной земли" и поэтому ток не может потечь через человека (рис.3).
    Нажмите на изображение для увеличения. 

Название:	Эл безопасность с разд трансом.jpg 
Просмотров:	429 
Размер:	48.4 Кб 
ID:	366642
    Второе, в нашем случае основное, преимущество состоит в следующем. Изоляция от "Защитной земли" и от проводов "Первичной сети ~220 В" препятствует проникновению разного рода электрических помех в цепи питания аудио комплекса. Механизм возможного проникновения помех через разделительный трансформатор показан на рис.3. Из рисунка видно, что помехи от проводов "Первичной сети ~220 В" и "Защитного заземления" могут попасть в провода "Изолированной сети ~220 В" через паразитную емкость между обмотками разделительного трансформатора, а также через паразитные емкости между проводником "Защитного заземления" РЕ "Первичной "сети ~220 В" и фазами "Изолированной сети ~220 В" . Поскольку эти емкости не велики, то проникновение помех через них легко минимизировать с помощью простейшего LC фильтра включенного в цепи "Изолированной сети ~220 В" (Рис.1). Элементы LC фильтра фильтра целесообразно смонтировать в многопозиционной "Евро-розетке", в которую будут включаться все кабели питания компонентов аудио комплекса. Если Вам не хочется заморачиваться с изготовлением "эксклюзива" то можно воспользоваться, да простят меня господа аудиофилы, разветвителем "PilotPro". Только лучше заменить на нем трех контактную вилку на двух контактную (нулевой провод должен быть никуда не подключен).
    Еще одна важная тонкость. В качестве источника данных для внешнего ЦАП, в моем аудио комплексе, применен ноутбук. Применение ноутбука с питанием от "Первичной сети ~220 В" с помощью адаптера с двух проводным подключением позволяет изолировать цепи питания ноутбука от "Защитной земли" РА. Стационарный компьютер можно применить лишь в том случае, если интерфейс между ним и внешним ЦАП имеет гальваническую развязку, что является редкостью.
    Важным моментом обеспечения ЭМС компонентов аудио комплекса является необходимость недопущения проникновения ВЧ помех по межблочному аудио кабелю от внешнего ЦАП до входной цепи УНЧ. Ведь мы ранее выяснили, что на аналоговой "Земле" ЦАП Teac-U301, ВЧ помехи присутствуют в изобилии. "Аудиофильские шнурки" тут не помогут, а скорее наоборот, навредят. У меня эта проблема решена следующим образом. В качестве межблочного аудио кабеля я применил два свитых между собой проводника на концы которых одеты ферритовые кольца с высокой магнитной проницаемостью (Рис 1, проводник необходимо продеть через ферритовое кольцо два раза).
    Хотел бы рассказать еще об одном важном моменте, а именно о "Земляных петлях". Дело в том, что в ЦАП Teac-U301, да и не только в нем, "Аналоговая земля" имеет электрическую связь с корпусом и соответственно с нулевым контактом сетевой вилки. Если тоже самое сделано в УНЧ, тогда образуется "Земляная петля", наличие которой может привести к возникновению, слышимого в динамиках, фона с частотой 50 Гц. Не заземлять (или в данном случае не соединять с изолированной нейтралью) корпус УНЧ недопустимо по правилам техники безопасности и не только. Дело в том, что многие устройства имеют в первичной цепи питания "сети ~220 В" фильтр из двух, соединенных между собой, конденсаторов. Средняя точка такого емкостного фильтра соединена с корпусом, а крайние точки с фазами "сети ~220 В". Если корпус устройства "висит в воздухе", то при попытке перекоммутации частей включенного аудио комплекса с помощью межблочного кабеля, может наступить пробой аналогового выхода источника сигнала. В некоторых случаях может быть пробит и вход приемника. Чтобы обеспечить электробезопасность и добиться отсутствия "Земляной петли", в усилителе "Триоль РР" аналоговая земля и корпус не имеют непосредственной связи между собой. Эти цепи соединены с помощью параллельно включенных резистора и конденсатора. Конденсатор нужен для блокировки ВЧ помех. Цепи "Аналоговая земля" и "Корпус" выведены на отдельные клеммы, которые можно соединить или не соединять между собой. В случае, если аналоговая земля источника аудио сигнала соединена с корпусом, клеммы "Аналоговая земля" и "Корпус" УНЧ должны быть не соединены.
    В заключении необходимо проверить чистоту спектра сигнала на выходе УНЧ. Для этого вход звуковой карты компьютера используемого для измерений (не ноутбука, входящего в состав аудио комплекса), через делитель напряжения и звуковой разделительный трансформатор ("симметрирующий трансформатор" от милливольтметра В3-33), нужно подключить к клеммам подключения АС УНЧ. Затем надо запустить в ЦАП синтезированный синусоидальный сигнал. Если спектр окажется свободным от помех и неискаженный гармониками, то все в порядке.
    Надеюсь данный материал оказался полезен как разработчикам, так и пользователям аудио аппаратуры.
    Последний раз редактировалось Игорь Тихомиров; 12.03.2020 в 19:34.

  2. #2
    Частый гость
    Регистрация
    19.11.2018
    Адрес
    Россия
    Сообщений
    312

    По умолчанию Re: Электро-магнитная совместимость цифрового источника сигнала с аналоговыми компонентами аудио комплекса

    Для включения медицинского оборудования к сети используют трансформаторы с гальванической развязкой.
    Для уменьшения помех из сети, ну и для безопасности само собой.
    Трансформатор был вместе с оборудованием. А в нашей сети нужно 230 /120. В общем он мне достался.
    Он для американского оборудования 120 / 120.
    Использовал его для питания японской техники 100 вольт. (получается еще с пониженной индукцией он же на 120 а использовал на 100 )
    Теперь есть желание все компоненты системы включить через свой разделительный трансформатор (каждый компонент) , согласен что это правильно, результат положительный.
    У многих компьютер используется в системе, там результат будет очень заметен, плюс избавит от проблем с фильтром (блока питания ) хотя токи там не велики, но без заземления могут устроить беду при коммутации.
    Все фильтровать и разделять.
    Так сказать ( divide et impera )!

    ---------- Сообщение добавлено 13.03.2020 в 14:49 ---------- Предыдущее сообщение было 12.03.2020 в 21:44 ----------

    Судя по активности в ветке все и всем о правильном подключении давно известно.
    А совсем убрать паразитные пути прохождения сигналов, пытались очень давно.
    Есть линейка японской (Древней техники ) где Пред и ЦАП имеют аккумуляторное питание, применили решение в Лоб. Соединение между компонентами только в одной единственной точке.
    Последний раз редактировалось Visokovoltnik; 13.03.2020 в 09:30.

  3. #3
    Завсегдатай Аватар для Pest
    Регистрация
    02.07.2009
    Адрес
    Архангельск
    Возраст
    37
    Сообщений
    2,290

    По умолчанию Re: Электро-магнитная совместимость цифрового источника сигнала с аналоговыми компонентами аудио комплекса

    Цитата Сообщение от Игорь Тихомиров Посмотреть сообщение
    При реализации схемы питания с изолированной нейтралью необходимо выполнить следующие условия:
    - корпуса аудио комплекса должны быть соединены между собой для уравнивания потенциалов (подключены к изолированной нейтрали РА), и не иметь соединений с защитными проводниками и открытыми проводящими частями других других устройств корпуса которых подключены к "Защитному заземлению" РЕ "Первичной сети ~220 В";
    - все штепсельные розетки должны иметь "защитный контакт", присоединенный к местной не заземленной системе уравнивания потенциалов (изолированной нейтрали РА).
    При этом необходимо, чтобы не было соединений аналогового общего провода и PE, в противном случае возникают замкнутые контуры - эффективные приемники магнитных наводок (и не только 50гц, разумеется). Соединения аналоговой земли в идеале не должны иметь замкнутых контуров не в каком виде, в том числе по переменному току или на ВЧ (через паразитные/конструктивные емкости).

    Цитата Сообщение от Игорь Тихомиров Посмотреть сообщение
    Второе, в нашем случае основное, преимущество состоит в следующем. Изоляция от "Защитной земли" и от проводов "Первичной сети ~220 В" препятствует проникновению разного рода электрических помех в цепи питания аудио комплекса.
    Верно, но вы не учитываете возможность наличия источника таких помех внутри "изолированного" участка. Например, если в одном из компонентов аудиотракта используется ИИП - он и станет источником синфазных и дифференциальных помех внутри изолированной области. Усилитель D-класса при не оптимальной конструкции и сам по себе может стать источником синфазных ВЧ помех.

    Цитата Сообщение от Игорь Тихомиров Посмотреть сообщение
    Еще одна важная тонкость. В качестве источника данных для внешнего ЦАП, в моем аудио комплексе, применен ноутбук. Применение ноутбука с питанием от "Первичной сети ~220 В" с помощью адаптера с двух проводным подключением позволяет изолировать цепи питания ноутбука от "Защитной земли" РА. Стационарный компьютер можно применить лишь в том случае, если интерфейс между ним и внешним ЦАП имеет гальваническую развязку, что является редкостью.
    Если вы не прослушиваете Hi Res форматы, то можно применить изолятор на ADUM4160. Пока что все устройства, что мне попадались нормально работали через такой изолятор, но список поддерживаемых форматов ограничивается до 16/44,1 и 16/48,0 т.к. соединение через изолятор происходит по протоколу USB1.1.

    Цитата Сообщение от Игорь Тихомиров Посмотреть сообщение
    Важным моментом обеспечения ЭМС компонентов аудио комплекса является необходимость недопущения проникновения ВЧ помех по межблочному аудио кабелю от внешнего ЦАП до входной цепи УНЧ. Ведь мы ранее выяснили, что на аналоговой "Земле" ЦАП Teac-U301, ВЧ помехи присутствуют в изобилии. "Аудиофильские шнурки" тут не помогут, а скорее наоборот, навредят. У меня эта проблема решена следующим образом. В качестве межблочного аудио кабеля я применил два свитых между собой проводника на концы которых одеты ферритовые кольца с высокой магнитной проницаемостью (Рис 1, проводник необходимо продеть через ферритовое кольцо два раза).
    Лучше синфазный фильтр поставить где-нибудь в другом месте контура, где не протекает сигнальный ток. Например, в вашем случае по питанию и по шине USB одновременно. Причем настоящий синфазный фильтр имеющий подавление не только на СВЧ. В дополнении - большинство ЦАПов имеют в выходном сигнале ВЧ составляющие (кратные тактовым частотам) и с ними нужно бороться в первую очередь. Причем как в каскадах самого ЦАП, так и в последующих...

    ---------- Сообщение добавлено 16:57 ---------- Предыдущее сообщение было 16:56 ----------

    Цитата Сообщение от Visokovoltnik Посмотреть сообщение
    А совсем убрать паразитные пути прохождения сигналов, пытались очень давно.
    Есть линейка японской (Древней техники ) где Пред и ЦАП имеют аккумуляторное питание, применили решение в Лоб. Соединение между компонентами только в одной единственной точке.
    Это все можно сделать и без таких изысков. Малошумящий ЦАП устанавливается в усилитель.....

  4. #4
    Завсегдатай Аватар для Meta|_
    Регистрация
    08.03.2005
    Адрес
    Северная Голландия
    Возраст
    42
    Сообщений
    2,201

    По умолчанию Re: Электро-магнитная совместимость цифрового источника сигнала с аналоговыми компонентами аудио комплекса

    Цитата Сообщение от Pest Посмотреть сообщение
    Если вы не прослушиваете Hi Res форматы, то можно применить изолятор на ADUM4160. Пока что все устройства, что мне попадались нормально работали через такой изолятор, но список поддерживаемых форматов ограничивается до 16/44,1 и 16/48,0 т.к. соединение через изолятор происходит по протоколу USB1.1.
    Стерео 96кГц*24бит работает без проблем. 192кГц и/или многоканал - возможны варианты.
    ∇·D = ρ
    ∇·B = 0
    ∇xE = – ∂B/∂t
    ∇xH = j + ∂D/∂t
    © J. C. Maxwell, O. Heaviside

  5. #5
    Не хочу! Аватар для Alex
    Регистрация
    20.03.2003
    Адрес
    Worldwide
    Возраст
    63
    Сообщений
    39,056

    По умолчанию Re: Электро-магнитная совместимость цифрового источника сигнала с аналоговыми компонентами аудио комплекса

    Цитата Сообщение от Pest Посмотреть сообщение
    список поддерживаемых форматов ограничивается до 16/44,1 и 16/48,0 т.к. соединение через изолятор происходит по протоколу USB1.1.

    До 96/24 или 192/16.


    Цитата Сообщение от Meta|_ Посмотреть сообщение
    192кГц и/или многоканал - возможны варианты.
    С этой адумкой - нет вариантов.
    "Замполит, чайку?"(с)"Охота за Красным Октябрем".
    "Да мне-то что, меняйтесь!"(с)анек.
    <-- http://altor1.narod.ru --> Вопросы - в личку, е-мейл, скайп.

  6. #6
    Завсегдатай Аватар для Meta|_
    Регистрация
    08.03.2005
    Адрес
    Северная Голландия
    Возраст
    42
    Сообщений
    2,201

    По умолчанию Re: Электро-магнитная совместимость цифрового источника сигнала с аналоговыми компонентами аудио комплекса

    Цитата Сообщение от Alex Посмотреть сообщение
    С этой адумкой - нет вариантов.

    Offтопик:
    Лень было расписывать... 6 каналов по 44.1/16 - пролезут, стерео 192/16 - пролезет. То есть какие-то варианты таки есть
    ∇·D = ρ
    ∇·B = 0
    ∇xE = – ∂B/∂t
    ∇xH = j + ∂D/∂t
    © J. C. Maxwell, O. Heaviside

  7. #7
    Давно не заходил
    Регистрация
    09.05.2018
    Адрес
    Voronezh
    Сообщений
    4,712

    По умолчанию Re: Электро-магнитная совместимость цифрового источника сигнала с аналоговыми компонентами аудио комплекса

    Поскольку в теме обсуждаются только кондуктивные связи, термин ЭМС употреблен не по назначению.
    На самом деле тема о схемотехнике межблочных соединений. По факту.

  8. #8
    Старый знакомый
    Автор темы
    Аватар для Игорь Тихомиров
    Регистрация
    16.10.2018
    Адрес
    Москва СВАО
    Сообщений
    561

    По умолчанию Re: Электро-магнитная совместимость цифрового источника сигнала с аналоговыми компонентами аудио комплекса

    Цитата Сообщение от Pest Посмотреть сообщение
    Верно, но вы не учитываете возможность наличия источника таких помех внутри "изолированного" участка. Например, если в одном из компонентов аудиотракта используется ИИП - он и станет источником синфазных и дифференциальных помех внутри изолированной области.
    А это про что?
    Цитата Сообщение от Игорь Тихомиров Посмотреть сообщение
    Чтобы исключить распространение ВЧ помех от ЦАП по проводам сетевого кабеля ~220 В, в частности по "земляному проводу", я его доработал. С обоих концов сетевого кабеля, внутри вилки и розетки, на каждый из трех проводов одел ферритовые кольца с высокой магнитной проницаемостью (1500НМ К7х4х2, по два витка жилы сетевого кабеля).
    Цитата Сообщение от Pest Посмотреть сообщение
    В дополнении - большинство ЦАПов имеют в выходном сигнале ВЧ составляющие (кратные тактовым частотам) и с ними нужно бороться в первую очередь. Причем как в каскадах самого ЦАП, так и в последующих...
    С этим борятся в самом ЦАП. Не об них речь.
    Цитата Сообщение от VladimirV Посмотреть сообщение
    Поскольку в теме обсуждаются только кондуктивные связи, термин ЭМС употреблен не по назначению.
    Электромагнитная совместимость (ЭМС) технических средств — способность технических средств одновременно функционировать в реальных условиях эксплуатации с требуемым качеством при воздействии на них непреднамеренных электромагнитных помех и не создавать недопустимых электромагнитных помех другим техническим средствам.
    Последний раз редактировалось Игорь Тихомиров; 13.03.2020 в 19:31.

  9. #9
    Давно не заходил
    Регистрация
    09.05.2018
    Адрес
    Voronezh
    Сообщений
    4,712

    По умолчанию Re: Электро-магнитная совместимость цифрового источника сигнала с аналоговыми компонентами аудио комплекса

    Цитата Сообщение от Игорь Тихомиров Посмотреть сообщение
    при воздействии на них непреднамеренных электромагнитных помех и не создавать недопустимых электромагнитных помех другим техническим средствам.
    Здесь нету сторонних источников помех. Как нету и других технических средств. Рассматривается единая СИСТЕМА звуковоспроизведения. Объединенная одной целью, одним предназначением. Иначе так недалеко и до разделения "верхнего" и "нижнего" плеч двухтактного усилителя с попыткой изучать их взаимовлияние с т.з. их ЭМС. Что - очевидно абсурдно!
    В теории ЭМС под "другими техническими средствами" подразумеваются устройства, выполняющие другие задачи. Например - радиостанция обеспечивает связь, а радиолокатор - обзор окружающей среды. Их ЭМС означает, что локатор не мешает связи, а связь - локации. А в том, с чего начат топик - такого деления быть не может.

  10. #10
    Завсегдатай Аватар для Pest
    Регистрация
    02.07.2009
    Адрес
    Архангельск
    Возраст
    37
    Сообщений
    2,290

    По умолчанию Re: Электро-магнитная совместимость цифрового источника сигнала с аналоговыми компонентами аудио комплекса

    Цитата Сообщение от Игорь Тихомиров Посмотреть сообщение
    Чтобы исключить распространение ВЧ помех от ЦАП по проводам сетевого кабеля ~220 В, в частности по "земляному проводу", я его доработал. С обоих концов сетевого кабеля, внутри вилки и розетки, на каждый из трех проводов одел ферритовые кольца с высокой магнитной проницаемостью (1500НМ К7х4х2, по два витка жилы сетевого кабеля).
    Вряд-ли это способно как-то ощутимо повлиять на спектр тока помех протекающего в межблочном кабеле в интересующем диапазоне частот. Или я ошибаюсь?

    Цитата Сообщение от Игорь Тихомиров Посмотреть сообщение
    С этим борятся в самом ЦАП. Не об них речь.
    Я считаю, что в вопросах ЭМС и обеспечения целостности сигналов в аудиотракте необходимо рассматривать систему и проблему в целом. Вы подняли только проблему наведения помех через "общий импенданс" земли сигнального кабеля. Но это лишь часть проблемы.


    Offтопик:
    Цитата Сообщение от Meta|_ Посмотреть сообщение
    Стерео 96кГц*24бит работает без проблем.
    Мне уже ранее говорили, что пролезать через ADUM должно 24/96. Но фактически, конкретные девайсы все как один отказываются через ADUM работать далее, чем на 16/44,1 и 16/48,0. Кстати многоканальные девайсы я еще не пробовал.

  11. #11
    Старый знакомый
    Автор темы
    Аватар для Игорь Тихомиров
    Регистрация
    16.10.2018
    Адрес
    Москва СВАО
    Сообщений
    561

    По умолчанию Re: Электро-магнитная совместимость цифрового источника сигнала с аналоговыми компонентами аудио комплекса

    Цитата Сообщение от Pest Посмотреть сообщение
    интересующем диапазоне частот.
    От цифровых интерфейсов идут помехи от нескольких десятков мГц. Их ферритовые изделия задерживают.

    ---------- Сообщение добавлено 21:08 ---------- Предыдущее сообщение было 21:03 ----------

    Цитата Сообщение от VladimirV Посмотреть сообщение
    Здесь нету сторонних источников помех. Как нету и других технических средств.
    Да Вы что? А компьютеры, стиральные машины, мобильники вай-фай и тд.

  12. #12
    Давно не заходил
    Регистрация
    09.05.2018
    Адрес
    Voronezh
    Сообщений
    4,712

    По умолчанию Re: Электро-магнитная совместимость цифрового источника сигнала с аналоговыми компонентами аудио комплекса

    Цитата Сообщение от Игорь Тихомиров Посмотреть сообщение
    Да Вы что? А компьютеры, стиральные машины, мобильники вай-фай и тд
    И где это все упомянуто в теме? Где анализ создаваемых этими средствами помех, разбор путей проникновения этих помех в анализируемую систему?
    Я же написал "по факту" тема не об ЭМС, а о схемотехнике внутрисистемных связей. Так оно и есть. А все другие технические средства - вне данной темы.

  13. #13
    Старый знакомый
    Автор темы
    Аватар для Игорь Тихомиров
    Регистрация
    16.10.2018
    Адрес
    Москва СВАО
    Сообщений
    561

    По умолчанию Re: Электро-магнитная совместимость цифрового источника сигнала с аналоговыми компонентами аудио комплекса

    Особенно про компьютеры ничего не написано

  14. #14
    Частый гость
    Регистрация
    28.03.2015
    Сообщений
    153

    По умолчанию Re: Электро-магнитная совместимость цифрового источника сигнала с аналоговыми компонентами аудио комплекса

    Цитата Сообщение от Pest Посмотреть сообщение
    Вряд-ли это способно как-то ощутимо повлиять на спектр тока помех протекающего в межблочном кабеле в интересующем диапазоне частот. Или я ошибаюсь?


    Я считаю, что в вопросах ЭМС и обеспечения целостности сигналов в аудиотракте необходимо рассматривать систему и проблему в целом. Вы подняли только проблему наведения помех через "общий импенданс" земли сигнального кабеля. Но это лишь часть проблемы.


    Offтопик:

    Мне уже ранее говорили, что пролезать через ADUM должно 24/96. Но фактически, конкретные девайсы все как один отказываются через ADUM работать далее, чем на 16/44,1 и 16/48,0. Кстати многоканальные девайсы я еще не пробовал.
    ADUM работает c USB full-speed. Соответственно, и параметры ограничены длиной макс. изохронной транзакции: 1023 байт в миллисекунду.
    развязывать оптикой НУЖНО I2S

  15. #15
    Старый знакомый
    Автор темы
    Аватар для Игорь Тихомиров
    Регистрация
    16.10.2018
    Адрес
    Москва СВАО
    Сообщений
    561

    По умолчанию Re: Электро-магнитная совместимость цифрового источника сигнала с аналоговыми компонентами аудио комплекса

    Господа, кто нибудь такой изолятор USB не использовал https://www.olimex.com/Products/USB-Modules/USB-ISO/? ЦАП с ним будет работать в режиме 96 кГц/24р?

  16. #16
    Не хочу! Аватар для Alex
    Регистрация
    20.03.2003
    Адрес
    Worldwide
    Возраст
    63
    Сообщений
    39,056

    По умолчанию Re: Электро-магнитная совместимость цифрового источника сигнала с аналоговыми компонентами аудио комплекса

    Цитата Сообщение от Игорь Тихомиров Посмотреть сообщение
    ЦАП с ним будет работать в режиме 96 кГц/24р?
    Там же черным по белому написано:

    Fits USB Audio Class 1 standard (the maximum throughput is 12 Mbps and 24 bits / 96 KHz.)
    "Замполит, чайку?"(с)"Охота за Красным Октябрем".
    "Да мне-то что, меняйтесь!"(с)анек.
    <-- http://altor1.narod.ru --> Вопросы - в личку, е-мейл, скайп.

  17. #17
    Давно не заходил
    Регистрация
    09.05.2018
    Адрес
    Voronezh
    Сообщений
    4,712

    По умолчанию Re: Электро-магнитная совместимость цифрового источника сигнала с аналоговыми компонентами аудио комплекса

    Цитата Сообщение от Игорь Тихомиров Посмотреть сообщение
    ЦАП с ним будет работать в режиме 96 кГц/24р?
    Смотря какой. Например внешняя ЗК Scarlett-2i2 работает по своим драйверам только на скорости HS, поэтому через этот изолятор работать не будет ни при каком режиме. Возможно, что-то можно свое написать так, что будет работать только на передачу до режима 96/24. Но готового такого драйвера нету.

  18. #18
    Старый знакомый
    Автор темы
    Аватар для Игорь Тихомиров
    Регистрация
    16.10.2018
    Адрес
    Москва СВАО
    Сообщений
    561

    По умолчанию Re: Электро-магнитная совместимость цифрового источника сигнала с аналоговыми компонентами аудио комплекса

    С ЦАП Teac U301?

  19. #19
    Завсегдатай Аватар для domician
    Регистрация
    07.12.2012
    Сообщений
    2,756

    По умолчанию Re: Электро-магнитная совместимость цифрового источника сигнала с аналоговыми компонентами аудио комплекса

    Лучшее решение любой проблемы - ее не создавать.
    Люди использует заточенный под играми/тяжелым ПО комп для аудио/видео, почему-то имеет вечно засунутых в сеть десяток зарядок, вместо того, чтоб если уж перешел на светодиодном освещении, выбрать "лампочек" без внутренних импульсников и запитать все от общего питальника и.т.д. Так же, при возможности, разбросать потребителей по разным фазам и закопать нормальную землю.
    И зачем изолировать USB, если можно I2S.

  20. #20
    Не хочу! Аватар для Alex
    Регистрация
    20.03.2003
    Адрес
    Worldwide
    Возраст
    63
    Сообщений
    39,056

    По умолчанию Re: Электро-магнитная совместимость цифрового источника сигнала с аналоговыми компонентами аудио комплекса

    Цитата Сообщение от domician Посмотреть сообщение
    И зачем изолировать USB, если можно I2S.
    Например - чтобы не лазить в готовый прмышленный аппарат.

    Правда, я не очень понмиаю, зачем сейчас покупать фулспидовый изолятор, если можно (хотя бы "на вырост") купить хайспидовый. Они немноо подорожали в последнее время, но в все-же это уже далеко не 300 евро, как раньше.
    "Замполит, чайку?"(с)"Охота за Красным Октябрем".
    "Да мне-то что, меняйтесь!"(с)анек.
    <-- http://altor1.narod.ru --> Вопросы - в личку, е-мейл, скайп.

Страница 1 из 3 123 Последняя

Социальные закладки

Социальные закладки

Ваши права

  • Вы не можете создавать новые темы
  • Вы не можете отвечать в темах
  • Вы не можете прикреплять вложения
  • Вы не можете редактировать свои сообщения
  •