Страница 1 из 4 123 ... Последняя
Показано с 1 по 20 из 71

Тема: Цепь коррекции выходного каскада

  1. #1
    Частый гость
    Автор темы

    Регистрация
    29.04.2005
    Сообщений
    189

    По умолчанию Цепь коррекции выходного каскада

    В конце темы про коррекцию УН немного обсуждалось как распространить принцип коррекции на выходной каскад. Причем интересно ввести коррекцию в усилитель без основательной переделки и усложнения.

    Для выходного каскада есть сложность в совмещении противоречивых требований, из них основные:
    -коррекция должна быть "вперед" - но нагрузка конечный элемент усилителя ;
    -каскад коррекции маломощный - но в нагрузке большие токи и суммирование на резисторах не подойдет.

    Один из вариантов (на левой схеме, выходной каскад показан упрощенно) - разорвать земляной провод нагрузки и низковольтным но сильноточным усилителем подавать сигнал коррекции EС. Он должен быть такой же величины и полярности как сигнал ошибки Е выделенный из сигнала на выходе усилителя. Но фактически нужно добавить второй усилитель с параметрами превышающими основной.

    На левой же схеме видно, что земляной провод это второй равноправный дифференциальный вход схемы если его оторвать от земли и соединить как показано пунктиром. Этот "земляной" вход так же слаботочный и может быть использован для сигнала коррекции прямо с выхода быстрого ОУ как на правой схеме.

    Предварительный усилитель напряжения, не показанный на рисунках, может быть с ОООС и без, но с низким выходным сопротивлением.

    Питание выходного каскада оказывается привязанным к искусственной земле. Но *недостаток* можно превратить в преимущество
    Миниатюры Миниатюры Нажмите на изображение для увеличения. 

Название:	outc.jpg 
Просмотров:	1610 
Размер:	22.6 Кб 
ID:	18870  

  2. #2
    http://akotov.narod.ru Аватар для Александр Котов
    Регистрация
    19.10.2004
    Адрес
    Ленобласть
    Возраст
    55
    Сообщений
    3,180

    По умолчанию Re: Цепь коррекции выходного каскада

    Извиняюсь, что створческого начстроя сбиваю, но у тебя во второй схеме короткое замыкание по переменному току через конденсаторы GB3 и GB4, и снимать там какой-либо сигнал уже бесполезно.

  3. #3
    мифолог Аватар для anli
    Регистрация
    06.11.2004
    Сообщений
    4,735

    По умолчанию Re: Цепь коррекции выходного каскада

    Цитата Сообщение от Александр Котов Посмотреть сообщение
    через конденсаторы GB3 и GB4
    Это БП.

  4. #4
    Частый гость
    Автор темы

    Регистрация
    29.04.2005
    Сообщений
    189

    По умолчанию Re: Цепь коррекции выходного каскада

    Цитата Сообщение от Александр Котов Посмотреть сообщение
    Извиняюсь, что створческого начстроя сбиваю, но у тебя во второй схеме короткое замыкание по переменному току через конденсаторы GB3 и GB4, и снимать там какой-либо сигнал уже бесполезно.
    нет

  5. #5
    Регистрация не подтверждена Аватар для Alex Nikitin
    Регистрация
    03.01.2005
    Адрес
    London UK
    Сообщений
    4,388

    По умолчанию Re: Цепь коррекции выходного каскада

    Цитата Сообщение от Uni&Vers Посмотреть сообщение
    Питание выходного каскада оказывается привязанным к искусственной земле. Но *недостаток* можно превратить в преимущество
    Изящно. Мне понравилось, похоже, что так пока не делали. Нечто похожее вызывает проблемы при плохой разводке земли .

    Алексей

  6. #6
    Мимо проходил Аватар для Костя Мусатов
    Регистрация
    05.03.2004
    Адрес
    Москва
    Возраст
    59
    Сообщений
    5,529

    По умолчанию Re: Цепь коррекции выходного каскада

    Можно сказать, что втрая схема - это схема с исскуственной землей. Если вход усилителя ошибки заземлить. Получается, что начинаем править землю по ошибке усилителя
    Недостаток я вижу в том, что минус нагрузки не соединен с землей. Случайное соединение этой клеммы на землю - тяжело будет усилителю ошибки.

    В Радио была схема, где суммировние делалось в спектральной области, ВЧ шло отдельным каналом. Хотя идейно, вроде, совсем разные подходы, результат очень близкий - усилитель ошибки высокого быстродействия помагает медленному мощному. Может быть, остутствие компонентов частотного суммирования, поможет усилителю. А то та из Радио совсем не играла, по крайней мере я знаю тех, кто слушал авторский вариант.

  7. #7
    Завсегдатай Аватар для PSV
    Регистрация
    07.05.2004
    Адрес
    Моск.обл.Черноголовка
    Возраст
    60
    Сообщений
    3,541

    По умолчанию Re: Цепь коррекции выходного каскада

    Uni&Vers, оригинально .Осталось придумать красивую практическую реализацию.Как вариант,можно снять разностный сигнал между входом и выходом повторителя ВК и подать его в нужной фазе на резистор 100 ом.Нечто похожее видел в схемах коррекции ВК усилителей датской фирмы THULE,здесь очень интересно выбран способ подачи сигнала коррекции.Там СК подавался последовательно по напряжению на вход ВК. Усилитель очень не плохо звучал без общей ООС, несмотря на очень малобюджетную конструкцию.
    Последний раз редактировалось PSV; 20.02.2007 в 10:09.

  8. #8
    Забанен (навсегда) Аватар для SashaNetrusov
    Регистрация
    25.01.2006
    Адрес
    Екатеринбург
    Возраст
    63
    Сообщений
    3,063

    По умолчанию Re: Цепь коррекции выходного каскада

    ......коррекцию можно подавать между INом и базами.Никакого плавающего питания не надо....
    Результат один...

  9. #9
    Мимо проходил Аватар для Костя Мусатов
    Регистрация
    05.03.2004
    Адрес
    Москва
    Возраст
    59
    Сообщений
    5,529

    По умолчанию Re: Цепь коррекции выходного каскада

    Цитата Сообщение от SashaNetrusov Посмотреть сообщение
    ......коррекцию можно подавать между INом и базами.Никакого плавающего питания не надо....
    Результат один...
    Не совсем. Ошибка будет компенсироваться опять таки с ошибкой УМ-а, поскольку сигнал коррекции пройдет через основной УМ. Во вторых, оперировать придется с большими напряжениями, а сейчас с большими токами.

  10. #10
    Забанен (навсегда) Аватар для SashaNetrusov
    Регистрация
    25.01.2006
    Адрес
    Екатеринбург
    Возраст
    63
    Сообщений
    3,063

    По умолчанию Re: Цепь коррекции выходного каскада

    .......в схеме, что справа землю подключите к точке соединения источников питаня, а выход ЕС к точке , где сейчас земля. Получите тоже самое, только земля в другом месте....
    Всё это называется коррекция назад...
    (ЕС д.б. равен напряжению между базами и эмиттерами повторителя)

  11. #11
    Частый гость
    Автор темы

    Регистрация
    29.04.2005
    Сообщений
    189

    По умолчанию Re: Цепь коррекции выходного каскада

    Цитата Сообщение от SashaNetrusov Посмотреть сообщение
    ......коррекцию можно подавать между INом и базами.Никакого плавающего питания не надо....
    Результат один...
    Разница большая:
    -Получится обратная связь по вычитанию искажений.
    -Задержка прохождения сигнала в корректирующей цепи вырастет.
    -Понадобится плавающее питание для ОУ.

    Цитата Сообщение от Костя Мусатов Посмотреть сообщение
    Не совсем. Ошибка будет компенсироваться опять таки с ошибкой УМ-а, поскольку сигнал коррекции пройдет через основной УМ. Во вторых, оперировать придется с большими напряжениями, а сейчас с большими токами.
    сейчас большие токи не нужны. Все токи нагрузки замыкаются через источники питания. Для схемы коррекции достаточно одного ОУ, потому что он управляет такими же токами как базовые (входные) токи выходного каскада.
    Если схема коррекции случайно замкнется на землю то это будет всего лишь кратковременное замыкание выхода ОУ на землю и отключение коррекции

    PSV- в практической реализации самое *тонкое* место это выделение точного сигнала ошибки. Сигнал ошибки низкого уровня трудно выделить в неинвертирующей и в инвертирующей схемах. Как правильно заметил Алексей земля это чувствительное место в схемах. Но в предложенной схеме *землю* можно контролировать и управлять сигналом нагрузки по ней.

  12. #12
    Забанен (навсегда) Аватар для SashaNetrusov
    Регистрация
    25.01.2006
    Адрес
    Екатеринбург
    Возраст
    63
    Сообщений
    3,063

    По умолчанию Re: Цепь коррекции выходного каскада

    Цитата Сообщение от Uni&Vers Посмотреть сообщение
    Разница большая:
    -Получится обратная связь по вычитанию искажений.
    -Задержка прохождения сигнала в корректирующей цепи вырастет.
    -Понадобится плавающее питание для ОУ.
    -она и в исходной схеме....
    -та же самая задержка, наоборот опер не нагружен на ёмкости источников питания.,
    -смотря какую схему делать.....

  13. #13
    Частый гость
    Автор темы

    Регистрация
    29.04.2005
    Сообщений
    189

    По умолчанию Re: Цепь коррекции выходного каскада

    Цитата Сообщение от SashaNetrusov Посмотреть сообщение
    -она и в исходной схеме....
    -та же самая задержка, наоборот опер не нагружен на ёмкости источников питания.,
    -смотря какую схему делать.....
    в исходной схеме ее нет, потому что точка в которой определяеися сигнал ошибки не совпадает с точкой в которую вводится сигнал коррекции.
    ОУ не нагружен на емкости. Для двух линий управления выходным каскадом - для входной и *земляной*, ток одинаковый. Это мостовая схема.

  14. #14
    Завсегдатай Аватар для PSV
    Регистрация
    07.05.2004
    Адрес
    Моск.обл.Черноголовка
    Возраст
    60
    Сообщений
    3,541

    По умолчанию Re: Цепь коррекции выходного каскада

    Цитата Сообщение от Uni&Vers Посмотреть сообщение
    PSV- в практической реализации самое *тонкое* место это выделение точного сигнала ошибки.
    Это точно.Если выделять разностный сигнал между входом и выходом ВК,возникает проблема с большой синфазной составляющей.Можно конечно сделать правающее питание ОУ,но это не красиво и громоздко.

  15. #15
    Мимо проходил Аватар для Костя Мусатов
    Регистрация
    05.03.2004
    Адрес
    Москва
    Возраст
    59
    Сообщений
    5,529

    По умолчанию Re: Цепь коррекции выходного каскада

    Цитата Сообщение от Uni&Vers Посмотреть сообщение
    сейчас большие токи не нужны. Все токи нагрузки замыкаются через источники питания. Для схемы коррекции достаточно одного ОУ, потому что он управляет такими же токами как базовые (входные) токи выходного каскада.
    Если схема коррекции случайно замкнется на землю то это будет всего лишь кратковременное замыкание выхода ОУ на землю и отключение коррекции
    А ты не пробовал симулировать? Я опасаюсь, что коррекция потребуется достаточно мощная, не опер. Может достаточно будет опера с повторителм, не знаю? Однако придется корректировать как статическую нелинйность транзисторов, так и динмическую, а последняя может вызывать импульсы коррекции зметной мощности.

  16. #16
    Частый гость
    Автор темы

    Регистрация
    29.04.2005
    Сообщений
    189

    По умолчанию Re: Цепь коррекции выходного каскада

    Цитата Сообщение от Костя Мусатов Посмотреть сообщение
    А ты не пробовал симулировать? Я опасаюсь, что коррекция потребуется достаточно мощная, не опер. Может достаточно будет опера с повторителм, не знаю? Однако придется корректировать как статическую нелинйность транзисторов, так и динмическую, а последняя может вызывать импульсы коррекции зметной мощности.
    Нет проблем, все симуляции прокатывают на ура Я даже не стал упоминать об этом.
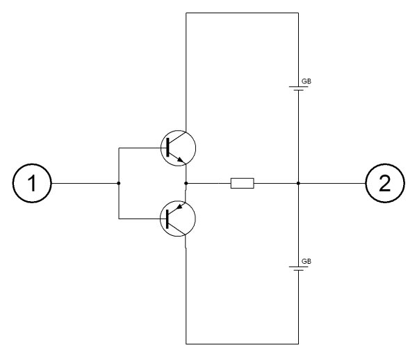
    Я собирал простой макет, который работал. Макет был только для проверки работоспособности, большего от него я не добивался.

    Для ясности еще один рисунок. Такая схема это обычный мост. Входы 1 и 2 полностью равноправны, их входное сопротивление одинаковое с высокой точностью.
    Миниатюры Миниатюры Нажмите на изображение для увеличения. 

Название:	ec1.jpg 
Просмотров:	385 
Размер:	15.6 Кб 
ID:	18891  

  17. #17
    Мимо проходил Аватар для Костя Мусатов
    Регистрация
    05.03.2004
    Адрес
    Москва
    Возраст
    59
    Сообщений
    5,529

    По умолчанию Re: Цепь коррекции выходного каскада

    Конечно, если смотреть на схему так. Однако тут еще присутствует земля. А паразитные емкости силового источника питания относительно земли высоки, высок и уровень помех в этой точке. Опер не потянет, ну может AD815

  18. #18
    Завсегдатай Аватар для PSV
    Регистрация
    07.05.2004
    Адрес
    Моск.обл.Черноголовка
    Возраст
    60
    Сообщений
    3,541

    По умолчанию Re: Цепь коррекции выходного каскада

    Просимулировал .На нагрузке амплитуда 25в,Rн=4ом.Искажения на нагрузке не привожу,потому,что они отсутствуют .Сумматор и усилители идеальные,понятно,что таких не бывает.В железе основная проблема будет в сумматоре.Радует факт,что полностью подавляются искажения повторителя и в железе они будут определяться качеством сумматора .Слева график напряжения коррекции.
    Миниатюры Миниатюры Нажмите на изображение для увеличения. 

Название:	UNIVERS.PNG 
Просмотров:	861 
Размер:	72.8 Кб 
ID:	18901  
    Последний раз редактировалось PSV; 21.02.2007 в 15:08.

  19. #19
    Частый гость Аватар для Gishu
    Регистрация
    21.03.2005
    Возраст
    52
    Сообщений
    193

    По умолчанию Re: Цепь коррекции выходного каскада

    Цитата Сообщение от PSV Посмотреть сообщение
    в железе они будут определяться качеством сумматора
    А почему не рассматривается подобное включение по отношению ко всему усилителю? Для инвертирующего вообще не будет синфазной составляющей.

  20. #20
    Завсегдатай Аватар для PSV
    Регистрация
    07.05.2004
    Адрес
    Моск.обл.Черноголовка
    Возраст
    60
    Сообщений
    3,541

    По умолчанию Re: Цепь коррекции выходного каскада

    Цитата Сообщение от Gishu Посмотреть сообщение
    А почему не рассматривается подобное включение по отношению ко всему усилителю? Для инвертирующего вообще не будет синфазной составляющей.

    Offтопик:
    Ветка называется Цепь коррекции выходного каскада Я не против,рассмотрите

Страница 1 из 4 123 ... Последняя

Социальные закладки

Социальные закладки

Ваши права

  • Вы не можете создавать новые темы
  • Вы не можете отвечать в темах
  • Вы не можете прикреплять вложения
  • Вы не можете редактировать свои сообщения
  •