Страница 1 из 148 12311 ... Последняя
Показано с 1 по 20 из 2949

Тема: Привет от Семигора (экономичный кл.А #2)

  1. #1
    Старый знакомый
    Автор темы
    Аватар для Konstantin Kuzmenko
    Регистрация
    21.06.2006
    Адрес
    Ukraine
    Возраст
    49
    Сообщений
    697

    По умолчанию Привет от Семигора (экономичный кл.А #2)

    Начало дебатов тута:
    http://www.dvdworld.ru/cgi-bin/audiobbs.pl/read/141688
    поскольку форум не очень удобный там, процитирую пару мессаг + дам картинку.

    > [Сергей Рубцов] На основе пары идей Игоря Семынина, которыми он со мною любезно поделился, я собрал гибридник небольшой мощности из отходов основного производства.
    Как и в любой маленькой схемке, тут всё зависит от конструктива и элементной базы. БП раздельный для транзисторной части и общий для ламповой. Кондёры электролиты - рифа 169 и нишиконы голд тюнс, межкаскадный - вима. Питание транзисторов - +35В, двухполупериодный выпрямитель со средней точкой на шоттки, потом 66 000 мкФ и всё.
    В целом звучание очень прикольное, колбасит мощно, баса немеряно, середина и верх сильно зависят от режимов лампы. Лучше ставить на 120 или даже на 140В. При маленьких токах немного грязновато, но вполне терпимо.
    Можно сделать такую схемку на хороших элементах и с нормальным БП, но это совсем другая история 8)) и за другие деньги. В общем - схемка вполне живая, если подойти с умом.
    Спасибо Игорю.

    > [Семынин Игорь] Здесь только одна моя идея - выходного каскада. И я очень тебе благодарен, что ты нашел время помучать ее в железе
    (сам я, увы, пока не имею возможности заниматься практическим аудио )
    Пару слов об этой идее.
    На первый взгляд - это обычный эмиттерный повторитель, нагруженный на генератор тока. Но, подключение холодного конца нагрузки не к земле, а к эмиттеру (это и есть "идея") - кардинально меняет свойства такого выходного каскада:
    1. Если максимальный выходной ток не превышает тока покоя, то изменение тока потребления гораздо меньше изменений выходного тока. Грубо говоря, потребляемый ток мало зависит от входного сигнала. (Повторитель Чифолли).
    2. Ток через ЭП также мало меняется. Он просто перераспределяется между нагрузкой и ИТ. Соответственно искажения гораздо меньше, чем с простым ИТ.
    3. Но - это не все. Такой выходной каскад способен выдавать ток, в разы превышающий ток покоя. То есть, работать в режиме "экономичного А", и при этом, оставаться однотактником.
    И все эти блага достигаются просто изменением точки подключения нагрузи.
    По всем признакам - идея "гениальная". Додумался я до нее cовершенно случайно в полемике на вегалабе.
    Интересно, она действительно новая, или я изобрел очередной велосипед?
    -----------------------
    В общем, в качестве концепта даю реализацию Рубцова. Сам я лампы не люблю, вариант с транзисторным SRPP на входе дам позднее.


  2. #2
    Завсегдатай Аватар для Yury Novikov
    Регистрация
    08.05.2006
    Адрес
    Москва
    Возраст
    63
    Сообщений
    2,336

    По умолчанию Re: Привет от Семигора (экономичный кл.А #2)

    Цитата Сообщение от Konstantin Kuzmenko Посмотреть сообщение
    Интересно, она действительно новая, или я изобрел очередной велосипед?
    Велосипед. Повторители с дополнительной ОС известны уже лет 50. К тому же эта схема меняет спектр гармоник в сторону двухтакта, и соответственно какой смысл делать однотактную схему, со спектром, идентичным двухтакту в кл АВ? Весь смысл однотактной схемы (того же повторителя Чуфолли) состоит в том, чтоб не убивать четные гармоники, а иначе она нафиг не нужна.

  3. #3
    Старый знакомый
    Автор темы
    Аватар для Konstantin Kuzmenko
    Регистрация
    21.06.2006
    Адрес
    Ukraine
    Возраст
    49
    Сообщений
    697

    По умолчанию Re: Привет от Семигора (экономичный кл.А #2)

    Yury Novikov,
    1) КПД
    2) четные гармоники все равно идут лесом, т.к. такую схему не грех и в мост объединить

  4. #4
    мифолог Аватар для anli
    Регистрация
    06.11.2004
    Сообщений
    4,735

    По умолчанию Re: Привет от Семигора (экономичный кл.А #2)

    Цитата Сообщение от Konstantin Kuzmenko Посмотреть сообщение
    не грех и в мост объединить
    Не догоняю. Как?

  5. #5
    Завсегдатай Аватар для Semigor
    Регистрация
    21.01.2004
    Адрес
    Ижевск
    Возраст
    68
    Сообщений
    3,697

    По умолчанию Re: Привет от Семигора (экономичный кл.А #2)

    Всем привет!

    Цитата Сообщение от Yury Novikov Посмотреть сообщение
    Велосипед. Повторители с дополнительной ОС известны уже лет 50.
    Вот и я думаю, что все уже давно изобретено . Дайте, пожалуйста, ссылочку на такой повторитель.

    Цитата Сообщение от Yury Novikov Посмотреть сообщение
    К тому же эта схема меняет спектр гармоник в сторону двухтакта, и соответственно какой смысл делать однотактную схему, со спектром, идентичным двухтакту в кл АВ?
    Спектр гармоник практически не имеет никакого отношения к качеству звука. А смысл однотакта заключается в том, что у сигнала только один путь.

    Цитата Сообщение от Yury Novikov Посмотреть сообщение
    Весь смысл однотактной схемы (того же повторителя Чуфолли) состоит в том, чтоб не убивать четные гармоники, а иначе она нафиг не нужна.
    Весь смысл повторителя Чифолли в независимости тока потребления от входного сигнала.

  6. #6
    Великий Реформатор Аватар для Gajdar
    Регистрация
    15.06.2004
    Адрес
    Краснообск
    Возраст
    56
    Сообщений
    2,754

    По умолчанию Re: Привет от Семигора (экономичный кл.А #2)

    Игорь, а кондер на выходе не греется??? Ах, ну да, тут выходники все разогревают нипадеццки ))
    Я всегда вот думаю, как там слив противоЭДС от катушки через этот кондер летит в обратную сторону...
    Второе - это кондеры... Как я понимаю, реально переменки 10-15% от номинального напряжения кондера.. Т.Е. кондер нужен вольт на 100???

  7. #7
    Старый знакомый
    Автор темы
    Аватар для Konstantin Kuzmenko
    Регистрация
    21.06.2006
    Адрес
    Ukraine
    Возраст
    49
    Сообщений
    697

    По умолчанию Re: Привет от Семигора (экономичный кл.А #2)

    anli, а, и правда, не объединятся Да, надо раньше спать ложиться.. Ну да ладно, не очень- то и хотелось

    Добавлено через 1 минуту
    Gajdar, кондер там нужен такой, что-б его рабочий риппл не превышал Irms в нагрузке. Почти любой с винтовыми выводами держит Ir=5A
    Последний раз редактировалось Konstantin Kuzmenko; 02.02.2007 в 09:48. Причина: Добавлено сообщение

  8. #8
    Завсегдатай Аватар для Yury Novikov
    Регистрация
    08.05.2006
    Адрес
    Москва
    Возраст
    63
    Сообщений
    2,336

    По умолчанию Re: Привет от Семигора (экономичный кл.А #2)

    Цитата Сообщение от Semigor Посмотреть сообщение
    Вот и я думаю, что все уже давно изобретено . Дайте, пожалуйста, ссылочку на такой повторитель.
    Лень искать. Найду, дам. Но знаю о таких вещах очень давно и пробовал еще несколько лет назад в чуфолиевском повторителе. И в ламповых схемах это вовсю применялось в измерительной технике. Причем я ставил дополнительные резисторы как ниже генератора тока, так и выше повторителя, и ОСы и сигналы снимал разными способами. И придумал я это не сам.

    Цитата Сообщение от Semigor Посмотреть сообщение
    Спектр гармоник практически не имеет никакого отношения к качеству звука. А смысл однотакта заключается в том, что у сигнала только один путь.
    Еще как имеет. Иначе бы двухтакты и однотакты играли одинаково. Я от подобных опытов в повторителях отказался именно по той причине, что такие "улучшения" сильно меняли звук повторителя не в лучшую сторону.

    Цитата Сообщение от Semigor Посмотреть сообщение
    Весь смысл повторителя Чифолли в независимости тока потребления от входного сигнала.
    Весь смыл в равномерности гармоничекого спектра, и от этого в приятном для ушей звуке. Все остальное (типа КПД, КНИ, ток и т.п.) мелкая техническая муйня не стоящая внимания.

  9. #9
    Завсегдатай Аватар для Semigor
    Регистрация
    21.01.2004
    Адрес
    Ижевск
    Возраст
    68
    Сообщений
    3,697

    По умолчанию Re: Привет от Семигора (экономичный кл.А #2)

    Цитата Сообщение от Gajdar Посмотреть сообщение
    Как я понимаю, реально переменки 10-15% от номинального напряжения кондера.. Т.Е. кондер нужен вольт на 100???
    Не понял, переменки чего? Переменного напряжения на нем вообще практически нет и кондера на 35В вполне достаточно. (У меня в подобных усилках на 25В стоят )

    Цитата Сообщение от Yury Novikov Посмотреть сообщение
    Лень искать...
    Эээ, что-то и мне стало лень дальше читать

  10. #10
    Старый знакомый
    Автор темы
    Аватар для Konstantin Kuzmenko
    Регистрация
    21.06.2006
    Адрес
    Ukraine
    Возраст
    49
    Сообщений
    697

    По умолчанию Re: Привет от Семигора (экономичный кл.А #2)

    Посимулировал.. Явные проблемы с термостабилизаций Io у нижнего транзистора. С каким минимальным Io оно вообще способно работать? 100-200мА сможет? Или задирать до 2-3А придется, и это уже никакой не экономичный будет

  11. #11
    Завсегдатай Аватар для PSV
    Регистрация
    07.05.2004
    Адрес
    Моск.обл.Черноголовка
    Возраст
    60
    Сообщений
    3,541

    По умолчанию Re: Привет от Семигора (экономичный кл.А #2)

    Всё нормально там с термостабилизацией.Ток покоя от 20 до 100грС растёт примерно на 20%.На большом радиаторе проблем не будет.
    Цитата Сообщение от Semigor Посмотреть сообщение
    Вот и я думаю, что все уже давно изобретено . Дайте, пожалуйста, ссылочку на такой повторитель.
    Чем то похожая по принципу работы схемка была опубликована Е.Карповым в статье "Гибридный мир"
    Там тоже резистор последовательно с нагрузкой и напряжение на нём управляет током ИТ.Тут абсолютно другая реализация,проще и красивее.

  12. #12
    Завсегдатай Аватар для Semigor
    Регистрация
    21.01.2004
    Адрес
    Ижевск
    Возраст
    68
    Сообщений
    3,697

    По умолчанию Re: Привет от Семигора (экономичный кл.А #2)

    Для чистого А - R8 лучше заменить на мощный светодиод, задав через него ток 100..300мА. Заодно и термостабильность улучшиться.

    Для экономичного А думаю оптимальным будет ток покоя 300...500мА.
    Падение напряжения на R6 в покое стоит выбрать 0,2...0,3В и зашунтировать R6 диодом.
    Последовательно с R8 прийдется поставить диод и обеспечить его тепловой контакт с T3. Ну и неплохо бы зашунтировать эту цепочку конденсатором несколько тысяч мКф (с базы Т3 на землю).

  13. #13
    Новичок
    Регистрация
    17.07.2005
    Сообщений
    42

    По умолчанию Re: Привет от Семигора (экономичный кл.А #2)


    Offтопик:
    Вопрос Семигору . Возможно ли доработать ваш усилитель для наушников на нагузку порядка 0,5 Ом . Думаю соединить параллельно 8 головок в линейном массиве , чтобы не усиливать напряжение , а только ток . Как думаете , есть смысл ?

  14. #14
    Не хочу! Аватар для Alex
    Регистрация
    20.03.2003
    Адрес
    Worldwide
    Возраст
    62
    Сообщений
    39,046

    По умолчанию Re: Привет от Семигора (экономичный кл.А #2)

    Цитата Сообщение от Semigor Посмотреть сообщение
    Весь смысл повторителя Чифолли в независимости тока потребления от входного сигнала.
    И Зена - тоже, но у тебя-то этого нет!

    Собственно, я не совсем понимаю для чего сравнивать эту схему со схемой Чуфолли?

    Совершенно не важно хуже она или лучше. Это схема - "схема Семигора", к схеме "Фоловера Чуфолли" они не имеет абсолютно никакого отношения, и иметь не будет никогда.
    (по крайней мере, пока нагрузка включена вниз а не вверх).


    Цитата Сообщение от Semigor Посмотреть сообщение
    Спектр гармоник практически не имеет никакого отношения к качеству звука.
    А вот тут - желательно поподробнее, уже стало интересно.

    Добавлено через 5 минут
    Цитата Сообщение от PSV Посмотреть сообщение
    Там тоже резистор последовательно с нагрузкой и напряжение на нём управляет током ИТ.
    Ребята, о чем вы?! Управление током ГТ было у Нельсона, начиная с Зен2, и вообще запатентовано под названием "Aleph Current Source" в 1991г, #5.710.522
    Последний раз редактировалось Alex; 03.02.2007 в 13:08. Причина: Добавлено сообщение
    "Замполит, чайку?"(с)"Охота за Красным Октябрем".
    "Да мне-то что, меняйтесь!"(с)анек.
    <-- http://altor1.narod.ru --> Вопросы - в личку, е-мейл, скайп.

  15. #15
    Завсегдатай Аватар для Semigor
    Регистрация
    21.01.2004
    Адрес
    Ижевск
    Возраст
    68
    Сообщений
    3,697

    По умолчанию Re: Привет от Семигора (экономичный кл.А #2)

    Цитата Сообщение от tonalex Посмотреть сообщение
    Off:
    Вопрос Семигору . Возможно ли доработать ваш усилитель для наушников на нагузку порядка 0,5 Ом . Думаю соединить параллельно 8 головок в линейном массиве , чтобы не усиливать напряжение , а только ток . Как думаете , есть смысл ?
    Лучше уж дорабатывать схему УМ, обсуждаемую в этой ветке, поскольку она способна выдать гораздо больший ток в нагрузку и по отзывам Сергея Рубцова играет очень неплохо.

    Цитата Сообщение от Alex Посмотреть сообщение
    И Зена - тоже, но у тебя-то этого нет!
    Это зависит исключительно от схемы и элементной базы управляемого УТ.
    С простейшим УТ на биполярном транзисторе девиации тока потребления в несколько раз меньше девиаций выходного тока.

    Цитата Сообщение от Alex Посмотреть сообщение
    А вот тут - желательно поподробнее, уже стало интересно.
    А что, кто-то уже доказал обратное?

    Цитата Сообщение от Alex Посмотреть сообщение
    Ребята, о чем вы?! Управление током ГТ было у Нельсона, начиная с Зен2, и вообще запатентовано под названием "Aleph Current Source" в 1991г, #5.710.522
    Повторитель Уайта был предложен, кажется еще до рождения Нельсона.

  16. #16
    Завсегдатай Аватар для PSV
    Регистрация
    07.05.2004
    Адрес
    Моск.обл.Черноголовка
    Возраст
    60
    Сообщений
    3,541

    По умолчанию Re: Привет от Семигора (экономичный кл.А #2)

    Цитата Сообщение от Alex Посмотреть сообщение
    Ребята, о чем вы?! Управление током ГТ было у Нельсона, начиная с Зен2, и вообще запатентовано под названием "Aleph Current Source" в 1991г, #5.710.522
    У Пасса,насколько я помню,не было постоянного тока через повторитель.Схема работала как двухтактник.Это принципиальное отличие.

  17. #17
    Старый знакомый
    Автор темы
    Аватар для Konstantin Kuzmenko
    Регистрация
    21.06.2006
    Адрес
    Ukraine
    Возраст
    49
    Сообщений
    697

    По умолчанию Re: Привет от Семигора (экономичный кл.А #2)

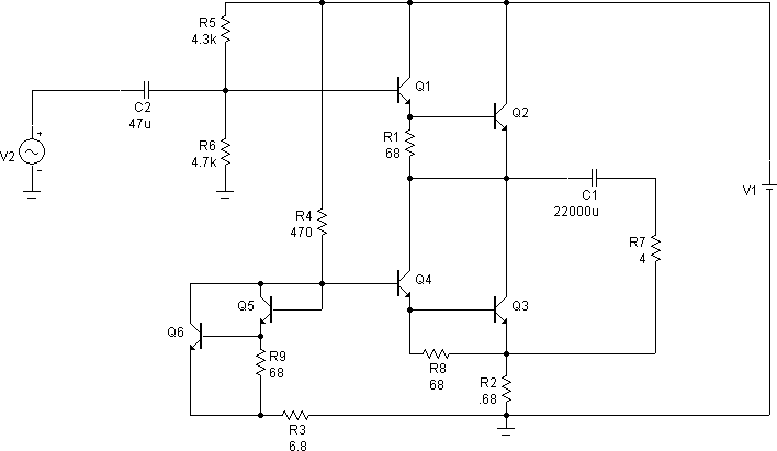
    Подкорректировал. УН будет SRPP на транзисторах (благо звучит неплохо), да это и не важно. Счас обсуждаем выходной каскад.
    Так вот, на самом деле предполагается использовать дарлингтоны BDW93C. Все 3 шт. скучковать на 1 радиаторе, ессно. Как видим, pcb получается простейшая.
    Миниатюры Миниатюры Нажмите на изображение для увеличения. 

Название:	privet_semigor_concept1.gif 
Просмотров:	8592 
Размер:	4.7 Кб 
ID:	18346  

  18. #18
    SMD-n
    Гость

    По умолчанию Re: Привет от Семигора (экономичный кл.А #2)

    Может это поможет чуток ...
    *** From file C:\Program Files\mc8\library\UTILITY.LBR
    *** 1MHz Sinusoidal Source
    .MODEL 1MHZ SIN (F=1k RS=1k)
    *** From file C:\Program Files\mc8\library\FAIRCH.LIB
    .SUBCKT BDW93A_FC 1 2 3
    Q1 1 2 4 Q1model
    Q2 1 4 3 Q2model 5.2266
    D1 3 1 Dmodel
    R1 2 4 10.000E3
    R2 4 3 600
    .MODEL Dmodel D
    + IS=1.67E-12 N=1.01 RS=1.854
    + CJO=2.8833E-10 M=0.3227 VJ=0.4449
    + BV=65.0 IBV=0.1
    .MODEL Q1model NPN
    + IS=1.4507E-14 BF=7.88E3 NF=0.85
    + VAF=138.92 IKF=0.8207 ISE=6.298E-13
    + NE=1.2 BR=21.99 NR=0.8
    + VAR=200 IKR=0.5 ISC=1.367E-13
    + NC=2.8 RB=6.193 NK=0.6
    + RE=0.001 RC=0.185 EG=1.110
    + CJE=1.055E-10 VJE=0.7775 MJE=0.4512
    + CJC=1.601E-10 VJC=0.8966 MJC=0.3035
    + XCJC=0.4455 FC=0.5
    .MODEL Q2model NPN
    + IS=1.4507E-14 BF=7.88E3 NF=0.85
    + VAF=138.92 IKF=0.8207 ISE=6.298E-13
    + NE=1.2 BR=21.99 NR=0.8
    + VAR=200 IKR=0.5 ISC=1.367E-13
    + NC=2.8 RB=6.193 NK=0.6
    + RE=0.001 RC=0.185 EG=1.110
    + CJE=1.055E-10 VJE=0.7775 MJE=0.4512
    + CJC=1.601E-10 VJC=0.8966 MJC=0.3035
    + XCJC=0.4455 FC=0.5
    .ENDS BDW93A_FC

  19. #19
    Завсегдатай
    Регистрация
    12.07.2006
    Адрес
    Киев
    Сообщений
    2,402

    Улыбка Re: Привет от Семигора (экономичный кл.А #2)

    Нагрузить ЭП на ГТ - способ повышения нагрузочной способности ЭП, решение живет во многих справочниках и схемах лет тридцать не менее. А вот нагрузку оторвать от земли и подключить в эмит резистор ГТ - это уже новизна, да какая простая и эффективная!
    Ниже привожу результаты эмуляции в МС.
    Три каскада ЭП: старое решение рис1, новое рис2, умощненное новое рис3.
    На графике максимальных мощностей рис.4 наблюдаем резкий подьем нагрузочной српособности с 3 Вт (схема рис1) до 23 Вт! (схема рис2) и до 28,5 Вт (схема рис3). Все схемы в покое потребляют от источника напряжения по 25 Вт. Интересно распределение гармоник при максимальной вых. мощности - быстро падающий уровень составляющих спектра (рис5).
    Если в дополнение к отмеченному учесть и отсутствие переключательных искажений, то схемное решение очень привлекательное.
    Поздравляю с находкой разработчика схемного решения.
    Миниатюры Миниатюры Нажмите на изображение для увеличения. 

Название:	ЭмитПовтор2_рис1_2_3.gif 
Просмотров:	9320 
Размер:	61.3 Кб 
ID:	18495   Нажмите на изображение для увеличения. 

Название:	ЭмитПовтор2_рис4_5.GIF 
Просмотров:	5427 
Размер:	63.3 Кб 
ID:	18496  
    Вложения Вложения
    Последний раз редактировалось wert; 10.02.2007 в 16:39.

  20. #20
    Завсегдатай Аватар для Yury Novikov
    Регистрация
    08.05.2006
    Адрес
    Москва
    Возраст
    63
    Сообщений
    2,336

    По умолчанию Re: Привет от Семигора (экономичный кл.А #2)

    Цитата Сообщение от wert Посмотреть сообщение
    старое решение рис1, новое рис2, умощненное новое
    Это для вас оно "старое" и "новое".

    А вообще, когда говорят о реальной новизне схемной идеи, обычно приводят обзоры аналогичных патентов. Это назвается критика прототипов. А без этого, оно называется мечты и фантазии. Похожая "новая" идея, только в ламповом варианте, недавно всплывала на Аудиопортале.

Страница 1 из 148 12311 ... Последняя

Социальные закладки

Социальные закладки

Ваши права

  • Вы не можете создавать новые темы
  • Вы не можете отвечать в темах
  • Вы не можете прикреплять вложения
  • Вы не можете редактировать свои сообщения
  •