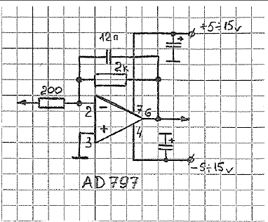
Искал схему в интернете МС усилителя, и как-то их там очень мало оказалось. Видимо из-за того, что схемы настолько примитивны, что рисовать и выкладывать там особо нечего. Собрал инвертирующий усилитель на ОУ AD797. Малошумящий ОУ заточенный под работу с низкоомными источниками. Питается от двух аккумуляторов.





Социальные закладки