Уважаемые форумчане, предлагаю вам эту разработку с надеждой, что она кому- нибудь пригодится.
Буду рад в двойне если кто предложит более удачный вариант.С уважением, Игорь Кухлеев.
Причиной данной разработки послужило то, что по воле судьбы мне пришлось обратиться к сурдологам по вопросу снижения слуха в области высоких частот.
Те сообщили, что они смогут поправить мой слух. Однако после курса уколов заявили, что паталогии слуха неизлечимыи отправили на протезирование, предупредив что самый хилый слуховой аппарат для меня будет стоить минимум 40000р.
на каждое ухо. Посмотрел в интернете рекомендованный кабинет, но кроме заверений, что я являюсь крутой и современной личностью ничего не обнаружил. Ни цен на услуги, ни технических характеристик аппаратов, ни их ассортимента.
От такого лечения осталось ощущение халтуры
40 лет тому назад я делал чувствительный микрофонный усилитель на германиевых транзисторах. Он работал прекрасно, звук казался прозрачным, хорошо прослушивались далекие голоса, что касается шумов, то я не помню чтобы они мне мешали. И вообразил, что на современных деталях создам нечто очень качественное. Как же я ошибся и был ошарашен.... На поиски этой схемотехники пришлось потратить около года времени, правда вместе со всеми другими житейскими делами.
Большое спасибо [https://forum.vegalab.ru/showthread....122447]Allckkk[/CODE] за практическую помощь в поиске схемотехники преда
Большое спасибо [https://forum.vegalab.ru/showthread....132195]Semimat[/CODE] за обстоятельный рассказ как работает микрофон
Первоисточником была эта разработка http://radioskot.ru/publ/unch/karman...arat/6-1-0-627
При всей ее привлекательности оказалось, что УМ 34119 излишне прожорлива для слухового и дает вполне заметные на слух искажения (видно по даташиту).
Пришлось сразу заменить ее на более экономичную и качественную ТРА301. Обвязка 34119 по ее даташиту мне понравилась, поэтому ТРА301 я включил по этой же схеме, потребовалось только изменить обвязку входов.
На слух сразу почувствовал улучшение качества звука.
Для УМ выбрана мостовая схема потому, что по завершению разработки планируется повесить аппарат на каждое ухо, то есть использоваться будет в монофоническом режиме (стерео наушники подключать к мостовому усилителю проблематично)
УМ оказался самым простым узлом, не требующим больших затрат времени. Нужно только создать комфортную для Вас АЧХ подбором компонентов обратных связей, не забыв при этом временно отключать все другие фильтры устройства. Я номиналы по податашиту не изменил никак (хотя пробовал перенастраивать фильтры УМ многократно).
А пред первоисточника на мой взгляд оказался не очень качественным .![]()
Должен сказать,что в настоящей разработке пред с микрофоном оказался самым сложным и трудоемким узлом, несмотря на малое количество деталей.
Я не смог получить от преда первоисточника неискаженный сигнал. К тому же с моими деталями пред первоисточника имел явно избыточное усиление.
Попробовал пред отсюда http://dedclub.blogspot.ru/2014/10/ssm2167.html Гораздо лучше.
Новая схема неплохо работала в домашних условиях, но когда я потаскал ее по производственным цехам, ревущим автострадам, то она показала непригоднсть для слухового аппарата.
Рев пролетавших мимо машин превращался в какой-то скрежет непонятного происхождения. Закрой глаза- и не поймешь что это был автомобиль.
Громкая , да и не громкая речь прослушивалась с хриподцой. В очень тихой комнате явственно прослушивались небольшие шумы тракта. Причина была не понятна, пока не попробовал применить разработки участников форумов на тему снижения искажений микрофона.
Сначала попробовал заменить свои безымянные дешевки (микрофоны) на более качественные. Проездом в Москве нашел "сосну", но в ЧИП и ДИПе не смогли назвать дату изготовления микрофона. Брать кота в мешке за 2000р. не стал.
Воспользовался наводкой[https://forum.vegalab.ru/showthread....1#post2132195] Semimat[/CODE] а на хороший микрофон. его цена не запредельна- около 800 р.
Вложение 255961
однако стоимость пересылки в 3-5 раз дороже микрофона - до5000р.
Вложение 255965
Что называется приехали...Ну нету этого у нас в универмаге
Пришлось попытаться выжать из моего хлама (микрофонов) максимум.
Наслышан, что схема [https://forum.vegalab.ru/showthread....t72335]феникса[/CODE] имеет низкие искажения и даже способна снизить шумы микрофона.Попытался перевести схему Феникса на низковольтное и экономичное питание вот по такой схеме.
Вложение 256866
Светодиод из экономии батареек пришлось заменить на резистор. Применение стабилитронов- недопустимая роскошь для слухового. Надеюсь, что Феникс не будет возмущен, если я измененный мною кусочек от его разработки для краткости буду называть Фениксом.
Для сравнения (иначе бродя по городу трудно оценить качество девайса) собрал второй аналогичный пред, но по схеме с резистором в истоке микрофона.
Велико было желание сравнить схему Феникса и схему [https://forum.vegalab.ru/showthread....78149]Линквица[/CODE] в эдаком низковольтном варианте, но я не смог придумать что делать с высоким выходным сопротивлением Линквица. Ведь дополнительно навешивать [https://forum.vegalab.ru/showthread....21]повторители[/CODE] в пред нежелательно для слухового. Шумыссс...
Вместо Линквица собрал микрофон с резистором в истоке и нагрузкой в стоке.
Вложение 256867
Потом набрел на [https://forum.vegalab.ru/showthread....ost1850472]эту[/CODE] схему. Похожа, еще раз спастбо Allckkk
Ну, сразу был восторг от обоих предов. Искажения уменьшились кардинально. ИМХО в стандартном включении микрофона звук изменялся до неузнаваемости именно "благодаря" искажениям микрофона.
Однако, после выравнивыния усилений обоих предов с микрофонами (путем подбора резистора в истоке) оказалось, что шумы у схемы Феникса заметно выше. Возможно потому, что у Феникса два транзистора в усилении, а во второй схеме -только один.
Сразу оговорюсь, что усилительные свойства второй схемы в разы лучше чем у этого варианта схемы Феникса (при прослушивании каждого преда со своим отдельным микрофоном) по НЕИЗВЕСТНОЙ причине. Мои попытки выяснить причину такой разницы путем замены микрофонов между собой, ни к чему не привели т.к. оба преда после замены микрофонов оказались вдрызг расстроены по постоянному току.
Вот выявился еще оччень крупный недостаток обоих предов: они НЕРЕМОНТОПРИГОДНЫ. Замена, например микрофона при очень плотном монтаже слухового будет неприятным занятием с полной перенастройкой.
В этом конкретном случае усилительные качества и приведенные шумы схемы с резистором в истоке получились гораздо лучше, чем в измененной мною схеме Феникса.
Тем не менее очередной раз первая же прогулка по городу развеяла надежды...
У обоих предов оказалась слишком высокая чувствительность к инфранизким частотам. Вплоть до того что происходила низкочастотная модуляция полезного звука и невозможно было слушать разговор при таких помехах. Наблюдалось при поездках в автобусах"ПАЗ" и в помещениях с работающми венткамерами, при хлопании дверью дома.
Кроме того, термостабильность у обои схем- никакая. Хуже- термостабильность второй схемы. Она захрипела даже при прогреве до 40градусов, а при -8 усиление полностью упало у обоих предов.
Улучшить термостабильность этих предов я даже не пытался из-за их вредоносной чувствительности к НЧ помехам, все равно схему надо переделывать.![]()
Необходимо разделить микрофон и пред конденсатором для подавления инфранизких частот и заодно для обеспечения термостабильности . В точности мне не известно, какая же схемотехника оказалась бы лучшей для слухового, слишком хлопотно было многократно все перепроверять и каждый раз все перенастраивать для проверок.
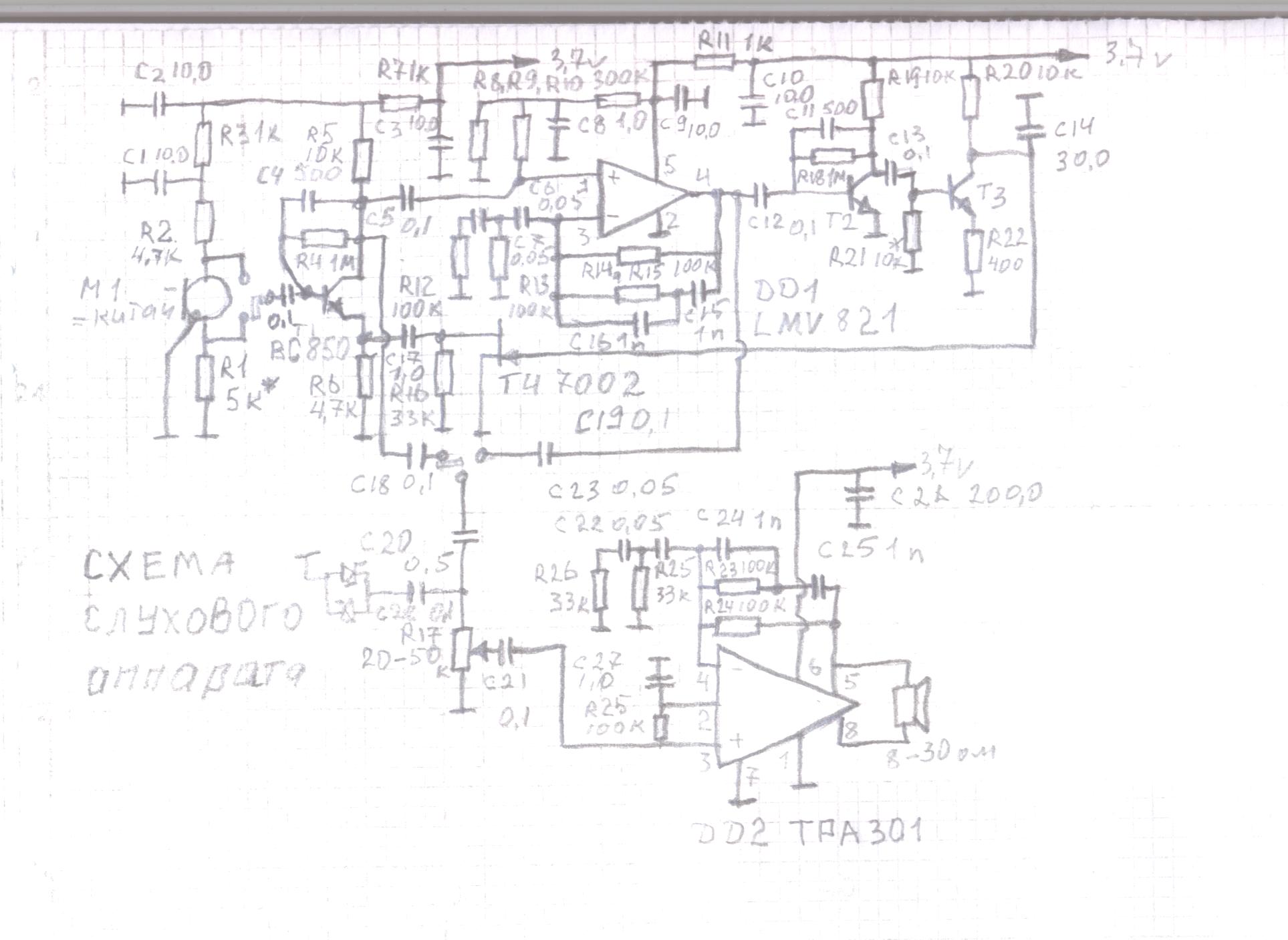
По факту вот победивший у меня вариант преда:
Вложение 256868
Что касается АРУ.
Поскольку пришлось уменьшить усиление преда по сравнению с первоисточником, сигнала для АРУ не хватило и потребовалось в АРУ добавить 1 каскад. Для того, чтобы в АРУ действовали только слышимые звуки вставил внутри АРУ фильтр НЧ и ВЧ. Это полезно также для общей крутизны фильтров тракта. Разделил пред и АРУ по постоянному току, заменив полуоткрытый диод VD3 в первоисточнике на конденсатор, что дало возможность тасовать узлы как угодно.
Получается, от прежней АРУ остался в основном только принцип действия, весьма удачный.
Вот схема слухового аппарата на сегодня
Вложение 256869
Для согласования выхода АРУ с предом пришлось заменить транзистор в преде на NPN.
В этом почти окончательном варианте сравнил включение микрофона по схеме Линквица и по схеме с нагрузкой в стоке микрофона. Вопреки ожиданиям (высокое выходное сопротивление) схема Линквица имела большее усиление (закорачивание резистора в стоке микрофона никак не влияло на усиление). Осталось выбрать с помощью нарисованных в схеме переключателей наиболее чисто работающий в экстремальных условиях вариант (переключатель микрофона внизу = схема Линквица) и упростить схему для наушного варианта, если предпочитаете его.
О деталях и настройке.
Номинал резистора в истоке микрофона зависит от экземпляра микрофона. Увеличение сопротивления влечет уменьшение чувствительности. Если выберите схему Линквица, то резистор в стоке микрофона R2 может не понадобиться (прежде убедиться влияет ли он на шумы или искажения).
Настройка узлов по постоянному току сводится к установке напряжения половины питания на выходах. Еще лучше дать сигнал на вход и, наблюдая по осцилографу добиться одинакового ограничения сигнала сверху и снизу на выходах.
АРУ работает сразу, может иметь очень высокую чувствительность, которая регулируется общим усилением АРУ, в частности подбором резистора R21. Он сажает импульсы на базе транзистора Т3 и тем самым увеличивает уровень срабатывания АРУ. На мой вкус лучше загрублять АРУ. Пусть лучше немного бьет по ушам, но в целом аппарат не будет отключаться при оглушительном звуке. Транзисторы в АРУ- попались с маркировкой AJ- это примерно как КТ3102В
Диодный ограничитель пиковых помех зависит от того как настроена АРУ. При сигнале на регуляторе громкости менее 200мв подойдут диоды шоттки.
Настройку фильтров предпочитаю делать поотдельности, чтобы потом полосы всех фильтров совпадали в унисон. Срез НЧ делал около 400 гц по принципу неподавления разговорных частот снизу (приятное прослушивание разговора), и при этом чтобы не ощущалось бубнения. Полосу сверху ограничивал 6000гц. Это потому что акценированное звучание звонких звуков повышает разборчивость речи. Многие предпочитают полосу 3500гц, дело вкуса.
Ну вот, когда мы добились вполне приличного качества звучания встает вопрос: куда это девать?
Для опробования наушного варианта ношения побежал в магазин и купил 6-миллиметровые микрофоны какие были, потому что маленькие. Причем на ушах их ОБЯЗАТЕЛЬНО надо ставить по два для подавления акустического возбуждения(паяем параллельно и разворачиваем в противоположные направления). Так эти дешевки зашумели как примусы. Выкинул.
Другие аргументы.
Наблюдая за прохожими я оччень редко вижу людей со слуховыми аппаратами- это при том что врачи рекомендуют всегда носить аппараты, если даже нет необходимости .А с дибильниками в ушах многие ходят и в любом возрасте. Видимо так оценивает народ внешний вид наушного аппарата по сравнению с наушниками с проводами, которые придется носить при карманном варианте аппарата.
По питанию: не смог отыскать в природе литиевых аккумуляторов типоразмера 675. При карманном варианте можно пользоваться бесплатным питанием (уккум от сотового), которого хватит до месяца без зарядки.
По очень миниатюрным переключателям, регуляторе громкости- не достать, разве что случайно. А потенциометр от гарнитур весьма удобно крутить благодаря большому диаметру, и в продаже навалом.
Итак, по причине "шикарного" ассортимента запчастей в магазинах напрашивается более доступный вариант ношения аппарата под одеждой, например в воротнике сорочки, в бейсболке, на шее и т.д. При это сами микрофоны непременно крепить снаружи (под кончиками воротника, на лацконе и т.д.) иначе шуршание не даст вам покоя.






Социальные закладки