Для обеспечения режима квазирезонанса в ОХ-преобразователе, основательного такого, с коммутацией в абсолютном нуле напряжения, предлагаю такой способ:
![]()
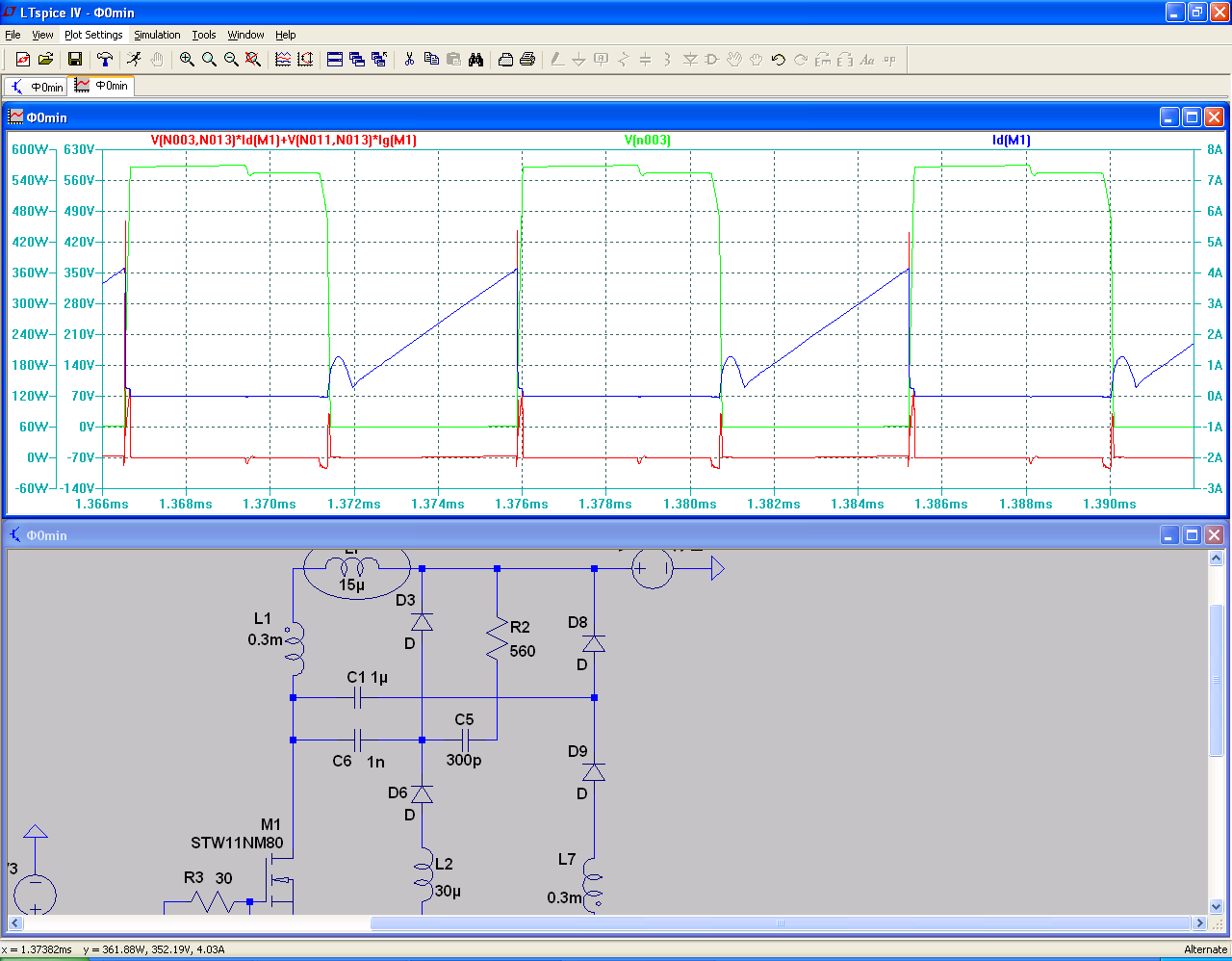
- ключ синхронного выпрямителя отключается не в нуле выпрямляемого тока, а с небольшой задержкой. За время задержки ток меняет направление, тем самым обеспечивается условие для получения квазирезонанса. Годится для граничного режима работы, для прерывистого магнитного потока в сердечнике – тоже наверное подойдет. При выборе способа утилизации энергии из Ls ограничений вроде нет, метод работает с пассивным, регенеративным демпфером, с фиксирующей обмоткой, с активным демпфером.
Этот прием может быть реализован от другой цепи, например из клэмпового конденсатора можно откачать необходимый реверсивный ток, - интересный вариант, показывал уже. Или из конденсатора в цепи управления – там связь гальваническая с контроллером, это может пригодиться для простого управления.
Для моделирования метода городить синхронный выпрямитель с задержкой выключения не хотелось, поэтому поставил медленный диод в выпрямитель. В жизни так заряд в диоде не накапливается! такой суррогат - только для демонстрации метода:
![]()




, был даже укуплен новенький gyroскоп.

Социальные закладки