Страница 1 из 1208 12311 ... Последняя
Показано с 1 по 20 из 24158

Тема: Электроника ТА1-003, Электроника-004, Олимп-003, Олимп-004, Олимп-005

  1. #1
    Завсегдатай
    Автор темы
    Аватар для Jenyok
    Регистрация
    05.11.2007
    Адрес
    Moscow
    Сообщений
    2,966

    По умолчанию Электроника ТА1-003, Электроника-004, Олимп-003, Олимп-004, Олимп-005

    .
    12.01.2020 года.
    .
    .
    Апгрейд, модернизация, ремонт катушечных магнитофонов (смотри заголовок темы), а также, магнитофонов Олимп-006, Олимп-700, Олимп-701, Олимп-702, Олимп А-400.
    .
    Обсуждается конструкция магнитофонов и узлов, схемотехника магнитофонов и отдельных блоков.
    .
    Любые схемы, новые схемы модернизации магнитофонов приветствуются.
    Любые печатные платы, новые печатные платы модернизации магнитофонов приветствуются.
    .
    Любые чертежи узлов, чертежи модернизаций узлов магнитофонов приветствуются.
    Любые чертежи новых деталей для магнитофонов приветствуются.
    .
    Любая документация по магнитофонам приветствуется.
    Любые описания по магнитофонам приветствуются.
    .
    Применение любой, даже экзотической элементной базы приветствуется, в том числе высокоскоростных ОУ, качественных конденсаторов и т.д.
    .
    Любая другая полезная техническая и иная информация по магнитофонам приветствуется.
    .
    Любые ссылки на аналогичные темы в других форумах приветствуются.
    .
    Посты, с архивами файлов PCB , SCH , гербер файлов, смотри сообщения на форуме.
    Некоторые схемы и платы выложены на форуме в нескольких вариантах, обратите на это внимание.
    .
    Проекты, реализованные в этой ветке.
    Ссылка.
    .
    https://cloud.mail.ru/public/vnhr/BfCatSVWf
    .
    Часть дерева директорий по ссылке
    (по тематике - магнитофоны с проектами схем и печатных плат (гербер файлы) для самостоятельного изготовления).
    .
    - Tape_Recorders
    |
    +- Electronika-004 - магнитофон Электроника-004 (некоторые специфичные проекты)
    |
    +- Olimp-003 - магнитофоны Электроника ТА1-003 , Электроника-004 , Олимп-003 (основные проекты)
    |
    +- Olimp-004 - магнитофон Олимп-004
    |
    +- Olimp-005C - магнитофон Олимп-005С
    |
    +- Olimp-005C-1 - магнитофон Олимп-005С-1
    |
    +- Idel-001 - магнитофон Идель-001
    |
    +- Nota-203 - магнитофон Нота-203
    |
    +- PCAD2006_Libraries - библиотеки компонентов САПР PCAD 2006 , используемых для магнитофонных проектах.
    |
    +- Multisym - схемы симуляции различных магнитофонных проектов и не только
    .
    и другие директории по ссылке, которые Вы смотрите и обследуете самостоятельно...
    Последний раз редактировалось Konkere; 26.07.2022 в 03:52.

  2. #2
    Завсегдатай
    Автор темы
    Аватар для Jenyok
    Регистрация
    05.11.2007
    Адрес
    Moscow
    Сообщений
    2,966

    По умолчанию Re: Электроника ТА1-003, Электроника-004, Олимп-003, Олимп-004, Олимп-005

    Нажмите на изображение для увеличения. 

Название:	LUPR.jpg 
Просмотров:	7580 
Размер:	408.5 Кб 
ID:	156809
    .
    ELE4_LUpr.rar
    .
    Схема, упакованная плата, разведенная плата блока управления Электроника-004.
    Архив - LUPR.SCH, LUPR.PKG, LUPR.PCB ...
    PCAD 4.5 ...
    Толщина дорожек - 0.4, 0.5, 1.0 мм ...
    Зазоры 0.3 мм ...
    .
    Планка держателя кнопок реализована в виде PRT компонента с нарисованными границами кнопок, размеры кнопок на рисунке компонента реальные.
    .
    Схема соответствует схеме из альбома схем магнитофона Электроника-004 , добавлены конденсаторы по питанию, новые добавленные элементы маркированы с индекса 100, т.е. C100, C101, R100, R101 и т.д.
    .
    Вопросы по схеме и плате и запросы на файлы прислать в личку или на e-mail.
    Последний раз редактировалось Jenyok; 25.05.2012 в 13:56.

  3. #3
    Завсегдатай
    Автор темы
    Аватар для Jenyok
    Регистрация
    05.11.2007
    Адрес
    Moscow
    Сообщений
    2,966

    По умолчанию Re: Электроника ТА1-003, Электроника-004, Олимп-003, Олимп-004, Олимп-005

    Нажмите на изображение для увеличения. 

Название:	LUPR2.jpg 
Просмотров:	3285 
Размер:	418.2 Кб 
ID:	156811
    .
    ELE4_LUpr2.rar
    .
    Схема, упакованная плата, разведенная плата блока управления Электроника-004, вариант 2.
    Архив - LUPR2.SCH, LUPR2.PKG, LUPR2.PCB ...
    PCAD 4.5 ...
    Толщина дорожек - 0.4, 0.5, 1.0 мм ...
    Зазоры 0.3 мм ...
    .
    Что изменено.
    1. Заменены микросхемы D9 и D15 на К555ЛИ1 по 2-а вентеля на каждую, новая микросхема названа D9.
    2. Добавлена микросхема К555ЛА3 для управления лампочкой стопа, новая микросхема названа D15 (рекомендации были даны здесь на форуме).
    3. Заменены микросхемы А2 и А3 на сдвоенный операционный усилитель DIP8, новая микросхема названа А2.
    4. Сделано торможение двигателями (рекомендации были даны здесь на форуме).
    5. Заменены лампочки на светодиоды, добавлены токоограничительные резисторы.
    .
    Планка держателя кнопок реализована в виде PRT компонента с нарисованными границами кнопок, размеры кнопок на рисунке компонента реальные.
    .
    Схема соответствует схеме из альбома схем магнитофона Электроника-004 , добавлены конденсаторы по питанию, новые добавленные элементы маркированы с индекса 100, т.е. C100, C101, R100, R101 и т.д.
    .
    Вопросы по схеме и плате и запросы на файлы прислать в личку или на e-mail.
    Последний раз редактировалось Jenyok; 25.05.2012 в 13:56.

  4. #4
    Завсегдатай
    Автор темы
    Аватар для Jenyok
    Регистрация
    05.11.2007
    Адрес
    Moscow
    Сообщений
    2,966

    По умолчанию Re: Электроника ТА1-003, Электроника-004, Олимп-003, Олимп-004, Олимп-005

    Нажмите на изображение для увеличения. 

Название:	LVOS.jpg 
Просмотров:	6249 
Размер:	323.3 Кб 
ID:	156813
    .
    ELE4_Vos.rar
    .
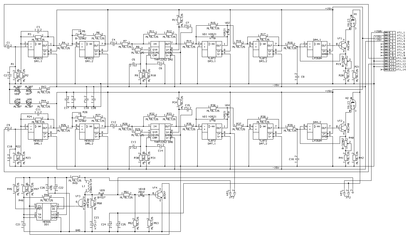
    Схема, упакованная плата, разведенная плата Усилителя воспроизведения для магнитофонов Электроника ТА1-003, Электроника-004, Олимп-003, Олимп-004 (требуются минимальные изменения).
    .
    PCAD 4.5 , толщина дорожек 0.4, 0.5 мм, зазоры 0.3 мм .
    .
    Что изменено.
    1. Заменены логические элементы К155ЛА8 на герконовые реле РЭС-55.
    2. Добавлены ключи управления реле.
    3. Заменен операционный усилитель на NE5534 .
    4. Заменены подстроечные резисторы на многооборотные подстроечные резисторы.
    .
    Схема соответствует схеме из альбома схем магнитофона Электроника-004 , добавлены конденсаторы по питанию, новые добавленные элементы маркированы с индекса 100, т.е. C100, C101, R100, R101 и т.д.
    .
    Вопросы по схеме и плате и запросы на файлы прислать в личку или на e-mail.
    Последний раз редактировалось Jenyok; 25.05.2012 в 16:29.

  5. #5
    Завсегдатай
    Автор темы
    Аватар для Jenyok
    Регистрация
    05.11.2007
    Адрес
    Moscow
    Сообщений
    2,966

    По умолчанию Re: Электроника ТА1-003, Электроника-004, Олимп-003, Олимп-004, Олимп-005

    Нажмите на изображение для увеличения. 

Название:	LTEL3.jpg 
Просмотров:	3133 
Размер:	336.0 Кб 
ID:	157815
    .
    Нажмите на изображение для увеличения. 

Название:	UsTel26.png 
Просмотров:	3523 
Размер:	24.1 Кб 
ID:	156817
    .
    Нажмите на изображение для увеличения. 

Название:	UsTel26_2.jpg 
Просмотров:	3601 
Размер:	125.7 Кб 
ID:	156836
    .
    UsTel3.rar
    .
    Схема, упакованная плата, разведенная плата Усилителя для наушников, Усилителя повторителя и Защиты для наушников для магнитофонов Электроника ТА1-003, Электроника-004, Олимп-003, Олимп-004 .
    .
    PCAD 4.5 , толщина дорожек 0.4 мм, зазоры 0.3 мм .
    .
    Схема Усилителя для наушников по мотивам схемы усилителя Шушнова
    https://forum.vegalab.ru/showthread....шников-Шушнова
    .
    Схема Усилителя повторителя по мотивам схемы усилителя для наушников и повторителя К. Мусатова на BSP129
    https://forum.vegalab.ru/showthread....това-на-BSP129
    .
    Схема защиты для наушников по мотивам схемы LYNX HA61
    http://www.lynxaudio.narod.ru/index.htm
    .
    Новые добавленные элементы маркированы с индекса 100, т.е. C100, C101, R100, R101 и т.д.
    !!! 05.06.2012 года Исправлена ошибка контактов разъема 8 и 9 контакты !!!
    .
    Вопросы по схеме и плате и запросы на файлы прислать в личку или на e-mail.
    Последний раз редактировалось Jenyok; 05.06.2012 в 13:18.

  6. #6
    Завсегдатай
    Автор темы
    Аватар для Jenyok
    Регистрация
    05.11.2007
    Адрес
    Moscow
    Сообщений
    2,966

    По умолчанию Re: Электроника ТА1-003, Электроника-004, Олимп-003, Олимп-004, Олимп-005

    Нажмите на изображение для увеличения. 

Название:	LTEL5.jpg 
Просмотров:	2946 
Размер:	311.5 Кб 
ID:	157817
    .
    UsTel5.rar
    .
    Схема, упакованная плата, разведенная плата Усилителя для наушников, Усилителя повторителя и Защиты для наушников для магнитофонов Электроника ТА1-003, Электроника-004, Олимп-003, Олимп-004, вариант 2.
    .
    PCAD 4.5 , толщина дорожек 0.4 мм, зазоры 0.3 мм .
    .
    Схема Усилителя для наушников по мотивам схемы LYNX HA61
    http://www.lynxaudio.narod.ru/index.htm
    .
    Схема Усилителя повторителя по мотивам схемы LYNX 12
    http://www.lynxaudio.narod.ru/index.htm
    .
    Схема защиты для наушников по мотивам схемы LYNX HA61
    http://www.lynxaudio.narod.ru/index.htm
    .
    Новые добавленные элементы маркированы с индекса 100, т.е. C100, C101, R100, R101 и т.д.
    !!! 05.06.2012 года Исправлена ошибка контактов разъема 8 и 9 контакты !!!
    .
    Вопросы по схеме и плате и запросы на файлы прислать в личку или на e-mail.
    Последний раз редактировалось Jenyok; 05.06.2012 в 13:21.

  7. #7
    Завсегдатай
    Автор темы
    Аватар для Jenyok
    Регистрация
    05.11.2007
    Адрес
    Moscow
    Сообщений
    2,966

    По умолчанию Re: Электроника ТА1-003, Электроника-004, Олимп-003, Олимп-004, Олимп-005

    Нажмите на изображение для увеличения. 

Название:	LIND.jpg 
Просмотров:	3073 
Размер:	323.8 Кб 
ID:	156825
    .
    Схема индикатора, взятая за основу для модернизации.
    vuin13_v21_scheme.pdf
    http://m.bareille.free.fr/vu-in13/vumeter_in13.htm
    .
    ELE4_LInd.rar
    .
    Схема, упакованная плата, разведенная плата индикатора уровня LIND.SCH, LIND.PKG, LIND.PCB.
    PCAD 4.5 .
    Толщина дорожек 0.4, 0.5 мм, зазоры 0.3 мм.
    .
    LIND2.PCB, LIND3.PCB платы индикатора уровня со светодиодами согласно размерам окна индикатора.
    LIND2.PCB поперечное расположение светодиодов, всего 24 шт. на 1-н канал.
    LIND3.PCB продольное расположение светодиодов, всего 30 шт. на 1-н канал по 2-а светодиода в параллель.
    .
    Вопросы по схеме и плате и запросы на файлы прислать в личку или на e-mail.
    Последний раз редактировалось Jenyok; 25.05.2012 в 16:30.

  8. #8
    Завсегдатай
    Автор темы
    Аватар для Jenyok
    Регистрация
    05.11.2007
    Адрес
    Moscow
    Сообщений
    2,966

    По умолчанию Re: Электроника ТА1-003, Электроника-004, Олимп-003, Олимп-004, Олимп-005

    Нажмите на изображение для увеличения. 

Название:	IMG_0742.JPG 
Просмотров:	2686 
Размер:	3.06 Мб 
ID:	156837
    Нажмите на изображение для увеличения. 

Название:	IMG_0748.JPG 
Просмотров:	2249 
Размер:	1.56 Мб 
ID:	156838
    Нажмите на изображение для увеличения. 

Название:	IMG_0749.JPG 
Просмотров:	2392 
Размер:	1.59 Мб 
ID:	156839
    Нажмите на изображение для увеличения. 

Название:	IMG_0750.JPG 
Просмотров:	2329 
Размер:	1.51 Мб 
ID:	156840
    Нажмите на изображение для увеличения. 

Название:	IMG_0751.JPG 
Просмотров:	2292 
Размер:	1.60 Мб 
ID:	156841
    Нажмите на изображение для увеличения. 

Название:	IMG_0752.JPG 
Просмотров:	2330 
Размер:	1.58 Мб 
ID:	156842
    Нажмите на изображение для увеличения. 

Название:	IMG_0753.JPG 
Просмотров:	2336 
Размер:	1.61 Мб 
ID:	156844
    Нажмите на изображение для увеличения. 

Название:	IMG_0754.JPG 
Просмотров:	2124 
Размер:	1.64 Мб 
ID:	156845
    .

    Нажмите на изображение для увеличения. 

Название:	detal15.jpg 
Просмотров:	3182 
Размер:	184.7 Кб 
ID:	156846
    .
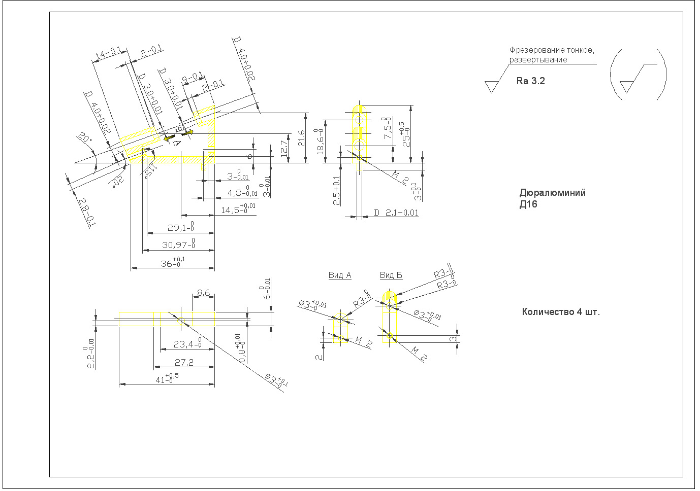
    Предлагаю Вам чертеж фрикциона.
    Фрикцион состоит из стойки, ролика, двух подшипников, винта и крышки.
    Стойка, ролик и крышка - нержавейка, причем марка нержавеющей стали разная, ролик и крышка одной марки более сераяя сталь и более блестящая, стойка другая марка нержавеющей стали более белая ближе к синеве, но не блестящая.
    Винт - обычная сталь.
    Подшипники - согласно размерам посадки на ось стойки и в ролик.
    Подходят подшипники с внешним и внутренним диаметром 7 мм х 3 мм (диаметр оси стойки должен быть 2,98 + 0,02 мм, а не 2,96 мм).
    Подшипники более сильно запрессованы в ролике, со стойки подшипники должны сниматься легче, чем из ролика.
    .
    Вопросы по чертежу и запросы на файлы прислать в личку или на e-mail.

  9. #9
    Завсегдатай
    Автор темы
    Аватар для Jenyok
    Регистрация
    05.11.2007
    Адрес
    Moscow
    Сообщений
    2,966

    По умолчанию Re: Электроника ТА1-003, Электроника-004, Олимп-003, Олимп-004, Олимп-005

    Нажмите на изображение для увеличения. 

Название:	IMG_ 035 copy.jpg 
Просмотров:	2470 
Размер:	275.5 Кб 
ID:	156848
    Нажмите на изображение для увеличения. 

Название:	IMG_ 036 copy.jpg 
Просмотров:	2268 
Размер:	200.7 Кб 
ID:	156849
    .
    Нажмите на изображение для увеличения. 

Название:	detal3.jpg 
Просмотров:	3620 
Размер:	169.3 Кб 
ID:	156850
    .
    Нажмите на изображение для увеличения. 

Название:	detal3_2.jpg 
Просмотров:	2820 
Размер:	161.9 Кб 
ID:	156851
    .
    Предлагаю Вам чертежи держателя катушек, 2-а варианта (2-ой чертеж аля Akai).
    Материал - дюралюминий.
    .
    Вопросы по чертежу и запросы на файлы прислать в личку или на e-mail.
    Последний раз редактировалось Jenyok; 25.05.2012 в 16:28.

  10. #10
    Завсегдатай
    Автор темы
    Аватар для Jenyok
    Регистрация
    05.11.2007
    Адрес
    Moscow
    Сообщений
    2,966

    По умолчанию Re: Электроника ТА1-003, Электроника-004, Олимп-003, Олимп-004, Олимп-005

    Нажмите на изображение для увеличения. 

Название:	IMG_ 038.jpg 
Просмотров:	2414 
Размер:	1.99 Мб 
ID:	156852
    Нажмите на изображение для увеличения. 

Название:	IMG_ 040.jpg 
Просмотров:	2443 
Размер:	2.80 Мб 
ID:	156853
    Нажмите на изображение для увеличения. 

Название:	IMG_ 009.jpg 
Просмотров:	2312 
Размер:	2.16 Мб 
ID:	156854
    .
    Нажмите на изображение для увеличения. 

Название:	detal13.jpg 
Просмотров:	2677 
Размер:	156.2 Кб 
ID:	156855
    .
    Предлагаю Вам чертеж планки держателя разъема электропитания и предохранителедержателей для магнитофона Электроника-004 .
    Материал - сталь.
    .
    Вопросы по чертежу и запросы на файлы прислать в личку или на e-mail.

  11. #11
    Завсегдатай
    Автор темы
    Аватар для Jenyok
    Регистрация
    05.11.2007
    Адрес
    Moscow
    Сообщений
    2,966

    По умолчанию Re: Электроника ТА1-003, Электроника-004, Олимп-003, Олимп-004, Олимп-005

    Нажмите на изображение для увеличения. 

Название:	detal8.jpg 
Просмотров:	2131 
Размер:	164.4 Кб 
ID:	156861
    .
    Предлагаю Вам чертеж планки держателя разъема электропитания и предохранителедержателей для магнитофона Электроника ТА1-003 .
    Материал - сталь.
    .
    Вопросы по чертежу и запросы на файлы прислать в личку или на e-mail.

  12. #12
    Завсегдатай
    Автор темы
    Аватар для Jenyok
    Регистрация
    05.11.2007
    Адрес
    Moscow
    Сообщений
    2,966

    По умолчанию Re: Электроника ТА1-003, Электроника-004, Олимп-003, Олимп-004, Олимп-005

    Нажмите на изображение для увеличения. 

Название:	detal14.jpg 
Просмотров:	2217 
Размер:	165.6 Кб 
ID:	156862
    .
    Нажмите на изображение для увеличения. 

Название:	detal12.jpg 
Просмотров:	2126 
Размер:	143.4 Кб 
ID:	156865
    .
    Предлагаю Вам чертеж планки держателя разъема электропитания и предохранителедержателей для магнитофона Олимп-005, 2-а варианта.
    Также планка подходит для магнитофона Олимп-004, если "отрезать" планку по правую голубую линию (верхний чертеж).
    Материал - сталь.
    .
    Вопросы по чертежу и запросы на файлы прислать в личку или на e-mail.

  13. #13
    Завсегдатай
    Автор темы
    Аватар для Jenyok
    Регистрация
    05.11.2007
    Адрес
    Moscow
    Сообщений
    2,966

    По умолчанию Re: Электроника ТА1-003, Электроника-004, Олимп-003, Олимп-004, Олимп-005

    Нажмите на изображение для увеличения. 

Название:	detal16.jpg 
Просмотров:	2646 
Размер:	283.8 Кб 
ID:	156866
    .
    Чашка подкатушечника.
    Материал - нержавеющая сталь.
    .
    Вопросы по чертежу и запросы на файлы прислать в личку или на e-mail.

  14. #14
    Завсегдатай
    Автор темы
    Аватар для Jenyok
    Регистрация
    05.11.2007
    Адрес
    Moscow
    Сообщений
    2,966

    По умолчанию Re: Электроника ТА1-003, Электроника-004, Олимп-003, Олимп-004, Олимп-005

    Нажмите на изображение для увеличения. 

Название:	detal17.jpg 
Просмотров:	2157 
Размер:	169.8 Кб 
ID:	156867
    .
    Планка держателя кнопок блока управления магнитофона Электроника ТА1-003, Электроника-004, Олимп-003 .
    Материал - сталь.
    .
    Вопросы по чертежу и запросы на файлы прислать в личку или на e-mail.

  15. #15
    Завсегдатай
    Автор темы
    Аватар для Jenyok
    Регистрация
    05.11.2007
    Адрес
    Moscow
    Сообщений
    2,966

    По умолчанию Re: Электроника ТА1-003, Электроника-004, Олимп-003, Олимп-004, Олимп-005

    Нажмите на изображение для увеличения. 

Название:	detal1.jpg 
Просмотров:	2036 
Размер:	138.9 Кб 
ID:	156868
    Нажмите на изображение для увеличения. 

Название:	detal2.jpg 
Просмотров:	1906 
Размер:	145.6 Кб 
ID:	156869
    .
    Детали держателей тормозной ленты, 2-а чертежа, детали разные.
    Материал - нержавеющая сталь.
    .
    Вопросы по чертежу и запросы на файлы прислать в личку или на e-mail.
    Последний раз редактировалось Jenyok; 25.05.2012 в 16:42.

  16. #16
    Завсегдатай
    Автор темы
    Аватар для Jenyok
    Регистрация
    05.11.2007
    Адрес
    Moscow
    Сообщений
    2,966

    По умолчанию Re: Электроника ТА1-003, Электроника-004, Олимп-003, Олимп-004, Олимп-005

    Нажмите на изображение для увеличения. 

Название:	LIND2.jpg 
Просмотров:	4461 
Размер:	289.5 Кб 
ID:	156969
    .
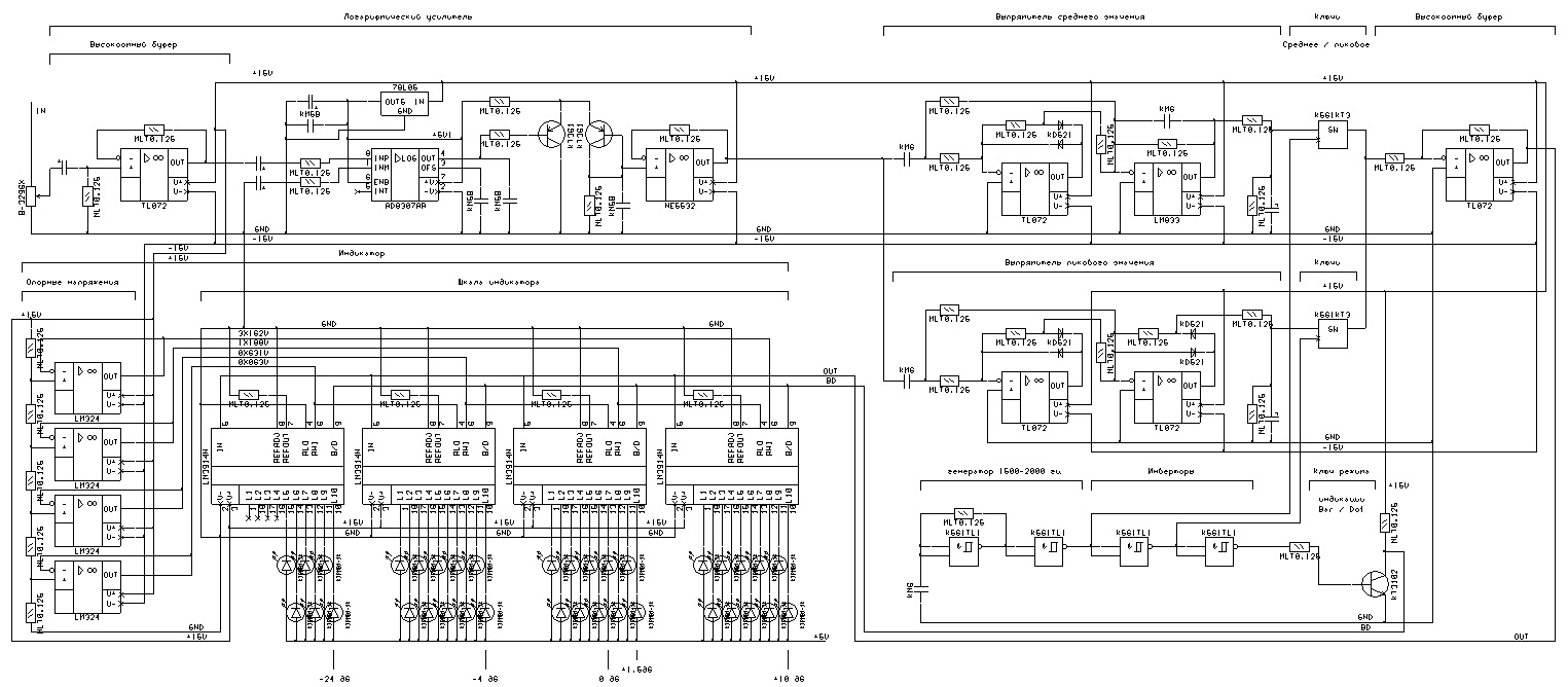
    Концепция VU Meter для магнитофонов Электроника ТА1-003, Электроника-004, Олимп-003.
    .
    Схема для обсуждения.
    Все комментарии даны на схеме.
    Что в схеме необходимо добавить, изменить, убрать ?
    .
    Схема разрабатывается для магнитофонов Электроника ТА1-003, Электроника-004, Олимп-003, из расчета 36 светодиодов поперечного расположения на плате.
    .
    Схема также может использоваться с индикаторами на ИН-13, если сигнал OUT схемы подать на высоковольтный усилитель на ОУ + транзистор.
    .
    Вопросы по чертежу и запросы на файлы прислать в личку или на e-mail.
    Последний раз редактировалось Jenyok; 26.05.2012 в 08:36.

  17. #17
    Завсегдатай
    Автор темы
    Аватар для Jenyok
    Регистрация
    05.11.2007
    Адрес
    Moscow
    Сообщений
    2,966

    По умолчанию Re: Электроника ТА1-003, Электроника-004, Олимп-003, Олимп-004, Олимп-005

    .
    Второе рождение магнитофона "Электроника-004" .
    http://www.audioworld.ru/DIY/Vinil/elek_01.html
    .
    Рожденный в СССР .
    Олимп-005 .
    http://www.audioworld.ru/DIY/Vinil/olimp_01.html
    .
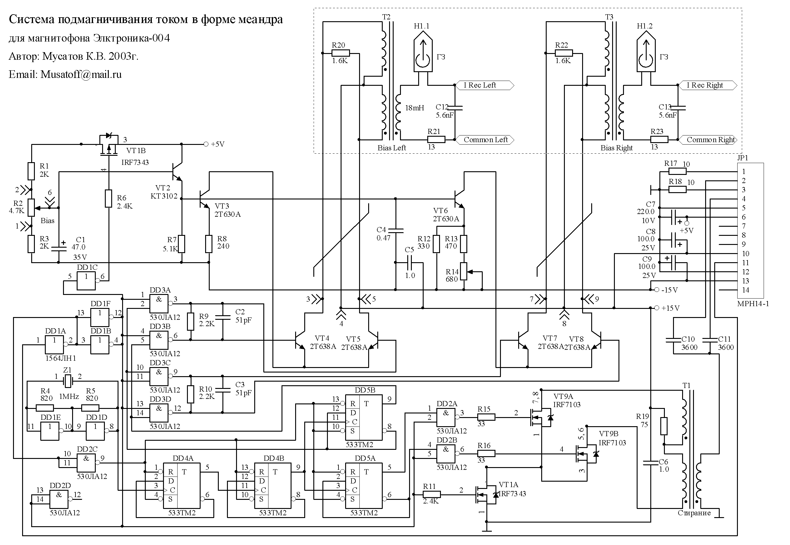
    Система подмагничивания с током в форме меандра.
    Система рассчитана на установку в магнитофон "Электроника-004". Система обеспечивает значительное повышение качества записи.
    Нажмите на изображение для увеличения. 

Название:	BIAS_E_004.png 
Просмотров:	2776 
Размер:	54.4 Кб 
ID:	157362
    .
    .
    Усилитель воспроизведения для катушечного магнитофона.
    http://musatoffcv.narod.ru/Projects/UV1987.htm
    .
    Нажмите на изображение для увеличения. 

Название:	UV1987In.gif 
Просмотров:	3379 
Размер:	23.2 Кб 
ID:	157363
    .
    Нажмите на изображение для увеличения. 

Название:	UV1987Out.gif 
Просмотров:	2789 
Размер:	38.6 Кб 
ID:	157365
    .
    .
    На странице фотоотчет о заправке демпферов.
    DJEEX Добавлено: Ср май 23, 2012 10:44 pm
    http://rt20.mybb2.ru/viewtopic.php?f=3&t=52&start=3450
    Последний раз редактировалось Jenyok; 30.05.2012 в 08:24.

  18. #18
    Завсегдатай
    Автор темы
    Аватар для Jenyok
    Регистрация
    05.11.2007
    Адрес
    Moscow
    Сообщений
    2,966

    По умолчанию Re: Электроника ТА1-003, Электроника-004, Олимп-003, Олимп-004, Олимп-005

    Нажмите на изображение для увеличения. 

Название:	detal7.jpg 
Просмотров:	2216 
Размер:	198.3 Кб 
ID:	157060
    .
    Предлагаю Вам чертежи держателя фото и светодиода автостопа для магнитофонов Электроника ТА1-003, Олимп-003.
    Некоторые размеры на чертеже требуют уточнения.
    Материал - дюралюминий.
    .
    Вопросы по чертежу и запросы на файлы прислать в личку или на e-mail.

  19. #19
    Завсегдатай
    Автор темы
    Аватар для Jenyok
    Регистрация
    05.11.2007
    Адрес
    Moscow
    Сообщений
    2,966

    По умолчанию Re: Электроника ТА1-003, Электроника-004, Олимп-003, Олимп-004, Олимп-005

    Нажмите на изображение для увеличения. 

Название:	TA1_003_NewUV.GIF 
Просмотров:	3990 
Размер:	45.6 Кб 
ID:	157061
    .
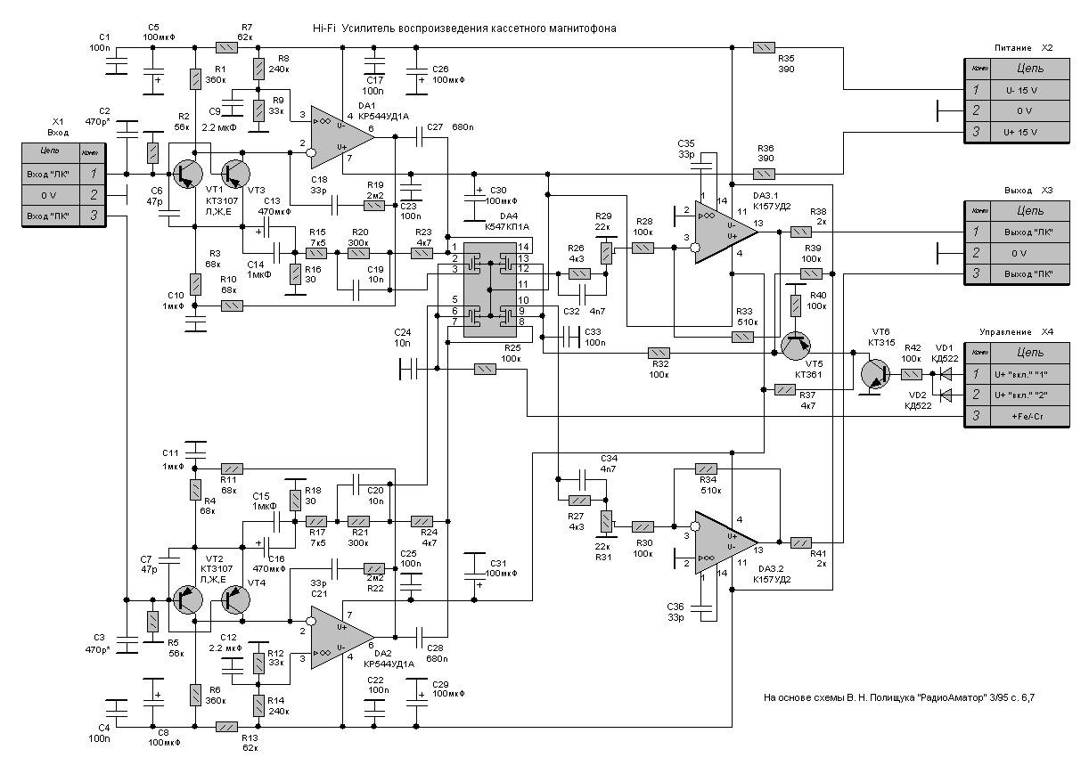
    Схема Усилителя воспроизведения для магнитофона Электроника ТА1-003 .
    .
    .
    Вложение 157062
    .
    Ю.Б. Соколов, В.И. Котов
    Магнитофоны приставки высшего класса Электроника ТА1-003, Электроника-004 .
    .
    Нажмите на изображение для увеличения. 

Название:	uv4eb.jpg 
Просмотров:	4351 
Размер:	119.8 Кб 
ID:	157206
    .
    Еще одна схема усилителя воспроизведения.
    http://adsh.ukrweb.net/radiohobby/vi...d=19970#p19970
    .
    Вопросы по схеме и запросы на файлы прислать в личку или на e-mail.
    Последний раз редактировалось Jenyok; 27.05.2012 в 19:51.

  20. #20
    Завсегдатай
    Автор темы
    Аватар для Jenyok
    Регистрация
    05.11.2007
    Адрес
    Moscow
    Сообщений
    2,966

    По умолчанию Re: Электроника ТА1-003, Электроника-004, Олимп-003, Олимп-004, Олимп-005

    Нажмите на изображение для увеличения. 

Название:	15.jpg 
Просмотров:	2820 
Размер:	1.32 Мб 
ID:	157104Нажмите на изображение для увеличения. 

Название:	14.jpg 
Просмотров:	2641 
Размер:	1.48 Мб 
ID:	157103Нажмите на изображение для увеличения. 

Название:	13.jpg 
Просмотров:	2618 
Размер:	1.15 Мб 
ID:	157102Нажмите на изображение для увеличения. 

Название:	12.jpg 
Просмотров:	2497 
Размер:	1.33 Мб 
ID:	157101Нажмите на изображение для увеличения. 

Название:	11.jpg 
Просмотров:	2211 
Размер:	1.58 Мб 
ID:	157100Нажмите на изображение для увеличения. 

Название:	10.jpg 
Просмотров:	2785 
Размер:	1.97 Мб 
ID:	157099Нажмите на изображение для увеличения. 

Название:	09.jpg 
Просмотров:	2299 
Размер:	1.66 Мб 
ID:	157098Нажмите на изображение для увеличения. 

Название:	08.jpg 
Просмотров:	2155 
Размер:	1.44 Мб 
ID:	157097Нажмите на изображение для увеличения. 

Название:	07.jpg 
Просмотров:	2218 
Размер:	1.49 Мб 
ID:	157096Нажмите на изображение для увеличения. 

Название:	06.jpg 
Просмотров:	2411 
Размер:	1.16 Мб 
ID:	157095Нажмите на изображение для увеличения. 

Название:	05.jpg 
Просмотров:	2299 
Размер:	1.37 Мб 
ID:	157094Нажмите на изображение для увеличения. 

Название:	04.jpg 
Просмотров:	2517 
Размер:	2.39 Мб 
ID:	157093Нажмите на изображение для увеличения. 

Название:	03.jpg 
Просмотров:	2246 
Размер:	1.36 Мб 
ID:	157092Нажмите на изображение для увеличения. 

Название:	02.jpg 
Просмотров:	2635 
Размер:	1.43 Мб 
ID:	157091Нажмите на изображение для увеличения. 

Название:	01.jpg 
Просмотров:	2532 
Размер:	4.41 Мб 
ID:	157090Нажмите на изображение для увеличения. 

Название:	00.jpg 
Просмотров:	2158 
Размер:	1.38 Мб 
ID:	157089.

    .
    Альбом схем (все что есть в наличии) магнитофонов Олимп-700, Олимп-701 .
    .
    Вопросы по схеме и запросы на файлы прислать в личку или на e-mail.
    Последний раз редактировалось Jenyok; 27.05.2012 в 11:03.

Страница 1 из 1208 12311 ... Последняя

Социальные закладки

Социальные закладки

Ваши права

  • Вы не можете создавать новые темы
  • Вы не можете отвечать в темах
  • Вы не можете прикреплять вложения
  • Вы не можете редактировать свои сообщения
  •