Здравствуйте, господа!
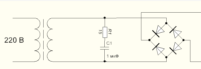
Собственно, сабж. Интересует как рассчитать снабберную RC-цепь для выпрямителей БП УМЗЧ и маломощных потребителей (ЦАП, например). Так же где-то видел, что делают CRC-снабберы. Какое они имеют преимущество перед классическими?
PS: Да, я знаю что этот вопрос обсуждался на форуме не единожды, но, в силу того, что модерация здесь отсутствует, как вид, темы, посвященной сугубо снабберам, я не нашел, а значит эти обсуждения могут быть даже в теме о радиоприемниках. Поиском я тоже пользовался, но он выдал мне набор постов из разных топиков, не связанных между собой по смыслу, и не всегда по теме. Поэтому прошу, не обессудьте.




Социальные закладки